Вернуться на главную
Поиск
Каталоги запчастей к технике
Спецтехника
LiuGong
CLG-766A
15E0832 SUCTION HYDRAULIC SYSTEM
Каталог запасных частей к технике: LiuGong CLG-766A. 15E0832 SUCTION HYDRAULIC SYSTEM
zoom-in
zoom-out
enlarge
shrink
circle-right
circle-left
file-text2
info
cart
Тип техники
Не выбрано
Легковые автомобили
Грузовые автомобили и прицепы
Автобусы
Сельхозтехника
Спецтехника
Двигатели
Мототехника
Марка
Не выбрано
Ammann
BOMAG
CARMIX
CASE IH
Changlin
ChengGong
Dimex
Doosan
DYNAPAC
Foton
HAMM
Hidromek
Hitachi
Hyundai
JCB
JLG
John Deere
Komatsu
LIEBHERR
LiuGong
Lonking (LongGong)
Luneng
MANITOU
Mitsuber
New Holland
PENGPU
RM-Terex
SANY
SDLG
SEM
Shantui
Shehwa HBXG
Soosan
TIGARBO
VOGELE
Volvo
WAY
WIRTGEN
XCMG
XGMA
Xiamen
YTO
Yuchai
Zoomlion
Автокран
АЗСМ
Алтайлесмаш
Амкодор
АОМЗ
Атек
АТЗ
Балканкар Рекорд
БелАЗ
Беловеж
Борекс
Брянский Арсенал
Булат
ВЭКС
ГАЗ
Геомаш
Гидромаш
Донекс
Дормаш
Дормашина
Дорэлектромаш
ДЭЗ
ЕлАЗ
ЗЗГТ
Ижнефтемаш
Канаш-электрокар
КЗКТ
ККЗ
Клевер
Клинцовский автокрановый завод
КМЗ
КМЗ 1 Мая
Ковровец
Коммаш
Кранэкс
КЭЗ
КЭМЗ
ЛЗА
МАЗ
МЗИК
МЗКМ
МЗКТ
Михневский РМЗ
МоАЗ
Мозырский МЗ
МТЗ
ОЗП
Онежец
ПАО "ТЗА"
ППС Детва
Промтрактор
ПТЗ
Раскат
СпецАгрегат
ТВЭКС
ТТМ
УВЗ
Угличмаш
УЗТМ
ХТЗ
ЧЗКМ
ЧСДМ
ЧТЗ
ЭКСКО
ЭКСМАШ
ЮрМаш
Модель
Не выбрано
CLG 425 (2010)
CLG 777A-S (2010)
CLG-2040H (2045H, 2050HL, 2040H, 2045H, 2050HL) (2016)
CLG-220 (2008)
CLG-225 (2008)
CLG-365A (2012)
CLG-375 (2008)
CLG-375A (2008)
CLG-385A (2008)
CLG-4165 (2015)
CLG-418 (2008)
CLG-4215 (2010)
CLG-612 (2008)
CLG-614 (2010)
CLG-618 (2010)
CLG-626R
CLG-766 (2015)
CLG-766A (2012)
CLG-816G (2012)
CLG-835
CLG-835 (2015)
CLG-835H (2015)
CLG-836 (2015)
CLG-842
CLG-842
CLG-842 (2015)
CLG-855N (2015)
CLG-856 (2015)
CLG-856H (2015)
CLG-856I
CLG-862 (2015)
CLG-877 (2015)
CLG-888 (2015)
CLG-904С (2007)
CLG-915D
CLG-915D
CLG-920D
CLG-920E (2015)
CLG-922D
CLG-922LC
CLG-922LC (2008)
CLG-925 (2015)
CLG-925D (2015)
CLG-933E (2010)
CLG-B160 (2010)
Схема
>
Не выбрано
00E0703 004 ENGINE SYSTEM
20C1127 000 RADIATOR GP
23C0257 004 THROTTLE CONTROL SYSTEM
40C2251 001 DIESEL ENGINE
21C0470 002 FUEL TANK
00E0719 003 ENGINE SYSTEM
20C1014 000 COOLING SYSTEM
23C0275 003 THROTTLE CONTROL SYSTEM
40C2459 000 DIPSTICK
01E0103 004 RIM
01E0096 005 FRONT AXLE AS
41C0241 001 FRONT AXLE AS
41C0241 FRONT AXLE HOUSING
41C0241 STEERING UNIT
41C0241 BEVEL GEAR SET
41C0241 DIFFERENTIAL
41C0241 DOUBLE U-JOINT
41C0241 WHEEL HUB
41C0241 FINAL REDUCTION
01E0285 FRONT AXLE
41C0246 STEERING FRONT AXLE
41C0246 FRONT AXLE HOUSING
41C0246 STEERING UNIT
41C0246 WHEEL HUB
05E0209 007 GEARBOX & TORQUE CONVERTER AS
00C1609 001 LINE GP
00C1610 001 OIL INLET LINES
16C0062 000 COVER AS
23C0215 002 SHIFT CONTROL LEVER
42C0296 001 TRANSMISSION
42C0296 OIL PUMP
42C0296 SOLENOID VALVE
42C0296 KIT SUMMARY
42C0296 OIL FILTERS
42C0296 TRANSMISSION HOUSING
42C0296 INPUT SHAFTS
42C0296 REVERSE AND PRIMARY SHAFTS
42C0296 SECONDARY SHAFT
42C0296 4WD SHAFT
42C0296 SPEED CONTROL
42C0296 CONTROL VALVE
05E0215 GEARBOX & TORQUE CONVERTER AS
03M0007 003 FRONT DRIVE SHAFT AS
03M0008 002 DRIVE SHAFT AS
47C1415 000 STEERING COLUMN
22C0718 000 BRACKET
24C0860 000 STEERING SHAFT
01E0104 004 RIM
01E0097 004 REAR AXLE AS
41C0137 001 REAR AXLE AS
41C0137 AXLE HOUSING
41C0137 BEVEL GEAR SET
41C0137 DIFFERENTIAL
41C0137 DIFFERENTIAL LOCKING
41C0137 BRAKES
41C0137 BRAKES CONTROL
41C0137 WHEEL HUB
41C0137 FINAL REDUCTION
01E0288 TIRE & RIM AR
01E0261 TIRE & RIM AR
01E0301 TYRE & RIM AS
01E0278 TIRE & RIM AR
05E0231 GEARBOX & TORQUE CONVERTER AS
30C0275 002 CONNECTOR
00C1860 000 FILLER TUBE
16C0068 000 COVER AS
03E0113 000 FRONT DRIVE SHAFT GP
15E0830 AUX HYDRAULIC SYSTEM
11E0751 LOADER HYDRAULIC SYSTEM
31C0084 ELBOW
09C0996 CLAMP
24C1054 CONTROL LEVER AS
24C1060 CONTROL LEVER AS
09C1045 CLAMP
09C0954 CLAMP
09C0960 CLAMP
09C0995 CLAMP
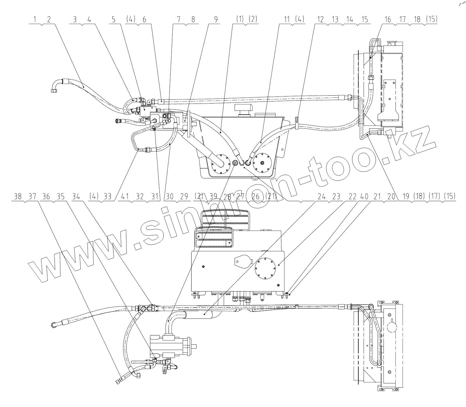
15E0832 SUCTION HYDRAULIC SYSTEM
21C0501 HYDRAULIC OIL TANK
12C2643 VALVE BLOCK AS
32C0585 TEE
31C0505 ADJUSTING CONNECTOR
31C0113 CONNECTOR
15E0831 SUCTION HYDRAULIC SYSTEM
10E0206 STEERING HYDRAULIC SYSTEM
12C2505 PRIORITY VALVE AS
15E0823 AUX HYDRAULIC SYSTEM
31C0083 ELBOW
31C0488 CONNECTOR
15E0829 AUX & NBSP, HYDRAULIC SYSTEM
12C2644 VALVE GP
12C1976 TEE VALVE
30C1617 CONNECTOR
12C2638 CONTROL VALVE AS
31C0478 CONNECTOR
31C0095 CONNECTOR
23C0282 STEP
24C0972 PEDAL AS
11E0747 EXCAVATOR HYDRAULIC SYSTEM
11E0747 EXCAVATOR HYDRAULIC SYSTEM
11E0747 EXCAVATOR HYDRAULIC SYSTEM
09C0956 CLAMP
44C1004 EXCAVATOR CONTROL SYSTEM
34K0036 UNIVERSAL JOINT
09C0957 CLAMP
12C2535 HYDRAULIC LOCK
30C1581 CONNECTOR
09C0342 CLAMP
09C0955 CLAMP
10C0143 STABILIZER CYLINDER
09C1000 CLAMP
20E0369 SERVICE BRAKE SYSTEM
13C0384 ASSISTOR
32K0007 CONNECTOR
20E0368 SERVICE BRAKE SYSTEM
21E0079 PARKING BRAKE SYSTEM
32E1071 LOADER EQUIPMENT
32E1071 LOADER EQUIPMENT
24C0836 SUPPORT
30E0689 FRAME SYSTEM
30E0689 FRAME SYSTEM
00K0031 FRONT AXLE GREASE LINES
00K0032 GREASE TUBE
27C0432 PIN GP
27C0419 PIN GP
54C0321 WIRE ROPE
32E1069 BACKHOE EQUIPMENT
32E1069 BACKHOE EQUIPMENT
49E0201 ATTACHMENT
43C2004 003 MULTIPURPOSE
15E0752 HYDRAULIC SYSTEM
09K0017 CLAMP
49E0229 HYDRAULIC HAMMER
43C2925 BUCKET
43C2967 MULTIPURPOSE
34C0693 SPRING
43C2992 BUCKET
43C2996 BUCKET
43C2378 BUCKET
43C2192 HYDRAULIC CRUSHER
43C2191 COMPACTOR AS
12C1380 RELIEF VALVE
12C1379 RELIEF VALVE
43C2238 BUCKET
22D0660 BUCKET
43C1616 BUCKET
43C2376 MULTIPURPOSE
43C2377 MULTIPURPOSE
22C0927 SUPPORT
22C0937 SUPPORT
22C0733 SUPPORT
30E0878 FRAME SYSTEM
30E0878 FRAME SYSTEM
32E1202 BACKHOE EQUIPMENT (telescopic bucket rod)
32E1202 BACKHOE EQUIPMENT (telescopic bucket rod)
43C2300 ARM
44E0396 ENGINE HOOD AS
48C1419 COVER
44E0397 ENGINE HOOD AS
46E0065 SEAT AS
46E0066 SEAT AS
41E0448 CAB AS
47C1510 WINDOW
22C0732 DOOR HINGE
47C1509 WINDOW
34K0037 SHOCK ABSORBER
22C0708 DOOR HINGE
24C0854 DOOR HINGE
22C0707 DOOR HINGE
47C1511 WINDOW
47C1514 BASIC WINDOW
47C1649 DOOR-RH
47C1648 DOOR-LH
23E0321 AIR CONDITIONING SYSTEM
23E0321 AIR CONDITIONING SYSTEM
46C5146 COMPRESSOR MOUNTING
46C6625 REFRIGERANT RECEIVER AS
00C1697 AIR DUCT AS
46C3591 FILTER
23E0318 AIR CONDITIONING SYSTEM
23E0318 AIR CONDITIONING SYSTEM
46C5054 COMPRESSOR MOUNTING
22E1197 ELECTRICAL SYSTEM
46C5424 FRAME WIRING AS
46C5414 CAB WIRING AS
46C5415 SWITCH AS
46C6284 INSTRUMENT PANEL AS
46C6315 STEERING WIRING
46C5411 WIPER MOTOR & LINKAGE
46C5412 WORK LIGHT WIRING AS
46C5410 WIPER MOTOR & LINKAGE
22E1199 ELECTRICAL SYSTEM
46C5425 FRAME WIRING AS
22E1276 ELECTRICAL SYSTEM
46C5921 FRAME WIRING AS
46C5922 CAB WIRING AS
46C5920 INSTRUMENT WIRING
46C5998 REAR WIRING
46C5999 REAR WIRING
46C5056 REAR COMBINATION LIGHT
46C5053 REAR COMBINATION LIGHT
46C1991 WASHER AS
50E0659 ELECTRICAL SCHEMATIC
1
1
2
2
2
3
4
4
4
4
5
6
7
8
9
11
12
13
14
15
15
15
16
17
17
18
18
19
20
21
21
22
23
24
26
27
28
29
30
31
32
33
34
35
36
37
38
39
40
41
Позиция на иллюстрации
Заводской номер детали
Название детали
1
07C2926
HOSE AS
2
12B0402
Кольцо круглого сечения
3
06C7745
HOSE AS
4
12B0619
O-RING
5
12C2643
VALVE BLOCK AS
6
06C7489
HOSE AS
7
31K0007
Патрубок коленчатый
8
12B0493
Кольцо круглого сечения
9
11K0016
Насос спаренный
11
06C8217
HOSE AS
12
09C0786
Clip
13
00B0075
BOLT
14
06B0005
WASHER
15
06B0348
WASHER
16
10D7665
TUBE AS
17
12B0224
Кольцо круглого сечения
18
00B0070
BOLT
19
10D7676
Tube as
20
00B0239
Болт
21
06B0349
WASHER
22
21C0501
HYDRAULIC OIL TANK
23
84A1809
HOSE
24
15B0095
Хомут
26
10D5872
TUBE AS
27
12B0048
Кольцо круглого сечения
28
00B0035
Болт
29
06C6880
HOSE AS
30
12B0504
O-RING
31
03B0093
Пробка
32
12B0351
Кольцо круглого сечения
33
10L0071
Трубка стальная
34
11A6287
Plate
35
31C0096
Штуцер
36
12B0498
O-RING
37
06C7057
HOSE AS
38
12B0496
O-RING
39
30C0241
Plug
40
06B0059
Шайба
41
10A2497
WASHER
Содержащиеся в справочниках-каталогах запасные части и детали не предлагаются к продаже, а носят исключительно информационный характер
Дополнительная информация
×
Название:
Номер:
Примечание: