Вернуться на главную
Поиск
Каталоги запчастей к технике
Спецтехника
LiuGong
CLG-626R
01Y0013 Electronical System
Каталог запасных частей к технике: LiuGong CLG-626R. 01Y0013 Electronical System
zoom-in
zoom-out
enlarge
shrink
circle-right
circle-left
file-text2
info
cart
Тип техники
Не выбрано
Легковые автомобили
Грузовые автомобили и прицепы
Автобусы
Сельхозтехника
Спецтехника
Двигатели
Мототехника
Марка
Не выбрано
Ammann
BOMAG
CARMIX
CASE IH
Changlin
ChengGong
Dimex
Doosan
DYNAPAC
Foton
HAMM
Hidromek
Hitachi
Hyundai
JCB
JLG
John Deere
Komatsu
LIEBHERR
LiuGong
Lonking (LongGong)
Luneng
MANITOU
Mitsuber
New Holland
PENGPU
RM-Terex
SANY
SDLG
SEM
Shantui
Shehwa HBXG
Soosan
TIGARBO
VOGELE
Volvo
WAY
WIRTGEN
XCMG
XGMA
Xiamen
YTO
Yuchai
Zoomlion
Автокран
АЗСМ
Алтайлесмаш
Амкодор
АОМЗ
Атек
АТЗ
Балканкар Рекорд
БелАЗ
Беловеж
Борекс
Брянский Арсенал
Булат
ВЭКС
ГАЗ
Геомаш
Гидромаш
Донекс
Дормаш
Дормашина
Дорэлектромаш
ДЭЗ
ЕлАЗ
ЗЗГТ
Ижнефтемаш
Канаш-электрокар
КЗКТ
ККЗ
Клевер
Клинцовский автокрановый завод
КМЗ
КМЗ 1 Мая
Ковровец
Коммаш
Кранэкс
КЭЗ
КЭМЗ
ЛЗА
МАЗ
МЗИК
МЗКМ
МЗКТ
Михневский РМЗ
МоАЗ
Мозырский МЗ
МТЗ
ОЗП
Онежец
ПАО "ТЗА"
ППС Детва
Промтрактор
ПТЗ
Раскат
СпецАгрегат
ТВЭКС
ТТМ
УВЗ
Угличмаш
УЗТМ
ХТЗ
ЧЗКМ
ЧСДМ
ЧТЗ
ЭКСКО
ЭКСМАШ
ЮрМаш
Модель
Не выбрано
CLG 425 (2010)
CLG 777A-S (2010)
CLG-2040H (2045H, 2050HL, 2040H, 2045H, 2050HL) (2016)
CLG-220 (2008)
CLG-225 (2008)
CLG-365A (2012)
CLG-375 (2008)
CLG-375A (2008)
CLG-385A (2008)
CLG-4165 (2015)
CLG-418 (2008)
CLG-4215 (2010)
CLG-612 (2008)
CLG-614 (2010)
CLG-618 (2010)
CLG-626R
CLG-766 (2015)
CLG-766A (2012)
CLG-816G (2012)
CLG-835
CLG-835 (2015)
CLG-835H (2015)
CLG-836 (2015)
CLG-842
CLG-842
CLG-842 (2015)
CLG-855N (2015)
CLG-856 (2015)
CLG-856H (2015)
CLG-856I
CLG-862 (2015)
CLG-877 (2015)
CLG-888 (2015)
CLG-904С (2007)
CLG-915D
CLG-915D
CLG-920D
CLG-920E (2015)
CLG-922D
CLG-922LC
CLG-922LC (2008)
CLG-925 (2015)
CLG-925D (2015)
CLG-933E (2010)
CLG-B160 (2010)
Схема
>
Не выбрано
CLG626R Roller Assembly
30Y0004 Steering Wheel Assembly
25Y0015 Engine Hood Assembly
10Р•0102 Hydraulic System
10Р•0102 Hydraulic System
22Y0023 Rear Frame Assembly
22Y0023 Rear Frame Assembly
10Y0012 Brake System
10Y0012 Brake System
00Y0013 Engine System
15Y0001 Transmission System
23Y0008 Rear Axle Assembly
27Y0001 Scraper Assembly
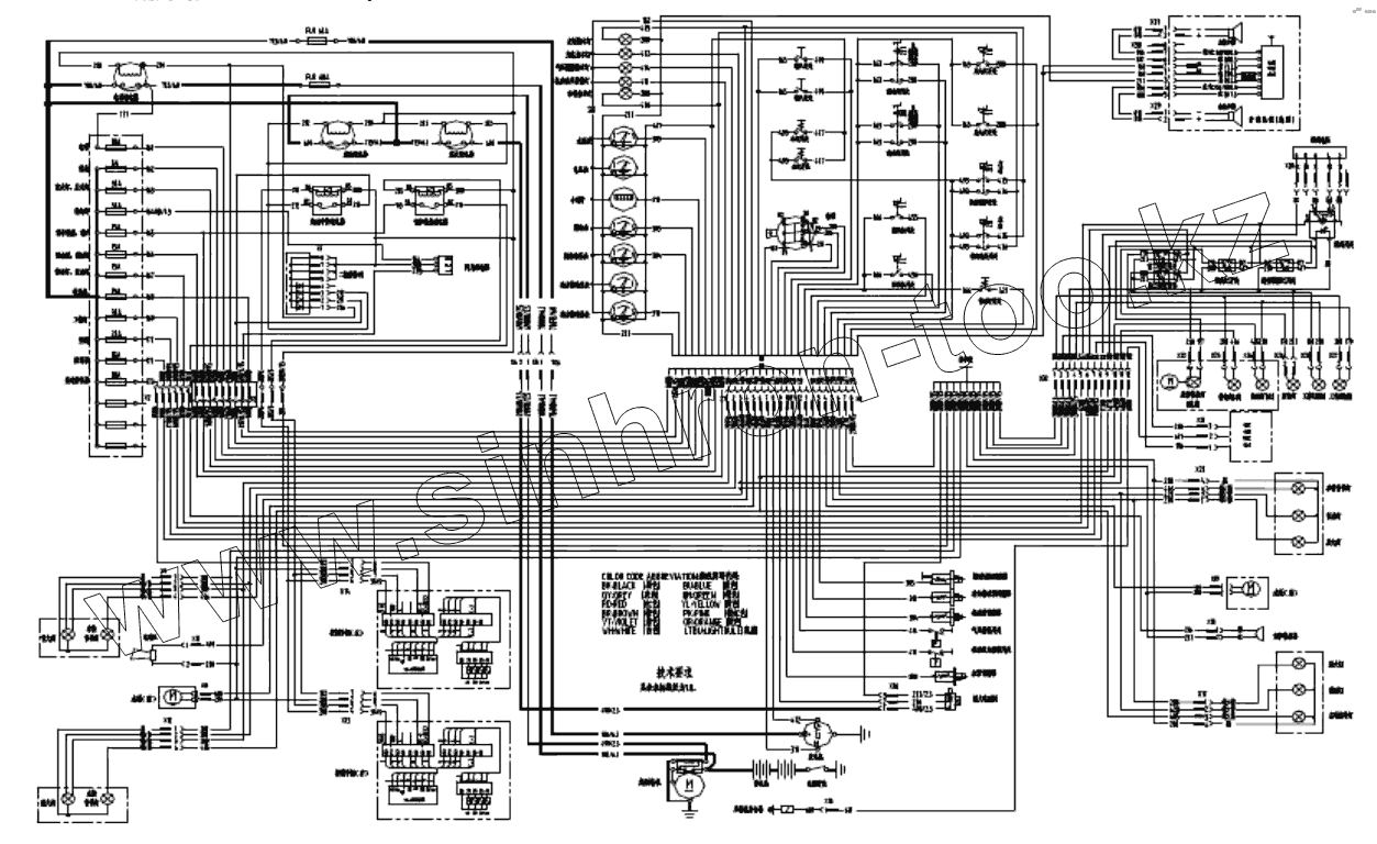
01Y0013 Electronical System
46РЎ1677 Roller Frame Circuitry
46C1678 Battery Circuitry
46C1679 Cab Circuitry
46C1680 Lamp Module
13Y0031 Label System
02Y0007 Air Conditioner System
46VY0084 Compressor Support
03V0005 Control System
12Y0006 Sprinkling System
12Y0004 Sprinkling System
Позиция на иллюстрации
Заводской номер детали
Название детали
1
46С1677
Roller Frame Circuitry
2
46С1678
Battery Circuitry
3
46С1679
Cab Circuitry
4
46С1680
Lamp Module
Содержащиеся в справочниках-каталогах запасные части и детали не предлагаются к продаже, а носят исключительно информационный характер
Дополнительная информация
×
Название:
Номер:
Примечание: