Каталог запасных частей к технике: LiuGong CLG-618. 26E0082 Power train system
1
2
2
3
3
3
4
4
4
4
4
5
6
6
6
6
7
7
8
9
10
11
12
13
14
15
15
16
16
16
16
16
17
18
18
19
19
19
20
21
21
22
23
24
25
26
27
28
29
30
31
32
33
34
35
36
37
38
39
40
41
42
43
44
45
46
47
48
49
49
50
51
51
52
53
54
55
56
57
58
59
60
61
62
63
64
65
66
67
68
69
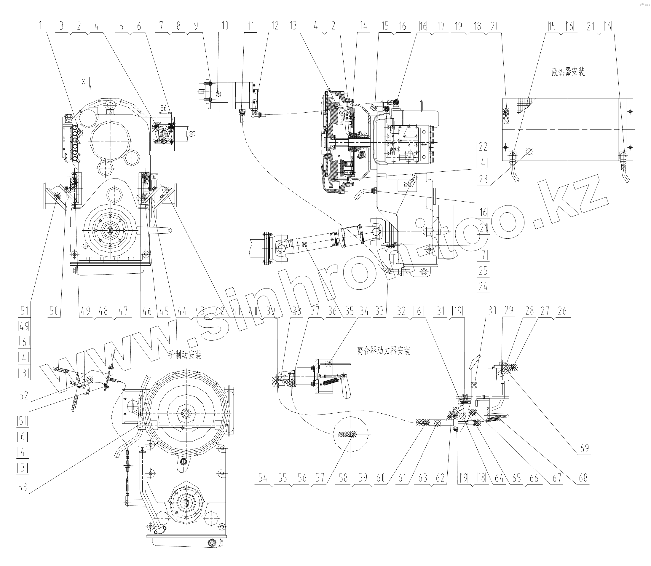
| Позиция на иллюстрации | Заводской номер детали | Название детали | |
|---|---|---|---|
| 1 | 42С0248 | Trasmission | |
| 2 | 00В0019 | Болт | |
| 3 | 06В0001 | Шайба | |
| 4 | 06В0002 | Шайба стопорная | |
| 5 | 00В0004 | Болт | |
| 6 | 03В0053 | Гайка | |
| 7 | 06В0007 | Шайба | |
| 8 | 06В0008 | Шайба | |
| 9 | 00В0013 | Болт | |
| 10 | 11С0733 | Tandem pump | |
| 11 | 00U0075 | Соединитель | |
| 12 | 31С0176 | Elbow connector | |
| 13 | 23W0003 | Clutch plate | |
| 14 | 23W0001 | Clutch | |
| 15 | 06С4315 | Hose as | |
| 16 | 31С0335 | Connector | |
| 17 | 06С4314 | Hosee as | |
| 18 | 00В0085 | Болт | |
| 19 | 06B0006 | Шайба | |
| 20 | 06B0086 | WASHER | |
| 21 | 06C4318 | Hose as | |
| 22 | 00B0018 | Болт | |
| 23 | 20C0545 | Oil radiator | |
| 24 | 04B0007 | Болт | |
| 25 | 03V0529 | Гайка стопорная | |
| 26 | 06В0003 | Шайба | |
| 27 | 00В0012 | Болт | |
| 28 | 20U0056 | Plate | |
| 29 | 28W0003 | Grease fitting | |
| 30 | 23X0004 | Pedal assy | |
| 31 | 00В0020 | Болт | |
| 32 | 00V0344 | BOLT | |
| 33 | 07С1487 | Hose as | |
| 34 | 21А4566 | Plate | |
| 35 | 41С0469 | Drive shaft | |
| 36 | 02U0001 | Connector | |
| 37 | 06В0117 | Шайба | |
| 38 | 45С0220 | Assistor | |
| 39 | 02V0085 | Болт спаренный | |
| 40 | 02U0009 | Connector | |
| 41 | 35W0035 | Shock absorber | |
| 42 | 06В0019 | Шайба | |
| 43 | 06В0016 | Шайба | |
| 44 | 01V0403 | Болт | |
| 45 | 00X0126 | Support | |
| 46 | 00D3592 | Support | |
| 47 | 00В0025 | Болт | |
| 48 | 06В0013 | Шайба | |
| 49 | 06В0009 | Шайба | |
| 50 | 03V0536 | Nut | |
| 51 | 00В0002 | Болт | |
| 52 | 23W0002 | Hand brake | |
| 53 | 20А7108 | Clamp | |
| 54 | 03U0004 | Cnnector | |
| 55 | 67U0009 | Bolt | |
| 56 | 06В0053 | Washer | |
| 57 | 03W0005 | Tube | |
| 58 | 12В0234 | O-ring | |
| 59 | 00U0044 | Connector | |
| 60 | 05W0057 | Oil pipe | |
| 61 | 11W0010 | Pump | |
| 62 | 32U0008 | Tube | |
| 63 | 15V0118 | Clamp | |
| 64 | 02X0001 | Base | |
| 65 | 08V0107 | Pin | |
| 66 | 08В0090 | Cotter | |
| 67 | 60U0003 | Pin | |
| 68 | 75U0002 | Spring | |
| 69 | 81U0019 | Block |
Содержащиеся в справочниках-каталогах запасные части и детали не предлагаются к продаже, а носят исключительно информационный характер