Вернуться на главную
Поиск
Каталоги запчастей к технике
Спецтехника
LiuGong
CLG 425
44C0158 001 STEERING COLUMN AS
Каталог запасных частей к технике: LiuGong CLG 425. 44C0158 001 STEERING COLUMN AS
zoom-in
zoom-out
enlarge
shrink
circle-right
circle-left
file-text2
info
cart
Тип техники
Не выбрано
Легковые автомобили
Грузовые автомобили и прицепы
Автобусы
Сельхозтехника
Спецтехника
Двигатели
Мототехника
Марка
Не выбрано
Ammann
BOMAG
CARMIX
CASE IH
Changlin
ChengGong
Dimex
Doosan
DYNAPAC
Foton
HAMM
Hidromek
Hitachi
Hyundai
JCB
JLG
John Deere
Komatsu
LIEBHERR
LiuGong
Lonking (LongGong)
Luneng
MANITOU
Mitsuber
New Holland
PENGPU
RM-Terex
SANY
SDLG
SEM
Shantui
Shehwa HBXG
Soosan
TIGARBO
VOGELE
Volvo
WAY
WIRTGEN
XCMG
XGMA
Xiamen
YTO
Yuchai
Zoomlion
Автокран
АЗСМ
Алтайлесмаш
Амкодор
АОМЗ
Атек
АТЗ
Балканкар Рекорд
БелАЗ
Беловеж
Борекс
Брянский Арсенал
Булат
ВЭКС
ГАЗ
Геомаш
Гидромаш
Донекс
Дормаш
Дормашина
Дорэлектромаш
ДЭЗ
ЕлАЗ
ЗЗГТ
Ижнефтемаш
Канаш-электрокар
КЗКТ
ККЗ
Клевер
Клинцовский автокрановый завод
КМЗ
КМЗ 1 Мая
Ковровец
Коммаш
Кранэкс
КЭЗ
КЭМЗ
ЛЗА
МАЗ
МЗИК
МЗКМ
МЗКТ
Михневский РМЗ
МоАЗ
Мозырский МЗ
МТЗ
ОЗП
Онежец
ПАО "ТЗА"
ППС Детва
Промтрактор
ПТЗ
Раскат
СпецАгрегат
ТВЭКС
ТТМ
УВЗ
Угличмаш
УЗТМ
ХТЗ
ЧЗКМ
ЧСДМ
ЧТЗ
ЭКСКО
ЭКСМАШ
ЮрМаш
Модель
Не выбрано
CLG 425 (2010)
CLG 777A-S (2010)
CLG-2040H (2045H, 2050HL, 2040H, 2045H, 2050HL) (2016)
CLG-220 (2008)
CLG-225 (2008)
CLG-365A (2012)
CLG-375 (2008)
CLG-375A (2008)
CLG-385A (2008)
CLG-4165 (2015)
CLG-418 (2008)
CLG-4215 (2010)
CLG-612 (2008)
CLG-614 (2010)
CLG-618 (2010)
CLG-626R
CLG-766 (2015)
CLG-766A (2012)
CLG-816G (2012)
CLG-835
CLG-835 (2015)
CLG-835H (2015)
CLG-836 (2015)
CLG-842
CLG-842
CLG-842 (2015)
CLG-855N (2015)
CLG-856 (2015)
CLG-856H (2015)
CLG-856I
CLG-862 (2015)
CLG-877 (2015)
CLG-888 (2015)
CLG-904С (2007)
CLG-915D
CLG-915D
CLG-920D
CLG-920E (2015)
CLG-922D
CLG-922LC
CLG-922LC (2008)
CLG-925 (2015)
CLG-925D (2015)
CLG-933E (2010)
CLG-B160 (2010)
Схема
>
Не выбрано
00Y0343 001 INTAKE AND EXHAUST SYSTEM
00Y0344 000 COOLING SYSTEM
00Y0322 001 FUEL TANK AS
16C0004 002 BREATHER CAP
26E0141 002 FRONT AXLE
24D0138 000 FRONT WHEEL HUB
24C0405 000 LINKAGE
01E0176 004 REAR AXLE AS
41C0296 001 REAR AXLE AS
4469 021 012 MT-G 3085
4469 116 400 INPUT
4469 116 003 INPUT
4481 171 031 LIMSLIP DIFF
4469 117 004 AXLE CASING
4469 117 401 AXLE CASING
4469 119 003 OUTPUT
4469 119 402 OUTPUT
4469 121 001 MULTI-DISE BRAKE
0501 008 242 CHAIN DRIVE
4474 051 068 WH-L 3075 II
4474 157 006 BRAKE
4469 118 001 HOUSING
4474 156 009 OUTPUT
05Y0125 000 GEARBOX & TORQUE CONVERTER AS
03E0106 002 DRIVE SHAFT MOUNTING
22C1606 002 BRACKET AS
03E0059 000 REAR DRIVE SHAFT
01Y0141 000 TIRE & RIM AR
01Y0142 000 TIRE & RIM AR
11Y0071 002 HYDRAULIC SYSTEM
12C3175 001 HYDRAULIC LOCK
12C0547 002 WORK VALVE MOUNTING-LH
47C0551 001 PLATFORM AS
24C0252 004 LINKAGE AS
21C0129 004 HYDRAULIC OIL TANK
00C3181 001 PUMP OIL SUCTION LINES
10C1871 000 HITCH STEER CYLINDER
44C1599 001 SWIVEL JOINT
11C0482 001 SWING MOTOR AS
44C0099 001 PIPE AS
44C1829 001 PUMP AS
12C0548 003 WORK VALVE MOUNTING-RH
44C1634 001 HYDRAULIC LOCK
10C1873 000 BLADE PITCH CYLINDER
10C1872 000 FRONT WHEEL TILT CYLINDER
10C1874 000 BLADE PITCH CYLINDER
10C1679 000 BLADE SWING CYLINDER
10C1875 000 BLADE SIDESHIFT CYLINDER
15C0230 000 ACCUMULATOR MOUNTING AS
10C1678 000 BLADE LIFT CYLINDER
12C3181 002 HYDRAULIC LOCK
12C3180 000 HYDRAULIC LOCK
10E0229 001 STEERING HYDRAULIC SYSTEM
12C2597 000 PRIORITY VALVE AS
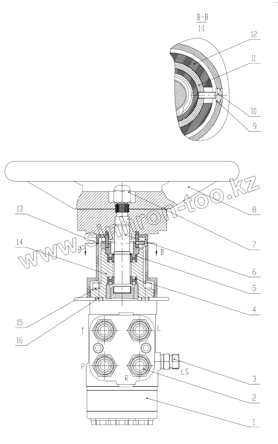
44C0158 001 STEERING COLUMN AS
10C1870 000 FRONT WHEEL STEERING CYLINDER
15E0840 000 AUX&NBSP, HYDRAULIC SYSTEM
12C2651 000 PRESSURE REDUCING VALVE AS
15Y0378 000 HYDRAULIC COOLING SYSTEM
11C0479 001 FAN MOTOR AS
11C0480 000 COOLING PUMP MOUNTING
12C2602 000 RELIEF VALVE
12C0012 001 RELIEF VALVE
00C2841 000 RIPPER LINES
10C1500 001 RIPPER CYLINDER
12C1557 000 HYDRAULIC LOCK
20E0358 004 BRAKE SYSTEM
45C0120 000 PEDAL VALVE AS
45C0118 000 CHARGE VALVE AS
15C0069 002 BRAKE ACCUMULATOR MOUNTING
45C0161 002 BRAKE VALVE MOUNGTING
30E0432 003 FRONT FRAME AS
08Y0234 000 REAR FRAME AS
30E0522 000 ARTICULATED HITCH
32E1158 001 WORK IMPLEMENT SYSTEM
04E0114 003 WORM BOX
43C2119 006 EQUIPMENT-SKEL
32E0336 005 BLADE AS
45E1358 000 COUNTERWEIGHT
43C4746 000 RIPPER
41E0307 001 CAB AS
47C0764 001 GUARD
41E0064 000 REARVIEW MIRROR AS
47C0998 002 LIFT CONTROL BOX
47C0270 000 AUXILIARY BOX
44Y0180 000 ENGINE HOOD
46E0021 001 SEAT
44E0138 001 PLATE AS
43E0212 001 LADDER AS
23Y0135 000 AIR CONDITIONING SYSTEM
46C4558 000 COMPRESSOR BRACKET AS
46C8830 000 FRONT FRAME WIRING
46C4739 004 CAB WIRING
46C4966 000 DOME LIGHT WIRING
46C9111 000 LIGHT GROUP
32B0333 001 LICENCE LIGHT
46C1099 001 REAR FLOODLIGHT-LH
46C1100 001 REAR FLOODLIGHT-RH
46C4715 000 WIPER SYSTEM
46C4710 000 BATTERY WIRING
46C9091 000 REAR FRAME WIRING
46C1258 001 SOUND WIRING
46C1257 000 RADIO/CASSETTE PLAYER
53Y0017 000 KIT LIST
1
2
3
4
5
6
7
8
9
10
11
12
13
14
15
16
Позиция на иллюстрации
Заводской номер детали
Название детали
1
44C0103
Metering pump
2
30C0167
Connector
3
30C0176
Connector
4
21B0080
Ball bearing
5
07B0070
Шайба
6
62A0670
Steering shaft
7
00A0255
Палец выбирающий
8
35C0087
Рулевая тяга
9
06B0097
Шайба
10
04B0198
Болт
11
61A0061
Кольцо
12
80A0046
Кольцо изолирующее
13
83A0382
Boot
14
55A6446
Steel sleeve
15
06B0002
Шайба
16
00B0012
BOLT
Содержащиеся в справочниках-каталогах запасные части и детали не предлагаются к продаже, а носят исключительно информационный характер
Дополнительная информация
×
Название:
Номер:
Примечание: