Вернуться на главную
Поиск
Каталоги запчастей к технике
Спецтехника
LiuGong
CLG-4215
24С0373-000-00 BALL JOINT AS
Каталог запасных частей к технике: LiuGong CLG-4215. 24С0373-000-00 BALL JOINT AS
zoom-in
zoom-out
enlarge
shrink
circle-right
circle-left
file-text2
info
cart
Тип техники
Не выбрано
Легковые автомобили
Грузовые автомобили и прицепы
Автобусы
Сельхозтехника
Спецтехника
Двигатели
Мототехника
Марка
Не выбрано
Ammann
BOMAG
CARMIX
CASE IH
Changlin
ChengGong
Dimex
Doosan
DYNAPAC
Foton
HAMM
Hidromek
Hitachi
Hyundai
JCB
JLG
John Deere
Komatsu
LIEBHERR
LiuGong
Lonking (LongGong)
Luneng
MANITOU
Mitsuber
New Holland
PENGPU
RM-Terex
SANY
SDLG
SEM
Shantui
Shehwa HBXG
Soosan
TIGARBO
VOGELE
Volvo
WAY
WIRTGEN
XCMG
XGMA
Xiamen
YTO
Yuchai
Zoomlion
Автокран
АЗСМ
Алтайлесмаш
Амкодор
АОМЗ
Атек
АТЗ
Балканкар Рекорд
БелАЗ
Беловеж
Борекс
Брянский Арсенал
Булат
ВЭКС
ГАЗ
Геомаш
Гидромаш
Донекс
Дормаш
Дормашина
Дорэлектромаш
ДЭЗ
ЕлАЗ
ЗЗГТ
Ижнефтемаш
Канаш-электрокар
КЗКТ
ККЗ
Клевер
Клинцовский автокрановый завод
КМЗ
КМЗ 1 Мая
Ковровец
Коммаш
Кранэкс
КЭЗ
КЭМЗ
ЛЗА
МАЗ
МЗИК
МЗКМ
МЗКТ
Михневский РМЗ
МоАЗ
Мозырский МЗ
МТЗ
ОЗП
Онежец
ПАО "ТЗА"
ППС Детва
Промтрактор
ПТЗ
Раскат
СпецАгрегат
ТВЭКС
ТТМ
УВЗ
Угличмаш
УЗТМ
ХТЗ
ЧЗКМ
ЧСДМ
ЧТЗ
ЭКСКО
ЭКСМАШ
ЮрМаш
Модель
Не выбрано
CLG 425 (2010)
CLG 777A-S (2010)
CLG-2040H (2045H, 2050HL, 2040H, 2045H, 2050HL) (2016)
CLG-220 (2008)
CLG-225 (2008)
CLG-365A (2012)
CLG-375 (2008)
CLG-375A (2008)
CLG-385A (2008)
CLG-4165 (2015)
CLG-418 (2008)
CLG-4215 (2010)
CLG-612 (2008)
CLG-614 (2010)
CLG-618 (2010)
CLG-626R
CLG-766 (2015)
CLG-766A (2012)
CLG-816G (2012)
CLG-835
CLG-835 (2015)
CLG-835H (2015)
CLG-836 (2015)
CLG-842
CLG-842
CLG-842 (2015)
CLG-855N (2015)
CLG-856 (2015)
CLG-856H (2015)
CLG-856I
CLG-862 (2015)
CLG-877 (2015)
CLG-888 (2015)
CLG-904С (2007)
CLG-915D
CLG-915D
CLG-920D
CLG-920E (2015)
CLG-922D
CLG-922LC
CLG-922LC (2008)
CLG-925 (2015)
CLG-925D (2015)
CLG-933E (2010)
CLG-B160 (2010)
Схема
>
Не выбрано
00E0775-005-00 FUEL TANK AS
16C0004-001-00 BREATHER CAP
16C0091-000-00 TANK COVER AS
00Y0184-001-00 COOLING SYSTEM
00Y0192-002-00 INTAKE AND EXHAUST SYSTEM
00Y0271-000-00 ENGINE SYSTEM
00Y0530-000-00 COOLING SYSTEM
00С4221-000-00 RIPPER LINES
10С0693-005-00 RIPPER CYLINDER
24C0252-000-00 LINKAGE AS
00С4933-000-00 DOZER LINES
10C0721-007-00 DOZER CYLINDER
12С1556-000-00 HYDRAULIC LOCK
00С4941-000-00 SCARIFIER LINES
10С2577-000-00 SCARIFIER CYLINDER
12С3946-000-00 HYDRAULIC LOCK
10Е0221-000-00 STEERING HYDRAULIC SYSTEM
10С1681-000-00 FRONT WHEEL STEERING CYLINDER
10С0681-006-00 FRONT STEERING CYLINDER
24С0373-000-00 BALL JOINT AS
12С0320-000-00 PRIORITY VALVE MOUNTING
44С0158-001-00 STEERING COLUMN AS
10Y0093-000-00 STEERING HYDRAULIC SYSTEM
11Е1193-000-02 HYDRAULIC SYSTEM
00с2661-000-00 PUMP OIL SUCTION LINES
10С0663-004-00 FRONT WHEEL TILT CYLINDER
10С0668-005-00 BLADE PITCH CYLINDER
10C00669-005-00 BLADE PITCH CYLINDER
10C0694-004-00 BLADE SIDESHIFT CYLINDER
10С0695-007-00 BLADE LIFT CYLINDER
10С0696-007-00 BLADE SWING CYLINDER
10C1066-003-00 STEERING CYLINDER
11С0243-000-00 PUMP MOUNTING
11С0783-000-00 SWING MOTOR
12С2800-000-00 HYDRAULIC LOCK
12С3175-001-00 HYDRAULIC LOCK
21С0129-004-00 HYDRAULIC OIL TANK
44С0099-001-00 PIPE AS
44C1599-001-00 SWIVEL JOINT
33С0028-000-00 SWIVEL JOINT
44С1604-002-00 CONTROL VALVE AS
44С1605-002-00 CONTROL VALVE AS
44С1633-001-00 HYDRAULIC LOCK
44С1634-001-00 HYDRAULIC LOCK
44С1829-000-00 PUMP AS
47С1637-000-00 PLATFORM
11Е1193-005-00 HYDRAULIC SYSTEM
11Y0384-000-00 WORK HYDRAULIC SYSTEM
11Y0384-000-01 WORK HYDRAULIC SYSTEM
13Y0113-000-00 TRAVEL HYDRAULIC SYSTEM
12С3198-002-00 CHECK VALVE AS
15Y0227-000-00 HYDRAULIC COOLING SYSTEM
11С0344-002-00 PUMP GP
11С1749-000-00 MOTOR
12С4083-000-00 SAFETY VALVE
12С0012-000-00 Safety valve NULL
15Y0514-000-00 HYDRAULIC COOLING SYSTEM
15Y0599-000-00 HYDRAULIC COOLING SYSTEM
11С0480-000-00 Radiator mounting NULL
15Y1067-000-00 HYDRAULIC COOLING SYSTEM
11С1165-000-00 MOTOR
12С2803-000-00 SWITCHING VALVE AS
12С4181-000-00 RELIEF VALVE MOUNTING
01Е0116-006-00 REAR AXLE AS
01С0226-003-00 LINE GP
01C0228-002-00 PIPING
01С0227-003-00 LINE GP
01C0229-002-00 PIPING
01С0262-002-00 LINE GP
01C0264-001-00 PIPING
01С0263-002-00 LINE GP
01C0265-001-00 PIPING
01С1155-000-00 PIPING GP
01С1156-000-00 PIPING GP
41С0479-001-00 REAR AXLE
SP105550-000-00 BRAKE AS
SP109936-000-00 REDUCTOR AS
SP123702-000-00 MAIN REDUCER
01E0117-001-00 TYRE AND RIM AS
01Е0366 002 00 TYRE AND RIM AS
01Е0371-001-00 TYRE AND RIM AS
01Y0077-002-00 FRONT AXLE
24С0144-003-00 WHEEL LEAN LINKAGE AS
24С2504-000-00 STEERING LINKAGE
24С2308-000-00 ARTICULATED HITCH
24С2309-000-00 ARTICULATED HITCH
24D0136-002-00 LEAN-JOINT
34С2172-001-00 FRONT WHEEL HUB
01Y0096-001-00 TYRE AND RIM AS
01Y0097 001 00 TYRE AND RIM AS
01Y0175-000-00 FRONT AXLE AS
01Y0185-000-00 TYRE AND RIM AS
01Y0277-001-00 REAR AXLE AS
03Е0059-001-00 REAR DRIVE SHAFT
03Е0070-001-00 PUMP DRIVE SHAFT
22С0080-000-00 BASE AS
22С1606-003-00 BRACKET AS
03Y0051-000-00 DRIVE SHAFT MOUNTING
05Y0094 000 00 GEARBOX AND TORQUE CONVERTER AS
30С1871-000-00 CONNECTOR
30C1872-000-00 CONNECTOR
52C0065-000-00 FILLER TUBE
63C0001-000-00 FILLER CAP
20E0189-002-00 BRAKE SYSTEM
15C0106-000-00 BRAKE ACCUMULATOR MOUNTING
15C0135-002-00 SERVICE BRAKE ACCUMULATOR GP
15C0143-000-00 FILTER AS
53C0155-000-00 FILTER
45C0098-001-00 BRAKE VALVE AS
32C0122-000-00 TEE
45C0099-001-00 CHARGE VALVE AS
45C0161-002-00 BRAKE VALVE AS
20Y0176-000-00 BRAKE SYSTEM
45C0650-000-00 ACCUMULATOR MOUNTING AS
08Y0091-000-00 REAR FRAME AS
30D1847-000-00 REAR FRAME
08Y0305-000-00 REAR FRAME AS
08Y0456-000-00 FRONT FRAME AS
22C1557-000-00 SWING ARM AS
34C0317-000-00 FORK AS
08Y0475-000-00 FRONT FRAME AS
08Y0585-000-00 REAR FRAME AS
30E0934-004-00 FRONT FRAME AS
30Y0057-000-00 FRONT FRAME AS
30Y0061-001-00 ARTICULATED HITCH
32Е0149-008-00 RIPPER
32Е0161-007-00 BLADE
32E1669-001-00 WORK IMPLEMENT SYSTEM
04Е0057-013-00 WORM BOX
04Е0057-013-01 WORM BOX
43С0977-004-00 BLADE AS
43С3489-004-00 EQUIPMENT-SKEL
43С3489-004-01 EQUIPMENT-SKEL
48С2073-000-00 DUST COVER
32Y0146-001-00 WORK IMPLEMENT SYSTEM
32Y0145-002-00 WORK IMPLEMENT
32Y0145-002-01 WORK IMPLEMENT
43С3017-001-00 BLADE AS
32Y0538-000-00 SCARIFIER
32Y0691-000-00 WORK IMPLEMENT SYSTEM
04Е0103-005-00 WORM BOX
43С6043-000-00 BLADE AS
45Е1521-003-00 COUNTERWEIGHT
27С0491-000-00 COUNTERWEIGHT
45Е1554-001-00 FRONT COUNTER-WEIGHT
45Y0027-001-00 COUNTERWEIGHT
41E0548-007-00 CAB
27С0593-000-00 COVER
41E0549-000-00 REARVIEW MIRROR
47С0231-004-00 CONTROL BOX
47С0425 000 00 WATER-FREE WASHER
47C1915-000-00 DOOR-LH
47С1916-000-00 DOOR-RH
47С2351-000-00 CONTROL BOX AS
41Y0301-000-01 CAB AS
47С2903-000-00 CONTROL BOX AS
41Y0303 000 00 CAB AS
41Y0333-000-00 CAB AS
47С0535-000-00 FIRE EXTINGUISHER
46Е0021-000-00 SEAT
43Е0231-000-00 LADDER
44Y0106-002-00 ENGINE HOOD AS
48C0353-001-00 PLATE AS
22Y0254-000-00 ELECTRICAL SYSTEM
46С1258-000-00 SOUND WIRING
46С1257-000-00 RADIO/CASSETTE PLAYER
46C3902-000-00 WIPER SYSTEM
46С4012-000-00 CAB WIRING
46С7844-000-00 CONTROL BOX
46С8272-000-00 COMBINATION INDICATOR
46С7190-000-00 WIPER SYSTEM
46С7222-000-00 WORK LIGHT WIRING
46С7532-000-00 BATTERY WIRING
46С9005-000-00 REAR FRAME WIRING
46С9006-001-00 LIGHT GROUP
46C9007-000-00 CAB WIRING
46C9008-000-00 FRONT FRAME WIRING
49С2085-000-00 BATTERY WIRING
46С7457-000-00 REAR FRAME WIRING
46C9404-000-00 CAB WIRING
49С0093-000-00 FRONT FRAME WIRING
49С1373-000-00 WORK LIGHT WIRING
49C1399-000-00 CAB WIRING
49C0612-000-00 WIPER GP
49С2290-000-00 FAN
46С1787-003-00 FAN AS
49С2490-000-00 ROTATING BEACON WIRING AS
49C2890-000-00 AUX CONTROL WIRING
23Y0039-003-01 AIR CONDITIONING SYSTEM
06C0306-000-00 HOSE
06С0407-000-00 HOSE
46С4558-001-00 COMPRESSOR BRACKET AS
6С7246-000-00 VENT
46С7247-000-00 HEATER MOUNTING
46С7831-000-00 EVAPORATOR AS
1
2
2
3
4
5
6
7
8
9
10
11
12
13
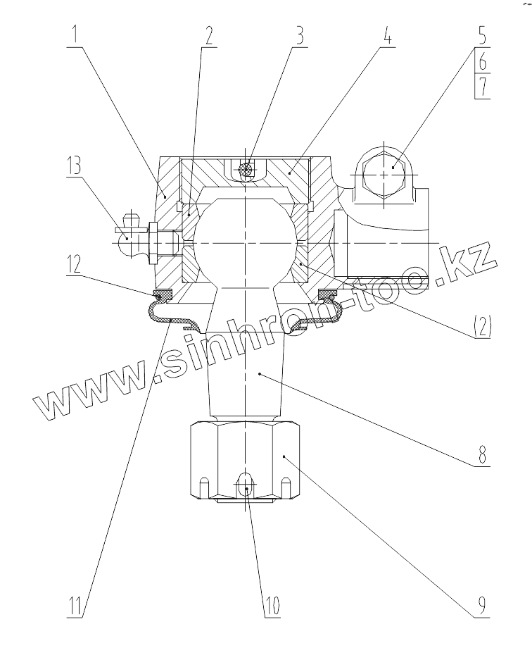
Позиция на иллюстрации
Заводской номер детали
Название детали
1
72А0760
Seat
2
52А0190
Ball seat
3
08В0133
Pin
4
53А0325
Cover
5
00В0048
Болт
6
06В0002
Шайба стопорная
7
03В0053
Гайка
8
63А0071
Pivot
9
03В0461
Nut
10
08В0082
Pin
11
83А0320
Boot
12
15В0110
Lock ring
13
10В0018
Grease fitting
Содержащиеся в справочниках-каталогах запасные части и детали не предлагаются к продаже, а носят исключительно информационный характер
Дополнительная информация
×
Название:
Номер:
Примечание: