Вернуться на главную
Поиск
Каталоги запчастей к технике
Спецтехника
LiuGong
CLG-225
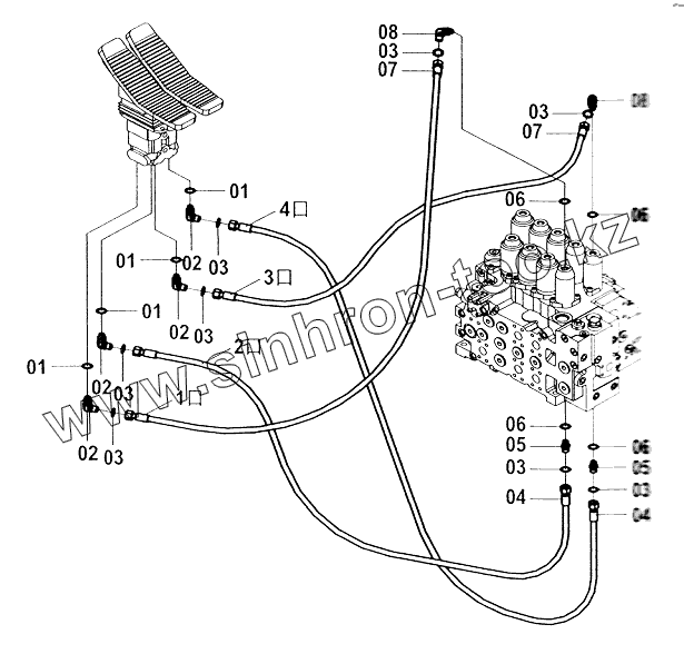
Трубопровод системы управления (M)
Каталог запасных частей к технике: LiuGong CLG-225. Трубопровод системы управления (M)
zoom-in
zoom-out
enlarge
shrink
circle-right
circle-left
file-text2
info
cart
Тип техники
Не выбрано
Легковые автомобили
Грузовые автомобили и прицепы
Автобусы
Сельхозтехника
Спецтехника
Двигатели
Мототехника
Марка
Не выбрано
Ammann
BOMAG
CARMIX
CASE IH
Changlin
ChengGong
Dimex
Doosan
DYNAPAC
Foton
HAMM
Hidromek
Hitachi
Hyundai
JCB
JLG
John Deere
Komatsu
LIEBHERR
LiuGong
Lonking (LongGong)
Luneng
MANITOU
Mitsuber
New Holland
PENGPU
RM-Terex
SANY
SDLG
SEM
Shantui
Shehwa HBXG
Soosan
TIGARBO
VOGELE
Volvo
WAY
WIRTGEN
XCMG
XGMA
Xiamen
YTO
Yuchai
Zoomlion
Автокран
АЗСМ
Алтайлесмаш
Амкодор
АОМЗ
Атек
АТЗ
Балканкар Рекорд
БелАЗ
Беловеж
Борекс
Брянский Арсенал
Булат
ВЭКС
ГАЗ
Геомаш
Гидромаш
Донекс
Дормаш
Дормашина
Дорэлектромаш
ДЭЗ
ЕлАЗ
ЗЗГТ
Ижнефтемаш
Канаш-электрокар
КЗКТ
ККЗ
Клевер
Клинцовский автокрановый завод
КМЗ
КМЗ 1 Мая
Ковровец
Коммаш
Кранэкс
КЭЗ
КЭМЗ
ЛЗА
МАЗ
МЗИК
МЗКМ
МЗКТ
Михневский РМЗ
МоАЗ
Мозырский МЗ
МТЗ
ОЗП
Онежец
ПАО "ТЗА"
ППС Детва
Промтрактор
ПТЗ
Раскат
СпецАгрегат
ТВЭКС
ТТМ
УВЗ
Угличмаш
УЗТМ
ХТЗ
ЧЗКМ
ЧСДМ
ЧТЗ
ЭКСКО
ЭКСМАШ
ЮрМаш
Модель
Не выбрано
CLG 425 (2010)
CLG 777A-S (2010)
CLG-2040H (2045H, 2050HL, 2040H, 2045H, 2050HL) (2016)
CLG-220 (2008)
CLG-225 (2008)
CLG-365A (2012)
CLG-375 (2008)
CLG-375A (2008)
CLG-385A (2008)
CLG-4165 (2015)
CLG-418 (2008)
CLG-4215 (2010)
CLG-612 (2008)
CLG-614 (2010)
CLG-618 (2010)
CLG-626R
CLG-766 (2015)
CLG-766A (2012)
CLG-816G (2012)
CLG-835
CLG-835 (2015)
CLG-835H (2015)
CLG-836 (2015)
CLG-842
CLG-842
CLG-842 (2015)
CLG-855N (2015)
CLG-856 (2015)
CLG-856H (2015)
CLG-856I
CLG-862 (2015)
CLG-877 (2015)
CLG-888 (2015)
CLG-904С (2007)
CLG-915D
CLG-915D
CLG-920D
CLG-920E (2015)
CLG-922D
CLG-922LC
CLG-922LC (2008)
CLG-925 (2015)
CLG-925D (2015)
CLG-933E (2010)
CLG-B160 (2010)
Схема
>
Не выбрано
Поручень
Поворотная рама
Двигатель
Опора двигателя
Опора вентилятора
Радиатор
Опора радиатора
Воздухоочиститель
Опора воздухоочистителя
Глушитель
Топливный бак
Топливный трубопровод
Фланец
Контрольный кабель
Трубопровод системы управления (A)
Трубопровод системы управления (B)
Трубопровод системы управления (C)
Трубопровод системы управления (D)
Трубопровод системы управления (E)
Трубопровод системы управления (F)
Трубопровод системы управления (G)
Трубопровод системы управления (H)
Трубопровод системы управления (I)
Трубопровод системы управления (J)
Трубопровод системы управления (K)
Трубопровод системы управления (L)
Трубопровод системы управления (M)
Дополнительный трубопровод (A)
Дополнительный трубопровод (B)
12C0424 Клапан левого джойстика
12C0425 Клапан правого джойстика
12C0264-1 Клапан педали хода
12C0256 Дополнительный клапан
15С0082 Запорный клапан
Опора главного насоса
Всасывающий патрубок
Подающий трубопровод
Главный трубопровод (A)
Главный трубопровод (B)
Главный трубопровод (C)
Главный трубопровод (D)
Сливной трубопровод (A)
Сливной трубопровод (B)
Обратный трубопровод (1)
Масляный бак
Гидроразводка для молота
Трубопровод ходовой части
Опора вертлюга
Опора гидромотора поворота
Опора гидрораспределителя
Вертлюг
Главный насос (1)
Главный насос (2)
Гидрораспределитель (A)
Гидрораспределитель (B)
Гидрораспределитель (C-1)
Трубопровод стрелы (A)
Трубопровод стрелы (B)
Трубопровод стрелы (C-1)
Трубопровод стрелы (D)
Дополнительный трубопровод (A)
Дополнительный трубопровод (B) – 2.9 M Рукоять
Дополнительный трубопровод (C) – 2.4 M Рукоять
10C0107 & 10C0106 Гидроцилиндр стрелы
10C0271 Гидроцилиндр рукояти (1)
10C0271 Гидроцилиндр рукояти (2)
10C0212 Гидроцилиндр ковша (1)
Гидроцилиндр ковша – 2
Электрическая система
Электрическая система
Стеклоочиститель, дисплей в сборе
Проводка (радио)
Проводка (кабина)
Контроллер в сборе
Аккумуляторная батарея
Элементы электрической системы (A)
Элементы электрической системы (B)
Элементы электрической системы (C)
Проводка рамы
Элементы электрической системы
Проводка системы двигателя
Шкаф управления (1)
Шкаф управления (2)
Проводка: фонарь стрелы
Воздушный кондиционер (A)
Воздушный кондиционер (B)
Воздушный кондиционер (C)
Воздушный кондиционер (D)
Рабочая площадка оператора в сборе
Рычаг управления в сборе
Опора кресла
Кресло
Кабина (A)
Кабина (B)
Кабина (C)
Кабина (D)
Кабина (E)
Крыша (A)
Крыша (B)
Крыша (C)
Капот двигателя
Нижняя часть поворотной платформы
Ящик с инструментами
Противовес
Гусеничная рама (CLG205C)
Гусеничная рама (CLG225C)
Гусеница в сборе (CLG205C)
Гусеница в сборе (CLG225C)
Шестерня платформы
Опорный ролик (CLG205C)
Опорный ролик (CLG225C)
Поддерживающий ролик
Натяжное колесо
Натяжное устройство
Ведущее колесо
Стрела
Рукоять (2910 мм)
Рукоять (2400 мм)
Тяга
Коромысло
Ковш (0,8)
Ковш (0,95)
Ковш (1,05)
Система подачи смазки
Таблички
1
1
1
1
1
2
2
2
2
2
3
3
3
3
3
3
3
3
3
4
4
4
5
5
6
6
6
6
7
7
8
8
Позиция на иллюстрации
Заводской номер детали
Название детали
1
12B0351
Кольцо круглого сечения
2
31C0004
Смычка
3
12B0283
Кольцо круглого сечения
4
05C0087
Шланг
5
00A0022
Смычка
6
12B0023
Кольцо круглого сечения
7
05C0598
Шланг
8
31C0273
Смычка
Содержащиеся в справочниках-каталогах запасные части и детали не предлагаются к продаже, а носят исключительно информационный характер
Дополнительная информация
×
Название:
Номер:
Примечание: