Каталог запасных частей к технике: LiuGong CLG-225. Таблички
1
1
2
2
3
4
4
4
4
5
5
6
6
7
7
8
9
10
11
12
13
14
15
15
16
17
18
19
19
20
21
22
23
24
25
26
27
28
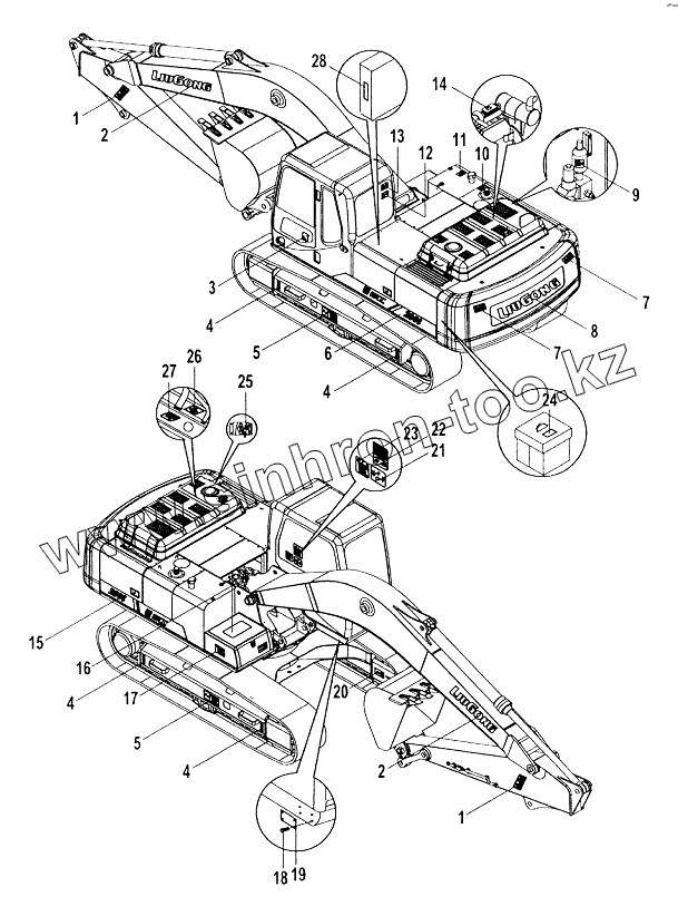
| Позиция на иллюстрации | Заводской номер детали | Название детали | |
|---|---|---|---|
| 1 | 74A0787 | Рукоять | |
| 2 | 74A1136 | Стрела | |
| 3 | 74A0017 | Выключатель | |
| 4 | 74A1396 | Цепь | |
| 5 | 74A0783 | Натяжитель | |
| 6 | 74A1478 | 205c левая сторона | |
| 6 | 74A1481 | 225c левая сторона | |
| 7 | 74A0762 | Поворот | |
| 8 | 74A1389 | Противовес | |
| 9 | 74A0758 | Аккумуляторная батарея | |
| 10 | 74A0232 | Гидравлическая жидкость | |
| 11 | 74A0231 | Топливо | |
| 12 | 74A0615 | Аварийный молоток | |
| 13 | 74A0785 | Замок окна | |
| 14 | 74A0765 | Знак «опасно», сигнализирующий об опасности ожога | |
| 15 | 74A1479 | 205c правая сторона | |
| 15 | 74A1482 | 225c правая сторона | |
| 16 | 74А0170 | Полоса | |
| 17 | 74A0784 | Знак «предупреждение», сигнализирующий об опасности нахождения на платформе при повороте или движении | |
| 18 | 01B0012 | RIVET | |
| 19 | 74A1480 | Шильдик | |
| 19 | 45E0152 | Шильдик | |
| 20 | 74A1395 | Знак направления | |
| 21 | 74A0235 | Схема управления | |
| 22 | 74A1272 | Схема смазки | |
| 23 | 74A0781 | Знак «предупреждение» для управления | |
| 24 | 74A0789 | Знак «опасно» для аккумуляторной батареи | |
| 25 | 74A0920 | Наклейка выключателя питания | |
| 26 | 74A0764 | Знак «опасно», сигнализирующий об опасности пореза | |
| 27 | 74A0771 | Предупредительный знак для охлаждающей жидкости | |
| 28 | 74A1521 | Шильдик блока предохранителей |
Содержащиеся в справочниках-каталогах запасные части и детали не предлагаются к продаже, а носят исключительно информационный характер