Вернуться на главную
Поиск
Каталоги запчастей к технике
Спецтехника
LIEBHERR
LRS 645
SPREADER CAMERA RFK
Каталог запасных частей к технике: LIEBHERR LRS 645. SPREADER CAMERA RFK
zoom-in
zoom-out
enlarge
shrink
circle-right
circle-left
file-text2
info
cart
Тип техники
Не выбрано
Легковые автомобили
Грузовые автомобили и прицепы
Автобусы
Сельхозтехника
Спецтехника
Двигатели
Мототехника
Марка
Не выбрано
Ammann
BOMAG
CARMIX
CASE IH
Changlin
ChengGong
Dimex
Doosan
DYNAPAC
Foton
HAMM
Hidromek
Hitachi
Hyundai
JCB
JLG
John Deere
Komatsu
LIEBHERR
LiuGong
Lonking (LongGong)
Luneng
MANITOU
Mitsuber
New Holland
PENGPU
RM-Terex
SANY
SDLG
SEM
Shantui
Shehwa HBXG
Soosan
TIGARBO
VOGELE
Volvo
WAY
WIRTGEN
XCMG
XGMA
Xiamen
YTO
Yuchai
Zoomlion
Автокран
АЗСМ
Алтайлесмаш
Амкодор
АОМЗ
Атек
АТЗ
Балканкар Рекорд
БелАЗ
Беловеж
Борекс
Брянский Арсенал
Булат
ВЭКС
ГАЗ
Геомаш
Гидромаш
Донекс
Дормаш
Дормашина
Дорэлектромаш
ДЭЗ
ЕлАЗ
ЗЗГТ
Ижнефтемаш
Канаш-электрокар
КЗКТ
ККЗ
Клевер
Клинцовский автокрановый завод
КМЗ
КМЗ 1 Мая
Ковровец
Коммаш
Кранэкс
КЭЗ
КЭМЗ
ЛЗА
МАЗ
МЗИК
МЗКМ
МЗКТ
Михневский РМЗ
МоАЗ
Мозырский МЗ
МТЗ
ОЗП
Онежец
ПАО "ТЗА"
ППС Детва
Промтрактор
ПТЗ
Раскат
СпецАгрегат
ТВЭКС
ТТМ
УВЗ
Угличмаш
УЗТМ
ХТЗ
ЧЗКМ
ЧСДМ
ЧТЗ
ЭКСКО
ЭКСМАШ
ЮрМаш
Модель
Не выбрано
LRS 645 (2009)
PR754 LITRONIC
Схема
>
Не выбрано
LRS 645
BASE PACKAGE
DRIVE WAGON
PANELLING LEFT ATTACHMENT
PANELLING RIGHT ATTACHMENT
MUD GURAD ADD-ON
CENTR.LUBRICA. DRIVE WAGON RFK
REAR AXLE ADD-ON
STEERING AXLE
STEERING AXLE
STEERING AXLE
COMPONENTS EL INSTALLATION
ROCKER LOCKING DEVICE INSTALL.
COMPONENTS EL INSTALLATION
TYRES ADD-ON
TYRE CPL
WHEEL DRIVE ADD-ON
WHEEL DRIVE PRE-ASSEMBLY
WHEEL DRIVE PRE-ASSEMBLY
BRAKE
COMPONENTS HYDR INSTALLATION
HOSE LIST
DRIVE WAGON HYDR
LUFFING CYL INSTALLATION
LUFFING CYL HYDR
DOUBLE-ACTING CYL
LUFFING CYL
ANGLE SENSOR INSATLLATION
COMPONENTS EL INSTALLATION
VALVE BLOCK CPL
EL REM. CPL
PLUG CABIN CONNECTION
LIGHTING VEHICLE
LIGHTING VEHICLE RFK
ADD-ON FLOODLIGHT
ADD-ON FLOODLIGHT
FLASHING TAIL AND BREAK LAMP
REVERSING LIGHT
LIGHT.REM.DRIVE WAGON INSTALL.
LIGHTING REM
ROTATING BEACON
ROTATING BEACON
REVERSING CAMERA RFK
REVERSING CAMERA EL RFK
COUNTERWEIGHT
COUNTERWEIGHT ADD-ON
MIRROR INSTALLATION
VIDEO MONITORING RFK
CABIN CPL
CABIN
CABIN
COVER RETROFIT KIT
AIR CONDITIONING UNIT RFK
AIR CONDITIONING UNIT RFK
AIR COND. UNIT EL
INSTAL. PARTS SWITCH CABINET
MOUNTING PARTS CABIN
HEATING SYSTEM
DRIVERS SEAT CPL
ARM REST EXCHANGE RFK
FOOT PEDAL RFK
FOOT PEDAL EL INSTALLATION
CAN MODULE
CABIN HYDR
HOSE LIST
CABIN EL
WORK FLOODLIGHT
SOCKET CABIN
OUTSIDE MIRROR ASSEMBLY
CONTROL STAND RIGHT
MONITOR LCD CPL
CONTROL STAND LEFT
CAN MODULE
KEYBOARD X11
CONTROL HARDWARE
VIDEO MONITORING EL RFK
POWERPACK
AGGREGATE FRAME CPL
AGGREGATE FRAME CPL
AGGREGATE CPL
HOSE LIST
MOTOR PRE-ASSEMBLY
MOTOR PRE-ASSEMBLY
SUCTION UNIT AIR
AIR FILTER
BATTERY INSTALLATION
MOTOR SUPPORT
EXHAUST SYSTEM
FUEL SYSTEM
COOLER INSTALLATION WATER
COOLER INSTALLATION WATER
COOLER INSTALLATION CHARGE AIR
COOLER INSTALLATION HYDR
OIL LINES CPL
INTAKE PIPE OIL CPL
RETURN PIPE CPL
DIESEL TANK MOUNTING
TANK INSTALLATION HYDR
TANK HYDR CPL
LEVEL SENSOR
PUMP
DRIVING GEAR
REGULATOR
PUMP SUPPORT
SEALING SET
PUMP
PUMP SUPPORT
PUMP
PUMP SUPPORT
DRIVING GEAR
HYDR POWER UNIT
HYDR POWER UNIT
COOLER MOTOR
V PUMP
V PUMP
V PUMP
AGGREGATE EL
TRIPLE V-PUMP
FILTER SYSTEM
SET OF NAME PLATES
SET OF NAME PLATES
BOOM
BOOM CPL
BOOM CPL
COMPONENTS HYDR INSTALLATION
COMPONENTS EL INSTALLATION
BOOM ATTACHMENT
BOOM PIVOT PIECE CPL
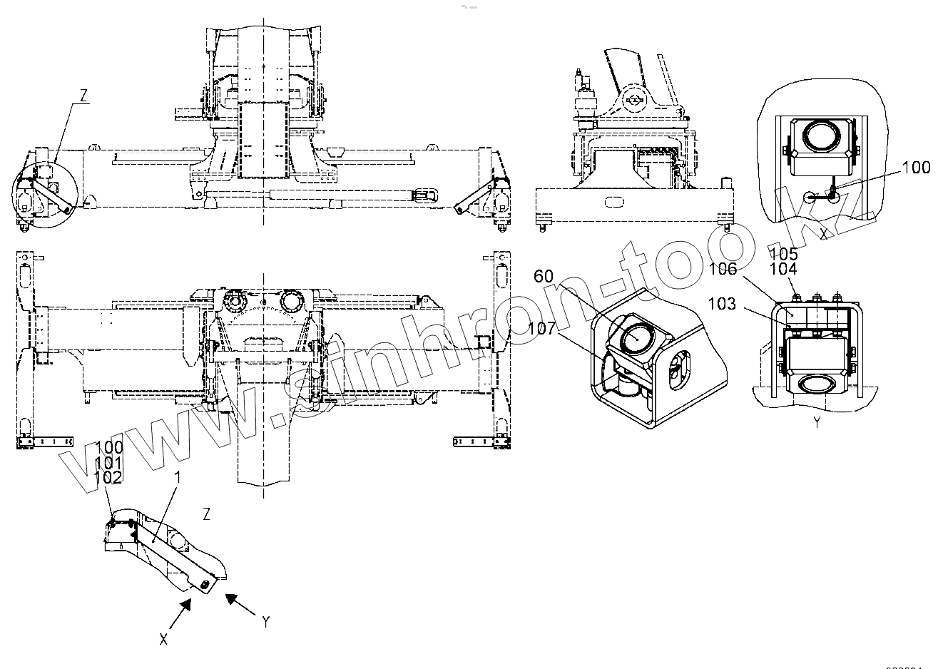
SPREADER CAMERA RFK
HOSE LIST
CABLE CHAIN ADD-ON
GUIDE SHOE CPL
GUIDE SHOE CPL
BOOM HYDR
DOUBLE-ACTING CYL
BOOM HEAD CPL
GUIDE SHOE CPL
GUIDE SHOE CPL
PRESSURE FILTER
PRESSURE FILTER
DRIVERS SEAT
WORK FLOODLIGHT
SPREADER CAMERA EL RFK
CAPACITOR
COMPRESSOR AXIAL
CAN BUS CONNECTION PLUG
CONTROL SYSTEM
COOLER MOTOR
OIL MOTOR
TERMINAL BOARD
LOCKING SET
SHUTDOWN VALVE
CONTROL UNIT
CONTROL UNIT
CONTROL UNIT
FILTER HOUSING
PRESSURE FILTER
VALVE BLOCK
OIL MOTOR
FUSE HOLDER
FILLER + BREATHER
DIESEL ENGINE
CRANKCASE BREATHER
OIL SUMP
VALVE
OIL-LEVEL GAUGE
CYL HEAD
CYL HEAD PRE-ASSEMBLY
OIL COOLER ADD-ON
OIL COOLER PRE-ASSEMBLY
LUBRICANT FILTER ADD-ON
INJECTION PUMP
FILLISTER SOCKET HEAD SCREW
FUEL PUMP
WATER PUMP PRE-ASSEMBLY
FUEL FINE-FILTER ASSEMBLY
FUEL PREFILTER
FUEL LINE
FUEL LINE
CONNECTING LINE ADD-ON
AIR COND. COMPRESSOR ADD-ON
WATER PUMP
THERMOSTAT HOUSING ASSEMBLY
ATL ATTACHMENT
SEALS
GENERATOR PRE-ASSEMBLY
STARTER
MOTOR REGULATION
FLYWHEEL
LOOM
PIPELINE
CYL HEAD COVER
LEAK OIL RETURN LINE
SPREADER
SPREADER
DW
SLIDER
TWISTLOCK KPL
SPREADER ADD-ON
TWISTLOCK CPL
SG GEARBOX CPL
CENTR.LUBRICATION SPREADER RFK
FORCEMEASURING AXLE INSTAL.RFK
FORCE MEASURING AXLE EL RFK
CYL HYDR
SPREADER ABSORBER RFK
COMPONENTS HYDR INSTALLATION
SPREADER ABSORBER HYDR RFK
HOSE LIST
PRESSURE ADMISSION VALVE
PRESSURE LIMITING VALVE
HYDRAULIC DRAWINGS
HYDRAULIC DRAWINGS
HYDRAULIC DRAWINGS
HYDRAULIC DRAWINGS
HYDRAULIC DRAWINGS
HYDRAULIC DRAWINGS
HYDRAULIC DRAWINGS
HYDRAULIC DRAWINGS
HYDRAULIC DRAWINGS
1
60
100
100
101
102
103
104
105
106
107
Позиция на иллюстрации
Заводской номер детали
Название детали
1
385244614
HOLDER
60
990714314
SPREADER CAMERA EL RFK
100
406511414
HEX BOLT
101
411903314
NUT
102
420001514
WASHER
103
485560914
WASHER
104
420000908
WASHER
105
411900414
NUT
106
790247914
RUBBER MOUNT
107
773400308
STEEL WIRE ROPE
108
773920008
FERRULE
Содержащиеся в справочниках-каталогах запасные части и детали не предлагаются к продаже, а носят исключительно информационный характер
Дополнительная информация
×
Название:
Номер:
Примечание: