Каталог запасных частей к технике: LIEBHERR LRS 645. HYDR POWER UNIT
1
1
1
1
2
2
2
2
2
3
3
3
3
3
4
4
4
4
4
4
5
5
5
5
5
5
6
6
6
6
6
7
7
7
7
7
8
8
8
8
9
9
10
10
10
11
11
11
12
12
12
13
13
13
13
14
14
15
15
15
16
16
16
17
17
17
18
18
18
19
19
19
20
20
20
20
20
21
21
21
21
21
22
22
22
23
23
23
23
23
24
24
24
25
25
25
25
25
26
26
26
27
27
27
27
28
28
28
28
29
29
29
29
31
32
33
34
34
36
37
40
40
42
43
44
44
46
50
50
50
52
52
52
53
54
54
55
55
56
57
57
58
59
60
63
65
66
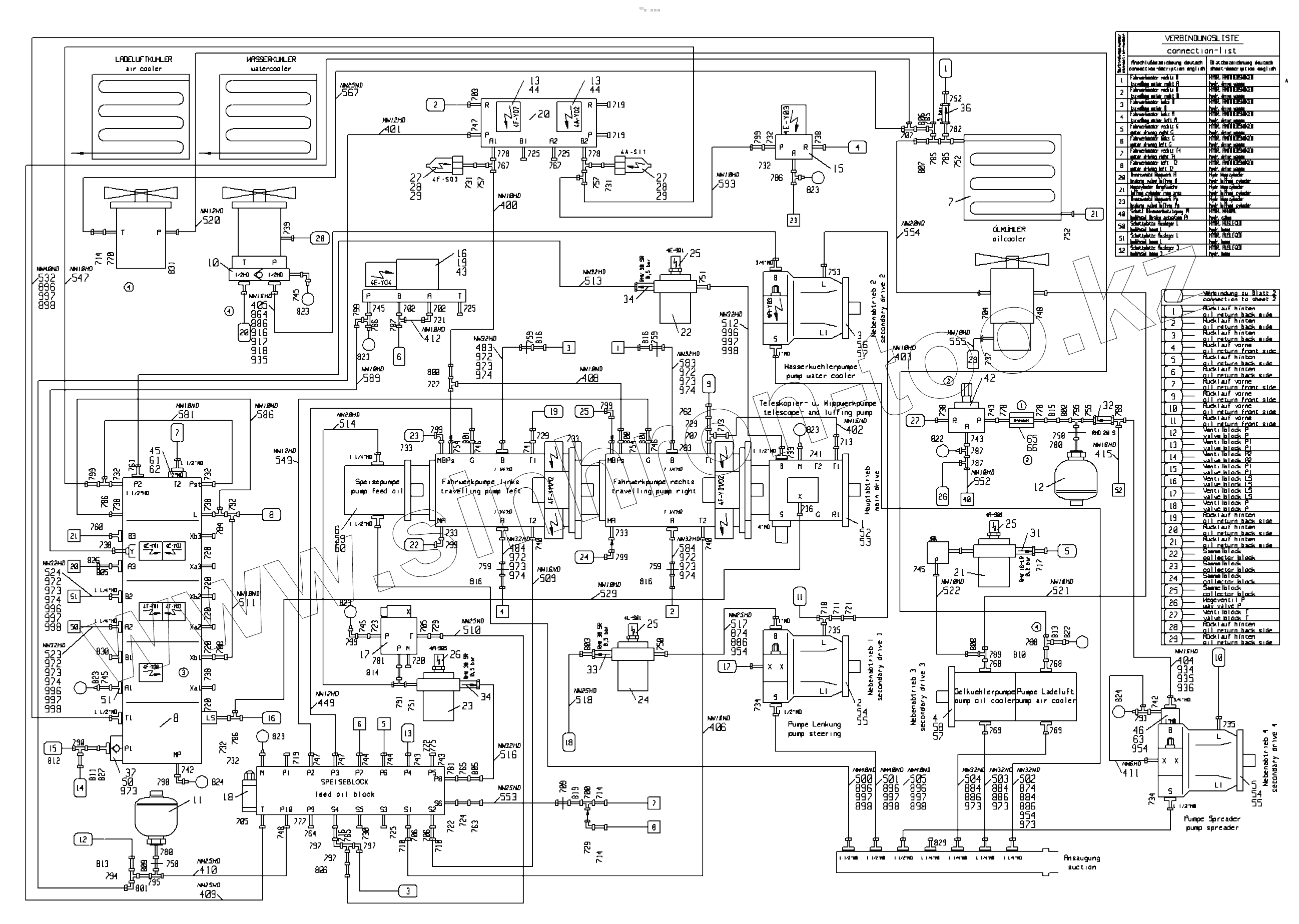
| Позиция на иллюстрации | Заводской номер детали | Название детали | |
|---|---|---|---|
| 1 | 10223218 | TRIPLE V-PUMP | |
| 2 | 592274614 | V PUMP | |
| 3 | 592272914 | V PUMP | |
| 4 | 592280214 | DOUBLE GEAR PUMP | |
| 5 | 592301114 | V PUMP | |
| 6 | 512239914 | GEAR PUMP | |
| 7 | 592272814 | COOLER MOTOR | |
| 8 | 10098609 | VALVE BLOCK | |
| 9 | 592271114 | VALVE BLOCK | |
| 10 | 511495814 | INTERMEDIATE PLATE | |
| 11 | 510602114 | DIAPHRAGM ACCUMULATOR | |
| 12 | 10020217 | DIAPHRAGM ACCUMULATOR | |
| 13 | 511432714 | DIRECTIONAL CONTROL VALVE | |
| 14 | 592213114 | PRESSURE LIMITING VALVE | |
| 15 | 10020215 | PRESSURE REDUCTION VALVE | |
| 16 | 511477814 | PRESSURE ADMISSION VALVE | |
| 17 | 511414514 | PRESSURE LIMITING VALVE | |
| 18 | 511604214 | VALVE BLOCK | |
| 19 | 510662914 | TERMINAL BOARD | |
| 20 | 510662614 | TERMINAL BOARD | |
| 21 | 592273214 | FILTER SYSTEM | |
| 22 | 510661314 | PRESSURE FILTER | |
| 23 | 10223581 | PRESSURE FILTER | |
| 24 | 510661014 | PRESSURE FILTER | |
| 25 | 592200514 | CLOGGING INDICATOR | |
| 26 | 592200614 | CLOGGING INDICATOR | |
| 27 | 502972714 | PRESSURE SWITCH OFF | |
| 28 | 710069314 | SEALING RING | |
| 29 | 510634514 | PROTECTING CAP | |
| 30 | 511458314 | NON-RETURN VALVE | |
| 31 | 511431514 | NON-RETURN VALVE | |
| 32 | 510412114 | NON-RETURN VALVE | |
| 33 | 592305614 | NON-RETURN VALVE | |
| 34 | 592305714 | NON-RETURN VALVE | |
| 35 | 511437408 | NON-RETURN VALVE | |
| 36 | 511496914 | NON-RETURN VALVE | |
| 37 | 511617714 | NON-RETURN VALVE | |
| 38 | 592044714 | NON-RETURN VALVE | |
| 39 | 10224578 | GUIDE PLATE | |
| 40 | 592278914 | VALVE BLOCK CPL | |
| 42 | 510438514 | PRESSURE REDUCTION VALVE | |
| 43 | 404214114 | CYLINDER SCREW | |
| 44 | 4600552 | CYLINDER SCREW | |
| 46 | 958523314 | FLANGE | |
| 47 | 404302914 | CYLINDER SCREW | |
| 48 | 511621814 | BLANKING PLATE | |
| 49 | 511497514 | BLANKING PLATE | |
| 50 | 4600026 | HEX BOLT | |
| 52 | 406604001 | HEX BOLT | |
| 53 | 460022203 | WASHER | |
| 54 | 4042032 | CYLINDER SCREW | |
| 55 | 460022703 | WASHER | |
| 56 | 4900537 | CYLINDER SCREW | |
| 57 | 420001308 | WASHER | |
| 58 | 406110908 | HEX BOLT | |
| 59 | 4066124 | HEX BOLT | |
| 60 | 460037203 | WASHER | |
| 61 | 4043163 | CYLINDER SCREW | |
| 62 | 10290516 | PLAIN COMPRESSION RING | |
| 63 | 409878114 | HEX BOLT | |
| 64 | 406514301 | HEX BOLT | |
| 65 | 943955814 | RESTRICTOR BODY | |
| 66 | 790536714 | MAIN JET SOLEX |
Содержащиеся в справочниках-каталогах запасные части и детали не предлагаются к продаже, а носят исключительно информационный характер