Вернуться на главную
Поиск
Каталоги запчастей к технике
Спецтехника
КЗКТ
КЗКТ-74281
Установка заднего буксирного прибора 537-2800002-10
Каталог запасных частей к технике: КЗКТ-74281. Установка заднего буксирного прибора 537-2800002-10
zoom-in
zoom-out
enlarge
shrink
circle-right
circle-left
file-text2
info
cart
Тип техники
Не выбрано
Легковые автомобили
Грузовые автомобили и прицепы
Автобусы
Сельхозтехника
Спецтехника
Двигатели
Мототехника
Марка
Не выбрано
Ammann
BOMAG
CARMIX
CASE IH
Changlin
ChengGong
Dimex
Doosan
DYNAPAC
Foton
HAMM
Hidromek
Hitachi
Hyundai
JCB
JLG
John Deere
Komatsu
LIEBHERR
LiuGong
Lonking (LongGong)
Luneng
MANITOU
Mitsuber
New Holland
PENGPU
RM-Terex
SANY
SDLG
SEM
Shantui
Shehwa HBXG
Soosan
TIGARBO
VOGELE
Volvo
WAY
WIRTGEN
XCMG
XGMA
Xiamen
YTO
Yuchai
Zoomlion
Автокран
АЗСМ
Алтайлесмаш
Амкодор
АОМЗ
Атек
АТЗ
Балканкар Рекорд
БелАЗ
Беловеж
Борекс
Брянский Арсенал
Булат
ВЭКС
ГАЗ
Геомаш
Гидромаш
Донекс
Дормаш
Дормашина
Дорэлектромаш
ДЭЗ
ЕлАЗ
ЗЗГТ
Ижнефтемаш
Канаш-электрокар
КЗКТ
ККЗ
Клевер
Клинцовский автокрановый завод
КМЗ
КМЗ 1 Мая
Ковровец
Коммаш
Кранэкс
КЭЗ
КЭМЗ
ЛЗА
МАЗ
МЗИК
МЗКМ
МЗКТ
Михневский РМЗ
МоАЗ
Мозырский МЗ
МТЗ
ОЗП
Онежец
ПАО "ТЗА"
ППС Детва
Промтрактор
ПТЗ
Раскат
СпецАгрегат
ТВЭКС
ТТМ
УВЗ
Угличмаш
УЗТМ
ХТЗ
ЧЗКМ
ЧСДМ
ЧТЗ
ЭКСКО
ЭКСМАШ
ЮрМаш
Модель
Не выбрано
КЗКТ-74281 (2000)
Схема
>
Не выбрано
Установка кабины 7428-5000002
Кабина 7428-5000010
Кабина 7428-5000010
Кабина 7428-5000010
Кабина 7428-5000010
Кабина обитая и окрашенная 7428-5000012-10
Кабина обитая и окрашенная 7428-5000012-10
Кабина обитая и окрашенная 7428-5000012-10
Кабина обитая и окрашенная 7428-5000012-10
Установка стеклоочистителя 7427-5205008
Установка омывателя 7427-5208008
Установка кронштейна крепления термоса 7427-3900016-10
Установка гнезд канистр 7427-3900018
Установка гнезда канистры 7427-3900019-10
Установка скобы крепления аптечки 7427-3900022-10
Установка ящика для инструмента 7428-3900027
Установка кронштейна крепления огнетушителя 7427-3900030, 7427-3900031
Установка гнезда ведра 7427-3900036
Установка коробки СМУ 7428-3900055
Установка кронштейна крепления паяльной лампы 7427-3900060-01
Коврик пола 7427-5109010-20
Коврик пола правый 7428-5109020-20
Коврик пола левый 7428-5109021-20
Коврик пола задний 7428-5109030
Крышка люка пола 7427-5113010
Установка ящика вещевого 7427-5303001
Установка консоли 7427-5325200-10
Установка консоли 7427-5325200-10
Установка сиденья 7427-6800001
Зеркала заднего вида 7427-8201010-10
Спальное место 7427-8219010
Окно ветровое 7428-5200010
Окно боковое правое 7428-5403050, левое 7428-5403051
Крышка люка задка 7427-5613010
Крышка люка 7427-5713010-01
Дверь правая 7428-6100012-10, левая 7428-6100013-10
Дверь правая 7428-6100012-10, левая 7428-6100013-10
Навеска двери
Ограничитель двери правый 7427-6106070, левый 7427-6106071
Установка уплотнителя 7427-6107020
Установка щита кабины наружного 7428-8022001
Установка оперения 7427-8400001-11
Облицовка радиатора 7427-8401010-11
Облицовка радиатора 7427-8401010-11
Боковина облицовки радиатора с панелями, правая 7427-8401012-21
Боковина облицовки радиатора с панелями, левая 7427-8401013-21
Капот передний правый 7427-8402018-11, левый 7427-8402019-11
Капот средний правый 7427-8402060-11, левый 7427-8402061-11
Капот задний правый 7427-8402080-11, левый 7427-8402081-11
Стяжка дужек передняя 7427-8402240-11
Стяжка дужек задняя 7427-8402260-11
Установка крыльев задних 7428-8404001
Установка крышки вентиляционного люка 7427-5304008
Фильтровентиляционная установка (ФВУ) 7428-8038001-10
Фильтровентиляционная установка (ФВУ) 7428-8038001-10
Установка кронштейна 7428-8047005
Установка отопителя 7427-8100001-10
Отопитель 7427-8101010-10
Установка крышки люка 7428-8104100-10
Установка отопителя 7427-8106008
Подвеска двигателя 7428-1000003, 7427-1000003-10
Двигатель 8401.10-04, 8401.10-14
Останов двигателя 7428-1030002
Установка топливного бака правого 7427-1101002-10, левого 7427-1101003-10
Защита БЦН насоса 7427-1101004
Бак топливный 7427-1101010-10
Установка дополнительного топливного бака 7427-1102002
Установка дополнительного топливного бака 7427-1102002
Бак топливный дополнительный 7427-1102010
Пробка топливного бака 7426-1103010
Трубопроводы топливные 7427-1104001-10
Трубопроводы топливные 7427-1104001-10
Установка фильтров 7427-1105002
Акселератор 7427-1108005-10
Педаль с кронштейном 7427-1108010
Кронштейн 7427-1108110-01
Рычаг двуплечий 7427-1108180
Рычаг двуплечий 7427-1108190
Тяга рычага 7427-1108200
Установка воздухоочистителя 7427-1109003
Установка воздухоочистителя 7427-1109003
Фильтр воздушный 238Н-1009010
Уплотнитель 7427-1109100
Установка выхлопных труб 7427-1200002, 7428-1200002
Установка балки радиаторов 7428-1300002
Установка балки радиаторов 7428-1300002
Установка радиаторов 7428-1300004
Установка радиаторов 7428-1300004
Радиатор с кожухом 7428-1301008
Тяга задней опоры 7427-1302225
Тяга задней опоры 7427-1302230
Монтаж трубопроводов 7428-1303005-01
Монтаж трубопроводов 7428-1303005-01
Муфта вентилятора 7428-1308031
Ролик натяжной правый 7427-1308110, левый 7427-1308111
Щетка правая 537-1308500-01, левая 537-1308502-01
Шкив ведущий привода вентилятора 7427-1308510
Вал карданный 7427-1316010
Установка двигателя 7428-1001010-50
Двигатель в состоянии установки на шасси 7428-1001012-50
Установка дополнительного топливного бака 7428-1102002-50
Трубопроводы топливные 7428-1104001-50
Трубопроводы топливные 7428-1104001-50
Установка электронной педали 7428-1108006-50
Установка фильтра воздушного 7428-1109003-50
Установка фильтра воздушного 7428-1109003-50
Система выпуска отработавших газов 7428-1200001-50
Система выпуска отработавших газов 7428-1200001-50
Балка радиаторов 7428-1302002-50
Монтаж трубопроводов системы охлаждения 7428-1303005-50
Монтаж трубопроводов системы охлаждения 7428-1303005-50
Колесо направляющего аппарата 535-1501085
Ступица 535А-1503060-30
Колесо насосное 535А-1503100-21
Колесо направляющего аппарата 535А-1503156-10
Колесо турбинное 535А-1503184-20
Корпус поршня 535А-1503220-50
Поршень фрикциона 535А-1503250
Кронштейн 537-1508129
Тяга 537-1508142, 537-1508154
Насос масляный 535А-1509010-11
Насос задний 535А-1509110-02
Насос откачивающий 535А-1509210-12
Планетарные ряды 535А-1510030-30
Картер промежуточный 7428-1711014
Картер промежуточный 535А-1511016-01
Картер промежуточный 535А-1511020-01
Опора подшипников 535А-1511070
Ступица передачи 535А-1511090
Корпус фрикциона 535А-1511114-01
Вал промежуточный 535А-1511140-10
Картер коробки передач 535А-1511190-20
Механизм блокировки 535А-1512320-30
Клапан насоса 535А-1512410-21
Крышка в сборе 538-1517136-Б
Коробка передач гидромеханическая с маслопроводами 7426-1700011
Коробка передач гидромеханическая 7426-1700030
Коробка передач 7428-1700035
Привод управления 7427-1703002
Механизм управления 7427-1703010
Кронштейн 7427-1703060
Тяга 7426-1703130, 7427-1703164
Тяга 7427-1703160-01
Гидротрансформатор 7426-1709010
Картер с клапанами 7427-1709012
Клапан перепускной 7427-1709140
Вал турбинный 537-1709160
Корпус сальника 537-1709284
Втулка уплотнительная 537-1710050
Крышка задняя 7428-1710150
Толкатель 537-1711244
Привод управления гидрозамедлителем 7427-1712001
Установка гидроаккумулятора 7427-1712002-10
Механизм управления трансмиссией 7426-1712010
Клапан гидрозамедлителя 7428-1712500-01
Кран управления 7427-1712550
Клапан плавности I передачи 537-1713010, Клапан плавности заднего хода 537-1713015
Радиатор правый 7427-1714012
Радиатор левый 7427-1714013
Подвеска ГМКП 7426-1715010
Подвеска маслобака 7426-1718004-01
Бак ГМП 7426-1718010-01
Заборник фильтрующий 7426-1718106
Маслопроводы ГМКП с гидрозамедлителем 7428-1719010-10
Маслопроводы ГМКП с гидрозамедлителем 7428-1719010-10
Передача повышающая 74281-1730010
Передача повышающая 74281-1730010
Передача повышающая 74281-1730010
Передача повышающая 74281-1730010
Муфта отключения трансмиссии 7427-1731010
Вал торсионный с фланцем 7427-1731022
Крышка с сальником 7427-1731028
Крышка 7427-1731037
Вал ведомый 7427-1731060
Стакан привода 7427-1731140
Насос для смазки 7427-1731200
Установка раздаточной коробки 537-1800008
Управление раздаточной коробкой 7428-1804001
Установка дублирующего привода 535В-1800014
Коробка раздаточная 74281-1800020
Коробка раздаточная 74281-1800020
Коробка раздаточная 74281-1800020
Вал первичный 7428-1802024
Крышка 535А-1802065-Б
Крышка 7427-1802107
Дифференциал 7427-1802150
Крышка 7426-1802192
Корпус 7427-1802193
Картер привода 7427-1802230
Стакан 535А-1802313
Поддон 537-1802400
Указатель уровня масла 7427-1802450
Пневмопереключатель 535А-1803100
Включатель блокировки 7428-1803145
Кронштейн привода 537-1803213-Б
Кран 7427-1804310
Шланг гибкий 537-1804402-Б
Шланг 7427-1804404
Насос с крышкой 7428-1808010
Установка карданных валов 7427-2200005
Вал карданный межмостовой 7426-2201010-01
Вал карданный промежуточный 7426-2202010
Вал карданный II заднего моста 7427-2205010
Вал карданный переднего моста 7426-2206010
Опора промежуточная 537-2206110-Б
Вал карданный 7427-2208010
Вал карданный 537-2215010
Привод передних колес 7428-2300005
Подвеска редуктора первого переднего моста 7426-2301002
Редуктор 1-го переднего моста 537-2302010-01
Редуктор 1-го переднего моста 537-2302010-01
Шестерня ведущая 537-2302021
Крышка фигурная 535А-2302050
Дифференциал переднего моста 538Д-2303010-01А, 538Д-2303010-01В
Коробка дифференциала 538Д-2303013-А
Коробка дифференциала 538Д-2303015-10
Крышка дифференциала 538Д-2303016-10
Корпус игольчатого подшипника 537-2303044
Сателлит с шайбой 538Д-2303054
Кулак поворотный 7427-2304001
Полуось 537-2304068
Сальник 535А-2312250
Сальник 543-2312292
Насос 537-2312400
Подвеска редуктора переднего 2-го моста 7426-2321002, Подвеска редуктора заднего моста 7426-2421002
Редуктор главной передачи 7428-2322004
Редуктор привода второго переднего моста 7428-2322007
Редуктор второго переднего моста 7428-2322010
Редуктор второго переднего моста 7428-2322010
Картер промежуточный 7426-2322012
Привод задних колес 7426-2400005
Редуктор главной передачи 7428-2402004
Редуктор главной передачи 7428-2402004
Редуктор привода заднего моста 7428-2402007
Редуктор второго заднего моста 7428-2402010
Редуктор второго заднего моста 7428-2402010
Картер промежуточный 537-2402012
Вал привода 7426-2402063
Крышка нижняя 7426-2402125
Крышка 7426-2402157
Сальник 535А-2402215
Чашка межосевая 7428-2402310
Плунжер 537-2402438-10
Сетка 537-2402470
Плунжер с клапаном 537-2402490
Комплект дифференциала 535А-2403004
Чашка дифференциала 535А-2403006
Дифференциал 535А-2403010, 7426-2403010
Крышка боковая 537-2403026
Шпонка со штифтом 535-2403062
Полуось 537-2403069-10
Полуось наружная 537-2403130-02
Вал карданный 537-2403133
Кожух планетарной передачи 537-2405012-02
Водило планетарной передачи 537-2405018-11
Сателлит передачи 537-2405033
Редуктор первого заднего моста 7428-2502010
Редуктор первого заднего моста 7428-2502010
Шестерня 7428-2502021
Установка седельного устройства 7426-2700001
Седельное устройство
Установка переднего буксирного крюка 7428-2800000
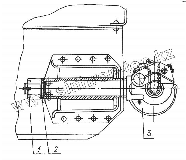
Установка заднего буксирного прибора 537-2800002-10
Рама с крюками и бампером в сборе 7428-2800010
Крюк буксирный 537-2805012
Собачка защелки 537-2805017
Цепь шплинта защелки 537-2805022-10
Крюк буксирный передний 7426-2806010
Подвеска передних колес 7426-2901010
Подвеска передних колес 7426-2901010
Кронштейн подвески 7427-2901060
Рычаг верхний правый 7427-2902790-01, левый 7427-2902791-01
Рычаги подвески нижние 7427-2902820-01
Амортизатор 7426-2905306
Крышка верхняя 535-2905322
Поршень амортизатора 7426-2905350
Крышка амортизатора нижняя 7426-2905380
Крышка 7426-2905410
Подвеска колес задняя 7426-2910010
Подвеска колес задняя 7426-2910010
Рычаг подвески верхний 7427-2914110
Ось верхних рычагов подвески 537-2914132-Б Ось нижних рычагов подвески 537-2914170
Рычаг подвески нижний 7427-2914150-01
Балансир задней подвески 7426-2918010
Балансир 7426-2918012
Ось балансира подвески 537-2918052-10
Коробка подушки балансира 537-2918212-30
Палец 537-2918231
Кронштейн рулевого привода передний 537-3003038-01, задний 537-3003130-01
Кронштейн с втулками 537-3003131-20
Тяга первого моста средняя 537-3003142
Тяга первого моста правая 535А-3003164
Тяга средняя второго моста 537-3003180
Кронштейн маятникового рычага 535А-3003210
Крышка 535-3003216
Ступица с поворотным устройством правая 7428-3103002СБ, левая 7428-3103003
Ступица колеса 537-3103005
Ступица правая 7428-3103006, левая 7428-3103007
Ступица с барабаном 537-3103012-01
Сальник с пружиной 537-3103037
Стакан сальника 537-3103052
Гайка подшипника 535А-3103076-10
Ступица с тормозами и стойкой левая 537-3104002-01, правая 537-3104003-01
Колесо 537-3101011-03
Управление рулевое 7427-3400001
Управление рулевое 7427-3400001
Управление рулевое 7427-3400001
Рулевой механизм 535А-3401006-01
Сальник 535-3401025
Вал рулевого управления с шестерней и подшипниками 535-3401034
Винт рулевого управления 535А-3401037
Тяга соединительная 7426-3414190
Усилитель гидравлический 7426-3405010-01
Усилитель гидравлический 7426-3405010-01
Наконечник гидроусилителя с шаровым пальцем 540-3405015-01
Головка распределителя 537-3405016
Цилиндр усилителя с втулкой в сборе 540-3405020-01
Насос 7427-3407010-01
Трубопровод 7426-3408020, 7426-3408024
Бак масляный рулевого управления 7427-3410010-10
Клапан масляного бака гидроусилителя 537-3410160
Тяга продольная 7426-3414010
Тормоз 7426-3501010, 7426-3501011
Пружина колодок 537-3501034
Цилиндр колесного тормоза 7426-3501050-01
Колодка тормоза 537-3501090
Установка педали тормоза 7426-3504001
Педаль тормоза 7426-3504010
Кронштейн с втулками 7426-3504049
Тяга 7426-3504052
Установка главных тормозных цилиндров 7426-3505005
Цилиндр тормозной главный 7428-3505010
Поршень главного тормозного цилиндра 537-3505020
Держатель с пружиной 535-3505110
Установка тормозного крана 7426-3537001
Тормоз стояночный 7426-3507001
Тормоз стояночный 7426-3507001
Колодка правая 7426-3507014
Колодка левая 7426-3507015
Эксцентрик 7426-3507064
Суппорт тормоза 7426-3507070
Штанга регулировочная 7426-3507160
Привод стояночного тормоза 7426-3508001
Кронштейн рычага стояночного тормоза 7426-3508004
Кронштейн со втулками 7426-3508060
Кронштейн со втулками 535А-3508100
Тяга передняя 7426-3508120
Тяга промежуточная 7426-3508130-10
Кронштейн с втулками 7426-3508170
Тяга задняя 7426-3508230
Трубопроводы 7426-3506001
Трубопроводы 7426-3506001
Трубопроводы 7426-3506001
Трубопроводы 7426-3506001
Трубопроводы и соединительная арматура от компрессора 7428-3506002-50
Гидропровод 537-3506096
Гидропровод 7426-3506360
Гидропровод 7426-3506362
Гидропровод 7427-3506374, 537-3506376
Шланг к полуприцепу 7426-3506380
Трубопроводы 7427-3506002
Шланг 7426-3506440
Шланг 7426-3506450
Установка водоотделителя 7426-3511001
Установка ресиверов 7426-3513001
Установка ресиверов 7426-3513002
Хомут 538-3513038-А
Установка клапана 7426-3515002
Установка клапанов 7426-3522001
Подпоромер 7426-3821036
Щиток нижний 7427-3805022
Установка фар и сигнала 7427-3700006-01
Установка фонаря командира 7428-3700015
Установка подкапотных ламп 7427-3700044
Фара 7428-3711000
Кожух фар 7427-3711012-01
Кронштейн правый 7428-3716018
Кронштейн левый 7428-3716019
Монтаж электрооборудования 7428-3700002-10
Монтаж электрооборудования 7428-3700002-10
Монтаж электрооборудования 7428-3700003
Электрооборудование 7428-3700004
Монтаж электрооборудования 7428-3700010
Монтаж электрооборудования 7428-3700010
Монтаж электрооборудования (по двигателю "Камминз") 7428-3700010-50
Монтаж проводов к стеклоочистителю 7427-3700012
Установка переключателя 7428-3700020
Крышка аккумуляторного ящика 7427-3703370
Крышка аккумуляторного ящика 7427-3703374-10
Кронштейн 7428-3709058, 7428-3709059
Установка кнопки 7427-3733010
Блок-реле 7427-3747009
Коробка релейная 7427-3747032-01
Коробка релейная 7428-3747032-50
Установка каркаса 7427-3800001-10
Установка подпоромера 7428-3800006
Установка датчика 537-3800008-01
Установка датчиков ГМП 7427-3800016
Установка прибора ИМД-21Б 7428-3800019-01
Привод спидометра 537-3802010
Щиток с приборами 7427-3805014-20
Щиток левый с приборами 7428-3805014-50
Щиток с приборами 7427-3805016
Щиток с приборами 7427-3805018
Крышка щитка правая 7427-3805020
Щиток верхний 7427-3805028-10
Каркас панели приборов 7427-3805070
Датчик уровня 7427-3827010-02
Жгут проводов по ГМКП 7427-3724005
Жгут проводов задних фонарей 7428-3724008
Жгут проводов по лонжерону 7428-3724027
Жгут проводов задних фонарей 7428-3724032
Провод генератора 7427-3724034-ХЛ
Провод генератора 7427-3724034-50ХЛ
Провод 7428-3724035
Жгут проводов 7427-3724047
Провод 7427-3724052-ХЛ
Жгуты проводов 7428-3724054-50
Провод 7427-3724057-ХЛ
Провод 7427-3724058-ХЛ
Провод стартера 7427-3724061
Жгуты проводов 7427-3724054-10
Провод 7427-3724067
Жгут проводов между задними фонарями 7428-3724070
Жгут проводов 7427-3724079
Кабель 7428-3724080
Провод 7428-3724082-ХЛ
Провод 7428-3724093
Провод массы топливных баков 7428-3724115
Жгут проводов задних фонарей 7428-3724116
Провод рентгенометра с розеткой 7428-3724149
Жгут проводов по двигателю 7428-3724159
Жгут по двигателю 7428-3724159-50
Перемычка 7427-3724170
Перемычка 7428-3724180
Провод 7427-3724298
Жгут проводов 7427-3724375
Жгут с герконами 7427-3827027
Коробка отбора мощности 74281-4202010
Картер 7427-4202016
Крышка в сборе 537-4202056
Привод управления 7427-4216003
Тяга с вилками 535В-4216068-В
Тяга с вилками 7427-4216256
Установка подогревателя 7427-1015002
Установка подогревателя 7427-1015002
Лебедка в состоянии установки 537Г-4500001
Установка лебедки 537Г-4500010-01
Кронштейн 7426-4500145
Лебедка с кожухом 537Г-4501009-01
Лебедка 537Г-4501010
Лебедка 537Г-4501010
Лебедка в сборе 537Г-4501014
Редуктор в сборе 537Г-4501018
Редуктор в сборе 537Г-4501018
Корпус редуктора 537Г-4501019
Муфта предохранительная 537Г-4501025
Насос масляный 537Г-4501080
Водило 537Г-4501085
Барабан 537Г-4501110
Ролик 537Г-4501325, 537Г-4501325-01
Переключатель в сборе 537Г-4501410
Фрикцион 537Г-4501510
Крышка 537Г-4501589
Кронштейн с рычагом 537-4503428-Б1
Кронштейн с рычагом 537-4503446-Г
Кронштейн в сборе 537-4503460-В
Кронштейн в сборе 537-4503462-Б
Тяга с вилками 537-4503474-Г
Блок роликов 537-4504180
Установка блока 7427-4505002
Блок в сборе 537Г-4505010
Скоба буксирная 537Г-4505080
Шкворень в сборе 537Г-4505091
Редуктор 537Г-4506010
Подрамник с кронштейном 537Г-4507305
Тросоукладчик 537Г-4511010
Пакет фильтроэлементов 538ДП-4616100
Система сапунирования агрегатов 7427-8005002
Система сапунирования агрегатов 7427-8005002
Система сапунирования агрегатов 7427-8005002
Система сапунирования агрегатов 7427-8005002
Система сапунирования агрегатов 7427-8005002
Автомобиль-тягач 74281-0000010
Комплект ЗИП-0 74281-3900002
Комплект ЗИП-0 74281-3900002
Комплект ЗИП-0 74281-3900002
Комплект ЗИП-0 74281-3900002
Комплект ЗИП-0 74281-3900002
Комплект ЗИП-0 74281-3900002
Комплект ЗИП-0 74281-3900002
1
2
3
Позиция на иллюстрации
Заводской номер детали
Название детали
537-2800002-10
537-2800002-10
Установка заднего буксирного прибора
1
258101-П
Шплинт 8х80
2
535-2805034
Шайба
3
537-2805012
Крюк буксирный
Содержащиеся в справочниках-каталогах запасные части и детали не предлагаются к продаже, а носят исключительно информационный характер
Дополнительная информация
×
Название:
Номер:
Примечание: