Вернуться на главную
Поиск
Каталоги запчастей к технике
Спецтехника
Кранэкс
МТП-71А
Шкаф с электромонтажом
Каталог запасных частей к технике: Кранэкс МТП-71А. Шкаф с электромонтажом
zoom-in
zoom-out
enlarge
shrink
circle-right
circle-left
file-text2
info
cart
Тип техники
Не выбрано
Легковые автомобили
Грузовые автомобили и прицепы
Автобусы
Сельхозтехника
Спецтехника
Двигатели
Мототехника
Марка
Не выбрано
Ammann
BOMAG
CARMIX
CASE IH
Changlin
ChengGong
Dimex
Doosan
DYNAPAC
Foton
HAMM
Hidromek
Hitachi
Hyundai
JCB
JLG
John Deere
Komatsu
LIEBHERR
LiuGong
Lonking (LongGong)
Luneng
MANITOU
Mitsuber
New Holland
PENGPU
RM-Terex
SANY
SDLG
SEM
Shantui
Shehwa HBXG
Soosan
TIGARBO
VOGELE
Volvo
WAY
WIRTGEN
XCMG
XGMA
Xiamen
YTO
Yuchai
Zoomlion
Автокран
АЗСМ
Алтайлесмаш
Амкодор
АОМЗ
Атек
АТЗ
Балканкар Рекорд
БелАЗ
Беловеж
Борекс
Брянский Арсенал
Булат
ВЭКС
ГАЗ
Геомаш
Гидромаш
Донекс
Дормаш
Дормашина
Дорэлектромаш
ДЭЗ
ЕлАЗ
ЗЗГТ
Ижнефтемаш
Канаш-электрокар
КЗКТ
ККЗ
Клевер
Клинцовский автокрановый завод
КМЗ
КМЗ 1 Мая
Ковровец
Коммаш
Кранэкс
КЭЗ
КЭМЗ
ЛЗА
МАЗ
МЗИК
МЗКМ
МЗКТ
Михневский РМЗ
МоАЗ
Мозырский МЗ
МТЗ
ОЗП
Онежец
ПАО "ТЗА"
ППС Детва
Промтрактор
ПТЗ
Раскат
СпецАгрегат
ТВЭКС
ТТМ
УВЗ
Угличмаш
УЗТМ
ХТЗ
ЧЗКМ
ЧСДМ
ЧТЗ
ЭКСКО
ЭКСМАШ
ЮрМаш
Модель
Не выбрано
ЕК-270
МТП-71А
Схема
>
Не выбрано
Кабина
Кабина
Кабина
Кабина
Кабина
Кабина
Кабина
Оборудование кабины
Оборудование кабины
Оборудование кабины
Шкаф
Шкаф
Шкаф
Шкаф
Дверь
Каркас сиденья. Сиденье
Вешалка. Установка вентилятора. Установка плафона
Установка солнцезащитного козырька. Установка зеркала
Капоты
Капот дизеля
Крышка
Крышка
Платформа поворотная
Платформа поворотная
Платформа поворотная
Установка лестницы
Установка силовая
Установка силовая
Установка шкивов
Установка генератора
Установка силовая
Установка силовая
Система питания двигателя
Система питания двигателя
Система питания двигателя
Система питания двигателя
Система питания дизеля
Система питания дизеля
Система питания дизеля
Система питания дизеля
Установка глушителя
Установка радиаторов
Установка радиаторов
Установка шторки радиатора
Шторка в сборе
Установка подогревателя ПЖБ-300В
Установка подогревателя ПЖБ-300В
Установка подогревателя ПЖБ-300В
Установка подогревателя ПЖБ-300В
Установка подогревателя ПЖБ-300В
Установка подогревателя ПЖБ-300В
Установка подогревателя ПЖБ-300В
Установка муфты дизеля
Муфта
Механизм передвижения
Редуктор ходовой
Редуктор ходовой
Редуктор ходовой
Редуктор ходовой
Механизм передвижения
Редуктор ходовой
Редуктор ходовой
Редуктор ходовой
Редуктор ходовой
Привод
Рама
Ход гусеничный
Каток опорный
Каток поддерживающий
Устройство натяжное
Управление
Управление
Управление муфтой сцепления
Механизм управления двигателем
Механизм поворота
Механизм поворота
Механизм поворота
Шкаф с электромонтажом
Шкаф с электромонтажом
Шкаф с электромонтажом
Шкаф с электромонтажом
Шкаф с электромонтажом
Шкаф с электромонтажом
Шкаф с электромонтажом
Шкаф с электромонтажом
Электрооборудование с электромонтажом
Электрооборудование с электромонтажом
Электрооборудование с электромонтажом
Электрооборудование с электромонтажом
Электрооборудование с электромонтажом
Электрооборудование с электромонтажом
Электрооборудование с электромонтажом
Электрооборудование с электромонтажом
Электрооборудование с электромонтажом
Электрооборудование с электромонтажом
Электрооборудование с электромонтажом
Установка аккумулятора
Установка блока корректора
Установка блока САРН
Блок САРН
Установка щитка приборов
Установка щитка приборов
Установка щитка приборов
Установка щитка приборов
Установка приборов в нише с электромонтажом
Установка приборов в нише с электромонтажом
Щиток приборов подогревателя с электромонтажом
Гидросистема управления
Гидросистема управления
Гидросистема управления
Гидросистема управления
Гидросистема управления
Гидросистема управления
Гидросистема управления
Гидросистема управления
Гидросистема управления
Гидросистема управления
Кран
Колонка левая
Колонка правая
Золотник
Клапан
Гидросистема силовая
Гидросистема силовая
Гидросистема силовая
Гидросистема силовая
Гидросистема силовая
Гидросистема силовая
Гидросистема силовая
Гидросистема силовая
Установка фильтров линейных
Установка вентилятора с калорифером
Коллектор в сборе
Клапан обратный
Гидроразмыкатель
Гидроцилиндр
Гидроцилиндр ковша. Гидроцилиндр стрелы. Гидроцилиндр рукояти
Гидроразводка рабочего оборудования обратная лопата
Гидроразводка рабочего оборудования обратная лопата
Гидроразводка рабочего оборудования грейфер 2.8м3
Гидроразводка рабочего оборудования грейфер 2.8м3
Гидроразводка рабочего оборудования грейфер-захват
Гидроразводка рабочего оборудования грейфер-захват
Гидроразводка рабочего оборудования грейфер для пней
Гидроразводка рабочего оборудования грейфер для пней
Гидроразводка рабочего оборудования подвеска крюковая
Гидроразводка рабочего оборудования подвеска крюковая
Элементы соединений гидравлики рабочего оборудования
Элементы соединений гидравлики рабочего оборудования
Элементы соединений гидравлики рабочего оборудования
Элементы соединений гидравлики рабочего оборудования
Элементы соединений гидравлики рабочего оборудования
Установка масляного бака
Установка масляного бака
Установка масляного бака
Установка масляного бака
Установка масляного бака
Рабочее оборудование обратная лопата
Рабочее оборудование обратная лопата
Рабочее оборудование обратная лопата
Рабочее оборудование обратная лопата
Рабочее оборудование обратная лопата
Ковш обратной лопаты. Ковш профильный
Рабочее оборудование грейфер
Грейфер для пней
Грейфер-захват для древесины
Головка поворотная
Грейфер 2.8м3
Рабочее оборудование подвеска крюковая
Подвеска крюковая
Рабочее оборудование рыхлитель
Экскаватор торфяной одноковшовый универсальный гидравлический
Экскаватор без рабочего оборудования
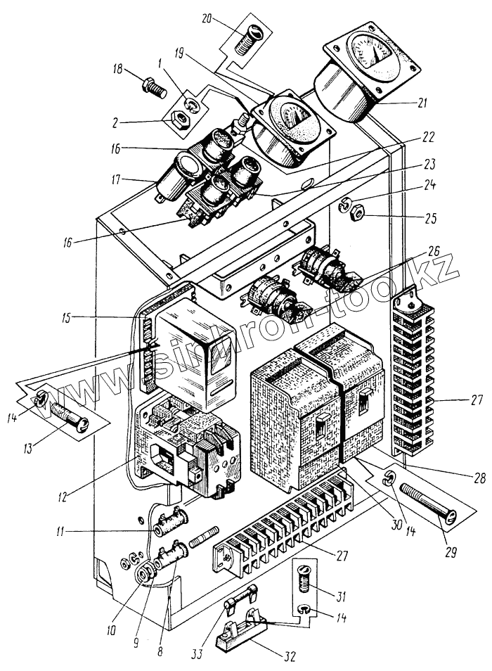
1
2
8
9
10
11
12
13
14
14
14
15
16
16
17
18
19
20
21
22
23
24
25
26
27
27
28
29
30
31
32
33
Позиция на иллюстрации
Заводской номер детали
Название детали
1
Шайба 5.65Т [6402]
Шайба 5.65Т
2
Гайка М5 [5927]
Гайка М5
8
6513
Резистор ПЭВ10-1000 0м
9
МТП-71А.35.02.001
Прокладка
10
Шайба 5 [11371]
Шайба 5
11
6513
Резистор ПЭВ10-1000 0м
12
16-529.008
Пускатель ПМЕ-211
13
Винт М4х20 [17473]
Винт М4х20
14
Шайба 4.65Г [6402]
Шайба 4.65Г
15
26-07-467
Ассиметр РА-74/2
16
16-526.407
Толкатель черного цвета КЕ081У2
17
16-535.931
Арматура 124211У1, 240 В
18
Болт М8х20 [7798]
Болт М8х20
19
25-04-1309
Вольтметр Э8023 0-450 В
20
Винт М5х16 [17473]
Винт М5х16
21
25-04-239
Индикатор (мегомметр) М143М 220 В. 50 Гц
22
37-003-402
Включатель ВК322
23
16-526.407
Толкатель черного цвета КЕ081У2
24
Шайба 8.65Г [6402]
Шайба 8.65Г
25
Гайка М8 [5915]
Гайка М8
26
16-526-019
Выключатель пакетный ПВМЗ-10 220 В, 10 А
27
16-526.108
Блок зажимов БЗН19-213120300072
28
16-522-064
Выключатель автоматический АЕ2036-20РУЗ 4 А. 1Р00
29
Винт М4х35 [17473]
Винт М4х35
30
16-522-064
Выключатель автоматический АЕ2036-20РУЗ 4 А. 1Р00
31
Винт М4х16 [17473]
Винт М4х16
32
6525
Держатель
33
5010
Предохранитель ПН-50-1.0
Содержащиеся в справочниках-каталогах запасные части и детали не предлагаются к продаже, а носят исключительно информационный характер
Дополнительная информация
×
Название:
Номер:
Примечание: