Вернуться на главную
Поиск
Каталоги запчастей к технике
Спецтехника
Кранэкс
МТП-71А
Подвеска крюковая
Каталог запасных частей к технике: Кранэкс МТП-71А. Подвеска крюковая
zoom-in
zoom-out
enlarge
shrink
circle-right
circle-left
file-text2
info
cart
Тип техники
Не выбрано
Легковые автомобили
Грузовые автомобили и прицепы
Автобусы
Сельхозтехника
Спецтехника
Двигатели
Мототехника
Марка
Не выбрано
Ammann
BOMAG
CARMIX
CASE IH
Changlin
ChengGong
Dimex
Doosan
DYNAPAC
Foton
HAMM
Hidromek
Hitachi
Hyundai
JCB
JLG
John Deere
Komatsu
LIEBHERR
LiuGong
Lonking (LongGong)
Luneng
MANITOU
Mitsuber
New Holland
PENGPU
RM-Terex
SANY
SDLG
SEM
Shantui
Shehwa HBXG
Soosan
TIGARBO
VOGELE
Volvo
WAY
WIRTGEN
XCMG
XGMA
Xiamen
YTO
Yuchai
Zoomlion
Автокран
АЗСМ
Алтайлесмаш
Амкодор
АОМЗ
Атек
АТЗ
Балканкар Рекорд
БелАЗ
Беловеж
Борекс
Брянский Арсенал
Булат
ВЭКС
ГАЗ
Геомаш
Гидромаш
Донекс
Дормаш
Дормашина
Дорэлектромаш
ДЭЗ
ЕлАЗ
ЗЗГТ
Ижнефтемаш
Канаш-электрокар
КЗКТ
ККЗ
Клевер
Клинцовский автокрановый завод
КМЗ
КМЗ 1 Мая
Ковровец
Коммаш
Кранэкс
КЭЗ
КЭМЗ
ЛЗА
МАЗ
МЗИК
МЗКМ
МЗКТ
Михневский РМЗ
МоАЗ
Мозырский МЗ
МТЗ
ОЗП
Онежец
ПАО "ТЗА"
ППС Детва
Промтрактор
ПТЗ
Раскат
СпецАгрегат
ТВЭКС
ТТМ
УВЗ
Угличмаш
УЗТМ
ХТЗ
ЧЗКМ
ЧСДМ
ЧТЗ
ЭКСКО
ЭКСМАШ
ЮрМаш
Модель
Не выбрано
ЕК-270
МТП-71А
Схема
>
Не выбрано
Кабина
Кабина
Кабина
Кабина
Кабина
Кабина
Кабина
Оборудование кабины
Оборудование кабины
Оборудование кабины
Шкаф
Шкаф
Шкаф
Шкаф
Дверь
Каркас сиденья. Сиденье
Вешалка. Установка вентилятора. Установка плафона
Установка солнцезащитного козырька. Установка зеркала
Капоты
Капот дизеля
Крышка
Крышка
Платформа поворотная
Платформа поворотная
Платформа поворотная
Установка лестницы
Установка силовая
Установка силовая
Установка шкивов
Установка генератора
Установка силовая
Установка силовая
Система питания двигателя
Система питания двигателя
Система питания двигателя
Система питания двигателя
Система питания дизеля
Система питания дизеля
Система питания дизеля
Система питания дизеля
Установка глушителя
Установка радиаторов
Установка радиаторов
Установка шторки радиатора
Шторка в сборе
Установка подогревателя ПЖБ-300В
Установка подогревателя ПЖБ-300В
Установка подогревателя ПЖБ-300В
Установка подогревателя ПЖБ-300В
Установка подогревателя ПЖБ-300В
Установка подогревателя ПЖБ-300В
Установка подогревателя ПЖБ-300В
Установка муфты дизеля
Муфта
Механизм передвижения
Редуктор ходовой
Редуктор ходовой
Редуктор ходовой
Редуктор ходовой
Механизм передвижения
Редуктор ходовой
Редуктор ходовой
Редуктор ходовой
Редуктор ходовой
Привод
Рама
Ход гусеничный
Каток опорный
Каток поддерживающий
Устройство натяжное
Управление
Управление
Управление муфтой сцепления
Механизм управления двигателем
Механизм поворота
Механизм поворота
Механизм поворота
Шкаф с электромонтажом
Шкаф с электромонтажом
Шкаф с электромонтажом
Шкаф с электромонтажом
Шкаф с электромонтажом
Шкаф с электромонтажом
Шкаф с электромонтажом
Шкаф с электромонтажом
Электрооборудование с электромонтажом
Электрооборудование с электромонтажом
Электрооборудование с электромонтажом
Электрооборудование с электромонтажом
Электрооборудование с электромонтажом
Электрооборудование с электромонтажом
Электрооборудование с электромонтажом
Электрооборудование с электромонтажом
Электрооборудование с электромонтажом
Электрооборудование с электромонтажом
Электрооборудование с электромонтажом
Установка аккумулятора
Установка блока корректора
Установка блока САРН
Блок САРН
Установка щитка приборов
Установка щитка приборов
Установка щитка приборов
Установка щитка приборов
Установка приборов в нише с электромонтажом
Установка приборов в нише с электромонтажом
Щиток приборов подогревателя с электромонтажом
Гидросистема управления
Гидросистема управления
Гидросистема управления
Гидросистема управления
Гидросистема управления
Гидросистема управления
Гидросистема управления
Гидросистема управления
Гидросистема управления
Гидросистема управления
Кран
Колонка левая
Колонка правая
Золотник
Клапан
Гидросистема силовая
Гидросистема силовая
Гидросистема силовая
Гидросистема силовая
Гидросистема силовая
Гидросистема силовая
Гидросистема силовая
Гидросистема силовая
Установка фильтров линейных
Установка вентилятора с калорифером
Коллектор в сборе
Клапан обратный
Гидроразмыкатель
Гидроцилиндр
Гидроцилиндр ковша. Гидроцилиндр стрелы. Гидроцилиндр рукояти
Гидроразводка рабочего оборудования обратная лопата
Гидроразводка рабочего оборудования обратная лопата
Гидроразводка рабочего оборудования грейфер 2.8м3
Гидроразводка рабочего оборудования грейфер 2.8м3
Гидроразводка рабочего оборудования грейфер-захват
Гидроразводка рабочего оборудования грейфер-захват
Гидроразводка рабочего оборудования грейфер для пней
Гидроразводка рабочего оборудования грейфер для пней
Гидроразводка рабочего оборудования подвеска крюковая
Гидроразводка рабочего оборудования подвеска крюковая
Элементы соединений гидравлики рабочего оборудования
Элементы соединений гидравлики рабочего оборудования
Элементы соединений гидравлики рабочего оборудования
Элементы соединений гидравлики рабочего оборудования
Элементы соединений гидравлики рабочего оборудования
Установка масляного бака
Установка масляного бака
Установка масляного бака
Установка масляного бака
Установка масляного бака
Рабочее оборудование обратная лопата
Рабочее оборудование обратная лопата
Рабочее оборудование обратная лопата
Рабочее оборудование обратная лопата
Рабочее оборудование обратная лопата
Ковш обратной лопаты. Ковш профильный
Рабочее оборудование грейфер
Грейфер для пней
Грейфер-захват для древесины
Головка поворотная
Грейфер 2.8м3
Рабочее оборудование подвеска крюковая
Подвеска крюковая
Рабочее оборудование рыхлитель
Экскаватор торфяной одноковшовый универсальный гидравлический
Экскаватор без рабочего оборудования
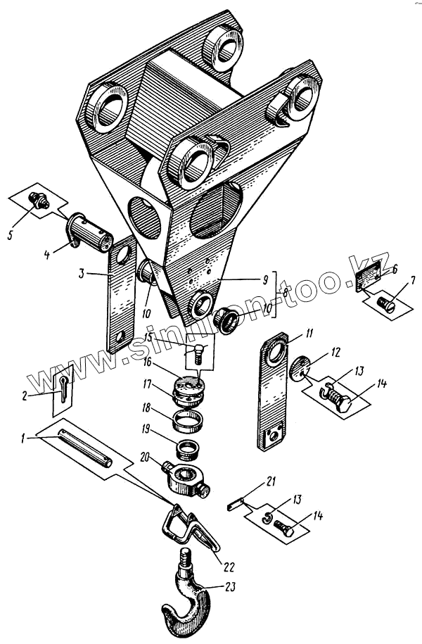
1
2
3
4
5
6
7
8
9
10
10
11
12
13
13
14
14
15
16
17
18
19
20
21
22
23
Позиция на иллюстрации
Заводской номер детали
Название детали
МТП-71.66.00.000
МТП-71.66.00.000
Подвеска крюковая
1
МТП-71.66.00.006
Ось
2
Шплинт 2х16 [397]
Шплинт 2х16
3
МТП-71.66.00.300
Щека
4
МТП-71.66.00.400
Палец
5
19853
Масленка 1.2
6
МТП-71.66.00.007
Табличка
7
Винт М4х8 [17473]
Винт М4х8
8
МТП-71.66.10.000
Кронштейн
9
МТП-71.66.10.100
Кронштейн
10
МТП-71.66.10.001
Втулка
11
МТП-71.66.00.200
Щека
12
Шайба 60 [К1-46]
Шайба 60
13
Шайба 10.65Г [6402]
Шайба 10.65Г
14
Болт М10х20 [7798]
Болт М10х20
15
Болт 3М8х20 [7798]
Болт 3М8х20
16
Шайба [МТП-71.66.00.003]
Шайба
17
Гайка [МТП-71.66.00.004]
Гайка
18
Кольцо [МТП-71.66.00.001]
Кольцо
19
Подшипник 8109 [6874]
Подшипник 8109
20
МТП-71.66.00.002
Траверса
21
К1-35
Оседержатель 30-36
22
МТП-71.66.00.100
Скоба
23
МТП-71.66.00.005
Крюк
Содержащиеся в справочниках-каталогах запасные части и детали не предлагаются к продаже, а носят исключительно информационный характер
Дополнительная информация
×
Название:
Номер:
Примечание: