Каталог запасных частей к технике: Кранэкс МТП-71А. Грейфер 2.8м3
1
1
1
1
2
2
3
3
4
4
5
6
7
7
8
9
10
11
12
13
14
15
15
15
16
17
18
19
19
19
20
20
20
21
21
22
23
23
24
25
26
27
28
29
30
31
32
33
34
35
36
37
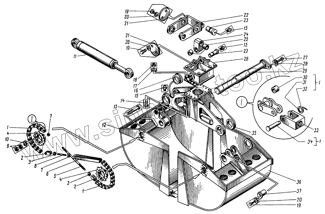
| Позиция на иллюстрации | Заводской номер детали | Название детали | |
|---|---|---|---|
| МТП-71.78.00.000 | МТП-71.78.00.000 | Грейфер 2,8 м | |
| 1 | МТП-71.78.07.000 | Цепь | |
| 2 | МТП-71.78.00.002-01 | Вилка | |
| 3 | Гайка М30 левая [5915] | Гайка М30 левая | |
| 4 | МТП-71.78.00.006 | Серьга | |
| 5 | МТП-71.78.00.003-01 | Тяга | |
| 6 | МТП-71.78.08.000 | Вилка | |
| 7 | Гайка М30 [5915] | Гайка М30 | |
| 8 | МТП-71.78.00.003 | Тяга | |
| 9 | Гайка М16 [5915] | Гайка М16 | |
| 10 | Шайба 16 [11371] | Шайба 16 | |
| 11 | МТП-71.78.11.000 | Гидроцилиндр | |
| 12 | МТП-71.78.04.000 | Челюсть | |
| 13 | Болт М16х140 [7798] | Болт М16х140 | |
| 14 | Болт М20х65 [7796] | Болт М20х65 | |
| 15 | 19853 | Масленка 1.2 | |
| 16 | МТП-71.78.00.011 | Втулка | |
| 17 | Шайба 20.65Г [6402] | Шайба 20.65Г | |
| 18 | Гайка М20 [5915] | Гайка М20 | |
| 19 | Болт М12х30 [7798] | Болт М12х30 | |
| 20 | Шайба 12.65Г [6402] | Шайба 12.65Г | |
| 21 | Шайба 80 [К1-46] | Шайба 80 | |
| 22 | МТП-71.78.06.000 | Кронштейн | |
| 23 | МТП-71.78.00.005 | Ось | |
| 24 | МТП-71.78.00.006 | Серьга | |
| 25 | МТП-71.78.00.007 | Втулка | |
| 26 | МТП-71.78.01.000 | Головка поворотная | |
| 27 | Болт М16х40 [7798] | Болт М16х40 | |
| 28 | Шайба 16.65Г [6402] | Шайба 16.65Г | |
| 29 | МТП-71.78.10.000 | Ось | |
| 30 | ТЭ-ЗМ.1-5-3А | Ролик | |
| 31 | Шайба [ТЭ-ЗМ.1-5-4] | Шайба | |
| 32 | Шплинт [ТЭ-ЗМ.1-5-5] | Шплинт | |
| 33 | МТП-71.78.00.002 | Вилка | |
| 34 | ТЭ-ЗМ.1-5-1А | Валик | |
| 35 | МТП-71.78.02.000 | Траверса | |
| 36 | МТП-71.78.05.000 | Челюсть | |
| 37 | МТП-71.78.09.000 | Палец |
Содержащиеся в справочниках-каталогах запасные части и детали не предлагаются к продаже, а носят исключительно информационный характер