Вернуться на главную
Поиск
Каталоги запчастей к технике
Спецтехника
Кранэкс
МТП-71А
Гидросистема управления
Каталог запасных частей к технике: Кранэкс МТП-71А. Гидросистема управления
zoom-in
zoom-out
enlarge
shrink
circle-right
circle-left
file-text2
info
cart
Тип техники
Не выбрано
Легковые автомобили
Грузовые автомобили и прицепы
Автобусы
Сельхозтехника
Спецтехника
Двигатели
Мототехника
Марка
Не выбрано
Ammann
BOMAG
CARMIX
CASE IH
Changlin
ChengGong
Dimex
Doosan
DYNAPAC
Foton
HAMM
Hidromek
Hitachi
Hyundai
JCB
JLG
John Deere
Komatsu
LIEBHERR
LiuGong
Lonking (LongGong)
Luneng
MANITOU
Mitsuber
New Holland
PENGPU
RM-Terex
SANY
SDLG
SEM
Shantui
Shehwa HBXG
Soosan
TIGARBO
VOGELE
Volvo
WAY
WIRTGEN
XCMG
XGMA
Xiamen
YTO
Yuchai
Zoomlion
Автокран
АЗСМ
Алтайлесмаш
Амкодор
АОМЗ
Атек
АТЗ
Балканкар Рекорд
БелАЗ
Беловеж
Борекс
Брянский Арсенал
Булат
ВЭКС
ГАЗ
Геомаш
Гидромаш
Донекс
Дормаш
Дормашина
Дорэлектромаш
ДЭЗ
ЕлАЗ
ЗЗГТ
Ижнефтемаш
Канаш-электрокар
КЗКТ
ККЗ
Клевер
Клинцовский автокрановый завод
КМЗ
КМЗ 1 Мая
Ковровец
Коммаш
Кранэкс
КЭЗ
КЭМЗ
ЛЗА
МАЗ
МЗИК
МЗКМ
МЗКТ
Михневский РМЗ
МоАЗ
Мозырский МЗ
МТЗ
ОЗП
Онежец
ПАО "ТЗА"
ППС Детва
Промтрактор
ПТЗ
Раскат
СпецАгрегат
ТВЭКС
ТТМ
УВЗ
Угличмаш
УЗТМ
ХТЗ
ЧЗКМ
ЧСДМ
ЧТЗ
ЭКСКО
ЭКСМАШ
ЮрМаш
Модель
Не выбрано
ЕК-270
МТП-71А
Схема
>
Не выбрано
Кабина
Кабина
Кабина
Кабина
Кабина
Кабина
Кабина
Оборудование кабины
Оборудование кабины
Оборудование кабины
Шкаф
Шкаф
Шкаф
Шкаф
Дверь
Каркас сиденья. Сиденье
Вешалка. Установка вентилятора. Установка плафона
Установка солнцезащитного козырька. Установка зеркала
Капоты
Капот дизеля
Крышка
Крышка
Платформа поворотная
Платформа поворотная
Платформа поворотная
Установка лестницы
Установка силовая
Установка силовая
Установка шкивов
Установка генератора
Установка силовая
Установка силовая
Система питания двигателя
Система питания двигателя
Система питания двигателя
Система питания двигателя
Система питания дизеля
Система питания дизеля
Система питания дизеля
Система питания дизеля
Установка глушителя
Установка радиаторов
Установка радиаторов
Установка шторки радиатора
Шторка в сборе
Установка подогревателя ПЖБ-300В
Установка подогревателя ПЖБ-300В
Установка подогревателя ПЖБ-300В
Установка подогревателя ПЖБ-300В
Установка подогревателя ПЖБ-300В
Установка подогревателя ПЖБ-300В
Установка подогревателя ПЖБ-300В
Установка муфты дизеля
Муфта
Механизм передвижения
Редуктор ходовой
Редуктор ходовой
Редуктор ходовой
Редуктор ходовой
Механизм передвижения
Редуктор ходовой
Редуктор ходовой
Редуктор ходовой
Редуктор ходовой
Привод
Рама
Ход гусеничный
Каток опорный
Каток поддерживающий
Устройство натяжное
Управление
Управление
Управление муфтой сцепления
Механизм управления двигателем
Механизм поворота
Механизм поворота
Механизм поворота
Шкаф с электромонтажом
Шкаф с электромонтажом
Шкаф с электромонтажом
Шкаф с электромонтажом
Шкаф с электромонтажом
Шкаф с электромонтажом
Шкаф с электромонтажом
Шкаф с электромонтажом
Электрооборудование с электромонтажом
Электрооборудование с электромонтажом
Электрооборудование с электромонтажом
Электрооборудование с электромонтажом
Электрооборудование с электромонтажом
Электрооборудование с электромонтажом
Электрооборудование с электромонтажом
Электрооборудование с электромонтажом
Электрооборудование с электромонтажом
Электрооборудование с электромонтажом
Электрооборудование с электромонтажом
Установка аккумулятора
Установка блока корректора
Установка блока САРН
Блок САРН
Установка щитка приборов
Установка щитка приборов
Установка щитка приборов
Установка щитка приборов
Установка приборов в нише с электромонтажом
Установка приборов в нише с электромонтажом
Щиток приборов подогревателя с электромонтажом
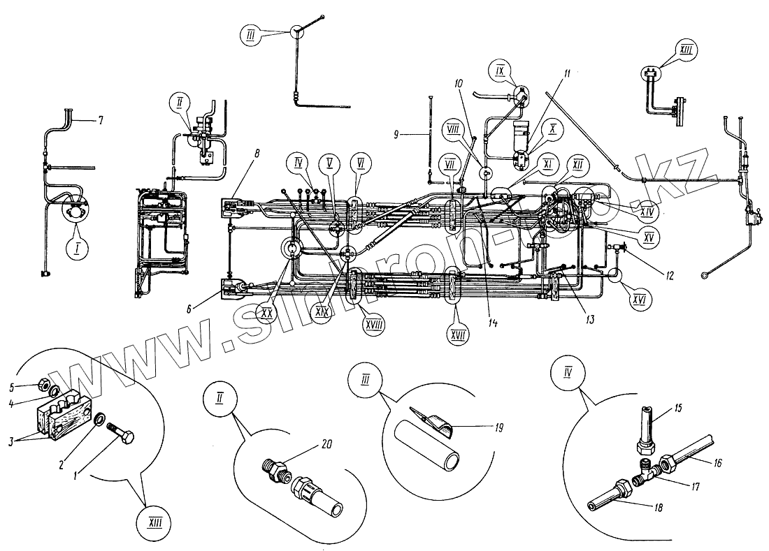
Гидросистема управления
Гидросистема управления
Гидросистема управления
Гидросистема управления
Гидросистема управления
Гидросистема управления
Гидросистема управления
Гидросистема управления
Гидросистема управления
Гидросистема управления
Кран
Колонка левая
Колонка правая
Золотник
Клапан
Гидросистема силовая
Гидросистема силовая
Гидросистема силовая
Гидросистема силовая
Гидросистема силовая
Гидросистема силовая
Гидросистема силовая
Гидросистема силовая
Установка фильтров линейных
Установка вентилятора с калорифером
Коллектор в сборе
Клапан обратный
Гидроразмыкатель
Гидроцилиндр
Гидроцилиндр ковша. Гидроцилиндр стрелы. Гидроцилиндр рукояти
Гидроразводка рабочего оборудования обратная лопата
Гидроразводка рабочего оборудования обратная лопата
Гидроразводка рабочего оборудования грейфер 2.8м3
Гидроразводка рабочего оборудования грейфер 2.8м3
Гидроразводка рабочего оборудования грейфер-захват
Гидроразводка рабочего оборудования грейфер-захват
Гидроразводка рабочего оборудования грейфер для пней
Гидроразводка рабочего оборудования грейфер для пней
Гидроразводка рабочего оборудования подвеска крюковая
Гидроразводка рабочего оборудования подвеска крюковая
Элементы соединений гидравлики рабочего оборудования
Элементы соединений гидравлики рабочего оборудования
Элементы соединений гидравлики рабочего оборудования
Элементы соединений гидравлики рабочего оборудования
Элементы соединений гидравлики рабочего оборудования
Установка масляного бака
Установка масляного бака
Установка масляного бака
Установка масляного бака
Установка масляного бака
Рабочее оборудование обратная лопата
Рабочее оборудование обратная лопата
Рабочее оборудование обратная лопата
Рабочее оборудование обратная лопата
Рабочее оборудование обратная лопата
Ковш обратной лопаты. Ковш профильный
Рабочее оборудование грейфер
Грейфер для пней
Грейфер-захват для древесины
Головка поворотная
Грейфер 2.8м3
Рабочее оборудование подвеска крюковая
Подвеска крюковая
Рабочее оборудование рыхлитель
Экскаватор торфяной одноковшовый универсальный гидравлический
Экскаватор без рабочего оборудования
1
2
3
4
5
6
7
8
9
10
11
12
13
14
15
16
17
18
19
20
Позиция на иллюстрации
Заводской номер детали
Название детали
МТП-71А.37.00.000
МТП-71А.37.00.000
Гидросистема управления
1
Болт М10х50 [7798]
Болт М10х50
2
Шайба 10 [11371]
Шайба 10
3
МТП-71.17.03.006
Колодка
4
Шайба 10.65Г [6402]
Шайба 10.65Г
5
Гайка М10 [5915]
Гайка М10
6
МТП-71.17.04.000
Колонка левая
7
МТП-71А.37.11.000
Трубопровод
8
МТП-71.17.04.000-01
Колонка правая
9
МТП-71А.37.12.000-48
Трубопровод
10
Рукав РВД21-1000У [22-4756]
Рукав РВД21-1000У
11
22-372664020.00.000
Пневмогидроаккумулятор с гидроклапанами
12
МТП-71А.37.16.000
Кран
13
МТП-71А.37.12.000-36
Трубопровод
14
МТП-71А.37.12.000-31
Трубопровод
15
МТП-71А.37.12.000-63
Трубопровод
16
МТП-71А.37.12.000-45
Трубопровод
17
МТП-71.17.00.015
Тройник
18
МТП-71А.37.12.000-16
Трубопровод
19
Н1-72
Скоба 1-10
20
4121.16.10.006
Штуцер
Содержащиеся в справочниках-каталогах запасные части и детали не предлагаются к продаже, а носят исключительно информационный характер
Дополнительная информация
×
Название:
Номер:
Примечание: