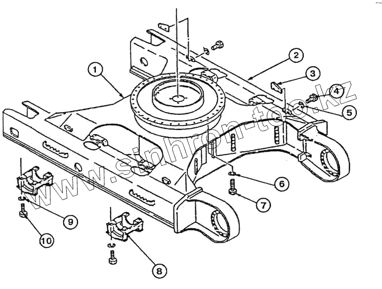
Каталог запасных частей к технике: Кранэкс ЕК-270. Рама гусеничного хода
1
2
3
4
5
6
7
8
9
10
| Позиция на иллюстрации | Заводской номер детали | Название детали | |
|---|---|---|---|
| 1 | ЕU-423.28.02.100 | Рама средняя | |
| 2 | ЕU-423.28.02.200 | Балка гусеничная | |
| 3 | ЕU-423.28.00.003 | Направляющая | |
| 4 | 7796М16-8g-60 | Болт | |
| 5 | 6402 16.65Г | Шайба | |
| 6 | 6402 24.65Г | Шайба | |
| 7 | 22353М24-8gх130 | Болт | |
| 8 | ЕU-423.28.07.000 | Ограничитель | |
| 9 | 6402 20.65Г | Шайба | |
| 10 | 7796М20-8gх60 | Болт |
Содержащиеся в справочниках-каталогах запасные части и детали не предлагаются к продаже, а носят исключительно информационный характер