Каталог запасных частей к технике: Кранэкс ЕК-270. Каток поддерживающий
1
2
3
4
5
6
7
7
8
9
10
11
12
13
14
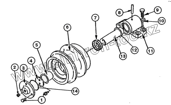
| Позиция на иллюстрации | Заводской номер детали | Название детали | |
|---|---|---|---|
| 1 | 7796 М12-8gх30 | Болт | |
| 2 | ЕU-423.28.05.001 | Пробка | |
| 3 | ЕU-423.28.11.002 | Крышка | |
| 4 | ЕU-423.28.11.001 | Шайба | |
| 5 | ЕU-423.28.11.102 | Втулка | |
| 6 | ЕU-423.28.11.110 | Каток | |
| 7 | ЕU-423.28.05.003 | Уплотнение: кольцо | |
| 7 | ЕU-423.28.05.002 | Уплотнение: кольцо | |
| 8 | 3128 16m6х80 | Штифт | |
| 9 | 7796 М16-8gх50 | Болт | |
| 10 | 6402 16.65Г | Шайба | |
| 11 | ЕU-423.28.11.201 | Опора | |
| 12 | 18829 055-060-30-2-3 | Кольцо | |
| 13 | ЕU-423.28.11.202 | Ось | |
| 14 | 18829 085-091-38-2-3 | Кольцо |
Содержащиеся в справочниках-каталогах запасные части и детали не предлагаются к продаже, а носят исключительно информационный характер