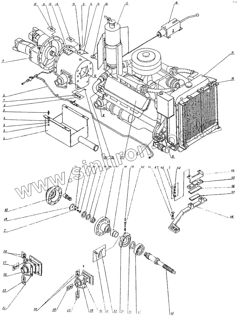
Каталог запасных частей к технике: Ковровец ЭО-4225А. Установка силовая с двигателем ЯМЗ-238ГМ2
1
2
3
3
4
4
5
6
7
7
7
8
9
10
11
12
13
13
14
15
16
17
18
19
20
21
22
23
23
24
25
25
26
27
27
28
28
29
30
31
32
33
34
35
36
37
38
39
40
41
42
43
44
45
46
47
48
49
50
51
52
53
54
55
56
57
| Позиция на иллюстрации | Заводской номер детали | Название детали | |
|---|---|---|---|
| 1 | 4225а.11.30.100 | Фальшподдон | |
| 2 | 5915.8 | Гайка | |
| 3 | 6402.8 | Шайба | |
| 4 | 11371.8 | Шайба | |
| 5 | 4225а.11.30.001 | Шпилька | |
| 6 | 7798.16х55 | Болт | |
| 7 | 6402.16 | Шайба | |
| 8 | 4225.11.37.000 | Система питания двигателя | |
| 9 | 22-1.20-89 | Агрегат насосный 333 .1.112.1 20.660 | |
| 10 | 5915.10 | Гайка | |
| 11 | 64.02.10 | Шайба | |
| 12 | 4225.11.58.009 | Корпус | |
| 13 | 7798.10х65 | Болт | |
| 14 | 7798.8х20 | Болт | |
| 15 | 4224.11.58011 | Крышка | |
| 16 | 4225а.11.39.000 | Управление частотой вращения и остановом двигателя | |
| 17 | 4225а.11.33.000 | Установка глушителя | |
| 18 | 4225.11.57.000 | Управление муфтой двигателя | |
| 19 | 4225а.11.32.000 | Установка радиаторов | |
| 20 | 4225.11.55.000 | Установка шторки радиаторов | |
| 21 | 4225а.11.31.000 | Установка насоса НШ 32а-3 | |
| 22 | 4225а.58.012 | Корпус сцепления | |
| 23 | 4121.11.00.154 | Штифт | |
| 24 | 4121.11.00.006 | Планка | |
| 25 | 7798.20х70 | Болт | |
| 26 | 4121.11.00.720 | Опора задняя | |
| 27 | 7798.20х40 | Болт | |
| 28 | 5915.20 | Гайка | |
| 29 | 4125.11.00.805 | Шайба | |
| 30 | 4125.11.00.801 | Полумуфта | |
| 31 | 4125.11.00.820 | Палец в сборе | |
| 32 | 7798.8х20 | Болт | |
| 33 | 7798.16х40 | Болт | |
| 34 | 4121.11.00.106 | Гайка | |
| 35 | 4121.11.00.107 | Шайба | |
| 36 | 4121.11.00.101 | Втулка | |
| 37 | 4121.11.00.410 | Полумуфта | |
| 38 | 4225.11.58.010 | Втулка | |
| 39 | 19853.01.3 | Масленка | |
| 40 | 4225.11.58.100 | Труба сварная | |
| 41 | 6402.20 | Шайба | |
| 42 | 1137.16 | Шайба | |
| 43 | 7798.16х65 | Болт | |
| 44 | 4225А.11.30.002 | Скоба | |
| 45 | 4225.11.50.003 | Хомут | |
| 46 | 4225.11.50.004 | Прокладка | |
| 47 | 4225.11.50.002 | Прокладка | |
| 48 | 4225.11.50.001 | Опора передняя | |
| 49 | 4225.11.58.004 | Вал | |
| 50 | 8338.412 | Подшипник | |
| 51 | 8752.1.2-70х95-1 | Манжета | |
| 52 | 4225А.11.35.001 | Крышка | |
| 53 | 4225.11.58.013 | Шайба стопорная | |
| 54 | 4225.11.50.005 | Планка | |
| 55 | 4225.11.50.100 | Опора средняя | |
| 56 | 7798.14х25 | Болт | |
| 57 | 238Г-1000400 | Двигатель ЯМЗ-238ГМ 2 с сцеплением |
Содержащиеся в справочниках-каталогах запасные части и детали не предлагаются к продаже, а носят исключительно информационный характер