Каталог запасных частей к технике: Ковровец ЭО-4124. Установка силовая
1
2
3
4
5
5
6
7
8
9
10
11
12
13
14
15
16
17
18
19
20
20
21
21
22
23
24
25
25
26
27
28
29
30
31
32
33
34
35
36
37
38
39
40
41
42
43
44
45
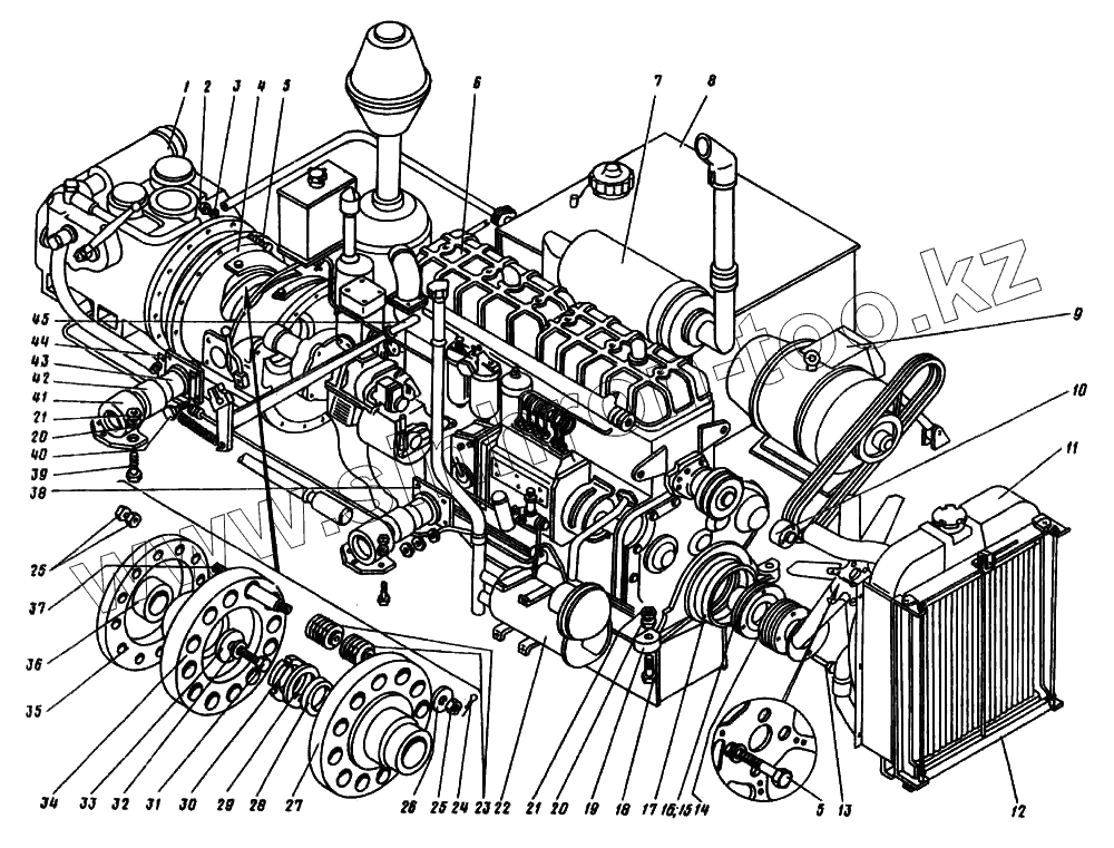
| Позиция на иллюстрации | Заводской номер детали | Название детали | |
|---|---|---|---|
| 1 | 223.25.01.00 | Насос сдвоенный с суммирующим регулятором мощности | |
| 2 | 5915.10 | Гайка | |
| 3 | 6402.10 | Шайба | |
| 4 | 4121.11.00.351 | Корпус муфты | |
| 5 | 7798.10x75 | Болт | |
| 6 | А-01М | Дизель | |
| 7 | 4121.11.07.000 | Установка глушителя | |
| 8 | 4121.11.01.006 | Система питания дизеля | |
| 9 | 4121Б.11.12.000 | Установка генератора | |
| 10 | 4121.11.00.002 | Вставка | |
| 11 | 4121А.11.13.000 | Установка радиаторов | |
| 12 | 4121.11.09.000 | Установка шторки радиатора | |
| 13 | 7798.3М16x75 | Болт | |
| 14 | 4121.11.00.452 | Шкив | |
| 15 | 4121.11.00.701 | Шкив коленчатого вала | |
| 16 | 4121.11.00.702 | Втулка | |
| 17 | 4121.11.00.007 | Кольцо | |
| 18 | 7798.20x110 | Болт | |
| 19 | 4121.11.00.001 | Опора передняя | |
| 20 | 5915.20 | Гайка | |
| 21 | 5916.20 | Гайка | |
| 22 | 4121Б.11.14.000 | Установка подогревателя | |
| 23 | 4121.11.00.405 | Втулка | |
| 24 | 397.3,2x20 | Шплинт | |
| 25 | 5916.12 | Гайка | |
| 26 | 4121.11.00.404 | Шайба | |
| 27 | 4121.11.00.410 | Полумуфта | |
| 28 | 4121.11.00.101 | Втулка | |
| 29 | 4121.11.00.107 | Шайба | |
| 30 | 4121.11.00.106 | Гайка | |
| 31 | 7798.3М16x40 | Болт | |
| 32 | 6402.16 | Шайба | |
| 33 | 4121.11.00.408 | Шайба | |
| 34 | 4121.11.00.409 | Полумуфта | |
| 35 | 4121.11.00.403 | Диск | |
| 36 | 4121.11.00.406 | Втулка | |
| 37 | 4121.11.00.407 | Палец | |
| 38 | 4121.11.00.600 | Кронштейн | |
| 39 | 7798.20x60 | Болт | |
| 40 | 7798.20x40 | Болт | |
| 41 | 4121.11.00.710 | Опора | |
| 42 | 4121.11.00.202 | Втулка | |
| 43 | 4121.11.00.250 | Кронштейн | |
| 44 | 4121.11.00.006 | Планка | |
| 45 | 4121.11.06.000 | Управление муфтой дизеля |
Содержащиеся в справочниках-каталогах запасные части и детали не предлагаются к продаже, а носят исключительно информационный характер