Каталог запасных частей к технике: Ковровец ЭО-4124. Установка радиаторов
1
2
2
2
3
3
3
4
5
6
7
8
9
10
11
12
13
14
14
15
16
17
18
19
20
21
22
23
24
25
26
27
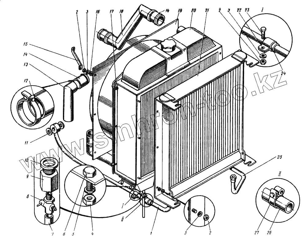
| Позиция на иллюстрации | Заводской номер детали | Название детали | |
|---|---|---|---|
| 1 | 4121А.1 1.61 Л00 | Трубопровод | |
| 2 | 5915.08 | Гайка | |
| 3 | 6402.08 | Шайба | |
| 4 | 5915.16 | Гайка | |
| 5 | 6402.16 | Шайба | |
| 6 | 7798.16x40 | Болт | |
| 7 | IIIТВ-40-230-14x0,7 | Трубка L=300 мм | |
| 8 | Кр-2 | Кран сливной в сборе (Кр-2) | |
| 9 | 4121.11.04.005 | Штуцер | |
| 10 | 4121.20.00.054 | Прокладка | |
| 11 | 32x22, 5x2 | Кольцо уплотнительное | |
| 12 | 4121.11.04.550 | Хомут | |
| 13 | 4121.11.04.200 | Труба | |
| 14 | 58-100-3 | Рукав-деталь | |
| 15 | 4121.11.04.010 | Стяжка | |
| 16 | 11371.08 | Шайба | |
| 17 | 7798.08x20 | Болт | |
| 18 | 4121А.11.04 | Труба сварная | |
| 19 | 4121.11.04.150 | Кожух вентилятора | |
| 20 | М04У.13.003-1 | Радиатор водяной | |
| 21 | 04У.08.003 | Радиатор масляный в сборе со стойками | |
| 22 | 4121.11.04.007 | Хомутик | |
| 23 | 7798.08x16 | Болт | |
| 24 | 4121.11.04.004 | Прокладка | |
| 25 | 4121.11.61.150 | Трубопровод | |
| 26 | 18x27,5-16 | Рукав L=100 мм | |
| 27 | 4121.20.19.000 | Хомут |
Содержащиеся в справочниках-каталогах запасные части и детали не предлагаются к продаже, а носят исключительно информационный характер