Вернуться на главную
Поиск
Каталоги запчастей к технике
Спецтехника
Ковровец
ЭО-4124
Установка генератора
Каталог запасных частей к технике: Ковровец ЭО-4124. Установка генератора
zoom-in
zoom-out
enlarge
shrink
circle-right
circle-left
file-text2
info
cart
Тип техники
Не выбрано
Легковые автомобили
Грузовые автомобили и прицепы
Автобусы
Сельхозтехника
Спецтехника
Двигатели
Мототехника
Марка
Не выбрано
Ammann
BOMAG
CARMIX
CASE IH
Changlin
ChengGong
Dimex
Doosan
DYNAPAC
Foton
HAMM
Hidromek
Hitachi
Hyundai
JCB
JLG
John Deere
Komatsu
LIEBHERR
LiuGong
Lonking (LongGong)
Luneng
MANITOU
Mitsuber
New Holland
PENGPU
RM-Terex
SANY
SDLG
SEM
Shantui
Shehwa HBXG
Soosan
TIGARBO
VOGELE
Volvo
WAY
WIRTGEN
XCMG
XGMA
Xiamen
YTO
Yuchai
Zoomlion
Автокран
АЗСМ
Алтайлесмаш
Амкодор
АОМЗ
Атек
АТЗ
Балканкар Рекорд
БелАЗ
Беловеж
Борекс
Брянский Арсенал
Булат
ВЭКС
ГАЗ
Геомаш
Гидромаш
Донекс
Дормаш
Дормашина
Дорэлектромаш
ДЭЗ
ЕлАЗ
ЗЗГТ
Ижнефтемаш
Канаш-электрокар
КЗКТ
ККЗ
Клевер
Клинцовский автокрановый завод
КМЗ
КМЗ 1 Мая
Ковровец
Коммаш
Кранэкс
КЭЗ
КЭМЗ
ЛЗА
МАЗ
МЗИК
МЗКМ
МЗКТ
Михневский РМЗ
МоАЗ
Мозырский МЗ
МТЗ
ОЗП
Онежец
ПАО "ТЗА"
ППС Детва
Промтрактор
ПТЗ
Раскат
СпецАгрегат
ТВЭКС
ТТМ
УВЗ
Угличмаш
УЗТМ
ХТЗ
ЧЗКМ
ЧСДМ
ЧТЗ
ЭКСКО
ЭКСМАШ
ЮрМаш
Модель
Не выбрано
Э-652Б (2000)
ЭО-4124 (2009)
ЭО-4124А (2008)
ЭО-4225А
Схема
>
Не выбрано
Кабина
Кабина
Оборудование кабины
Щиток приборов
Установка электропечи и вентилятора
Установка вентилятора с калорифером
Установка фильтров линейных
Шкаф
Капоты
Экскаватор без рабочего оборудования
Опора поворотная роликовая
Установка контргруза
Установка силовая
Установка подогревателя
Система питания дизеля
Насос ручной поршневой РО, 8-30-01
Управление муфтой дизеля
Установка глушителя
Установка шторки радиатора
Установка радиаторов
Механизм поворота
Механизм поворота
Платформа поворотная
Платформа поворотная
Тележка
Тележка
Колесо натяжное в сборе
Гидроцилиндр
Лента гусеничная
Гидроразводка тележки
Коллектор центральный
Каток
Редуктор ходового механизма
Рама
Рама
Механизм натяжения
Каток опорный
Гусеница
Гидроразводка тележки
Коллектор центральный
Блок клапанов
Управление экскаватором
Механизм управления двигателем
Колонка левая
Колонка правая
Управление поворотом
Управление ходом
Переходник
Управление с муфтой насоса НШ-46
Гидросистема экскаватора
Гидросистема экскаватора
Гидросистема экскаватора
Гидросистема экскаватора
Установка масляного бака
Клапан-сапун
Установка генератора
Электрооборудование
Щиток приборов подогревателя
Щиток контрольных приборов
Датчик уровня рабочей жидкости
Установка приборов в правой нише
Установка приборов в левой нише
Гидроразводка стрелы
Гидроразводка рабочего оборудования обратная лопата
Гидроразводка рабочего оборудования обратная лопата
Гидроразводка рабочего оборудования грейфер
Гидроцилиндр
Гидроразводка рабочего оборудования прямая лопата
Гидроразводка рабочего оборудования гидромолот
Гидроцилиндры рукояти, стрелы, ковша
Гидрораспределитель трехсекционный
Гидрораспределитель четырехсекционный
Цилиндр рабочий
Экскаватор с рабочим оборудованием грейфер
Стрела
Стрела
Гидроцилиндр грейфера
Грейфер
Головка поворотная
Установка удлинителя грейфера
Рукоять
Экскаватор с рабочим оборудованием обратная лопата
Экскаватор с рабочим оборудованием обратная лопата с моноблочной стрелой
Экскаватор с рабочим оборудованием прямая лопата
Установка удлиненной рукояти рабочего оборудования обратная лопата
Рукоять
Ковш прямой лопаты 1 м3
Ковш обратной лопаты 0,65 м3
Ковш обратной лопаты 0,3 м3
Ковш обратной лопаты 1 м3
Ковш обратной лопаты 1,25 м3
Ковш профильный 0,8 м3
Ковш зачистной 1 м3
Рыхлитель
Экскаватор с рабочим оборудованием гидромолот
Гидромолот
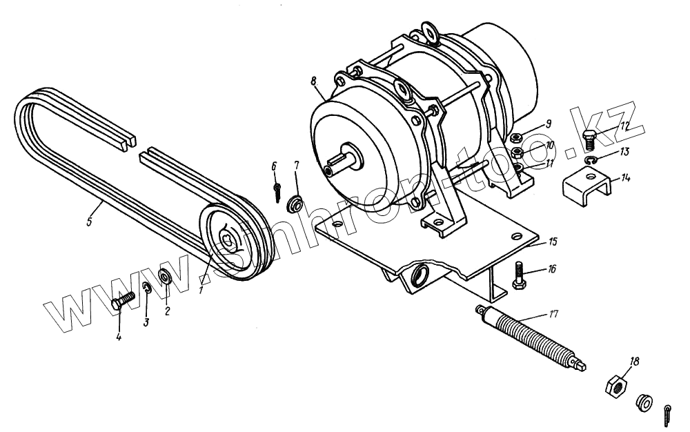
1
2
3
4
5
6
7
8
9
10
11
12
13
14
15
16
17
18
Позиция на иллюстрации
Заводской номер детали
Название детали
1
4121Б.11.12.004
Шкив
2
4121Б .11.12.005
Шайба
3
6402.10
Шайба
4
7798.10x40
Болт
5
1284-Б-1900Т
Ремень
6
379.05x45
Шплинт
7
4121Б.11.12.002
Втулка
8
ОС-51-У2
Генератор
9
5915.16
Гайка
10
5916.16
Гайка
11
11371.16
Шайба
12
7798.16x30
Болт
13
6402.16
Шайба
14
4121Б.11.12.002
Втулка
15
14121Б.11.12.100
Основание
16
7798.16x55
Болт
17
4121Б.11.12.001
Вал
18
4121Б.11.12.006
Гайка
Содержащиеся в справочниках-каталогах запасные части и детали не предлагаются к продаже, а носят исключительно информационный характер
Дополнительная информация
×
Название:
Номер:
Примечание: