Каталог запасных частей к технике: Ковровец ЭО-4124. Система питания дизеля
1
2
2
3
3
4
5
6
7
7
8
8
9
10
11
12
13
14
15
16
17
18
19
20
21
22
23
24
25
25
26
27
28
29
30
31
32
33
34
35
36
37
38
39
40
41
42
43
44
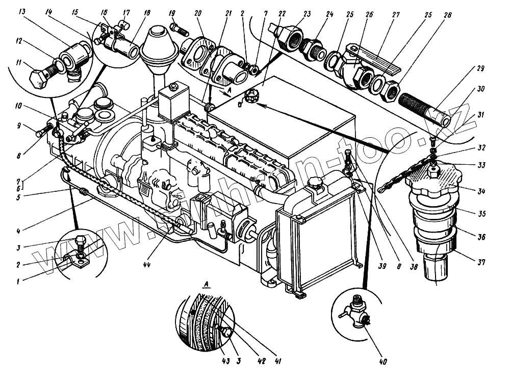
| Позиция на иллюстрации | Заводской номер детали | Название детали | |
|---|---|---|---|
| 1 | 4121.11.01.015 | Скоба | |
| 2 | 6402.08 | Шайба | |
| 3 | 7798.08x16 | Болт | |
| 4 | 4121.11.01.400 | Труба сварная | |
| 5 | 4121.11.01.450 | Труба сварная | |
| 6 | 4121.11.01.023 | Скоба | |
| 7 | 5915.08 | Гайка | |
| 8 | 6402.16 | Шайба | |
| 9 | 7798.16x75 | Болт | |
| 10 | PO, 8-30-01 | Насос ручной поршневой | |
| 11 | 4121.11.01.005 | Болт | |
| 12 | 034-040-36-2-2 | Кольцо | |
| 13 | 4121.11.01.021 | Угольник | |
| 14 | 4121.11.01.904 | Болт | |
| 15 | 4121.11.01.903 | Шайба | |
| 16 | 4121.11.01.902 | Скоба | |
| 17 | 4121,11.01.901 | Гайка | |
| 18 | Б(1)-6,3-25-56-У | Рукав L=110 мм | |
| 19 | 7798.08x30 | Болт | |
| 20 | 4121.11.03.001 | Прокладка | |
| 21 | 4121.11.01.950 | Труба | |
| 22 | 4121.11.01.250 | Бак | |
| 23 | 4121.11.01.990 | Труба в сборе | |
| 24 | 4121.11.01.024 | Штуцер переходный | |
| 25 | 4121.11.01.025 | Прокладка | |
| 26 | 1540 | Кран муфтовый | |
| 27 | 4121.11.01.013 | Ручка крана | |
| 28 | 8968.15 | Контргайка | |
| 29 | 4121А.11.01.256 | Труба | |
| 30 | 17473.04x16 | Винт | |
| 31 | 11371.04 | Шайба | |
| 32 | 4121А.11.64.200 | Цепочка | |
| 33 | 4121.22.00.008 | Гайка | |
| 34 | 4121А.11.64.001 | Крышка | |
| 35 | 4121А11.64.002 | Прокладка | |
| 36 | 4121А.11.64.003 | Труба | |
| 37 | 4121А.1164.150 | Фильтр | |
| 38 | 7798.16х30 | Болт | |
| 39 | 11371.16 | Шайба | |
| 40 | 51.130.5010 | Кран сливной в сборе (Кр-2) | |
| 41 | 140x120.6 | Манжета | |
| 42 | 4121.11.01.014 | Стекло | |
| 43 | 4121.11.01.017 | Кольцо люка | |
| 44 | 4121.11.01.960 | Шланг заправочный |
Содержащиеся в справочниках-каталогах запасные части и детали не предлагаются к продаже, а носят исключительно информационный характер