Каталог запасных частей к технике: Ковровец ЭО-4124. Грейфер
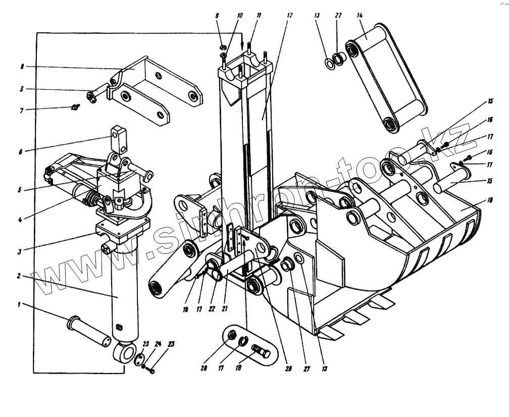
1
2
3
4
5
5
6
7
8
9
10
11
12
13
13
14
15
15
16
16
16
17
17
17
17
18
18
18
19
20
21
22
23
24
25
26
27
27
| Позиция на иллюстрации | Заводской номер детали | Название детали | |
|---|---|---|---|
| 1 | 4121А.35.40.001 | Палец | |
| 2 | 4121А.35.01.000 | Гидроцилиндр | |
| 3 | 4121А.35.41.200 | Опора | |
| 4 | 4121А.35.43.000 | Головка поворотная | |
| 5 | 4121.35.07.000 | Палец | |
| 6 | 4121.35.00.001 | Серьга | |
| 7 | 19853.01.3 | Масленка | |
| 8 | 4121.35.08.000 | Подвеска | |
| 9 | 5916.30 | Гайка | |
| 10 | 5915.30 | Гайка | |
| 11 | 7798.30x220 | Болт | |
| 12 | 4121А.35.41.000 | Рама | |
| 13 | 070-080-58-2-2 | Кольцо | |
| 14 | 4121.02.03.000 | Тяга | |
| 15 | 4121А.35.40.150 | Ось | |
| 16 | 7798.20x40 | Болт | |
| 17 | 6402.20 | Шайба | |
| 18 | 4121А.45.44.000 | Челюсть (ковш 0,8м3) | |
| 18 | 4121А.35.45.000 | Челюсть (ковш 0,5 м3) | |
| 18 | 4121А.35.46.000 | Челюсть (ковш 1м3) | |
| 19 | 7798,20x75 | Болт | |
| 20 | 5915.20 | Гайка | |
| 21 | 4121А.35.40.100 | Ось | |
| 22 | 4121А.35.40.002 | Прокладка | |
| 23 | 7798.16x40 | Болт | |
| 24 | 6402.16 | Шайба | |
| 25 | 2.45.110 | Шайба упорная | |
| 26 | 4121А.35.42.000 | Ползун | |
| 27 | 4121.02.03.002 | Втулка |
Содержащиеся в справочниках-каталогах запасные части и детали не предлагаются к продаже, а носят исключительно информационный характер