Каталог запасных частей к технике: Ковровец ЭО-4124. Гидросистема экскаватора
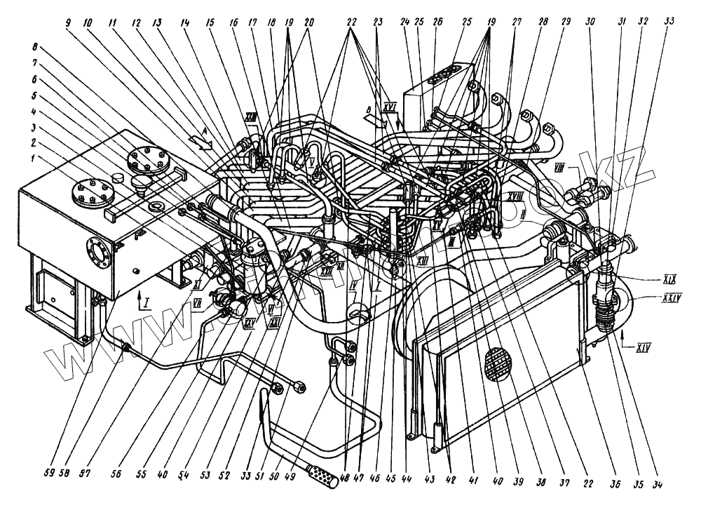
1
2
3
4
5
6
7
8
9
10
11
12
13
14
15
16
17
18
19
19
20
22
22
23
24
25
25
26
27
28
29
30
31
32
33
33
34
35
36
37
38
39
40
40
41
42
43
44
45
46
47
48
49
50
51
52
53
54
55
56
57
58
59
| Позиция на иллюстрации | Заводской номер детали | Название детали | |
|---|---|---|---|
| 1 | 4121.20.66.000 | Труба сварная | |
| 2 | 4121.20.78.000 | Труба сварная | |
| 3 | 1.1.32-25 | Фильтр заправочный | |
| 4 | 4121.20.80.000 | Труба сварная | |
| 5 | 4121.20.67.000 | Труба сварная | |
| 6 | 4121.20.79.000 | Труба сварная | |
| 7 | 4121A.20.77.100 | Труба сварная | |
| 8 | 4121A.20.42.250 | Труба сварная | |
| 9 | 4121A.20.31.200 | Труба сварная | |
| 10 | 4121A.20.29.200 | Труба сварная | |
| 11 | 4121A.20.32.200 | Труба сварная | |
| 12 | 4121A.20.30.200 | Труба сварная | |
| 13 | 4121A.20.28.100 | Труба сварная | |
| 14 | 4121A.20.27.100 | Труба сварная | |
| 15 | 4121А.20.17.100 | Труба сварная | |
| 16 | 4121A.20.16.100 | Труба сварная | |
| 17 | 4121A.20.12.100 | Труба сварная | |
| 18 | 4121A.20.13.100 | Труба сварная | |
| 19 | РВД 25-650 | Рукав | |
| 20 | 4121.20.95.000 | Клапан предохранительный | |
| 22 | 4121.20.90.000 | Клапан обратный | |
| 23 | 4121А.20.15.100 | Труба сварная | |
| 24 | 4121A.20.05.000 | Щиток приборов | |
| 25 | 4121.20.63.000 | Труба сварная | |
| 26 | 4121A.20.72.000 | Труба сварная | |
| 27 | РВД 12х750У | Рукав | |
| 28 | РВД 12х1050У | Рукав | |
| 29 | 4121.20.70.100 | Труба сварная | |
| 30 | 42-56,5-15 | Рукав L=210 мм | |
| 31 | 4121.20.99.000 | Клапан предохранительный | |
| 32 | 4121A.20.40.500 | Установка фильтров линейных | |
| 33 | 42-56,5-15 | Рукав L=210 мм | |
| 34 | 4121.11.04.550 | Хомут | |
| 35 | 4121.26.00.040 | Пружина | |
| 36 | 4121.20.23.000 | Установка вентилятора с калориферов | |
| 37 | 4121.20.49.000 | Труба сварная | |
| 38 | 4121.20.20.000 | Угольник | |
| 39 | 4121.20.1 | Хомут | |
| 40 | 18x27,5-16 | Рукав L=100 мм | |
| 41 | 18x27,546 | Рукав L=1000 мм | |
| 42 | 18x27,5-16 | Рукав L=100 мм | |
| 43 | 18x27,5-16 | Рукав L=100 мм | |
| 44 | 18x27,5-16 | Рукав L=100 мм | |
| 45 | 4121Б.19.41350 | Труба сварная | |
| 46 | 4121.20.18.000 | Коллектор | |
| 47 | 18x27,5-16 | Рукав L=100 мм | |
| 48 | 18x27,5-16 | Рукав L=100 мм | |
| 49 | 4121А.20.44.000 | Труба сварная | |
| 50 | 4121А.20.93.200 | Шланг гибкий в сборе | |
| 51 | 4121.20.97.000 | Труба сварная | |
| 52 | 4121.11.03.500 | Хомут | |
| 53 | 4121А.20.34.100 | Труба сварная | |
| 54 | 4124.19.14.000 | Труба сварная | |
| 55 | Г54-32Н | Золотник напорный | |
| 56 | 4121.20.62.100 | Труба сварная | |
| 57 | 4121А.25.00.000 | Гидрораспределитель 4-секционный | |
| 58 | 4121.20.03.400 | Хомутик в сборе | |
| 59 | 4121Б.19.03.000 | Установка масляного бака | |
| 60 | 4121А.24.00.000 | Гидрораспределитель 3-секционный | |
| 61 | 4121А.20.87.100 | Фланец сварной | |
| 62 | 4121A.20.37.000 | Кран | |
| 63 | 4121A.20.69.200 | Труба сварная | |
| 64 | 4121A.20.06.200 | Угольник | |
| 65 | 4121A.20.02.200 | Угольник | |
| 66 | 531.20.00.000 | Гидроклапан обратный | |
| 67 | 4124.19.20.000 | Стояк | |
| 68 | 4121A.20.09.000 | Труба сварная | |
| 69 | 4121A.20.24.000 | Труба сварная | |
| 70 | 17473.08x16 | Винт | |
| 71 | 6402-08 | Шайба | |
| 72 | 4121.11.04.007 | Хомутик | |
| 73 | 4121.20.00.031 | Муфта | |
| 74 | 7798.12x25 | Болт | |
| 75 | 6402.12 | Шайба | |
| 76 | 42x56,5-15 | Рукав L=100 мм | |
| 77 | 060-0,65-30-2-2 | Кольцо | |
| 78 | 016-020-25-2-2 | Кольцо | |
| 79 | 4121.16.14.005 | Штуцер | |
| 80 | 4121A.20.00.067 | Скоба | |
| 81 | 11371.12 | Шайба | |
| 82 | 7798-12x35 | Болт | |
| 83 | 4121.20.00.019 | Гайка накидная | |
| 84 | 4121.20.00.018 | Заглушка | |
| 85 | 034-040-36-2-2 | Кольцо | |
| 86 | 7798.12x75 | Болт | |
| 87 | 4121A.20.00.072 | Планка | |
| 88 | 4121А.20.00.071 | Скоба | |
| 89 | 7798.08x20 | Болт | |
| 90 | 4121А.20.00.059 | Шпилька | |
| 91 | 5915.16 | Гайка | |
| 92 | 4121А.01.15.002 | Скоба | |
| 93 | 7798.16x55 | Болт | |
| 94 | 11371.16 | Шайба | |
| 95 | 4124.19.00.002 | Штуцер | |
| 96 | 040-045-30-2-2 | Кольцо | |
| 97 | 5915.20 | Гайка | |
| 98 | 6402.20 | Шайба | |
| 99 | 7798.20x40 | Болт | |
| 100 | 4121.20.00.030 | Скоба | |
| 101 | 4121.20.00.034 | Штуцер | |
| 102 | 20-10 | Кран муфтовый | |
| 103 | 4121.20.00.054 | Прокладка | |
| 104 | 51.130.5010 | Кран сливной в сборе (Кр-2) | |
| 105 | 4121.20.90.001 | Корпус | |
| 106 | Г51-24-28 | Клапан | |
| 107 | Г51-24-34А | Пружина | |
| 108 | 030-035-30-2-2 | Кольцо | |
| 109 | 4121.20.90.002 | Штуцер | |
| 110 | 4121A.20.68.200 | Труба сварная | |
| 111 | 4121.20.04.003 | Тройник | |
| 112 | 4121А.20.00.069 | Полоса | |
| 113 | 4121А.20.00.068 | Колодка | |
| 114 | 5915.12 | Гайка | |
| 115 | 779812x55 | Болт | |
| 116 | 4121.20.10.000 | Угольник | |
| 117 | 7798.10x35 | Болт | |
| 118 | 4121.19.00.024 | Прокладка | |
| 119 | 6402.10 | Шайба | |
| 120 | 5915.10 | Гайка | |
| 121 | В42 | Кольцо | |
| 122 | Н2-50x42-2 | Кольцо | |
| 123 | 4121.20.02.001 | Штуцер | |
| 124 | 4121А.20.02.250 | Труба сварная | |
| 125 | 50x42 | Кольцо защитное | |
| 126 | 4121.20.21.000 | Штуцер | |
| 127 | 4121.20.95.001 | Корпус | |
| 128 | 4121.20.00.013 | Штуцер | |
| 129 | 520.12.10.01.2428 | Втулка | |
| 130 | 520.12.10.01.8526 | Золотник | |
| 131 | 520.12.10.01.85 27 | Тарелка | |
| 132 | 520.12.10.01.2431 | Пружина | |
| 133 | У-32х0-4 | Кольцо | |
| 134 | 520.12.10.01.2426 | Стакан пружины | |
| 135 | 520.12.10.01.6694 | Пробка | |
| 136 | 84050 | Кольцо | |
| 137 | 521.20.58.652 | Пробка | |
| 138 | 4121.20.99.001 | Крышка | |
| 139 | 5915.08 | Гайка | |
| 140 | 4121.20.99.002 | Клапан | |
| 142 | У-60х55-2 | Кольцо | |
| 142 | 4121.2059.004 | Пружина | |
| 143 | 4121.20.99.003 | Корпус | |
| 144 | 7798.08x30 | Болт | |
| 145 | 4121.20.00.015 | Штуцер | |
| 146 | Корпус | Корпус | |
| 147 | Золотник | Золотник | |
| 148 | Шайба нажимная | Шайба нажимная | |
| 149 | Пружина | Пружина | |
| 150 | Поршень | Поршень | |
| 151 | Кольцо резиновое | Кольцо резиновое | |
| 152 | Кольцо | Кольцо | |
| 153 | Колпачок | Колпачок | |
| 154 | 5915.06 | Гайка | |
| 155 | Винт регулировочный | Винт регулировочный | |
| 156 | Пробка | Пробка | |
| 157 | Кольцо | Кольцо | |
| 158 | Пробка | Пробка | |
| 159 | Пробка | Пробка | |
| 160 | Пробка | Пробка | |
| 161 | Корпус | Корпус | |
| 162 | 51032.00.004 | Кольцо защитное | |
| 163 | 028-032-25-2-3 | Кольцо | |
| 164 | 510.32.10.001 | Втулка клапана | |
| 165 | 510.32.00.002 | Клапан | |
| 166 | 636.00.01.009 | Пружина | |
| 167 | Втулка | Втулка | |
| 168 | Кольцо упорное | Кольцо упорное |
Содержащиеся в справочниках-каталогах запасные части и детали не предлагаются к продаже, а носят исключительно информационный характер