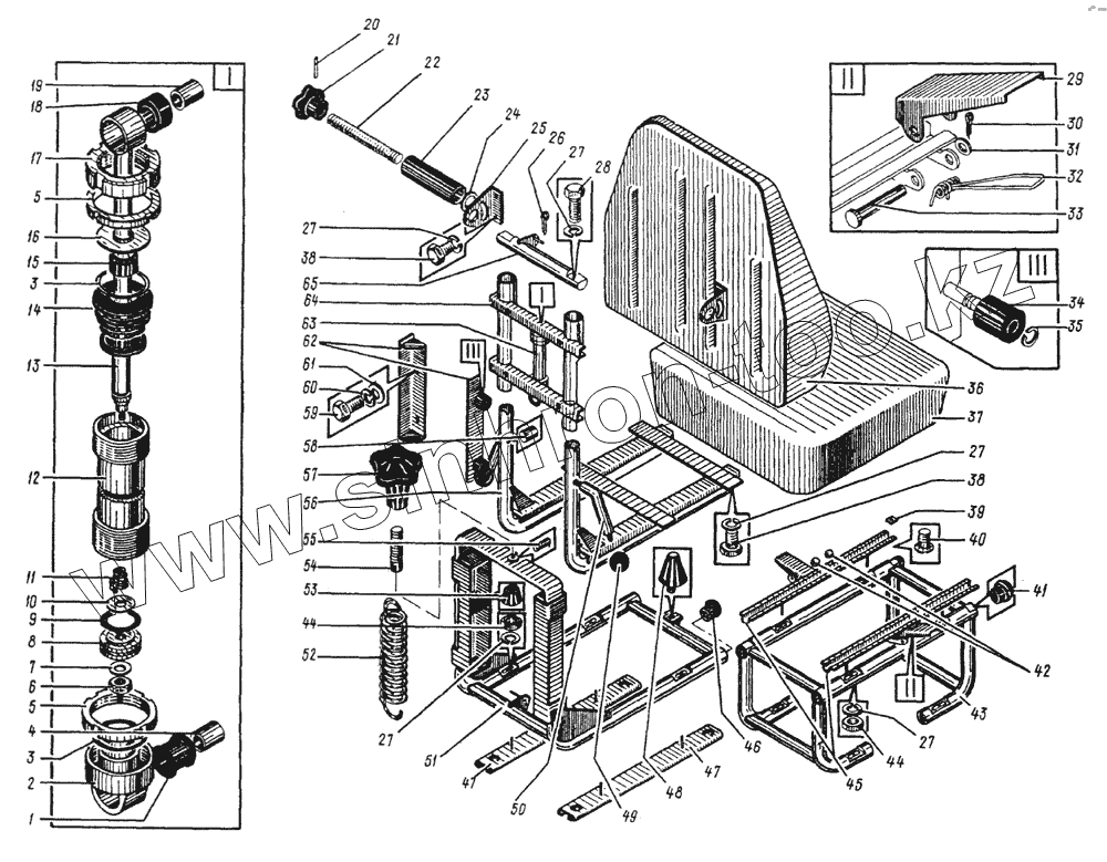
Каталог запасных частей к технике: Ковровец Э-652Б. У7920.01.00.000 Сиденье машиниста
1
2
3
3
4
5
5
6
7
8
9
10
11
12
13
14
15
16
17
18
19
20
21
22
23
24
25
26
27
27
27
27
27
28
29
30
31
32
33
34
35
36
37
38
38
39
40
41
42
43
44
44
45
46
47
47
48
49
50
51
52
53
54
55
56
57
58
59
60
61
62
63
64
65
| Позиция на иллюстрации | Заводской номер детали | Название детали | |
|---|---|---|---|
| 1 | У7920.01.09.033 | Втулка цилиндра | |
| 2 | У7920.01.09.075 | Гайка накидная | |
| 3 | КРУ-Н1-32 | Кольцо | |
| 4 | У7920.01.09.082 | Втулка | |
| 5 | 77920.01.09.077 | Гайка | |
| 6 | ГШН-М5 | Гайка | |
| 7 | ШЧ-5 | Шайба | |
| 8 | 77920.01.09.072 | Поршень | |
| 9 | 77920.01.09.084 | Кольцо поршня | |
| 10 | 77920.01.09.073 | Шайба | |
| 11 | 77920.01.09.074 | Пружина | |
| 12 | 77920.01.09.071 | Цилиндр | |
| 13 | 77920.01.09.010 | Шток | |
| 14 | 77920.01.09.076 | Втулка | |
| 15 | 77920.01.09.065 | Сальник | |
| 16 | 77920.01.09.036 | Шайба | |
| 17 | 77920.01.09.078 | Гайка накидная | |
| 18 | 77920.01.09.079 | Втулка | |
| 19 | 77920.01.09.031 | Втулка | |
| 20 | ШТЦ-4Пр2(2а)х32 | Штифт | |
| 21 | П-65 | Кнопка | |
| 22 | У7920.01.00.017 | Стержень | |
| 23 | У7920.01.00.002 | Втулка упорная | |
| 24 | ШЧ-12 | Шайба | |
| 25 | У7920.01.00.003 | Кронштейн | |
| 26 | Ш-2х20 | Шплинт | |
| 27 | ШП-8 | Шайба | |
| 28 | БНТ-М8х30 | Болт | |
| 29 | У7920.01.00.009 | Фиксатор | |
| 30 | Ш-1,6х10 | Шплинт | |
| 31 | ШЧ-6 | Шайба | |
| 32 | У7920.01.00.007 | Пружина стопора | |
| 33 | У7920.01.00.018 | Ось | |
| 34 | У7920.01.00.004 | Ролик | |
| 35 | 470-61 | Кольцо запорное | |
| 36 | У7920.01.10.000 | Спинка | |
| 37 | У7920.01.11.000 | Сиденье | |
| 38 | БНТ-М8х16 | Болт | |
| 39 | У7920.01.00.006 | Планка | |
| 40 | ВПТ-2М5х12 | Винт | |
| 41 | У7920.01.00.016 | Заглушка | |
| 42 | 10У-14 | Шарик | |
| 43 | У7920.01.01.000 | Основание | |
| 44 | ГШН-М8 | Гайка | |
| 45 | У7920.01.06.000 | Направляющая нижняя | |
| 46 | У7920.01.00.013 | Заглушка | |
| 47 | У7920.01.04.000 | Направляющая верхняя | |
| 48 | У7920.01.00.001 | Упор | |
| 49 | ПП-22 | Ручка | |
| 50 | У7920.01.00.005 | Ручка | |
| 51 | У7920.01.02.000 | Рама | |
| 52 | У7920.01.00.014 | Пружина | |
| 53 | У7920.01.00.015 | Упор | |
| 54 | У7920.01.00.012 | Тяга | |
| 55 | ШТЦ-4Пр2ах28 | Штифт | |
| 56 | У7920.01.05.000 | Рама подвижная | |
| 57 | У7920.01.12.000 | Ручка пружины | |
| 58 | У7920.01.00.011 | Винт | |
| 59 | БНТ-М10х22 | Болт | |
| 60 | ШЧ-10 | Шайба | |
| 61 | ШП-10 | Шайба | |
| 62 | У7920.01.08.000 | Кронштейн ролика | |
| 63 | У7920.01.09.000 | Амортизатор | |
| 64 | У7920.01.03.000 | Опора подвесная | |
| 65 | У7920.01.07.000 | Труба опорная |
Содержащиеся в справочниках-каталогах запасные части и детали не предлагаются к продаже, а носят исключительно информационный характер