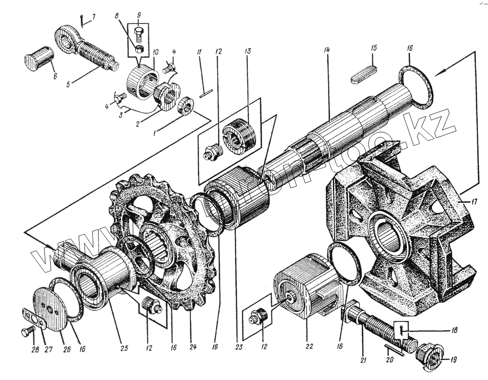
Каталог запасных частей к технике: Ковровец Э-652Б. 652В.21.08.000 Колесо ведущее
1
2
3
4
4
5
6
7
8
9
10
11
12
12
12
13
14
15
16
16
16
16
16
17
18
19
20
21
22
23
24
25
26
27
28
| Позиция на иллюстрации | Заводской номер детали | Название детали | |
|---|---|---|---|
| 1 | 652Б.321.00.9 | Кольцо | |
| 2 | 652Б.321.00.7 | Гайка | |
| 3 | ПЖ-1 | Проволока L=1 м | |
| 4 | БНТ-3М16х20 | Болт | |
| 5 | 652B.21.08.001 | Винт | |
| 6 | 22-50х4х90 | Ось | |
| 7 | Ш-8х71 | Шплинт | |
| 8 | ГШ-М12 | Гайка | |
| 9 | ВУЦ-М12х30 | Винт | |
| 10 | 652Б.321.00.8 | Втулка | |
| 11 | ШТЦ-13С3х55 | Штифт | |
| 12 | ТШ-1.3 | Масленка | |
| 13 | 652Б.321.00.10 | Переходник | |
| 14 | 652Б.321.00.1 | Вал | |
| 15 | 652B.321.00.11 | Шпонка | |
| 16 | 107.112.11 | Кольцо уплотнительное | |
| 17 | 652A.112.01 | Колесо ведущее с наплавкой | |
| 18 | Ш-2,5х16 | Шплинт | |
| 19 | 652B.21.05.003 | Гайка | |
| 20 | 652В.21.05.002 | Стопор | |
| 21 | 652B.21.05.001 | Винт натяжной | |
| 22 | 652B.21.05.200 | Подшипник | |
| 23 | 652B.21.08.400 | Подшипник | |
| 24 | 652Б.321.00.2 | Звездочка | |
| 25 | 652B.21.03.200 | Подшипник | |
| 26 | 652B.21.08.007 | Крышка | |
| 27 | 652.112.00.15 | Пластинка замковая | |
| 28 | БНТ-М12х30 | Болт |
Содержащиеся в справочниках-каталогах запасные части и детали не предлагаются к продаже, а носят исключительно информационный характер