Каталог запасных частей к технике: Ковровец Э-652Б. 652Б.970 Механизм поворота
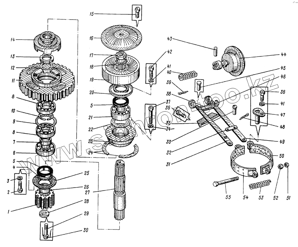
1
2
3
4
5
5
6
7
8
8
9
10
11
12
13
14
15
16
17
18
19
20
21
22
23
24
25
26
27
28
29
30
31
32
33
34
35
36
36
37
38
39
40
41
41
42
43
44
45
46
47
48
49
50
51
52
53
54
55
| Позиция на иллюстрации | Заводской номер детали | Название детали | |
|---|---|---|---|
| 1 | 652Б.970.00.4 | Шестерня | |
| 2 | БHT-M12x30 | Болт | |
| 3 | ШП-13Т | Шайба | |
| 4 | 17-79-55 | Шнур асбестовый d5 L = 785 мм | |
| 5 | АРМ-1.2-120x150-1 | Манжета | |
| 6 | 3522 | Подшипник | |
| 7 | 652Б.970.00.2 | Втулка распорная | |
| 8 | 222 | Подшипник | |
| 9 | КВЭ-В200 | Кольцо | |
| 10 | 652.060.00.8 | Кольцо дистанционное | |
| 11 | 652Б.970.02 | Шестерня с кольцом | |
| 12 | ШСМЛ-105 | Шайба | |
| 13 | ГКШ-М105х2 | Гайка | |
| 14 | 652.072.00.4 | Муфта кулачковая | |
| 15 | БНТ-М8х20 | Болт | |
| 16 | 505А.060.00.2 | Крышка | |
| 17 | 652Б.970.00.3 | Гайка | |
| 18 | ШСМЛ-80 | Шайба | |
| 19 | 505А.061.00.17 | Шкив тормозной | |
| 20 | 652.060.00.30 | Крышка верхняя | |
| 21 | 3618 | Подшипник | |
| 22 | 505A.060.00.15 | Крышка подшипника | |
| 23 | 505А.060.00.23 | Обойма подшипника | |
| 24 | 505A.060.00.12 | Полукольцо | |
| 25 | 652Б.770.00.2 | Крышка нижняя | |
| 26 | 652Б.770.00.8 | Втулка | |
| 27 | 652Б.970.00.1 | Вал | |
| 28 | 28-67-003 | Шайба упорная | |
| 29 | БНТ-3М12х40 | Болт | |
| 30 | ПЖ-1,6 | Проволока L=1,1 м | |
| 31 | 652.061.03 | Рычаг сварной | |
| 32 | 652.061.00.8 | Планка | |
| 33 | 22-20X4x45 | Ось | |
| 34 | ШП-12 | Шайба | |
| 35 | 652.061.00.10 | Опора | |
| 36 | БНТ-М10х20 | Болт | |
| 37 | БНТ-М12х55 | Болт | |
| 38 | 652.061.10 | Тяга сварная | |
| 39 | Ш-4х25 | Шплинт | |
| 40 | 652.061.00.2 | Пружина | |
| 41 | ШП-10 | Шайба | |
| 42 | БНТ-М10х30 | Болт | |
| 43 | 652.061.00.5 | Палец | |
| 44 | MA3-200-3519010-B | Камера тормозная | |
| 45 | 22-12X4x36 | Ось | |
| 46 | ШЧ-12 | Шайба | |
| 47 | 652.061.04 | Палец сварной | |
| 48 | Ш-4х40 | Шплинт | |
| 49 | 652.061.09 | Рычаг сварной | |
| 50 | 652.061.01 | Лента тормозная левая в сборе | |
| 51 | ГШНУ-М30 | Гайка | |
| 52 | ГШУ-М30 | Гайка | |
| 53 | 505A.061.00.13 | Пружина ленты | |
| 54 | 652.061.02 | Лента тормоза правая в сборе | |
| 55 | БНТ-М30х280 | Болт |
Содержащиеся в справочниках-каталогах запасные части и детали не предлагаются к продаже, а носят исключительно информационный характер