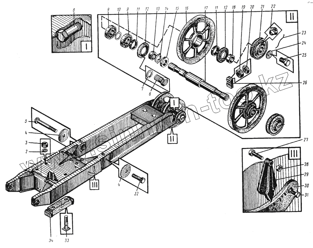
Каталог запасных частей к технике: Ковровец Э-652Б. 652Б.620 Стрела лопаты
1
2
3
4
4
5
6
7
8
9
9
10
11
11
12
12
13
14
15
16
17
18
19
20
21
22
23
24
25
26
27
28
29
30
31
32
33
34
| Позиция на иллюстрации | Заводской номер детали | Название детали | |
|---|---|---|---|
| 1 | 652Б.622 | Стрела | |
| 2 | ШЧ-16 | Шайба | |
| 3 | ГШ-М16 | Гайка | |
| 4 | 505A.180.00.4 | Крышка | |
| 5 | БНТ-М12х100 | Болт | |
| 6 | БНТ-М10х25 | Болт | |
| 7 | ШЧ-10 | Шайба | |
| 8 | БHT-M24x180 | Болт | |
| 9 | 220 | Подшипник | |
| 10 | 652.182.00.13 | Кольцо прокладное | |
| 11 | AРM-1.1-120x150-2 | Манжета | |
| 12 | 505A.182.00.11 | Крышка | |
| 13 | 652.182.00.14 | Втулка | |
| 14 | ШСМЛ-105 | Шайба | |
| 15 | ГКШ-М105х2 | Гайка | |
| 16 | 652.182.00.15 | Блок подъемного каната | |
| 17 | 505A.182.00.2 | Ось блоков | |
| 18 | 652.182.00.5 | Кольцо | |
| 19 | ГШ-М24 | Гайка | |
| 20 | ГШН-М24 | Гайка | |
| 21 | 505A.182.00.3 | Блок | |
| 22 | ТШ-1.3 | Масленка | |
| 23 | ПЖ-1,6 | Проволока L=1,1 м | |
| 24 | 107.182.7 | Шайба | |
| 25 | БНТ-3М12х30 | Болт | |
| 26 | 505A.181.00.31 | Крышка подшипника | |
| 27 | БНТ-М10х35 | Болт | |
| 28 | ГШ-М0 | Гайка | |
| 29 | 651.6.180.02.1 | Стрелка | |
| 30 | 652.183.00.4 | Сектор | |
| 31 | БНТ-М10х20 | Болт | |
| 32 | БНТ-М12х75 | Болт | |
| 33 | 652A.620.01 | Шпилька сварная | |
| 34 | 651.6.185 | Брус буфера |
Содержащиеся в справочниках-каталогах запасные части и детали не предлагаются к продаже, а носят исключительно информационный характер