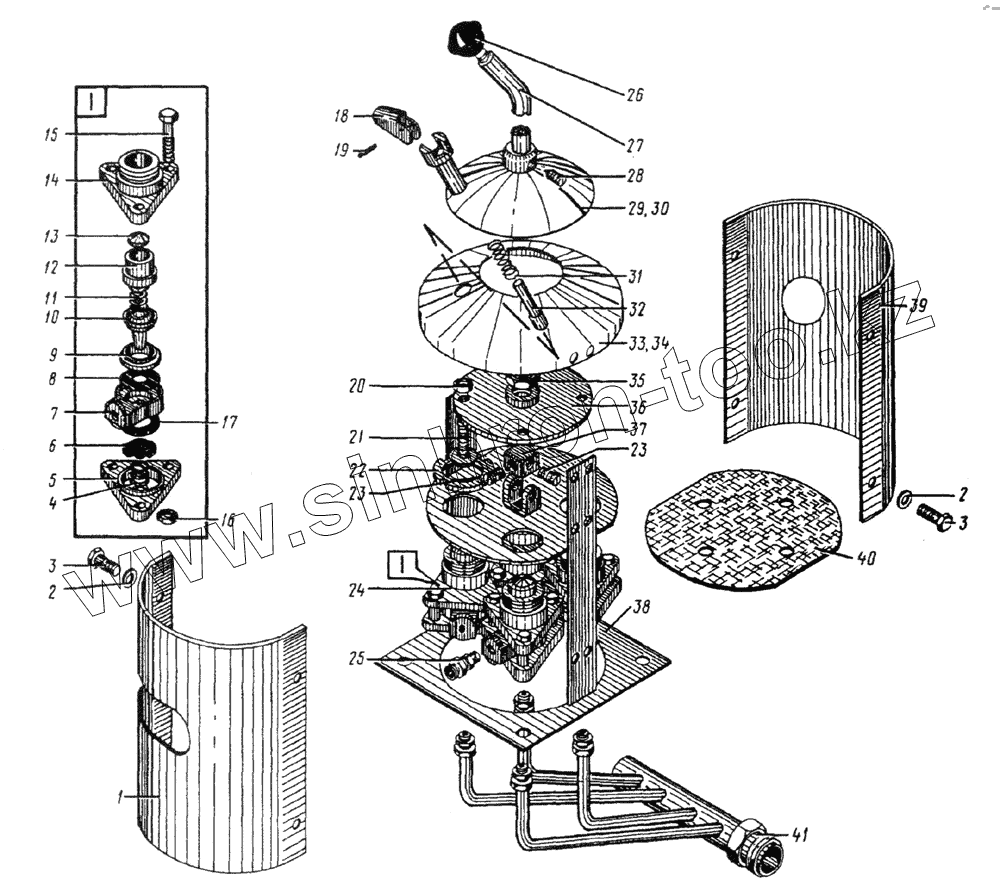
Каталог запасных частей к технике: Ковровец Э-652Б. 652Б.504 (652Б.503) Колонка правая (левая)
1
2
2
3
3
4
5
6
7
8
9
10
11
12
13
14
15
16
17
18
19
20
21
22
23
23
24
25
26
27
28
29
30
31
32
33
34
35
36
37
38
39
40
41
| Позиция на иллюстрации | Заводской номер детали | Название детали | |
|---|---|---|---|
| 1 | 652Б.503.00.3 | Лист | |
| 2 | ШЧ-6 | Шайба | |
| 3 | БНТ-М6х20 | Болт | |
| 4 | 264-23-14 | Пружина | |
| 5 | 264-23-10 | Крышка | |
| 6 | 264-23-25 | Клапан | |
| 7 | 264-23-7 | Корпус нижний | |
| 8 | 264-23-6 | Диафрагма | |
| 9 | 264-23-5 | Шайба | |
| 10 | 264-23-4 | Стакан | |
| 11 | 264-23-2 | Пружина | |
| 12 | 264-23-1 | Чашка | |
| 13 | 264-23-12 | Шайба | |
| 14 | 264-23-3 | Корпус верхний | |
| 15 | БНТ-М6х50 | Болт | |
| 16 | ГШ-М6 | Гайка | |
| 17 | 264-23-8 | Кольцо уплотнительное | |
| 18 | 652.501.00.10 | Рычаг | |
| 19 | 652.501.00.11 | Ось | |
| 20 | ГШ-М10 | Гайка | |
| 21 | 652.501.00.2 | Винт | |
| 22 | 264-23-11 | Гайка | |
| 23 | 652Б.503.00.2 | Винт | |
| 24 | 264-23-00 | Золотник дифференциальный | |
| 25 | 264.13.01 | Ниппель конечный | |
| 26 | 11-П40МН6-64 | Ручка | |
| 27 | 652Б.501.00.17 | Рычаг | |
| 28 | ВУК-М8х14 | Винт | |
| 29 | 652.501.03 | Критика сварная | |
| 30 | 652.502.01 | Крышка сварная | |
| 31 | 652.501.00.13 | Пружина | |
| 32 | 652.501.00.9 | Шток | |
| 33 | 652Б.501.00.16 | Крышка | |
| 34 | 652Б.503.00.7 | Крышка | |
| 35 | ГШ-М16 | Гайка | |
| 36 | 652Б.503.03 | Диск нажимной | |
| 37 | 652Б.503.00.5 | Крестовина | |
| 38 | 652Б.503.02 | Каркас | |
| 39 | 652Б.503.00.4 | Лист | |
| 40 | 6523.503.00.1 | Диафрагма | |
| 41 | 652Б.503.01 | Ввод |
Содержащиеся в справочниках-каталогах запасные части и детали не предлагаются к продаже, а носят исключительно информационный характер