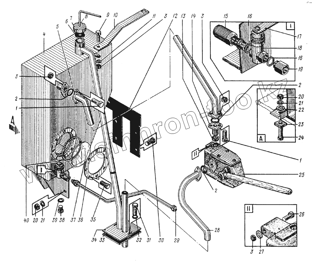
Каталог запасных частей к технике: Ковровец Э-652Б. 652Б.479 Установка насоса и бачка
1
1
2
2
2
3
3
3
3
4
5
6
7
8
9
10
11
12
13
14
15
16
16
17
18
19
20
20
21
21
22
23
24
25
26
27
28
29
30
31
32
33
33
34
35
36
37
39
40
40
| Позиция на иллюстрации | Заводской номер детали | Название детали | |
|---|---|---|---|
| 1 | БНТ-М12х25 | Болт | |
| 2 | 652.019.00.2 | Прокладка | |
| 3 | ГШ-М12 | Гайка | |
| 4 | 652.019.01 | Корпус бака | |
| 5 | 652Б.479.04 | Труба сварная | |
| 6 | 652A.019.00.51 | Прокладка | |
| 7 | 652.560.02.10 | Колпачок | |
| 8 | 652A.019.00.52 | Трубка | |
| 9 | БНТ-М12х40 | Болт | |
| 10 | 652A.019.00.50 | Оттяжка | |
| 11 | ШП-12 | Шайба | |
| 12 | 652.019.00.1 | Прокладка | |
| 13 | 652A.500.22.2 | Гайка | |
| 14 | 652Б.479.03 | Штуцер | |
| 15 | 652.019.02 | Фильтр | |
| 16 | 652.019.00.10 | Прокладка | |
| 17 | 505A.019.00.11 | Ручка крана | |
| 18 | 15-10 | Кран муфтовый | |
| 19 | 107.019.42 | Штуцер переходной | |
| 20 | ГШ-М16 | Гайка | |
| 21 | ШП-16 | Шайба | |
| 22 | ШЧ-16 | Шайба | |
| 23 | 652А.470.00.14 | Шайба косая | |
| 24 | БНТ-М16х55 | Болт | |
| 25 | БК7-3.000 | "Насос ручной поршневой ""Родник""" | |
| 26 | БНТ-М12х75 | Болт | |
| 27 | ШЧ-12 | Шайба | |
| 28 | 652Б.479.02 | Труба сварная | |
| 29 | 652Б.019.04 | Труба в сборе | |
| 30 | БНТ-М16х35 | Болт | |
| 31 | БНТ-М8х20 | Болт | |
| 32 | ШЧ-8 | Шайба | |
| 33 | 652А.477.00.4 | Прокладка | |
| 33 | "ПКШ-1/2""" | Пробка | |
| 34 | 652A.477.08.1 | Крышка | |
| 35 | 652.019.00.49 | Болт | |
| 36 | 652.019.00.7 | Кольцо люка | |
| 37 | 652.019.00.8 | Стекло | |
| 39 | 505A.141.00.3 | Прокладка | |
| 40 | 652.019.00.9 | Прокладка |
Содержащиеся в справочниках-каталогах запасные части и детали не предлагаются к продаже, а носят исключительно информационный характер