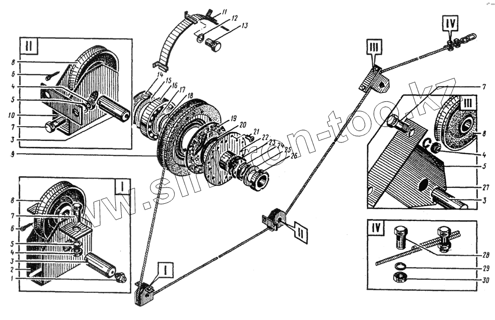
Каталог запасных частей к технике: Ковровец Э-652Б. 652Б.410 Успокоитель
1
2
3
3
3
4
4
4
5
5
5
6
6
7
7
7
8
8
8
9
10
11
12
13
14
15
16
17
18
19
20
21
22
23
24
25
26
27
28
29
30
| Позиция на иллюстрации | Заводской номер детали | Название детали | |
|---|---|---|---|
| 1 | ТШ-1.3 | Масленка | |
| 2 | 652Б.413.01 | Кронштейн | |
| 3 | 652A.195.00.8 | Палец | |
| 4 | ГШ-М16 | Гайка | |
| 5 | ШП-16 | Шайба | |
| 6 | Ш-5х45 | Шплинт | |
| 7 | БНТ-М16х35 | Болт | |
| 8 | 652.411.00.2 | Ролик | |
| 9 | 652.410.00.7 | Барабан | |
| 10 | 505A.412.01 | Кронштейн | |
| 11 | 652.410.04 | Ограждение | |
| 12 | ШП-8Т | Шайба | |
| 13 | БНТ-М8х16 | Болт | |
| 14 | 652.410.00.10 | Прокладка | |
| 15 | 652.410.00.9 | Прокладка | |
| 16 | 230 | Подшипник | |
| 17 | 652.410.00.11 | Шайба | |
| 18 | 652.410.00.12 | Прокладка | |
| 19 | 652.410.01.1 | Кольцо | |
| 20 | 652.410.00.8 | Кольцо | |
| 21 | 196A-002 | Заклепка | |
| 22 | 652.410.02 | Диск | |
| 23 | 652.410.00.2 | Пружина | |
| 24 | 652.410.00.1 | Втулка | |
| 25 | 652.410.00.3 | Шайба | |
| 26 | ГКШ-М90х2 | Гайка | |
| 27 | 652.411.01 | Кронштейн сварной | |
| 28 | 109-59-002-6,5 | Болт | |
| 29 | ШЧ-20 | Шайба | |
| 30 | ГШ-М20 | Гайка |
Содержащиеся в справочниках-каталогах запасные части и детали не предлагаются к продаже, а носят исключительно информационный характер