Вернуться на главную
Поиск
Каталоги запчастей к технике
Спецтехника
Ковровец
Э-652Б
652А.661.01 Щиток приборов
Каталог запасных частей к технике: Ковровец Э-652Б. 652А.661.01 Щиток приборов
zoom-in
zoom-out
enlarge
shrink
circle-right
circle-left
file-text2
info
cart
Тип техники
Не выбрано
Легковые автомобили
Грузовые автомобили и прицепы
Автобусы
Сельхозтехника
Спецтехника
Двигатели
Мототехника
Марка
Не выбрано
Ammann
BOMAG
CARMIX
CASE IH
Changlin
ChengGong
Dimex
Doosan
DYNAPAC
Foton
HAMM
Hidromek
Hitachi
Hyundai
JCB
JLG
John Deere
Komatsu
LIEBHERR
LiuGong
Lonking (LongGong)
Luneng
MANITOU
Mitsuber
New Holland
PENGPU
RM-Terex
SANY
SDLG
SEM
Shantui
Shehwa HBXG
Soosan
TIGARBO
VOGELE
Volvo
WAY
WIRTGEN
XCMG
XGMA
Xiamen
YTO
Yuchai
Zoomlion
Автокран
АЗСМ
Алтайлесмаш
Амкодор
АОМЗ
Атек
АТЗ
Балканкар Рекорд
БелАЗ
Беловеж
Борекс
Брянский Арсенал
Булат
ВЭКС
ГАЗ
Геомаш
Гидромаш
Донекс
Дормаш
Дормашина
Дорэлектромаш
ДЭЗ
ЕлАЗ
ЗЗГТ
Ижнефтемаш
Канаш-электрокар
КЗКТ
ККЗ
Клевер
Клинцовский автокрановый завод
КМЗ
КМЗ 1 Мая
Ковровец
Коммаш
Кранэкс
КЭЗ
КЭМЗ
ЛЗА
МАЗ
МЗИК
МЗКМ
МЗКТ
Михневский РМЗ
МоАЗ
Мозырский МЗ
МТЗ
ОЗП
Онежец
ПАО "ТЗА"
ППС Детва
Промтрактор
ПТЗ
Раскат
СпецАгрегат
ТВЭКС
ТТМ
УВЗ
Угличмаш
УЗТМ
ХТЗ
ЧЗКМ
ЧСДМ
ЧТЗ
ЭКСКО
ЭКСМАШ
ЮрМаш
Модель
Не выбрано
Э-652Б (2000)
ЭО-4124 (2009)
ЭО-4124А (2008)
ЭО-4225А
Схема
>
Не выбрано
652Б.000.01 Экскаватор без рабочего оборудования с указанием основных сборочных единиц
652Б.000.02 Экскаватор с рабочим оборудованием прямая лопата
652Б.000.03 Экскаватор с рабочим оборудованием обратная лопата
652Б.000.05 Экскаватор с рабочим оборудованием драглайн со стрелой 13 м
652Б.000.11 Экскаватор с рабочим оборудованием грейфер 0,65 м
652.720 Кабина
652А.721 Блок правый
652А.721 Блок правый
652.722 Блок левый
652А.723 Блок средний
У7920.01.00.000 Сиденье машиниста
652Б.660 Приборы и оборудование кабины
652Б.660 Приборы и оборудование кабины
652А.661 Установка щитка приборов и разводка трубопроводов
652А.661.01 Щиток приборов
652А.662 Установка отопителя
652А.470 Установка двигателя Д-108-8
652А.473 Кожух цепной передачи
652А.474 Устройство натяжное
652Б.478 Привод и главная муфта
652Б.470.05.000 Привод и главная муфта
652Б.479 Установка насоса и бачка
БК-3.000 Насос ручной поршневой "Родник"
652.481 Механизм управления главной муфтой
652.482 Управление тормозами главной лебедки
652.482.01 Площадка тормозная
652А.483 Управление двигателем
652В.17.00.000 Ходовой механизм в сборе
652В.17.01.000 Вал вертикальный в сборе
652В.17.02.000 Муфта переключения
652.074 Управление собачками
652.075 Вал горизонтальный в сборе
652В.20.00.000 Рама ходовая
652В.21.00.000 Ход гусеничный
652В.21.05.000 Колесо натяжное
652В.21.06.000 Механизм стопора
652В.21.08.000 Колесо ведущее
652В.21.10.000 Каток опорный
652В.29.00.000 Установка смазки
652В.29.01.000 Бачок в сборе
652В.29.10.000 Установка диафрагменного насоса
652Б.030 Механизм реверсивный
652.033 Вал вертикальный
652.035 Вал промежуточный
652Б.036 Вал горизонтальный в сборе
652.134 Управление кулачковыми муфтами механизмов поворота и хода
652.135 Управление переключением скоростей
652.137 Управление кулачковой муфтой реверса главной лебедки
652.500 Пневмоуправление
652.500 Пневмоуправление
652.500 Пневмоуправление
652.500 Пневмоуправление
652Б.504 (652Б.503) Колонка правая (левая)
652Б.940 Рама поворотная
652Б.970 Механизм поворота
652Б.470.02.000 Кожух цепной передачи
652Б.470.03.000 Устройство натяжное
652.040 Реверс главной лебедки
652.042 Тормоз стрелоподъемного барабана
652.047 Вал в сборе
652.050 Лебедка главная
652.051 Вал в сборе
652.052 (652.053) Муфта фрикционная левая (правая)
652.054 Тормоз
652Б.200 Стрела решетчатая
505А.245 Установка контргруза
652А.248.28 Ограничитель подъема стрелы
652.055 Ограничитель скорости опускания стрелы
ЭО-4112.00.03.100 Стойка передняя
652.171 Вал седловой в сборе
652А.172 Комбинированный напорный барабан в сборе
652А.290 Полиспаст
652.080.13 Ролик натяжной в сборе
652Б.620 Стрела лопаты
652.190 Ковш с рукоятью
652.191 Ковш 0,65 м куб.
652.193 Блок ковш
652.194 Рукоять
652.195 Механизм открывания днища ковша
652А.300 Ковш 0,65 м куб. с рукоятью
652Б.301 Кронштейн в сборе
652.305 Блок ковша в сборе
652А.307 Рукоять в сборе
652Б.380 Стойка двуногая
652Б.410 Успокоитель
652.210 Наводка драглайна
652.220 Ковш драглайна 0,5 м куб. с подвешиванием
758.220 Ковш драглайна 0,8 м куб. с подвешиванием
758.230 Грейфер 0,65 м куб.
652Б.260 Электооборудование
652Б.266 Щиток управления отопителем
652Б.150 Инстумент и принадлежности
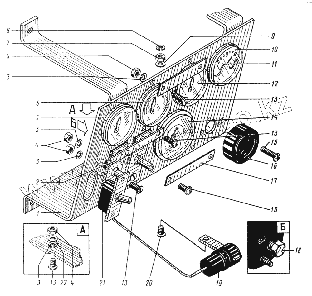
1
2
3
3
3
3
4
4
4
5
6
7
8
9
10
11
12
13
13
13
13
13
14
15
16
17
18
19
20
21
22
Позиция на иллюстрации
Заводской номер детали
Название детали
1
652.661.02
Корпус щитка
2
652.661.01.3
Пластинка указательная
3
ШП-4
Шайба
4
652Б.661.01.15
Гайка
5
УT-200K
Термометр воды
6
МД-219
Манометр масла
7
652Б.661.01.16
Гайка
8
ШП-6
Шайба
9
ШЧ-6
Шайба
10
АП-200
Амперметр
11
652.661.01.2
Пластинка указательная
12
МД-218
Манометр топлива
13
ВПК-М4х12
Винт
14
MД-103
Манометр воздуха
15
ВПК-М4х25
Винт
16
652.015.00.5
Розетка штепсельная
17
652.661.01.1
Пластинка указательная
18
652.661.01.14
Пробка
19
А12-3-ПШ-15
Лампа накаливания
20
ВПК-М5х10
Винт
21
НВ-45МТ
Выключатель
22
ШЧ-4
Шайба
Содержащиеся в справочниках-каталогах запасные части и детали не предлагаются к продаже, а носят исключительно информационный характер
Дополнительная информация
×
Название:
Номер:
Примечание: