Каталог запасных частей к технике: Ковровец Э-652Б. 652А.470 Установка двигателя Д-108-8
1
2
2
2
3
4
5
6
7
8
9
10
11
12
13
14
15
16
17
18
19
20
21
22
23
24
25
25
26
27
28
29
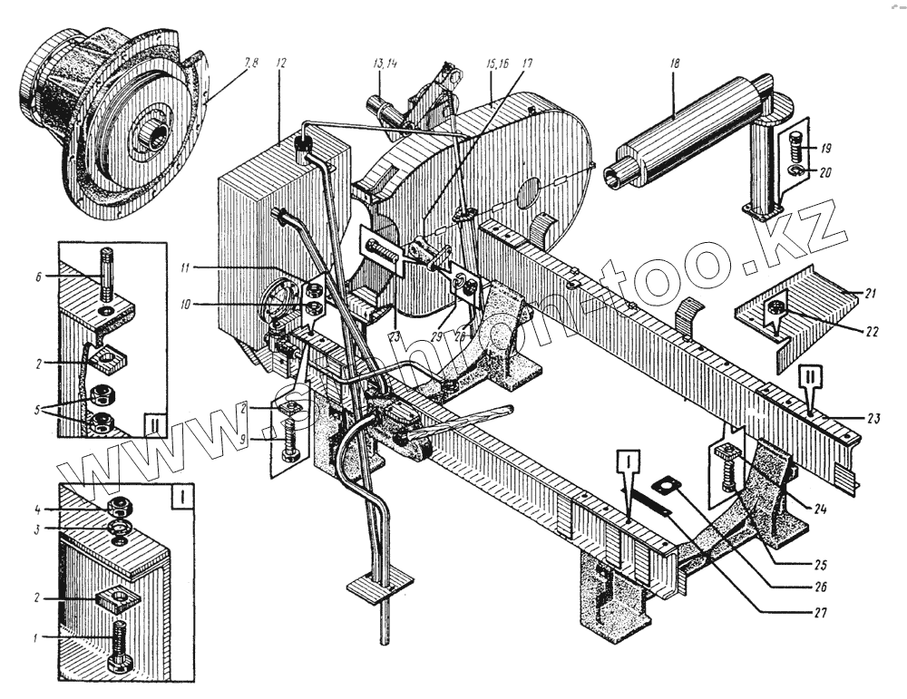
| Позиция на иллюстрации | Заводской номер детали | Название детали | |
|---|---|---|---|
| 1 | БНТ-М16х75 | Болт | |
| 2 | 652A.470.00.14 | Шайба косая | |
| 3 | ШП-16 | Шайба | |
| 4 | ГШ-М16 | Гайка | |
| 5 | ГШ-М16х1,5 | Гайка | |
| 6 | 652A.470.00.1 | Шпилька | |
| 7 | 652Б.478 | Привод и главная муфта | |
| 8 | 652Б.470.05.000 | Привод е главная муфта | |
| 9 | 652A.470.00.7 | Болт | |
| 10 | 652.047.00.15 | Гайка | |
| 11 | ГШН-М18х1,5 | Гайка | |
| 12 | 652Б.479 | Установка насоса и бачка | |
| 13 | 652A.474 | Устройство натяжное | |
| 14 | 652Б.470.03.000 | Устройство натяжное | |
| 15 | 652A.473 | Кожух цепной передачи | |
| 16 | 652Б.470.02.000 | Кожух цепной передачи | |
| 17 | 652.010.00.22 | Кронштейн | |
| 18 | 652Б.470.05 | Глушитель | |
| 19 | БНТ-М10х35 | Болт | |
| 20 | ШП-10T | Шайба | |
| 21 | 652A.470.00.9 | Ограждение цилиндра | |
| 22 | ГШ-М12 | Гайка | |
| 23 | 652Б.476 | Опора двигателя | |
| 24 | 652A.470.00.12 | Шайба косая | |
| 25 | БНТ-М12х30 | Болт | |
| 26 | 652.010.00.17 | Прокладка | |
| 27 | 652.010.00.2 | Прокладка | |
| 28 | ГШ-М12х1,25 | Гайка | |
| 29 | ШП-12Т | Шайба |
Содержащиеся в справочниках-каталогах запасные части и детали не предлагаются к продаже, а носят исключительно информационный характер