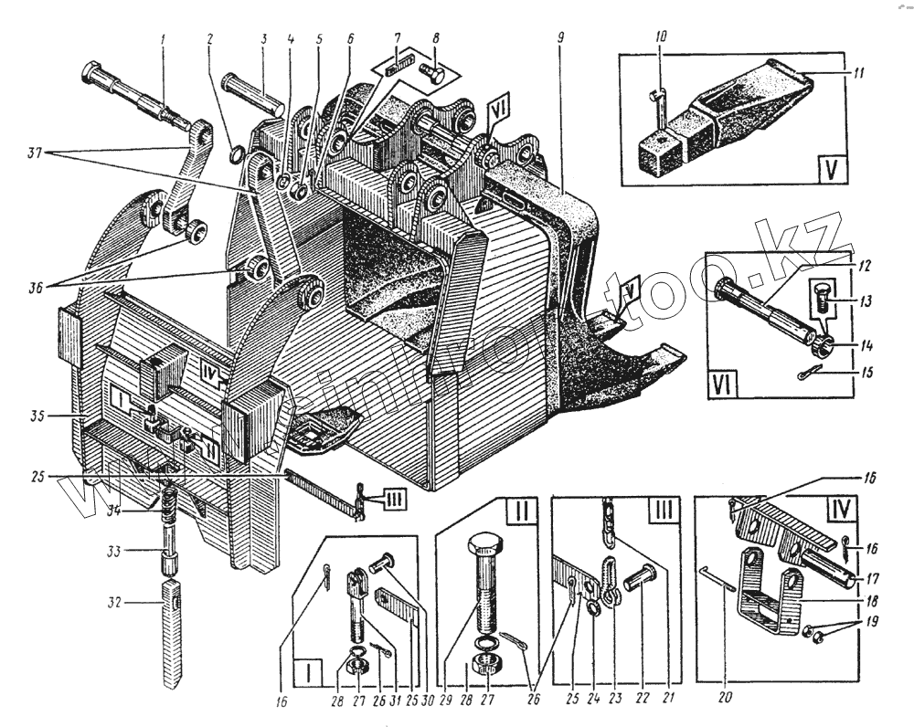
Каталог запасных частей к технике: Ковровец Э-652Б. 652.191 Ковш 0,65 м куб.
1
2
3
4
5
6
7
8
9
10
11
12
13
14
15
16
16
16
17
18
19
20
21
22
23
24
25
25
25
26
26
27
27
28
28
29
30
31
32
33
34
35
36
37
| Позиция на иллюстрации | Заводской номер детали | Название детали | |
|---|---|---|---|
| 1 | 652.191.00.25 | Болт | |
| 2 | 505A.304.00.3 | Шайба | |
| 3 | 652A.191.00.37 | Ось | |
| 4 | ШЧ-36 | Шайба | |
| 5 | ГШ-М36 | Гайка | |
| 6 | Ш-6,3х50 | Шплинт | |
| 7 | 3x30x90-22-124-71 | Оседержатель | |
| 8 | БНТ-М12х30 | Болт | |
| 9 | 652.191.01 | Корпус ковша | |
| 10 | 652.191.00.27 | Чека | |
| 11 | 652.191.00.2 | Зуб | |
| 12 | 652.191.00.35 | Ось | |
| 13 | БНТ-М12х90 | Болт | |
| 14 | 505A.190.00.7 | Кольцо установочное | |
| 15 | Ш-3.2х20 | Шплинт | |
| 16 | 1-4х40 | Шплинт | |
| 17 | 107.192.36 | Палец | |
| 18 | 652.191.16 | Рычаг сварной | |
| 19 | ГШ-М8 | Гайка | |
| 20 | 107.192.35 | Шпилька | |
| 21 | 652.191.11 | Цепь | |
| 22 | 22-16X4x50 | Ось | |
| 23 | 107.192.21 | Скоба цепи | |
| 24 | ШОБ-16 | Шайба | |
| 25 | 652A.191.06.6 | Рычаг | |
| 26 | Ш-4х25 | Шплинт | |
| 27 | ГШ-М20 | Гайка | |
| 28 | ШЧ-20 | Шайба | |
| 29 | 107.192.14 | Болт упорный | |
| 30 | 22-16х4х45 | Ось | |
| 31 | 107.192.12 | Болт установочный | |
| 32 | 652.191.06.5 | Засов | |
| 33 | 652.191.12.2 | Шток | |
| 34 | 652.191.12.1 | Пружина | |
| 35 | 652.191.06 | Днище ковша | |
| 36 | 652.191.00.20 | Втулка распорная | |
| 37 | 652Б.191.24 | Тяга сварная |
Содержащиеся в справочниках-каталогах запасные части и детали не предлагаются к продаже, а носят исключительно информационный характер