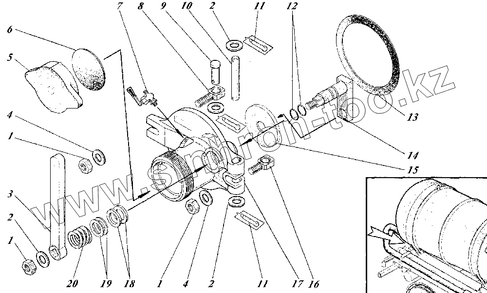
Каталог запасных частей к технике: Коммаш КО-520. Лючок приемный АНМ 53-07.00.000
1
1
1
2
2
2
3
4
4
5
6
7
7
8
9
10
11
11
12
13
14
14
15
16
17
18
19
20
| Позиция на иллюстрации | Заводской номер детали | Название детали | |
|---|---|---|---|
| 1 | 5915 | Гайка М24-6Н.5.016 | |
| 2 | 11371 | Шайба С10.02.019 | |
| 3 | АНМ 53-07.00.030 | Рычаг | |
| 4 | АНМ 53-07.00.018 | Шайба | |
| 5 | АНМ 53-07.00.008 | Гайка глухая | |
| 6 | АНМ 53-07.00.007-01 | Прокладка | |
| 7 | 10Б19бк | Кран пробно-спускной | |
| 7 | И-Б-10 | Кран пробно-спускной | |
| 8 | АНМ 53-07.00.002 | Болт откидной | |
| 9 | АНМ 53-07.00.022 | Ось | |
| 10 | У136.40.00.02-23 | Ось | |
| 11 | 397 | Шплинт 4х25.019 | |
| 12 | 9833 024-030-36-2-2 | Кольцо | |
| 13 | АНМ 53-07.00.016 | Прокладка | |
| 14 | АНМ 53-07.00.010 | Кулак поворотный | |
| 14 | АНМ 53-07.00.010-01 | Кулак поворотный | |
| 15 | АНМ 53-07.00.017 | Диск корпуса | |
| 16 | АНМ 53-07.00.001 | Болт откидной | |
| 17 | АНМ 53-07.00.009 | Корпус лючка | |
| 18 | АНМ 53-07.00.015 | Кольцо | |
| 19 | АНМ 53-07.00.014 | Шайба | |
| 20 | АНМ 53-07.00.006 | Пружина |
Содержащиеся в справочниках-каталогах запасные части и детали не предлагаются к продаже, а носят исключительно информационный характер