Каталог запасных частей к технике: Коммаш КО-440-4. Гидроцилиндр КО-510.01.09.000-06

zoom-in zoom-out enlarge shrink circle-right circle-left file-text2 info cart
1
2
3
4
5
6
7
7
8
8
9
10
10
11
11
12
13
14
15
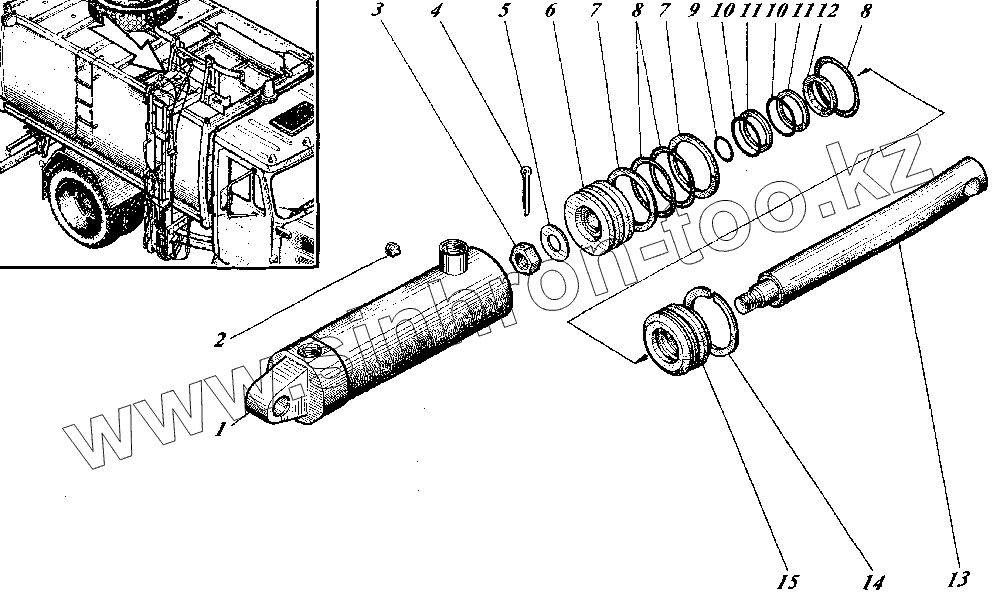
Позиция на иллюстрации Заводской номер детали Название детали
1 КО-510.01.09.100-06 Корпус
2 КО-440-2.18.19.014 Винт установочный
3 КО-510.01.09.012 Гайка
4 397 Шплинт 4х25.019
5 11371 Шайба С10.02.019
6 КО-510.01.09.002 Поршень
7 КО-510.01.09.001 Кольцо защитное
8 9833 Кольцо 016-020-25-2-2
9 9833 Кольцо 016-020-25-2-2
10 9833 Кольцо 016-020-25-2-2
11 КО-440-2.18.19.002 Кольцо защитное
12 Грязесъемник 50-03
13 КО-829А.48.06.001-02 Шток
14 КО-510.01.09.008 Кольцо
15 КО-510.01.09.007 Букса
Содержащиеся в справочниках-каталогах запасные части и детали не предлагаются к продаже, а носят исключительно информационный характер