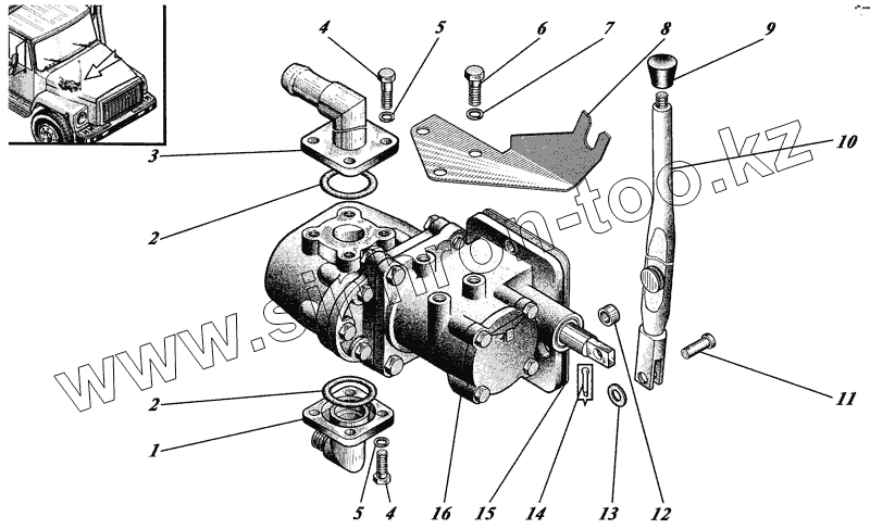
Каталог запасных частей к технике: Коммаш КО-440. Установка коробки отбора мощности
1
2
2
3
4
4
5
5
6
7
8
9
10
11
12
13
14
15
16
| Позиция на иллюстрации | Заводской номер детали | Название детали | |
|---|---|---|---|
| 1 | КО-440-02.04.000 | Угольник | |
| 2 | 9833 038-046-2-2 | Кольцо | |
| 3 | КО-440.02.03.000 | Патрубок всасывающий | |
| 4 | 7796 М8-6gх25.56.016 | Болт | |
| 5 | 6402 8.65Г.019 | Шайба | |
| 6 | 7796 М10-6gх25.56.016 | Болт | |
| 7 | 6402 10.65Г.019 | Шайба | |
| 8 | КО-503В-2.02.12.300 | Кронштейн | |
| 9 | АНМ53-10.00.001-01 | Ручка | |
| 10 | КО-503В-2.02.12.200 | Рычаг | |
| 11 | У136.40.00.01-38 | Ось | |
| 12 | КО-503В-2.02.12.002 | Втулка | |
| 13 | 11371 С10.02.019 | Шайба | |
| 14 | 397 2х20.019 | Шплинт | |
| 15 | КО-503В-2.02.12.003 | Прокладка | |
| 16 | КО-503В-2.02.12.100-01 | Коробка отбора мощности |
Содержащиеся в справочниках-каталогах запасные части и детали не предлагаются к продаже, а носят исключительно информационный характер