Вернуться на главную
Поиск
Каталоги запчастей к технике
Спецтехника
Коммаш
КО-440
Монтаж гидросистемы на шасси
Каталог запасных частей к технике: Коммаш КО-440. Монтаж гидросистемы на шасси
zoom-in
zoom-out
enlarge
shrink
circle-right
circle-left
file-text2
info
cart
Тип техники
Не выбрано
Легковые автомобили
Грузовые автомобили и прицепы
Автобусы
Сельхозтехника
Спецтехника
Двигатели
Мототехника
Марка
Не выбрано
Ammann
BOMAG
CARMIX
CASE IH
Changlin
ChengGong
Dimex
Doosan
DYNAPAC
Foton
HAMM
Hidromek
Hitachi
Hyundai
JCB
JLG
John Deere
Komatsu
LIEBHERR
LiuGong
Lonking (LongGong)
Luneng
MANITOU
Mitsuber
New Holland
PENGPU
RM-Terex
SANY
SDLG
SEM
Shantui
Shehwa HBXG
Soosan
TIGARBO
VOGELE
Volvo
WAY
WIRTGEN
XCMG
XGMA
Xiamen
YTO
Yuchai
Zoomlion
Автокран
АЗСМ
Алтайлесмаш
Амкодор
АОМЗ
Атек
АТЗ
Балканкар Рекорд
БелАЗ
Беловеж
Борекс
Брянский Арсенал
Булат
ВЭКС
ГАЗ
Геомаш
Гидромаш
Донекс
Дормаш
Дормашина
Дорэлектромаш
ДЭЗ
ЕлАЗ
ЗЗГТ
Ижнефтемаш
Канаш-электрокар
КЗКТ
ККЗ
Клевер
Клинцовский автокрановый завод
КМЗ
КМЗ 1 Мая
Ковровец
Коммаш
Кранэкс
КЭЗ
КЭМЗ
ЛЗА
МАЗ
МЗИК
МЗКМ
МЗКТ
Михневский РМЗ
МоАЗ
Мозырский МЗ
МТЗ
ОЗП
Онежец
ПАО "ТЗА"
ППС Детва
Промтрактор
ПТЗ
Раскат
СпецАгрегат
ТВЭКС
ТТМ
УВЗ
Угличмаш
УЗТМ
ХТЗ
ЧЗКМ
ЧСДМ
ЧТЗ
ЭКСКО
ЭКСМАШ
ЮрМаш
Модель
Не выбрано
КО-440
КО-440-4
КО-520
КО-829А (2004)
Схема
>
Не выбрано
Мусоровоз (вид справа)
Мусоровоз (вид справа)
Мусоровоз (вид слева)
Мусоровоз (вид слева)
Установка кузова
Установка кузова
Установка кузова
Установка кузова
Установка кузова
Установка кузова
Установка кузова
Установка кузова
Установка кузова
Плита толкающая
Плита толкающая
Плита толкающая
Плита толкающая
Установка боковой защиты
Борт задний
Гидроцилиндр
Гидроцилиндр
Гидроцилиндр
Гидроцилиндр
Гидроцилиндр
Гидрозамок
Гидроцилиндр
Крышка
Гидрозамок
Домкрат
Домкрат
Фильтр линейный
Крышка
Кран
Фиксатор
Монтаж гидросистемы
Монтаж гидросистемы на кузове
Монтаж гидросистемы на кузове
Монтаж гидросистемы на кузове
Монтаж гидросистемы на кузове
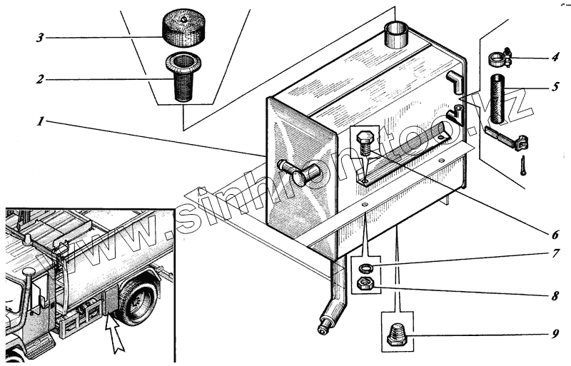
Монтаж гидросистемы на шасси
Монтаж гидросистемы на шасси
Монтаж гидросистемы на шасси
Монтаж гидросистемы на манипуляторе
Монтаж гидросистемы на манипуляторе
Монтаж гидросистемы на манипуляторе
Монтаж гидросистемы на манипуляторе
Монтаж гидросистемы на манипуляторе
Монтаж гидросистемы на надрамнике
Монтаж гидросистемы на надрамнике
Монтаж гидросистемы на надрамнике
Монтаж гидросистемы на надрамнике
Монтаж гидросистемы на надрамнике
Монтаж гидросистемы на надрамнике
Монтаж гидросистемы на надрамнике
Монтаж гидросистемы на надрамнике
Монтаж гидросистемы на надрамнике
Монтаж гидросистемы на надрамнике
Манипулятор
Манипулятор
Манипулятор
Манипулятор
Манипулятор
Манипулятор
Манипулятор
Захват
Захват
Захват
Захват
Надрамник
Бампер задний
Колодка. Трос для подъема запасного колеса
Монтаж электрооборудования
Монтаж электрооборудования
Монтаж электрооборудования
Монтаж электрооборудования
Монтаж электрооборудования
Установка коробки отбора мощности
Установка коробки отбора мощности
Коробка отбора мощности
Коробка отбора мощности
Коробка отбора мощности
Коробка отбора мощности
1
2
3
4
5
6
7
8
9
Позиция на иллюстрации
Заводской номер детали
Название детали
1
КО-440-2.16.10.100
Бак масляный
2
980А-03.01.800
Фильтр
3
КО-829А.44.04.400
Крышка
4
ТОRRО S12-22/9С7W1
Хомут
5
КО-440-2.16.10.001
Трубка
6
7796 М12-6gх25.56.016
Болт
7
6402 12.65Г.019
Шайба
8
5915 М12-6Н.5.016
Гайка
9
У136.30.00.31-01
Пробка коническая
Содержащиеся в справочниках-каталогах запасные части и детали не предлагаются к продаже, а носят исключительно информационный характер
Дополнительная информация
×
Название:
Номер:
Примечание: