Каталог запасных частей к технике: Коммаш КО-440. Коробка отбора мощности
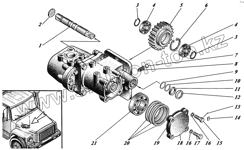
1
2
3
3
4
4
5
6
7
8
9
10
11
12
13
14
15
16
16
17
18
19
20
21
| Позиция на иллюстрации | Заводской номер детали | Название детали | |
|---|---|---|---|
| 1 | КО-503В-2.02.12.103 | Ось | |
| 2 | КОМ-2.00.00.046 | Заглушка | |
| 3 | 20х1,2 DIN471 | Кольцо | |
| 4 | 8338 204 | Подшипник | |
| 5 | КО-503В-2.02.12.102 | Колесо | |
| 6 | 47х1,75 DIN472 | Кольцо | |
| 7 | 3722 10-200 | Шарик | |
| 8 | КОМ-11.00.00.042Б | Пружина | |
| 9 | КО-503В.02.11.711 | Кольцо резиновое уплотнительное | |
| 10 | КО-503В.02.11.709 | Шайба сальника | |
| 11 | КО-503В.02.11.708 | Набивка сальника | |
| 12 | КО-503В.02.11.707 | Каркас сальника | |
| 13 | Проволока «Силвайр» | Проволока «Силвайр» | |
| 14 | Проволока «Клипсил» | Проволока «Клипсил» | |
| 15 | 7796 3М8-6gх25.56.016 | Болт | |
| 16 | 6402 8.65Г.019 | Шайба | |
| 17 | 7796 М8-6gх25.56.016 | Болт | |
| 18 | КО-503В.02.11.715 | Крышка подшипника | |
| 19 | КО-503В.02.11.716 | Прокладка подшипника | |
| 20 | КО-503В.02.12.105 | Кольцо | |
| 21 | 8338 207 | Подшипник |
Содержащиеся в справочниках-каталогах запасные части и детали не предлагаются к продаже, а носят исключительно информационный характер