Каталог запасных частей к технике: Коммаш КО-440. Гидроцилиндр
1
2
3
4
5
6
7
7
8
8
9
10
10
11
11
12
13
14
15
16
17
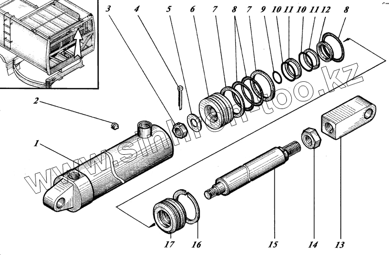
| Позиция на иллюстрации | Заводской номер детали | Название детали | |
|---|---|---|---|
| 1 | КО-510.01.09.100-03 | Корпус | |
| 2 | КО-440-2.18.19.014 | Винт установочный | |
| 3 | КО-510.01.09.012 | Гайка | |
| 4 | 397 4х40.019 | Шплинт | |
| 5 | 11371 С16.02.019 | Шайба | |
| 6 | КО-510.01.09.002 | Поршень | |
| 7 | КО-510.01.09.001 | Кольцо защитное | |
| 8 | 9833 050-060-58-2-2 | Кольцо | |
| 9 | 9833 020-025-30-2-2 | Кольцо | |
| 10 | 9833 032-040-46-2-2 | Кольцо | |
| 11 | КО-440-2.18.19.002 | Поршень | |
| 12 | 50-03 | Грязесъемник | |
| 13 | КО-510.01.09.009 | Ушко | |
| 14 | 5915 М20х1,5-6Н.5.016 | Гайка | |
| 15 | КО-510.01.09.003-03 | Шток | |
| 16 | КО-510.01.09.008 | Кольцо | |
| 17 | КО-510.01.09.007 | Букса |
Содержащиеся в справочниках-каталогах запасные части и детали не предлагаются к продаже, а носят исключительно информационный характер