Вернуться на главную
Поиск
Каталоги запчастей к технике
Спецтехника
Komatsu
WB93S-5E0
ELECTRICAL SYSTEM (BATTERY DISCONNECTING SWITCH)
Каталог запасных частей к технике: Komatsu WB93S-5E0. ELECTRICAL SYSTEM (BATTERY DISCONNECTING SWITCH)
zoom-in
zoom-out
enlarge
shrink
circle-right
circle-left
file-text2
info
cart
Тип техники
Не выбрано
Легковые автомобили
Грузовые автомобили и прицепы
Автобусы
Сельхозтехника
Спецтехника
Двигатели
Мототехника
Марка
Не выбрано
Ammann
BOMAG
CARMIX
CASE IH
Changlin
ChengGong
Dimex
Doosan
DYNAPAC
Foton
HAMM
Hidromek
Hitachi
Hyundai
JCB
JLG
John Deere
Komatsu
LIEBHERR
LiuGong
Lonking (LongGong)
Luneng
MANITOU
Mitsuber
New Holland
PENGPU
RM-Terex
SANY
SDLG
SEM
Shantui
Shehwa HBXG
Soosan
TIGARBO
VOGELE
Volvo
WAY
WIRTGEN
XCMG
XGMA
Xiamen
YTO
Yuchai
Zoomlion
Автокран
АЗСМ
Алтайлесмаш
Амкодор
АОМЗ
Атек
АТЗ
Балканкар Рекорд
БелАЗ
Беловеж
Борекс
Брянский Арсенал
Булат
ВЭКС
ГАЗ
Геомаш
Гидромаш
Донекс
Дормаш
Дормашина
Дорэлектромаш
ДЭЗ
ЕлАЗ
ЗЗГТ
Ижнефтемаш
Канаш-электрокар
КЗКТ
ККЗ
Клевер
Клинцовский автокрановый завод
КМЗ
КМЗ 1 Мая
Ковровец
Коммаш
Кранэкс
КЭЗ
КЭМЗ
ЛЗА
МАЗ
МЗИК
МЗКМ
МЗКТ
Михневский РМЗ
МоАЗ
Мозырский МЗ
МТЗ
ОЗП
Онежец
ПАО "ТЗА"
ППС Детва
Промтрактор
ПТЗ
Раскат
СпецАгрегат
ТВЭКС
ТТМ
УВЗ
Угличмаш
УЗТМ
ХТЗ
ЧЗКМ
ЧСДМ
ЧТЗ
ЭКСКО
ЭКСМАШ
ЮрМаш
Модель
Не выбрано
D155C-1 (2010)
D155C-1 (спец.) (2010)
D155C-1D (2010)
D155C-1P (2010)
D355C-3 (2010)
D355C-3 (2010)
D85A-21 (2010)
D85A-21 (2010)
D85A-21B (2010)
D85C-21A (2010)
PC200, 210(LC)-7 (2004)
PC200-6 (2010)
PC200-7 (2010)
PC200-7-AA (2010)
PC200-8MO (2010)
PC200LC-7 (2010)
PC200LC-8M0 (2010)
PC210-6 (2010)
PC210LC-6 (2010)
PC220-7 (2010)
PC220-8MO (2010)
PC220LC-8MO (2010)
PC300-7 (2010)
PC300-8MO (2010)
PC300LC-7 (2010)
PC300LC-8MO (2010)
PC35MR-3 (2010)
PC400-7 (2010)
PC400-7EO (2010)
PC400LC-7 (2010)
PC55MR-3 (2010)
WB93R-5E0 (2018)
WB93S-5E0 (2018)
WB97S-5E0 (2018)
Погрузчик SK820 (2015)
Схема
>
Не выбрано
CYLINDER HEAD (1/2)
CYLINDER HEAD (2/2)
CYLINDER HEAD COVERS (1/2)
CYLINDER HEAD COVERS (2/2)
AIR INTAKE MANIFOLD
EXHAUST MANIFOLD (1/3)
EXHAUST MANIFOLD (2/3)
EXHAUST MANIFOLD (3/3)
CYLINDER BLOCK
GEAR HOUSING
FRONT COVER
LUBRICATING OIL SUMP
FLYWHEEL HOUSING
CAMSHAFT AND DRIVING GEAR
CRANKSHAFT
PISTON
LUBRICATING OIL PUMP
LUBRICATING OIL PIPING
OIL-WATER EXCHANGER
FUEL LINE
FUEL INJECTION LINE
FUEL INJECTION NOZZLE
FUEL INJECTION PUMP
FUEL INJECTION PUMP (2/2)
FEED PUMP
FUEL FILTER
WATER SEPARATOR
WATER PUMP
COOLING WATER SYSTEM
TEMPERATURE REGULATOR
GENERATOR (1/2)
GASKET SET (2/2)
STARTER MOTOR (1/2)
STARTER MOTOR (2/2)
ENGINE (MOUNTING PARTS)
ENGINE FAN
AIR CLEANER AND MOUNTING
AIR FILTER
MUFFLER (1/2)
MUFFLER (2/2)
RADIATOR (1/3)
RADIATOR (2/3)
RADIATOR (3/3)
FAN GUARD (WITH HEATING)
FUEL TANK
FUEL LINE
BATTERY (185 Ah)
ELECTRICAL SYSTEM (BATTERY DISCONNECTING SWITCH)
ELECTRICAL SYSTEM (ENGINE LINE) (1/2)
ELECTRICAL SYSTEM (ENGINE LINE) (2/2)
ELECTRICAL SYSTEM (FRAME LINE) (1/2)
ELECTRICAL SYSTEM (FRAME LINE) (2/2)
ELECTRICAL SYSTEM (TRANSMISSION LINE)
ELECTRICAL SYSTEM (CAB) (1/5)
ELECTRICAL SYSTEM (CAB) (2/5)
ELECTRICAL SYSTEM (CAB) (3/5)
ELECTRICAL SYSTEM (WITH BACKHOE SERVOCONTROL) (3/5)
ELECTRICAL SYSTEM (CAB) (4/5)
ELECTRICAL SYSTEM (CAB) (5/5)
ELECTRICAL SYSTEM (CAB EQUIPMENT)
ELECTRICAL SYSTEM (FRONT LIGHT)
ELECTRICAL SYSTEM (WORK LIGHT)
REVERSE ALARM
ELECTRICAL SYSTEM (COLD WEATHER)
FRAME
FRAME EQUIPMENT
HOSES BACKHOE PROTECTION
FRONT CARDAN SHAFT
REAR CARDAN SHAFT
FRONT AXLE FIXING
REAR AXLE FIXING
TRANSMISSION FIXING
TRANSMISSION (1/11)
TRANSMISSION (2/11)
TRANSMISSION (3/11)
TRANSMISSION (4/11)
TRANSMISSION (5/11)
TRANSMISSION (6/11)
TRANSMISSION (7/11)
TRANSMISSION (8/11)
TRANSMISSION (9/11)
TRANSMISSION (10/11)
TRANSMISSION (11/11)
FRONT AXLE (1/7)
FRONT AXLE (2/7)
FRONT AXLE (3/7)
FRONT AXLE (4/7)
FRONT AXLE (5/7)
FRONT AXLE (6/7)
FRONT AXLE (7/7)
REAR AXLE (1/10)
REAR AXLE (2/10)
REAR AXLE (3/10)
REAR AXLE (4/10)
REAR AXLE (5/10)
REAR AXLE (6/10)
REAR AXLE (7/10)
REAR AXLE (8/10)
REAR AXLE (9/10)
REAR AXLE (10/10)
WHEELS (16.9XR28 12PR ISGT)
MUDGUARD, L.H.
MUDGUARD, R.H.
FUEL CONTROL LEVER (1/2)
FUEL CONTROL LEVER (2/2)
STEERING WHEEL
BRAKING CONTROL PEDAL
PARKING BRAKE (1/2)
PARKING BRAKE
SHOVEL CONTROL LEVER (FLOAT + RETURN TO DIG)
PPC VALVE, OUTRIGGER
TRANSMISSION CONTROL LEVER
MAIN VALVE SUPPORT
LOCK LEVER BACKHOE CONTROL (WITH MECHANICAL CONTROL)
BACKHOE CONTROL LEVERS
TELESCOPIC ARM CONTROL PEDAL
HAMMER CONTROL PEDAL
ENGINE HOOD (1/2)
ENGINE HOOD (2/2)
BATTERY HOUSING
CAB FIXING
CAB (1/14)
CAB (2/14)
CAB (3/14)
CAB (4/14)
CAB (5/14)
CAB (6/14)
CAB (7/14)
CAB (8/14)
CAB (9/14)
CAB (10/14)
CAB (11/14)
CAB (WITH HEATING) (12/14)
CAB (13/14)
CAB (14/14)
WINDSCREEN WIPER SYSTEM (1/2)
WINDSCREEN WIPER SYSTEM (2/2)
R.H. VIEW MIRROR
OPERATOR'S SEAT (1/2)
OPERATOR'S SEAT (2/2)
HEATING SYSTEM (1/4)
HEATING SYSTEM (2/4)
HEATING SYSTEM (3/4)
HEATING SYSTEM (4/4)
HYDRAULIC OIL TANK
HYDRAULIC OIL TANK FIXING
HYDRAULIC PUMP (FIXING PARTS)
HYDRAULIC PUMP (CONNECTING PARTS)
HYDRAULIC PUMP (1/5)
HYDRAULIC PUMP (2/5)
HYDRAULIC PUMP (3/5)
HYDRAULIC PUMP (4/5)
HYDRAULIC PUMP (5/5)
10-SPOOL CONTROL VALVE (1/16)
10-SPOOL CONTROL VALVE (2/16)
10-SPOOL CONTROL VALVE (3/16)
10-SPOOL CONTROL VALVE (4/16)
10-SPOOL CONTROL VALVE (5/16)
10-SPOOL CONTROL VALVE (6/16)
10-SPOOL CONTROL VALVE (7/16)
10-SPOOL CONTROL VALVE (8/16)
10-SPOOL CONTROL VALVE (9/16)
10-SPOOL CONTROL VALVE (10/16)
10-SPOOL CONTROL VALVE (11/16)
10-SPOOL CONTROL VALVE (12/16)
10-SPOOL CONTROL VALVE (13/16)
10-SPOOL CONTROL VALVE (14/16)
10-SPOOL CONTROL VALVE (15/16)
10-SPOOL CONTROL VALVE (16/16)
HAMMER ELEMENT
SHOVEL PPC VALVE (FLOAT + RETURN TO DIG)
BRAKE PUMP
SERVOCONTROL FEED UNIT (WITH BUCKET 4 IN 1) (CONNECTING PARTS)
SERVOCONTROL FEED UNIT (WITH BUCKET 4 IN 1)
CONTROL VALVE (10-ELEMENTS) (1/3)
CONTROL VALVE (10-ELEMENTS) (2/3)
CONTROL VALVE (10-ELEMENTS) (3/3)
CONTROL VALVE FIXING
HYDRAULIC PIPING (SUCTION LINE)
HYDRAULIC PIPING (DRAIN LINE) (1/2)
HYDRAULIC PIPING (DELIVERY LINE) (2/2)
HYDRAULIC PIPING (RETURN LINE) (1/5)
HYDRAULIC PIPING (RETURN LINE) (2/5)
HYDRAULIC PIPING (RETURN LINE) (3/5)
HYDRAULIC PIPING (RETURN LINE) (WITH HAMMER) (4/5)
HYDRAULIC PIPING (RETURN LINE) (5/5)
HYDRAULIC PIPING (SERVOCONTROL DELIVERY LINE)
HYDRAULIC PIPING (SERVOCONTROL RETURN LINE) (1/3)
HYDRAULIC PIPING (SERVOCONTROL RETURN LINE) (2/3)
HYDRAULIC PIPING (SERVOCONTROL RETURN LINE) (3/3)
HYDRAULIC PIPING (SERVOCONTROL DELIVERY AND RETURN LINE) (SHOVEL LINE)
HYDRAULIC PIPING (POWER MODE)
HYDRAULIC PIPING (LOAD SENSING) (1/2)
HYDRAULIC PIPING (LOAD SENSING) (2/2)
HYDRAULIC PIPING (SERVOCONTROL LINE) (SHOVEL BUCKET LIFTING AND TIPPING LINE)
HYDRAULIC PIPING (SERVOCONTROL DELIVERY AND RETURN LINE) (OUTRIGGERS PPC LINE)
HYDRAULIC PIPING (SERVOCONTROL LINE) (OUTRIGGERS)
HYDRAULIC PIPING (STEERING LINE) (1/4)
HYDRAULIC PIPING (STEERING LINE) (2/4)
HYDRAULIC PIPING (STEERING LINE) (3/4)
HYDRAULIC PIPING (STEERING LINE) (3/4)
HYDRAULIC PIPING (STEERING LINE) (4/4)
HYDRAULIC PIPING (STEERING LINE) (4/4
HYDRAULIC PIPING (STEERING LINE) (4/4)
HYDRAULIC PIPING (TRANSMISSION OIL COOLER LINE)
HYDRAULIC PIPING (BRAKE LINE)
HYDRAULIC PIPING (SHOVEL LIFTING CYLINDER)
HYDRAULIC PIPING (SHOVEL TIPPING CYLINDER)
HYDRAULIC PIPING (SERVOCONTROL LINE) (BUCKET 4 IN 1 LINE)
HYDRAULIC PIPING (BUCKET 4 IN 1 CYLINDER LINE) (1/3)
HYDRAULIC PIPING (BUCKET 4 IN 1 CYLINDER LINE) (2/3)
HYDRAULIC PIPING (BUCKET 4 IN 1 CYLINDER LINE) (3/3)
HYDRAULIC PIPING (BOOM SWING CYLINDER LINE)
HYDRAULIC PIPING (SLIDING PLATE LOCKING LINE)
HYDRAULIC PIPING (BOOM LOCKING LINE)
HYDRAULIC PIPING (BOOM CYLINDER LINE)
HYDRAULIC PIPING (ARM LINE)
HYDRAULIC PIPING (BUCKET CYLINDER LINE) (WITH TELESCOPIC ARM) (1/2)
HYDRAULIC PIPING (BUCKET CYLINDER LINE) (WITH TELESCOPIC ARM) (2/2)
HYDRAULIC PIPING (TELESCOPIC ARM LINE)
HYDRAULIC PIPING (HAMMER LINE) (WITH TELESCOPIC ARM) (1/2)
HYDRAULIC PIPING (HAMMER LINE) (WITH TELESCOPIC ARM) (2/2)
HYDRAULIC PIPING (OUTRIGGER CYLINDER LINE)
HYDRAULIC PIPING (RIDE CONTROL LINE)
SHOVEL ARM
SHOVEL ARM LIFTING CYLINDER
SHOVEL BUCKET PIN
SHOVEL BUCKET TIPPING CYLINDER (L.H.)
SHOVEL BUCKET TIPPING CYLINDER (R.H.)
BUCKET LEVELLING
RETURN TO DIG
BUCKET 4 IN 1
BUCKET 4 IN 1 CYLINDER
OUTRIGGER (1/2)
OUTRIGGER (2/2)
OUTRIGGER FOOT (FOR 28" WHEELS)
OUTRIGGER CYLINDER
BACKFRAME (1/2)
BACKFRAME (2/2)
SLIDING PLATE LOCK CYLINDER
SWING BRACKET
BOOM LOCK SYSTEM
BOOM LOCK CYLINDER
BOOM SWING CYLINDER
BOOM
BOOM CYLINDER
ARM CYLINDER
BUCKET LINK (1/2)
BUCKET LINK (2/2)
BUCKET PIN (O 45 mm)
BUCKET CYLINDER
TELESCOPIC ARM (1/2)
TELESCOPIC ARM (2/2)
TELESCOPIC ARM CYLINDER
MARK PLATE (1/3)
MARK PLATE (2/3)
MARK PLATE (3/3)
MARK PLATE (RIDE CONTROL)
MARK PLATE (BACKHOE)
TOOLS
EQUIPMENT (FOR ROAD CIRCULATION) (1/2)
EQUIPMENT (FOR ROAD CIRCULATION) (2/2)
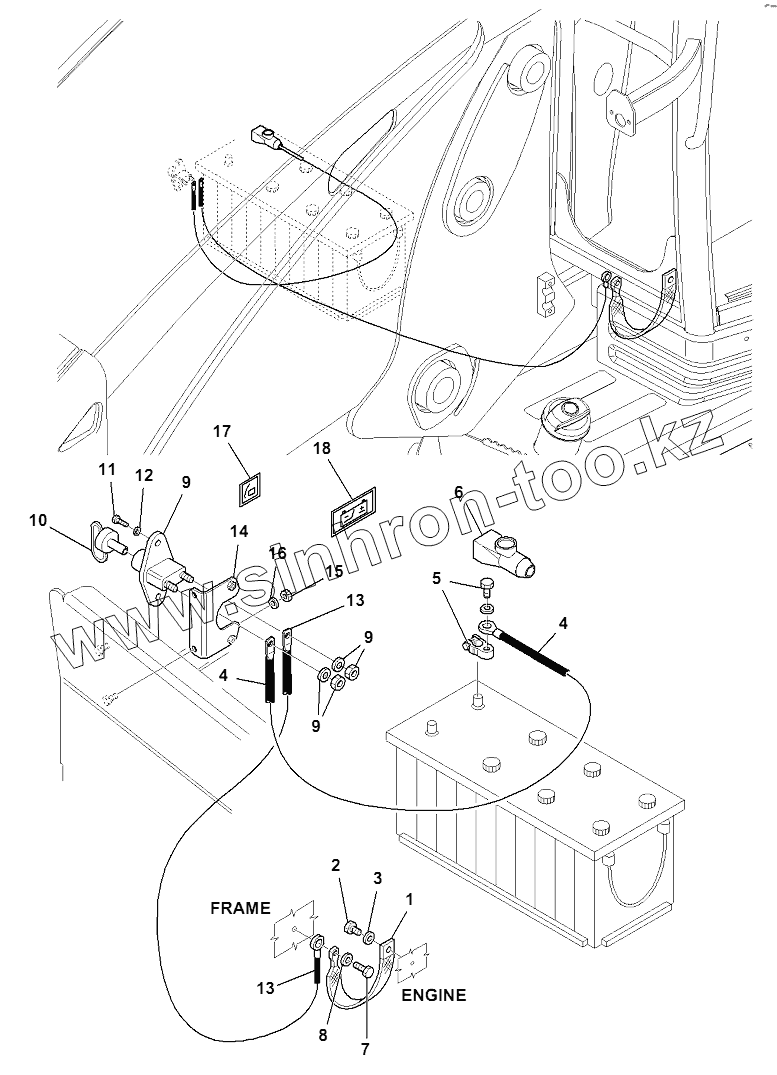
1
2
3
4
4
5
6
7
8
9
9
9
10
11
12
13
13
14
15
16
17
18
18
Позиция на иллюстрации
Заводской номер детали
Название детали
1
42N-06-11130
GROUND FRAME CABLE
2
01010-81220
BOLT
3
01643-11232
WASHER
4
42N-06-11120
BATTERY CABLE
5
885160026
BATTERY TERMINAL
6
21W-09-R6560
COVER
7
01010-81020
BOLT
8
01643-11032
WASHER
9
42N-06-15730
BATTERY SWITCH
10
22L-09-R3S10
KEY, BATTERY SWITCH
11
01010-80620
BOLT
12
01643-10623
WASHER
13
42N-06-15920
BATTERY CABLE
14
42N-54-12920
BRACKET
15
01580-10806
NUT
16
01643-10823
WASHER
17
22E-98-21140
MARK PLATE, BATTERY DISCONNECTING SWITCH
18
395-93-13550
MARK PLATE, BATTERY DISCONNECTING SWITCH
18
395-93-13551
MARK PLATE, BATTERY DISCONNECTING SWITCH
Содержащиеся в справочниках-каталогах запасные части и детали не предлагаются к продаже, а носят исключительно информационный характер
Дополнительная информация
×
Название:
Номер:
Примечание: