Вернуться на главную
Поиск
Каталоги запчастей к технике
Спецтехника
Komatsu
WB93R-5E0
HYDRAULIC PIPING (STEERING LINE)
Каталог запасных частей к технике: Komatsu WB93R-5E0. HYDRAULIC PIPING (STEERING LINE)
zoom-in
zoom-out
enlarge
shrink
circle-right
circle-left
file-text2
info
cart
Тип техники
Не выбрано
Легковые автомобили
Грузовые автомобили и прицепы
Автобусы
Сельхозтехника
Спецтехника
Двигатели
Мототехника
Марка
Не выбрано
Ammann
BOMAG
CARMIX
CASE IH
Changlin
ChengGong
Dimex
Doosan
DYNAPAC
Foton
HAMM
Hidromek
Hitachi
Hyundai
JCB
JLG
John Deere
Komatsu
LIEBHERR
LiuGong
Lonking (LongGong)
Luneng
MANITOU
Mitsuber
New Holland
PENGPU
RM-Terex
SANY
SDLG
SEM
Shantui
Shehwa HBXG
Soosan
TIGARBO
VOGELE
Volvo
WAY
WIRTGEN
XCMG
XGMA
Xiamen
YTO
Yuchai
Zoomlion
Автокран
АЗСМ
Алтайлесмаш
Амкодор
АОМЗ
Атек
АТЗ
Балканкар Рекорд
БелАЗ
Беловеж
Борекс
Брянский Арсенал
Булат
ВЭКС
ГАЗ
Геомаш
Гидромаш
Донекс
Дормаш
Дормашина
Дорэлектромаш
ДЭЗ
ЕлАЗ
ЗЗГТ
Ижнефтемаш
Канаш-электрокар
КЗКТ
ККЗ
Клевер
Клинцовский автокрановый завод
КМЗ
КМЗ 1 Мая
Ковровец
Коммаш
Кранэкс
КЭЗ
КЭМЗ
ЛЗА
МАЗ
МЗИК
МЗКМ
МЗКТ
Михневский РМЗ
МоАЗ
Мозырский МЗ
МТЗ
ОЗП
Онежец
ПАО "ТЗА"
ППС Детва
Промтрактор
ПТЗ
Раскат
СпецАгрегат
ТВЭКС
ТТМ
УВЗ
Угличмаш
УЗТМ
ХТЗ
ЧЗКМ
ЧСДМ
ЧТЗ
ЭКСКО
ЭКСМАШ
ЮрМаш
Модель
Не выбрано
D155C-1 (2010)
D155C-1 (спец.) (2010)
D155C-1D (2010)
D155C-1P (2010)
D355C-3 (2010)
D355C-3 (2010)
D85A-21 (2010)
D85A-21 (2010)
D85A-21B (2010)
D85C-21A (2010)
PC200, 210(LC)-7 (2004)
PC200-6 (2010)
PC200-7 (2010)
PC200-7-AA (2010)
PC200-8MO (2010)
PC200LC-7 (2010)
PC200LC-8M0 (2010)
PC210-6 (2010)
PC210LC-6 (2010)
PC220-7 (2010)
PC220-8MO (2010)
PC220LC-8MO (2010)
PC300-7 (2010)
PC300-8MO (2010)
PC300LC-7 (2010)
PC300LC-8MO (2010)
PC35MR-3 (2010)
PC400-7 (2010)
PC400-7EO (2010)
PC400LC-7 (2010)
PC55MR-3 (2010)
WB93R-5E0 (2018)
WB93S-5E0 (2018)
WB97S-5E0 (2018)
Погрузчик SK820 (2015)
Схема
>
Не выбрано
CYLINDER HEAD
CYLINDER HEAD
CYLINDER HEAD COVERS
CYLINDER HEAD
AIR INTAKE MANIFOLD
EXHAUST MANIFOLD
EXHAUST MANIFOLD
EXHAUST MANIFOLD
CYLINDER BLOCK
GEAR HOUSING
FRONT COVER
LUBRICATING OIL SUMP
FLYWHEEL HOUSING
CAMSHAFT AND DRIVING GEAR
CRANKSHAFT
PISTON
LUBRICATING OIL PUMP
LUBRICATING OIL PIPING
OIL-WATER EXCHANGER
FUEL LINE
FUEL INJECTION LINE
FUEL INJECTION NOZZLE
FUEL INJECTION PUMP
FUEL INJECTION PUMP
FEED PUMP
FUEL FILTER
WATER PUMP
WATER PUMP
COOLING WATER SYSTEM
TEMPERATURE REGULATOR
GENERATOR
GENERATOR
STARTER MOTOR
STARTER MOTOR
ENGINE MOUNTING PARTS
ENGINE FAN
AIR CLEANER AND MOUNTING
AIR CLEANER
MUFFLER
MUFFLER
RADIATOR
RADIATOR
RADIATOR
FAN GUARD (WITH HEATING)
FUEL TANK
FUEL PIPING
BATTERY (185 Ah)
ELECTRICAL SYSTEM (BATTERY DISCONNECTING SWITCH)
ELECTRICAL SYSTEM (ENGINE LINE)
ELECTRICAL SYSTEM (ENGINE LINE)
ELECTRICAL SYSTEM (FRAME LINE)
ELECTRICAL SYSTEM (FRAME LINE)
ELECTRICAL SYSTEM (TRANSMISSION LINE)
ELECTRICAL SYSTEM (CAB)
ELECTRICAL SYSTEM (CAB)
ELECTRICAL SYSTEM (CAB)
ELECTRICAL SYSTEM (CAB)
ELECTRICAL SYSTEM (CAB)
ELECTRICAL SYSTEM (CAB EQUIPMENT)
ELECTRICAL SYSTEM (FRONT LIGHT)
ELECTRICAL SYSTEM (WORK LIGHT)
REVERSE TRAVEL ALARM
ELECTRICAL SYSTEM (COLD WEATHER)
FRAME
FRAME EQUIPMENT
HOSES BACKHOE PROTECTION
FRONT CARDAN SHAFT
REAR CARDAN SHAFT
FRONT AXLE FIXING
REAR AXLE FIXING
TRANSMISSION FIXING
TRANSMISSION
TRANSMISSION
TRANSMISSION
TRANSMISSION
TRANSMISSION
TRANSMISSION
TRANSMISSION
TRANSMISSION
TRANSMISSION
TRANSMISSION
TRANSMISSION
FRONT AXLE
FRONT AXLE
FRONT AXLE
FRONT AXLE
FRONT AXLE
FRONT AXLE
FRONT AXLE
REAR AXLE
REAR AXLE
REAR AXLE
REAR AXLE
REAR AXLE
REAR AXLE
REAR AXLE
REAR AXLE
REAR AXLE
FRONT WHEELS (12.5X80 R18 14PR)
REAR WHEEL (16.9X28 12PR)
FRONT MUDGUARD
FUEL CONTROL LEVER
FUEL CONTROL LEVER
STEERING COLUMN AND WHEEL
BRAKING CONTROL PEDAL
PARKING BRAKE
PARKING BRAKE
SHOVEL CONTROL LEVER
PPC VALVE, OUTRIGGER
TRANSMISSION CONTROL LEVER
VALVE SUPPORT (WITH MECHANICAL CONTROL)
LOCK LEVER BACKHOE CONTROL (WITH MECHANICAL CONTROL)
BACKHOE CONTROL LEVERS
TELESCOPIC ARM CONTROL PEDAL
HAMMER CONTROL PEDAL
ENGINE HOOD
ENGINE HOOD
BATTERY HOUSING
CAB FIXING
CAB
CAB
CAB
CAB
CAB
CAB
CAB
CAB
CAB
CAB
CAB
CAB
CAB
CAB
WINDSCREEN WIPER SYSTEM
WINDSCREEN WIPER SYSTEM
R.H. VIEW MIRROR
OPERATOR'S SEAT
OPERATOR'S SEAT
HEATING SYSTEM
HEATING SYSTEM
HEATING SYSTEM
HEATING SYSTEM
HYDRAULIC TANK
HYDRAULIC OIL TANK FIXING
HYDRAULIC PUMP (FIXING PARTS)
HYDRAULIC PUMP (CONNECTING PARTS)
HYDRAULIC PUMP
HYDRAULIC PUMP
HYDRAULIC PUMP
HYDRAULIC PUMP
HYDRAULIC PUMP
10-SPOOL CONTROL VALVE MECHANICAL CONTROLS
10-SPOOL CONTROL VALVE MECHANICAL CONTROLS
10-SPOOL CONTROL VALVE MECHANICAL CONTROLS
10-SPOOL CONTROL VALVE MECHANICAL CONTROLS
10-SPOOL CONTROL VALVE MECHANICAL CONTROLS
10-SPOOL CONTROL VALVE MECHANICAL CONTROLS
10-SPOOL CONTROL VALVE MECHANICAL CONTROLS
10-SPOOL CONTROL VALVE MECHANICAL CONTROLS
10-SPOOL CONTROL VALVE MECHANICAL CONTROLS
10-SPOOL CONTROL VALVE MECHANICAL CONTROLS
10-SPOOL CONTROL VALVE MECHANICAL CONTROLS
10-SPOOL CONTROL VALVE MECHANICAL CONTROLS
10-SPOOL CONTROL VALVE MECHANICAL CONTROLS
10-SPOOL CONTROL VALVE MECHANICAL CONTROLS
10-SPOOL CONTROL VALVE MECHANICAL CONTROLS
10-SPOOL CONTROL VALVE MECHANICAL CONTROLS
HAMMER ELEMENT
SHOVEL PPC VALVE (FLOAT + RETURN TO DIG)
BRAKE PUMP
SERVOCONTROL FEED UNIT (MECHANICAL CONTROL WITH BUCKET 4 IN 1) (CONNECTING PARTS)
SERVOCONTROL FEED UNIT (MECHANICAL CONTROL WITH BUCKET 4 IN 1)
10-SPOOL CONTROL VALVE (MECHANICAL CONTROL) (CONNECTING PARTS)
10-SPOOL CONTROL VALVE (MECHANICAL CONTROL) (CONNECTING PARTS)
10-SPOOL CONTROL VALVE (MECHANICAL CONTROL) (CONNECTING PARTS)
CONTROL VALVE FIXING
HYDRAULIC PIPING (SUCTION LINE)
HYDRAULIC PIPING (DELIVERY LINE)
HYDRAULIC PIPING (DELIVERY LINE)
HYDRAULIC PIPING (RETURN LINE)
HYDRAULIC PIPING (RETURN LINE)
HYDRAULIC PIPING (RETURN LINE)
HYDRAULIC PIPING (RETURN LINE)
HYDRAULIC PIPING (RETURN LINE)
HYDRAULIC PIPING (SERVOCONTROL FEED LINE)
HYDRAULIC PIPING (SERVOCONTROL RETURN LINE)
HYDRAULIC PIPING (SERVOCONTROL RETURN LINE)
HYDRAULIC PIPING (SERVOCONTROL RETURN LINE) (MECHANICAL CONTROL)
HYDRAULIC PIPING (SERVOCONTROL LINE) (SHOVEL)
HYDRAULIC PIPING (POWER MODE)
HYDRAULIC PIPING (LOAD SENSING)
HYDRAULIC PIPING (LOAD SENSING)
HYDRAULIC PIPING (SHOVEL)
HYDRAULIC PIPING (SERVOCONTROL LINE) (OUTRIGGERS)
HYDRAULIC PIPING (OUTRIGGER CYLINDER LINE)
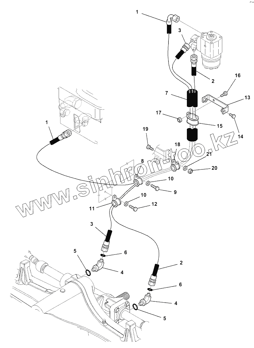
HYDRAULIC PIPING (STEERING LINE)
HYDRAULIC PIPING (STEERING LINE)
HYDRAULIC PIPING (STEERING LINE)
HYDRAULIC PIPING (DIFFERENTIAL AXLE LOCKING CONTROL)
HYDRAULIC PIPING (TRANSMISSION OIL COOLER LINE)
HYDRAULIC PIPING (BRAKE LINE)
HYDRAULIC PIPING (SHOVEL LIFTING CYLINDER LINE)
HYDRAULIC PIPING (SHOVEL TIPPING CYLINDER)
HYDRAULIC PIPING (BUCKET 4 IN 1 LINE)
HYDRAULIC PIPING (BUCKET 4 IN 1 CYLINDER LINE)
HYDRAULIC PIPING (BUCKET 4 IN 1 CYLINDER LINE)
HYDRAULIC PIPING (BUCKET 4 IN 1 CYLINDER LINE)
HYDRAULIC PIPING (BOOM SWING CYLINDER LINE)
HYDRAULIC PIPING (SLIDING PLATE LOCKING LINE)
HYDRAULIC PIPING (BOOM LOCKING LINE)
HYDRAULIC PIPING (BOOM CYLINDER LINE)
HYDRAULIC PIPING (ARM LINE)
HYDRAULIC PIPING (BUCKET CYLINDER LINE) (WITH TELESCOPIC ARM)
HYDRAULIC PIPING (BUCKET CYLINDER LINE) (WITH TELESCOPIC ARM)
HYDRAULIC PIPING (TELESCOPIC ARM LINE)
HYDRAULIC PIPING (HAMMER LINE) (WITH TELESCOPIC ARM)
HYDRAULIC PIPING (HAMMER LINE) (WITH TELESCOPIC ARM)
HYDRAULIC PIPING (OUTRIGGER LINE) (WITH 10-SPOOL CONTROL VALVE)
SHOVEL ARM
SHOVEL LIFTING CYLINDER
BUCKET PIN
SHOVEL BUCKET TIPPING CYLINDER (L.H.)
SHOVEL BUCKET TIPPING CYLINDER (R.H.)
BUCKET LEVELLING
RETURN TO DIG
BUCKET 4 IN 1
BUCKET 4 IN 1 CYLINDER
OUTRIGGER
OUTRIGGER
OUTRIGGER FOOT
OUTRIGGER CYLINDER
BACKFRAME
BACKFRAME
SLIDING PLATE LOCK CYLINDER
SWING BRACKET
BOOM LOCK SYSTEM
BOOM LOCK CYLINDER
BOOM SWING CYLINDER
BOOM
BOOM CYLINDER (WITH SIDE DIGGING BOOM)
ARM CYLINDER
BUCKET LINK
BUCKET LINK
BUCKET PIN (diam. 45 mm)
BUCKET CYLINDER
TELESCOPIC ARM
TELESCOPIC ARM
TELESCOPIC ARM CYLINDER
MARK PLATE
MARK PLATE
MARK PLATE
MARK PLATE (BACKHOE) MECHANICAL CONTROL
TOOLS
EQUIPMENT (FOR ROAD CIRCULATION)
EQUIPMENT (FOR ROAD CIRCULATION)
1
1
2
2
3
3
4
4
5
5
6
6
7
8
9
10
10
11
12
13
14
15
16
17
18
19
20
21
Позиция на иллюстрации
Заводской номер детали
Название детали
1
42N-62-13632
HOSE
2
42N-62-13611
HOSE
3
42N-62-13611
HOSE
4
37D-09-6N353
UNION
5
37B-09-88002
O-RING
6
02896-11009
O-RING
7
42N-62-16930
PROTECTION
8
04435-52110
CLIP
9
01016-51040
BOLT
10
01643-11032
WASHER
11
04434-52112
CLIP
12
01010-81016
BOLT
13
42N-54-16951
BRACKET
14
01016-50830
BOLT
15
37A-09-5N505
CLAMP
16
01010-81025
BOLT
17
21D-09-24190
NUT
18
37A-09-5N505
CLAMP
19
01010-81030
BOLT
20
01643-11032
WASHER
21
21D-09-24190
NUT
Содержащиеся в справочниках-каталогах запасные части и детали не предлагаются к продаже, а носят исключительно информационный характер
Дополнительная информация
×
Название:
Номер:
Примечание: