Вернуться на главную
Поиск
Каталоги запчастей к технике
Спецтехника
Komatsu
Погрузчик SK820
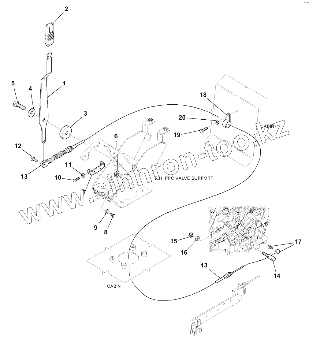
K4410-001001 FUEL CONTROL LEVER
Каталог запасных частей к технике: Komatsu Погрузчик SK820. K4410-001001 FUEL CONTROL LEVER
zoom-in
zoom-out
enlarge
shrink
circle-right
circle-left
file-text2
info
cart
Тип техники
Не выбрано
Легковые автомобили
Грузовые автомобили и прицепы
Автобусы
Сельхозтехника
Спецтехника
Двигатели
Мототехника
Марка
Не выбрано
Ammann
BOMAG
CARMIX
CASE IH
Changlin
ChengGong
Dimex
Doosan
DYNAPAC
Foton
HAMM
Hidromek
Hitachi
Hyundai
JCB
JLG
John Deere
Komatsu
LIEBHERR
LiuGong
Lonking (LongGong)
Luneng
MANITOU
Mitsuber
New Holland
PENGPU
RM-Terex
SANY
SDLG
SEM
Shantui
Shehwa HBXG
Soosan
TIGARBO
VOGELE
Volvo
WAY
WIRTGEN
XCMG
XGMA
Xiamen
YTO
Yuchai
Zoomlion
Автокран
АЗСМ
Алтайлесмаш
Амкодор
АОМЗ
Атек
АТЗ
Балканкар Рекорд
БелАЗ
Беловеж
Борекс
Брянский Арсенал
Булат
ВЭКС
ГАЗ
Геомаш
Гидромаш
Донекс
Дормаш
Дормашина
Дорэлектромаш
ДЭЗ
ЕлАЗ
ЗЗГТ
Ижнефтемаш
Канаш-электрокар
КЗКТ
ККЗ
Клевер
Клинцовский автокрановый завод
КМЗ
КМЗ 1 Мая
Ковровец
Коммаш
Кранэкс
КЭЗ
КЭМЗ
ЛЗА
МАЗ
МЗИК
МЗКМ
МЗКТ
Михневский РМЗ
МоАЗ
Мозырский МЗ
МТЗ
ОЗП
Онежец
ПАО "ТЗА"
ППС Детва
Промтрактор
ПТЗ
Раскат
СпецАгрегат
ТВЭКС
ТТМ
УВЗ
Угличмаш
УЗТМ
ХТЗ
ЧЗКМ
ЧСДМ
ЧТЗ
ЭКСКО
ЭКСМАШ
ЮрМаш
Модель
Не выбрано
D155C-1 (2010)
D155C-1 (спец.) (2010)
D155C-1D (2010)
D155C-1P (2010)
D355C-3 (2010)
D355C-3 (2010)
D85A-21 (2010)
D85A-21 (2010)
D85A-21B (2010)
D85C-21A (2010)
PC200, 210(LC)-7 (2004)
PC200-6 (2010)
PC200-7 (2010)
PC200-7-AA (2010)
PC200-8MO (2010)
PC200LC-7 (2010)
PC200LC-8M0 (2010)
PC210-6 (2010)
PC210LC-6 (2010)
PC220-7 (2010)
PC220-8MO (2010)
PC220LC-8MO (2010)
PC300-7 (2010)
PC300-8MO (2010)
PC300LC-7 (2010)
PC300LC-8MO (2010)
PC35MR-3 (2010)
PC400-7 (2010)
PC400-7EO (2010)
PC400LC-7 (2010)
PC55MR-3 (2010)
WB93R-5E0 (2018)
WB93S-5E0 (2018)
WB97S-5E0 (2018)
Погрузчик SK820 (2015)
Схема
>
Не выбрано
A0000-001001 CYLINDER BLOCK
A0000-001002 GEAR HOUSING
A0000-001003 FLYWHEEL - LUBRICATING OIL SUMP
A0000-001004 CYLINDER HEAD AND BONNET
A0000-001005 SUCTION MANIFOLD AND AIR CLEANER
A0000-001006 EXHAUST MANIFOLD AND SILENCER
A0000-001007 CAMSHAFT AND DRIVING GEAR
A0000-001008 TURBINE
A0000-001009 CRANKSHAFT AND PISTON
A0000-001010 LUBRICATING OIL SYSTEM
A0000-001011 LUBRICATING OIL LINE
A0000-001012 COOLING WATER SYSTEM
A0000-001013 FUEL INJECTION PUMP
A0000-001014 GOVERNOR
A0000-001015 FUEL INJECTION VALVE
A0000-001016 FUEL LINE
A0000-001017 STARTING MOTOR
A0000-001018 GENERATOR
A0000-001019 GASKET SET
A0000-001020 ENGINE, CONNECTING PARTS
A1470-001001 AIR CLEANER PREFILTER
A6510-001001 COLD START DEVICE
B0100-001001 ENGINE MOUNTS, BRACKET
B0100-001002 ENGINE MOUNTS, EXHAUST MUFFLER RELATED PARTS
B0100-001003 ENGINE MOUNTS, RELATED PARTS (1/2)
B0100-001004 ENGINE MOUNTS, RELATED PARTS (2/2)
B0600-001001 ENGINE UNIT, DAMPER
C0100-001001 COOLING SYSTEM, PIPING
C0100-001002 COOLING SYSTEM, COVER
C0100-001003 COOLING SYSTEM, MOUNTS
C0100-001004 COOLING SYSTEM, HYDRAULIC DRAIN LINE
D0100-001001 FUEL TANK, TANK RELATED PART
D0100-001002 FUEL TANK, PIPING
E0100-001001 ELECTRIC PARTS
E0200-001001 ELECTRIC WIRING, WIRE HARNESS, ENGINE (1/2)
E0200-001002 ELECTRIC WIRING, WIRE HARNESS, ENGINE (2/2)
E0200-001003 ELECTRIC WIRING, WIRE HARNESS, ENGINE, BATTERY CABLE
E0200-002001 ELECTRIC WIRING, BATTERY CABLE, BATTERY DISCONNNECTING SWITCH
E0201-001001 ELECTRIC WIRING, WIRE HARNESS, FRAME LINE
E0201-002001 ELECTRIC WIRING, WIRE HARNESS, FRAME LINE, WITH HIGH FLOW OR ROAD HOMOLOGATION
E0270-001001 ELECTRIC WIRING, ITALY OR SPAIN ROAD HOMOLOGATION (1/2)
E0270-001002 ELECTRIC WIRING, ITALY OR SPAIN ROAD HOMOLOGATION (2/2)
E0270-002001 ELECTRIC WIRING, GERMANY ROAD HOMOLOGATION (1/3)
E0270-002002 ELECTRIC WIRING, GERMANY ROAD HOMOLOGATION (2/3)
E0270-002003 ELECTRIC WIRING, GERMANY ROAD HOMOLOGATION (3/3)
E0270-005001 ELECTRIC WIRING, ROAD HOMOLOGATION, REVERSE ALARM SENSOR
E0300-001001 FRONT WORK LIGHTS
E0320-001001 REAR WORK LIGHT
E0320-002001 REAR WORK LIGHT, WITH ROAD HOMOLOGATION
E0340-001001 ROTARY BEAM
E0420-001001 ELECTRIC WIRING, REVERSE ALARM
F4600-001001 TRANSMISSION
F4600-001002 FRONT DRIVE SHAFT
F4600-001003 REAR DRIVE SHAFT
H0110-001001 HYDRAULIC OIL TANK
H0110-001002 HYDRAULIC OIL TANK, DRAIN LINE
H0120-001001 CONTROL VALVE, STANDARD (1/11)
H0120-001002 CONTROL VALVE, STANDARD (2/11)
H0120-001003 CONTROL VALVE, STANDARD (3/11)
H0120-001004 CONTROL VALVE, STANDARD (4/11)
H0120-001005 CONTROL VALVE, STANDARD (5/11)
H0120-001006 CONTROL VALVE, STANDARD (6/11)
H0120-001007 CONTROL VALVE, STANDARD (7/11)
H0120-001008 CONTROL VALVE, STANDARD (8/11)
H0120-001009 CONTROL VALVE, STANDARD (9/11)
H0120-001010 CONTROL VALVE, STANDARD (10/11)
H0120-001011 CONTROL VALVE, STANDARD (11/11)
H0120-001012 CONTROL VALVE, STANDARD, CONNECTING PARTS (1/2)
H0120-001013 CONTROL VALVE, STANDARD, CONNECTING PARTS (2/2)
H0120-002001 CONTROL VALVE, FLOAT (1/11)
H0120-002002 CONTROL VALVE, FLOAT (2/11)
H0120-002003 CONTROL VALVE, FLOAT (3/11)
H0120-002004 CONTROL VALVE, FLOAT (4/11)
H0120-002005 CONTROL VALVE, FLOAT (5/11)
H0120-002006 CONTROL VALVE, FLOAT (6/11)
H0120-002007 CONTROL VALVE, FLOAT (7/11)
H0120-002008 CONTROL VALVE, FLOAT (8/11)
H0120-002009 CONTROL VALVE, FLOAT (9/11)
H0120-002010 CONTROL VALVE, FLOAT (10/11)
H0120-002011 CONTROL VALVE, FLOAT (11/11)
H0120-002012 CONTROL VALVE, FLOAT, CONNECTING PARTS (1/2)
H0120-002013 CONTROL VALVE, FLOAT, CONNECTING PARTS (2/2)
H0120-003001 CONTROL VALVE, HIGH-FLOW (1/11)
H0120-003002 CONTROL VALVE, HIGH-FLOW (2/11)
H0120-003003 CONTROL VALVE, HIGH-FLOW (3/11)
H0120-003004 CONTROL VALVE, HIGH-FLOW (4/11)
H0120-003005 CONTROL VALVE, HIGH-FLOW (5/11)
H0120-003006 CONTROL VALVE, HIGH-FLOW (6/11)
H0120-003007 CONTROL VALVE, HIGH-FLOW (7/11)
H0120-003008 CONTROL VALVE, HIGH-FLOW (8/11)
H0120-003009 CONTROL VALVE, HIGH-FLOW (9/11)
H0120-003010 CONTROL VALVE, HIGH-FLOW (10/11)
H0120-003011 CONTROL VALVE, HIGH-FLOW (11/11)
H0120-003012 CONTROL VALVE, HIGH-FLOW, CONNECTING PARTS (1/2)
H0120-003013 CONTROL VALVE, HIGH-FLOW, CONNECTING PARTS (2/2)
H0210-001001 HYDRAULIC PUMP, STANDARD, MOUNTS
H0210-001002 HYDRAULIC PUMP, STANDARD (1/13)
H0210-001003 HYDRAULIC PUMP, STANDARD (2/13)
H0210-001004 HYDRAULIC PUMP, STANDARD (3/13)
H0210-001005 HYDRAULIC PUMP, STANDARD (4/13)
H0210-001006 HYDRAULIC PUMP, STANDARD (5/13)
H0210-001007 HYDRAULIC PUMP, STANDARD (6/13)
H0210-001008 HYDRAULIC PUMP, STANDARD (7/13)
H0210-001009 HYDRAULIC PUMP, STANDARD (8/13)
H0210-001010 HYDRAULIC PUMP, STANDARD (9/13)
H0210-001011 HYDRAULIC PUMP, STANDARD (10/13)
H0210-001012 HYDRAULIC PUMP, STANDARD (11/13)
H0210-001013 HYDRAULIC PUMP, STANDARD (12/13)
H0210-001014 HYDRAULIC PUMP, STANDARD (13/13)
H0210-001015 HYDRAULIC PUMP, STANDARD, CONNECTING PARTS
H0210-002001 HYDRAULIC PUMP, HIGH-FLOW, MOUNTS
H0210-002002 HYDRAULIC PUMP, HIGH-FLOW (1/13)
H0210-002003 HYDRAULIC PUMP, HIGH-FLOW (2/13)
H0210-002004 HYDRAULIC PUMP, HIGH-FLOW (3/13)
H0210-002005 HYDRAULIC PUMP, HIGH-FLOW (4/13)
H0210-002006 HYDRAULIC PUMP, HIGH-FLOW (5/13)
H0210-002007 HYDRAULIC PUMP, HIGH-FLOW (6/13)
H0210-002008 HYDRAULIC PUMP, HIGH-FLOW (7/13)
H0210-002009 HYDRAULIC PUMP, HIGH-FLOW (8/13)
H0210-002010 HYDRAULIC PUMP, HIGH-FLOW (9/13)
H0210-002011 HYDRAULIC PUMP, HIGH-FLOW (10/13)
H0210-002012 HYDRAULIC PUMP, HIGH-FLOW (11/13)
H0210-002013 HYDRAULIC PUMP, HIGH-FLOW (12/13)
H0210-002014 HYDRAULIC PUMP, HIGH-FLOW (13/13)
H0210-002015HYDRAULIC PUMP, HIGH-FLOW, CONNECTING PARTS
H0311-001001 HYDRAULIC PIPING, SUCTION LINE
H0311-002001 HYDRAULIC PIPING, SUCTION LINE, WITH HIGH-FLOW
H0312-001001 HYDRAULIC PIPING, DELIVERY LINE
H0312-002001 HYDRAULIC PIPING, DELIVERY LINE, WITH HIGH-FLOW
H0330-001001 HYDRAULIC PIPING, RETURN LINE
H0340-001001 HYDRAULIC PIPING, DRAIN LINE, WITH STANDARD FLOW AND BREAKER
H1100-001001 HYDRAULIC PIPING, ARM CYLINDER CIRCUIT
H1270-001001 HYDRAULIC PIPING, ATTACHMENT LINE (1/3)
H1270-001002 HYDRAULIC PIPING, ATTACHMENT LINE (2/3)
H1270-001003 HYDRAULIC PIPING, ATTACHMENT LINE (3/3)
H1270-002001 HYDRAULIC PIPING, ATTACHMENT LINE (1/3), WITH HIGH-FLOWH
H1270-002002 HYDRAULIC PIPING, ATTACHMENT LINE (2/3), WITH HIGH-FLOW
H1270-002003 HYDRAULIC PIPING, ATTACHMENT LINE (3/3), WITH HIGH-FLOW
H1310-001001 HYDRAULIC PIPING, TRAVEL LINE
H1840-001001 HYDRAULIC PIPING, SERVOCONTROL LINE (1/2)
H1840-001002 HYDRAULIC PIPING, SERVOCONTROL LINE (2/2)
H1840-001003 HYDRAULIC PIPING, L.H. SERVOCONTROL
H1840-001004 HYDRAULIC PIPING, R.H. SERVOCONTROL
H1840-002001 HYDRAULIC PIPING, SERVOCONTROL LINE (1/2), WITH ROAD HOMOLOGATION
H1840-002002 HYDRAULIC PIPING, SERVOCONTROL LINE (2/2), WITH ROAD HOMOLOGATION
H1840-002003 HYDRAULIC PIPING, L.H. SERVOCONTROL, WITH ROAD HOMOLOGATION
H1840-002004 HYDRAULIC PIPING, R.H. SERVOCONTROL, WITH ROAD HOMOLOGATION
H6250-001001 HYDRAULIC PIPING, RIDE CONTROL
H6250-001002 ELECTRICAL SYSTEM, RIDE CONTROL
H6260-001001 HYDRAULIC PIPING, OVERRIDE CONTROL
H6260-001002 ELECTRICAL SYSTEM, OVERRIDE CONTROL
J3100-001001 FRAME (1/2)
J3100-001002 FRAME (2/2)
J3100-002001 FRAME, SOUND-PROOFING
K0110-001001 OPERATOR'S SEAT
K0110-002001 OPERATOR'S SEAT, WITH RETRACTABLE SEAT BELT
K0110-003001 OPERATOR'S SEAT, SUSPENSION TYPE
K0210-001001 OPERATOR'S CAB SOUND-PROOFING
K0210-002001 FRONT DOOR (1/3)
K0210-002002 FRONT DOOR (2/3)
K0210-002003 FRONT DOOR (3/3)
K0215-001001 LATERAL SLIDING WINDOW (1/2)
K0215-001002 LATERAL SLIDING WINDOW (2/2)
K0215-002001 CAB, GERMANY VERSION ACCESSORIES
K0410-001001 CAB, CAB IN PARTS
K0410-001002 CAB, CAB MOUNTS
K0410-001003 CAB, SAFETY BARS
K0410-001004 CAB, CAB IN PARTS, COVERS AND ACCESSORY (1/2)
K0410-001005 CAB, CAB IN PARTS, COVERS AND ACCESSORY (2/2)
K0410-002001 EMERGENCY ARM LOWERING
K0410-003001 SOUND-PROOFING (1/2)
K0410-004001 SOUND-PROOFING (2/2)
K0410-005001 AUXILIARY LIFTING CAB
K0410-006001 AUXILIARY LIFTING CAB (WITH FRONT DOOR)
K0600-001001 CANOPY GUARD
K0700-001001 HEATING SYSTEM
K0700-002001 AIR CONDITIONING SYSTEM (1/6)
K0700-002002 AIR CONDITIONING SYSTEM (2/6)
K0700-002003 AIR CONDITIONING SYSTEM (3/6)
K0700-002004 AIR CONDITIONING SYSTEM (4/6)
K0700-002005 AIR CONDITIONING SYSTEM (5/6)
K0700-002006 AIR CONDITIONING SYSTEM (6/6)
K0700-003001 AIR CONDITIONING SYSTEM, ENGINE (1/4)
K0700-003002 AIR CONDITIONING SYSTEM, ENGINE (2/4)
K0700-003003 AIR CONDITIONING SYSTEM, ENGINE (3/4)
K0700-003004 AIR CONDITIONING SYSTEM, ENGINE (4/4)
K1130-001001 FLOOR COVER, STANDARD
K1130-002001 FLOOR COVER, HIGH-FLOW
K1230-001001 MONITOR PANEL
K1261-001001 COMPONENTS WIRING CAB, STANDARD
K1262-001001 COMPONENTS WIRING CAB, HIGH-FLOW
K1410-001001 SOUND-PROOFING (PPC)
K1410-002001 HYDRAULIC PIPING, L.H. PPC VALVE SUPPORT
K1410-002002 HYDRAULIC PIPING, L.H. PPC VALVE FIXING PART
K1410-002003 HYDRAULIC PIPING, L.H. PPC VALVE, INNER PARTS
K1410-002004 HYDRAULIC PIPING, L.H. PPC VALVE CIRCUIT
K1410-003001 HYDRAULIC PIPING, L.H. PPC VALVE SUPPORT, WITH HIGH-FLOW
K1410-003002 HYDRAULIC PIPING, L.H. PPC VALVE FIXING PART, WITH HIGH-FLOW
K1410-003003 HYDRAULIC PIPING, L.H. PPC VALVE, INNER PARTS, WITH HIGH-FLOW
K1410-003004 HYDRAULIC PIPING, L.H. PPC VALVE CIRCUIT, WITH HIGH-FLOW
K1411-001001 HYDRAULIC PIPING, SLOW SPEED CONTROL, L.H. PPC VALVE SUPPORT
K1411-001002 HYDRAULIC PIPING, SLOW SPEED CONTROL, L.H. PPC VALVE FIXING PART
K1411-001003 HYDRAULIC PIPING, SLOW SPEED CONTROL, L.H. PPC VALVE, INNER PARTS
K1411-001004 HYDRAULIC PIPING, SLOW SPEED CONTROL, L.H. PPC VALVE CIRCUIT
K1411-001005 HYDRAULIC PIPING, SLOW SPEED CONTROL (1/4)
K1411-001006 HYDRAULIC PIPING, SLOW SPEED CONTROL (2/4)
K1411-001007 HYDRAULIC PIPING, SLOW SPEED CONTROL (3/4)
K1411-001008 HYDRAULIC PIPING, SLOW SPEED CONTROL (4/4)
K1411-001009 HYDRAULIC PIPING, SLOW SPEED CONTROL, ELECTRICAL COMPONENTS
K1510-001001 HYDRAULIC PIPING, R.H. PPC VALVE SUPPORT
K1510-001002 HYDRAULIC PIPING, R.H. PPC VALVE FIXING PART
K1510-001003 HYDRAULIC PIPING, R.H. PPC VALVE, INNER PARTS
K1510-001004 HYDRAULIC PIPING, R.H. PPC VALVE CIRCUIT
K1510-002001 HYDRAULIC PIPING, R.H. PPC VALVE SUPPORT, WITH FLOATING ARM
K1510-002002 HYDRAULIC PIPING, R.H. PPC VALVE FIXING PART, WITH FLOATING ARM
K1510-002003 HYDRAULIC PIPING, R.H. PPC VALVE, INNER PARTS, WITH FLOATING ARM
K1510-002004 HYDRAULIC PIPING, R.H. PPC VALVE CIRCUIT, WITH FLOATING ARM
K1530-001001 HYDRAULIC PIPING, ATTACHMENT LINE PPC VALVE FIXING PART
K1530-001002 HYDRAULIC PIPING, ATTACHMENT LINE PPC VALVE, INNER PARTS
K1530-001003 HYDRAULIC PIPING, ATTACHMENT LINE PPC VALVE CIRCUIT
K1530-001004 ATTACHMENT CONTROL PEDAL, FRAME
K1530-002001 ATTACHMENT PEDAL LOCKING SYSTEM
K1531-001001 ATTACHMENT CONTROL JOYSTICK, STANDARD (1/4)
K1531-001002 ATTACHMENT CONTROL JOYSTICK, STANDARD (2/4)
K1531-001003 ATTACHMENT CONTROL JOYSTICK, STANDARD (3/4)
K1531-001004 ATTACHMENT CONTROL JOYSTICK, STANDARD (4/4)
K1532-001001 ATTACHMENT CONTROL JOYSTICK, HIGH-FLOW (1/4)
K1532-001002 ATTACHMENT CONTROL JOYSTICK, HIGH-FLOW (2/4)
K1532-001003 ATTACHMENT CONTROL JOYSTICK, HIGH-FLOW (3/4)
K1532-001004 ATTACHMENT CONTROL JOYSTICK, HIGH-FLOW (4/4)
K4208-001001 KOMTRAX CONTROLLER AND WIRING, ANTENNA
K4290-001001 CAB, ELECTRICAL SYSTEM, WIRING HARNESS
K4290-001002 CAB, ELECTRICAL SYSTEM, ELECTRIC PARTS
K4290-001003 CAB, ELECTRICAL SYSTEM, WIRING HARNESS
K4290-001004 CAB, ELECTRICAL SYSTEM, HORN
K4290-002001 CAB, ELECTRICAL SYSTEM, WIRING HARNESS, WITH HIGH-FLOW OR ROAD HOMOLOGATION
K4290-002002 CAB, ELECTRICAL SYSTEM, ELECTRIC PARTS, WITH HIGH-FLOW OR ROAD HOMOLOGATION
K4290-002003 CAB, ELECTRICAL SYSTEM, PLUGS, WITH HIGH-FLOW OR ROAD HOMOLOGATION
K4290-002004 CAB, ELECTRICAL SYSTEM, HORN, WITH HIGH-FLOW OR ROAD HOMOLOGATION
K4290-003001 CAB, 12V ELECTRICAL SOCKET INSIDE CAB
K4290-004001 ANTITHEFT DEVICE, SMD
K4290-005001 ANTITHEFT DEVICE, GTEL
K4291-001001 CAB, ELECTRICAL SYSTEM, ROOF HARNESS, WITH FOR ROAD HOMOLOGATION (1/2)
K4291-001002 CAB, ELECTRICAL SYSTEM, ROOF HARNESS, WITH FOR ROAD HOMOLOGATION (2/2)
K4292-001001 CAB, ELECTRICAL SYSTEM, ROOF HARNESS
K4410-001001 FUEL CONTROL LEVER
K4411-001001 FUEL CONTROL PEDAL
M1110-001001 ENGINE HOOD
M1510-001001 REAR DOOR
M2410-001001 REAR VIEW MIRROR, LEFT SIDE
M4200-001001 MUDGUARD
M4520-001001 COUNTER WEIGHT
P1210-001001 TRAVEL MOTOR, FIXING PARTS
P1210-001002 TRAVEL MOTOR (1/4)
P1210-001003 TRAVEL MOTOR (2/4)
P1210-001004 TRAVEL MOTOR (3/4)
P1210-001005 TRAVEL MOTOR (4/4)
P1210-001006 TRAVEL MOTOR, CONNECTING PARTS
S0100-001001 WHEELS (10X16.5PR)
S0100-002001 WHEELS (10X16.5PR) (NARROW TREAD)
S0100-003001 WHEELS (31X15.5 15)
S0100-004001 WHEELS (7.00X15)
S0100-006001 WHEELS (10X16.5PR - AIR BOSS TYPE)
S0100-007001 WHEELS (10X16.5 PR14 - HEAVY DUTY)
T1115-001001 EXCAVATOR CONNECTION FRAME
T1115-001002 EXCAVATOR CONNECTION FRAME, FUEL CONTROL PEDAL SPACER
T1270-001001 ARM, ATTACHMENT LINE CIRCUIT
T1270-002001 ARM, ATTACHMENT LINE CIRCUIT, WITH HIGH-FLOW
T4110-001001 ARM, ARM AND PIN
T4110-001002 ARM, BUCKET CYLINDER LINE CIRCUIT
T4120-001001 BUCKET, L=1550 MM
T4120-002001 BUCKET, L=1730 MM
T4120-003001 BUCKET, L=1800 MM
T4120-004001 BUCKET PROTECTION, FOR ROAD HOMOLOGATION
T4120-005001 BUCKET RETAINER, FOR ROAD HOMOLOGATION
T4120-006001 BUCKET, L=1550 MM WITH TEETH
T4120-007001 BUCKET, L=1730 MM WITH TEETH
T4120-008001 BUCKET, L=1800 MM WITH TEETH
T4120-009001 FORK
T4121-001001 EQUIPMENT CARRIER
T4130-001001 BLADE UNDER TEETH, FOR BUCKET L=1550 MM
T4130-002001 BLADE UNDER TEETH, FOR BUCKET L=1730 MM
T4130-003001 BLADE UNDER TEETH, FOR BUCKET L=1800 MM
T4130-004001 BLADE INSTEAD OF TEETH, FOR BUCKET L=1550 MM
T4130-005001 BLADE INSTEAD OF TEETH, FOR BUCKET L=1730 MM
T4130-006001 BLADE INSTEAD OF TEETH, FOR BUCKET L=1800 MM
T4140-001001 ARM CYLINDER, INNER PARTS
T4140-001002 ARM, ARM CYLINDER PIN
T4150-001001 ARM, L.H. BUCKET CYLINDER, INNER PARTS
T4150-001002 ARM, R.H. BUCKET CYLINDER, INNER PARTS
T4150-001003 ARM, BUCKET CYLINDER, CONNECTING PARTS
T4150-001004 ARM, BUCKET CYLINDER PIN
U0100-001001 MARKS AND PLATES (1/2)
U0100-001002 MARKS AND PLATES (2/2)
U0100-002001 MARKS AND PLATES, ITALY, WITH ROAD HOMOLOGATION (1/2)
U0100-002002 MARKS AND PLATES, ITALY, WITH ROAD HOMOLOGATION (2/2)
U0100-003001 MARKS AND PLATES, SPAIN, WITH ROAD HOMOLOGATION (1/2)
U0100-003002 MARKS AND PLATES, SPAIN, WITH ROAD HOMOLOGATION (2/2)
U0100-004001 MARKS AND PLATES, GERMANY, WITH ROAD HOMOLOGATION (1/2)
U0100-004002 MARKS AND PLATES, GERMANY, WITH ROAD HOMOLOGATION (2/2)
U0101-001001 MARKS AND PLATES, TURBO
U0101-002001 MARKS AND PLATES, SUPER FLOW
V0300-001001 TOOLS
V0301-001001 MACHINE LIFTING HOOKS
1
2
3
4
5
6
7
8
9
10
11
12
13
13
14
15
16
17
18
19
20
Позиция на иллюстрации
Заводской номер детали
Название детали
1
37A-43-11301
Lever
2
37A-43-11360
Hand wheel
3
37A-43-11311
Disk
4
37A-09-63178
Washer, spring
5
01010-81240
BOLT
6
37A-09-2P410
NUT
7
37A-43-11610
Bracket
8
01010-80814
BOLT
9
01643-10823
WASHER
10
01016-50835
BOLT
11
01580-10806
NUT
12
21D-09-86690
PIN
13
37A-43-11370
Cable
14
3A6-01-11650
Pin
15
22E-09-13330
NUT
16
01643-10823
WASHER
17
22E-43-11130
Terminal
18
04434-51008
CLAMP
19
01010-80820
BOLT
20
01643-30823
WASHER
Содержащиеся в справочниках-каталогах запасные части и детали не предлагаются к продаже, а носят исключительно информационный характер
Дополнительная информация
×
Название:
Номер:
Примечание: