Вернуться на главную
Поиск
Каталоги запчастей к технике
Спецтехника
Komatsu
PC200, 210(LC)-7
H0312-01A0A DELIVERY LINE
Каталог запасных частей к технике: Komatsu PC200, 210(LC)-7. H0312-01A0A DELIVERY LINE
zoom-in
zoom-out
enlarge
shrink
circle-right
circle-left
file-text2
info
cart
Тип техники
Не выбрано
Легковые автомобили
Грузовые автомобили и прицепы
Автобусы
Сельхозтехника
Спецтехника
Двигатели
Мототехника
Марка
Не выбрано
Ammann
BOMAG
CARMIX
CASE IH
Changlin
ChengGong
Dimex
Doosan
DYNAPAC
Foton
HAMM
Hidromek
Hitachi
Hyundai
JCB
JLG
John Deere
Komatsu
LIEBHERR
LiuGong
Lonking (LongGong)
Luneng
MANITOU
Mitsuber
New Holland
PENGPU
RM-Terex
SANY
SDLG
SEM
Shantui
Shehwa HBXG
Soosan
TIGARBO
VOGELE
Volvo
WAY
WIRTGEN
XCMG
XGMA
Xiamen
YTO
Yuchai
Zoomlion
Автокран
АЗСМ
Алтайлесмаш
Амкодор
АОМЗ
Атек
АТЗ
Балканкар Рекорд
БелАЗ
Беловеж
Борекс
Брянский Арсенал
Булат
ВЭКС
ГАЗ
Геомаш
Гидромаш
Донекс
Дормаш
Дормашина
Дорэлектромаш
ДЭЗ
ЕлАЗ
ЗЗГТ
Ижнефтемаш
Канаш-электрокар
КЗКТ
ККЗ
Клевер
Клинцовский автокрановый завод
КМЗ
КМЗ 1 Мая
Ковровец
Коммаш
Кранэкс
КЭЗ
КЭМЗ
ЛЗА
МАЗ
МЗИК
МЗКМ
МЗКТ
Михневский РМЗ
МоАЗ
Мозырский МЗ
МТЗ
ОЗП
Онежец
ПАО "ТЗА"
ППС Детва
Промтрактор
ПТЗ
Раскат
СпецАгрегат
ТВЭКС
ТТМ
УВЗ
Угличмаш
УЗТМ
ХТЗ
ЧЗКМ
ЧСДМ
ЧТЗ
ЭКСКО
ЭКСМАШ
ЮрМаш
Модель
Не выбрано
D155C-1 (2010)
D155C-1 (спец.) (2010)
D155C-1D (2010)
D155C-1P (2010)
D355C-3 (2010)
D355C-3 (2010)
D85A-21 (2010)
D85A-21 (2010)
D85A-21B (2010)
D85C-21A (2010)
PC200, 210(LC)-7 (2004)
PC200-6 (2010)
PC200-7 (2010)
PC200-7-AA (2010)
PC200-8MO (2010)
PC200LC-7 (2010)
PC200LC-8M0 (2010)
PC210-6 (2010)
PC210LC-6 (2010)
PC220-7 (2010)
PC220-8MO (2010)
PC220LC-8MO (2010)
PC300-7 (2010)
PC300-8MO (2010)
PC300LC-7 (2010)
PC300LC-8MO (2010)
PC35MR-3 (2010)
PC400-7 (2010)
PC400-7EO (2010)
PC400LC-7 (2010)
PC55MR-3 (2010)
WB93R-5E0 (2018)
WB93S-5E0 (2018)
WB97S-5E0 (2018)
Погрузчик SK820 (2015)
Схема
>
Не выбрано
A1009-01A0 CYLNDER HEAD
A101V-01A1 WATER TEMPERATURE SENSOR
A105P-01A0 REAR HANGER
A111P-01A0 HEAD COVER
A131P-01A1 AIR CONNECTOR
A131R-01A0 AIR INTAKE HEATER
A131V-01A0 AIR INLET COVER
A151R-01A0 EXHAUST CONNECTOR CLAMP
A151T-01A0 EXHAUST MANIFOLD GASKET AND BOLT
A151V-01A0 EXHAUST MANIFOLD AND PLUG
A153T-01A1 TUBOCHARGER OIL PIPING
A153V-01A0 TURBOCHARGER OUT CONNECTION
A1539-01A0 TURBOCHARGER MOUNTING
A1570-01A3 HEAT SHIELD
A1610-01A0 MUFFLER AND MOUNTING
A173P-01A0 THERMOSTAT HOUSING
A173R-01A1 THERMOSTAT
A201V-01A0 OIL PRESSURE SWITCH
A2019-01A0 CYLINDER BLOCK
A2040-01A0 FRONT COVER POINTER
A2049-01A0 FRONT COVER
A206P-01A0 CAMFOLLOWER COVER
A2060-01A1 BREATHER HOSE
A207P-01A0 CYLINDER BLOCK BLIND PLUG
A211R-01A0 OIL PAN BOLT
A211V-01A1 OIL LEVEL SENSOR
A2119-01A1 OIL PAN AND SUCTION TUBE
A219P-01A0 OIL LEVEL GAUGE
A221V-01A0 REVOLUTION SENSOR
A2219-01A0 FLYWHEEL HOUSING
A223P-01A0 FLYWHEEL
A2319-01A0 CRANKSHAFT
A233P-01A0 DAMPER
A2359-01A0 PISTON
A241P-01A0 ROCKER ARM
A241R-01A0 TAPPET
A2419-01A0 CAMSHAFT
A261P-01A0 FRONT GEAR TRAIN COVER
A267P-01A1 ACCESSORY PULLEY
A281P-01A0 TACHOMETER DRIVE COVER
A283P-01A0 UNDER PLATE
A283V-01A0 NOISE PANEL CYLINDER BLOCK
A301P-01A0 OIL PUMP
A311P-01A1 OIL FILTER AND PIPING
A331P-01A1 OIL COOLER COVER
A401P-01A0 FUEL INJECTION PUMP
A401R-01A0 BOOST TUBE
A401V-01A0 NOISE PANEL INJECTION PUMP
A4010-01A0 FUEL HOSE JOINT
A408P-01A0 FUEL INJECTION PUMP MOUNTING
A411P-01A1 FUEL FILTER
A411R-01A1 FUEL FILTER PIPING
A411S-01A0 FUEL INJECTION PIPING
A417P-01A1 CYLINDER BLOCK BLIND COVER AND FUEL FILTER PIPING
A4219-01A0 INJECTION NOZZLE
A423V-01A0 FUEL JOINT
A501P-01A0 WATER PUMP
A501R-01A0 WATER CONNECTOR
A501S-01A0 WATER CONNECTOR PLUG
A5019-01A0 WATER PUMP (HARDENING PULLEY)
A502P-01A2 ALTERNATOR DRIVE PULLEY
A5030-01A0 COOLING FAN
A504P-01A0 FAN SPACER
A601P-01A0 ALTERNATOR (35A)
A601P-01A1 ALTERNATOR (OPT) (60A)
A601P-02A0 ALTERNATOR (35A) (INNER PARTS)
A601P-02A1 ALTERNATOR (60A) (INNER PARTS)
A601S-01A2 BELT TENSIONER
A601T-01A0 ALTERNATOR MOUNTING
A621P-01A0 STARTING MOTOR (4.5KW)
A621P-01A1 STARTING MOTOR (5.5KW)
A621P-02A0 STARTING MOTOR (4.5KW) (INNER PARTS)
A621P-02A1 STARTING MOTOR (5.5KW) (INNER PARTS)
A621S-01A0 STARTING MOTOR MOUNTING (4.5KW)
A621S-01A1 STARTING MOTOR MOUNTING (5.5KW)
A8110-01A0 REPAIR PARTS (1/4) (CYLINDER HEAD)
A8110-02A0 REPAIR PARTS (2/4) (CYLINDER BLOCK)
A8110-03A0 REPAIR PARTS (3/4) (CRANKSHAFT)
A8110-04A0 REPAIR PARTS (4/4) (PISTION)
A9810-01A0 CAUTION PLATE (JAPANESE–ENGLISH)
A9850-01A1Z CAUTION PLATE (FOR REGULATION OF EPA)
A9999-01A1 MAIN PUMP CONNECTING PARTS
B9999-01A8 AIR CLEANER (ORDERING TRANSFERRED PARTS)
B0000-01A0 DAMPER, PUMP AND TUBE
B0100-01A0 ENGINE MOUNT (BRACKET AND CUSHION)
B0100-02A0 ENGINE MOUNT (FILTER REMOTE)
B0200-01A0 AIR CLEANER CONNECTION
BO400-01A0 FUEL CONTROL
B0920-01A0 CORROSION ASSY
C0100-01A0A COOLING (RADIATOR) (WITH AIR CONDITIONER)
CO100-02A0 COOLING (AFTER COOLER AND CONDENSER) (WITH AIR CONDITIONER)
C0100-03A0 COOLING (PIPING, SUB TANK AND RADIATOR MOUNT) (WITH AIR CONDITIONER)
C0100-04A0 COOLING (AFTER COOLER PIPING) (WITH AIR CONDITIONER)
C0310-01A0 FAN GUARD (WITH AIR CONDITIONER)
C0310-01A1 FAN GUARD (OPT)
D0100-01A0 FUEL TANK
D0200-01A0 FUEL LINES
D0200-02A0 FUEL LINES (WATER SEPARATOR+FUEL FILTER)
E0100-01A1 BATTERY
E0200-01A0 WIRING (STARTING HARNESS)
EO200-02A0 WIRING (MAIN HARNESS) (HARNESS AND CLIP)
E0200-03A0 WIRING (MAIN HARNESS) (CLIP) (1/2)
E0200-04A0 WIRING (MAIN HARNESS) (CLIP) (2/2)
E0200-05A0 WIRING (BATTERY CASE)
E0200-06A0 WIRING (WORKING LAMP, FRONT)
E0310-01A0 ADDITIONAL WORK LAMP (OPT)
E0310-01A1 ADDITIONAL WORK LAMP (FOR LEVEL-1 GUARD) (OPT)
E0320-01A0 REAR WARK LAMP (OPT)
E0340-01A0 BEACON (OPT)
E0410-01A0 HORN
E0420-01A0 TRAVEL ALARM (OPT)
E0100-01A1 BATTERY (LARGE CAPACITY) (For Russia)
H0110-01A0 HYDRAULIC TANK
H0120-01A0 MAIN VALVE (CONNECTING PARTS)
H0120-01A1 MAIN VALVE (CONNECTING PARTS) (SPECIAL PIPING FOR BREAKER) (OPT)
H0120-01A4 MAIN VALVE (ADDITIONAL SERVICE VALVE KIT) (SPECIAL PIPING FOR BREAKER) (OPT)
H0120-02A0 MAIN VALVE (CONNECTING PARTS)
H0120-03A0 MAIN VALVE (VALVE BRACKET)
H0120-03A1 MAIN VALVE (VALVE BRACKET) (SPECIAL PIPING FOR BREAKER) (OPT)
H0120-04A6 MAIN VALVE (SERVICE VALVE PLUG) (SPECIAL PIPING FOR BREAKER) (OPT)
H0210-01A0A MAIN PUMP (CONNECTING PARTS)
H0311-01A0 SUCTION LINE
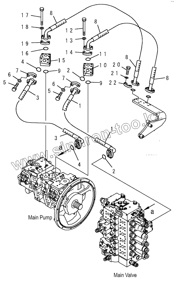
H0312-01A0A DELIVERY LINE
H0320-01A0 OIL COOLER LINE
H0330-01A0 RETURN LINE
H0330-01A1 RETURN LINE (SPECIAL PIPING FOR BREAKER) (OPT)
H0340-01A0 DRAIN LINES
H1210-01A0 BOOM LINE (BOOM LINES)
H1210-02A0 BOOM LINE (BOOM HOSE)
H1220-01A0 ARM AND BUCKET LINE
H1220-01A1 ARM AND BUCKET LINE (WITH DRIFT PRIVENTIVE) (OPT)
H1270-01A0 ATTACHMENT LINES (MAIN L. H.) (SPECIAL PIPING FOR BREAKER) (OPT)
H1270-01A2 RELIEF VALVE (210 KG/CM2) (SPECIAL PIPING FOR BREAKER) (OPT)
H1270-02A0 ATTACHMENT LINES (MAIN R. H.) (SPECIAL PIPING FOR BREAKER) (OPT)
H1270-03A0 ATTACHMENT LINES (RETURN) (SPECIAL PIPING FOR BREAKER) (OPT)
H1310-01A0 TRAVEL LINES
H1340-01A0 SWING LINES
H1810-01A0 LS LINES
H1831-01A0 SOLENOID VALVE (VALVE)
H1831-02A0 SOLENOID VALVE (HOSE AND BRACKET)
H1833-01A0 PRESSURE SWITCH
H1840-01A0 PPC MAIN LINE (HOSE)
H1840-02A1 PPC MAIN LINE (BLOCK) (SPECIAL PIPING FOR BREAKER) (OPT)
H0110-01A1 HYDRAULIC TANK (1 ACTUATOR) (OPT)
H0120-01A1 MAIN VALVE (CONNECTING PARTS) (1 ACTUATOR) (OPT)
H0120-01A4 MAIN VALVE (ADDITIONAL SERVICE VALVE KIT) (1 ACTUATOR) (OPT)
H0120-01A5 MAIN VALVE (ADDITIONAL SERVICE VALVE KIT) (2 ACTUATOR) (OPT)
H0120-02A1 MAIN VALVE (CONNECTING PARTS) (1 ACTUATOR) (OPT) (2/2)
H0120-03A1 MAIN VALVE (VALVE BRACKET) (1 ACTUATOR) (OPT)
H0120-04A6 MAIN VALVE (SERVICE VALVE PLUG) (1 ACTUATOR) (OPT)
H0330-01A1 RETURN LINE (1 ACTUATOR) (OPT)
H1270-01A0 ATTACHMENT LINES (MAIN L. H.) (1 ACTUATOR) (OPT)
H1270-01A1 RELIEF VALVE (280 KG/CM2) (FOR SERVICE VALVE) (OPT)
H1270-01A2 RELIEF VALVE (210 KG/CM2) (FOR SERVICE VALVE) (OPT)
H1270-01A3 RELIEF VALVE (250 KG/CM2) (FOR SERVICE VALVE) (OPT)
H1270-01A4 RELIEF VALVE (175 KG/CM2) (FOR SERVICE VALVE) (OPT)
H1270-02A0 ATTACHMENT LINES (MAIN R. H.) (1 ACTUATOR) (OPT)
H1270-03A0 ATTACHMENT LINES (RETURN) (1 ACTUATOR) (OPT)
H1270-04A0 ATTACHMENT LINES (ACCUMULATOR AND SOLENOLD VALVE) (1 ACTUATOR) (OPT)
H1831-01A1 SOLENOID VALVE (VALVE) (1 ACTUATOR) (OPT)
H1840-02A1 PPC MAIN LINE (BLOCK) (1 ACTUATOR) (OPT)
J1110-01A0 REVOLVING FRAME (COVER AND BRACKET)
J1110-02A0 REVOLVING FRAME (SHEET AND GROMMET)
J1310-01A0 BOOM FOOT PIN
K0110-01A2 OPERATOR’ S SEAT (SUSPENSION)
K0160-01A0 SEAT BELT (50MM WIDE)(OPT)
K0160-01A1 SEAT BELT (78MM WIDE)(OPT) (GRAMMER OF SEAT)
K0160-01A2 SEAT BELT (50MM WIDE)(OPT)
K0180-01A0 SEAT REAR COVER (WITH AIR CONDITIONER)
KO190-01A0 LUGGAGE BOX NET
K0220-01A0 TOP GUARD (OPT)
K0230-01A0 FRONT GUARD (HALF) (OPT)
K0230-01A1 FRONT GUARD (FULL) (LEVEL-1) (OPT)
K0230-01A2 FRONT GUARD (FULL) (LEVEL-2) (OPT)
K0310-01A0 FLOOR MAT
K0310-01A1 FLOOR MAT (SPECIAL PIPING FOR BREAKER) (OPT)
K0320-01A0 RAIN VISOR (OPT)
K0330-01A0 SUN VISOR (OPT)
K0350-01A0 WINDOW WASHER
KO700-01A0 AIR CONDITIONER (COMPRESSOR AND RECEIVER DRYER)
KO700-02A0 AIR CONDITIONER (HOSE)
K0830-01A1 FIRE EXTINGUISHER (ENGLISH) (OPT)
KO840-01A0 FIRST AID BOX (COLD WEATHER A SPEC.)
K1110-01A0 OPERATOR’S CAB (CAB)
K1110-02A0 FLOOR FRAME (OPERATOR’S CAB) (FRONT WINDOW)
K1110-03A0 OPERATOR’S CAB (FRONT LOWER WINDOW)
K1110-04A0 OPERATOR’S CAB (ROOF WINDOW)
K1110-05A0 AIR CONDITIONER (DOOR)
K1110-06A0 FLOOR FRAME (OPERATOR’S CAB) (DOOR COCK)
K1110-07A0 FLOOR FRAME (OPERATOR’S CAB) (OPEN LOCK)
K1110-08A0 FLOOR FRAME (OPERATOR’S CAB) (ELECTRICAL) (WIPER AND ROOM LAMP)
K1110-09A0 FLOOR FRAME (OPERATOR’S CAB) (ELECTRICAL)
K1110-10A0 FLOOR FRAME (OPERATOR’S CAB) (ACCESSORIES)
K1110-11A0 FLOOR FRAME (OPERATOR’ CAB) (PLUG BOLT)
K1110-12A0 FLOOR FRAME (OPERATOR’S CAB) (CLAMP AND PLATE)
K1110-13A0 FLOOR FRAME (OPERATOR’S CAB) (MONITOR SYSTEM)
K1110-14D0 FLOOR FRAME (OPERATOR’S CAB) (PLATE AND DUCT))
K1110-14A0 FLOOR FRAME (OPERATOR’S CAB)(PLATE AND DUCT)(FOR BIG WIND AIR CONDITIONER) (OPT)
K1110-15A0 FLOOR FRAME (OPERATOR’S CAB) (PARTTION AND FOOT DUCT)
K1110-16A0 FLOOR FRAME (OPERATOR’S CAB) (FLOOR FRAME)
K1110-17A0 FLOOR FRAME (OPERATOR’S CAB) (TRAVEL CONTROL)
K1110-18A0 FLOOR FRAME (FOOT REST) (L. H.)
K1110-19A0 FLOOR FRAME (FOOT REST) (R. H.)
K1110-19A1 FLOOR FRAME(FOOT REST)(R.H.)(SPECIAL PIPING FOR BREAKER)(OPT)
K1110-20A0 FLOOR FRAME (OPERATOR’S CAB) (BASE)
K1110-21A0 FLOOR FRAME (OPERATOR’S CAB) (SUB PANEL)
K1110-22A0 FLOOR FRAME (OPERATOR’S CAB) (HARNESS)
K1110-23A0 FLOOR FRAME (OPERATOR’S CAB) (CLAMP AND BOLT)
K1110-24A0 FLOOR FRAME
K1110-25A0 FLOOR FRAME (LEVER AND VALVE) (L. H.)
K1110-26A0 FLOOR FRAME (OPERATOR’S CAB) (CONSOLE) (UPPER) (WITH AIR CONDITIONER AND RADIO) (L.H.)
K1110-27A0 FLOOR FRAME (CONSOLE) (UPPER) (L.H.)(WITHOUT AIR CONDITIONER AND RADIO) (OPT)
K1110-28A0 FLOOR FRAME (OPERATOR’S CAB) (CONSOLE) (LOWER) (L.H.)
K1110-29A0 FLOOR FRAME (LEVER AND VALVE) (R.H.)
K1110-30A0 FLOOR FRAME (OPERATOR’S CAB) (CONSOLE) (MASTER KEY) (R.H.)
K1110-31A0 FLOOR FRAME (OPERATOR’S CAB) (AIR CONDITIONER AND FOOT COVER)
K1110-32A0 FLOOR FRAME (OPERATOR’S CAB) (AIR CONDITIONER HOSE)
K1110-33A0 FLOOR FRAME (OPERATOR’S CAB) (HEATER HOSE AND CLAMP)
K1110-34A0 FLOOR FRAME (PPC) (1/2)
K1110-35A0 FLOOR FRAME (PPC) (2/2)
K1110-36A0 FLOOR FRAME (PPC CLAMP)
K1110-37A0 FLOOR FRAME (OPERATOR’S CAB) (P.T BLOCK AND SEAL)
K1110-37A1 FLOOR FRAME (OPERATOR’S CAB) (P.T BLOCK AND SEAL) (SPECIAL PIPING FOR BREAKER)
K1110-37B5 FLOOR FRAME (OPERATOR’S CAB) (P.T BLOCK) (WITHOUT AIR CONDITIONER)
K1110-38A0 FLOOR FRAME
K1110-39A0 FLOOR FRAME (LEVER KNOB)
K1120-01A0 FLOOR MOUNT
K1730-01A0 SWITCH
K0310-01A1 FLOOR MAT (1 ACTUATOR) (OPT)
K1110-04A1 FLOOR FRAME (FOOT REST) (R. H.) (1 ACTUATOR) (OPT)
K1110-21A1 FLOOR FRAME (P, T BLOCK AND SEAL) (1 ACTUATOR) (OPT)
M1110-01A0 HOOD
M1120-01A0 FRAME (MACHINE CAB)
M1130-01A0 LEFT SIDE DOOR (MACHINE CAB)
M1140-01A0 RIGHT SIDE DOOR (MACHINE CAB)
M1150-01A0 PARTITION (MACHINE CAB)
M1160-01A0 PARTITION
M1210-01A0 COVER (MACHINE CAB) (UPPER)
M1220-01A0 RIGHT SIDE CASE
M1310-01A0 HAND RAIL
M1410-01A0 REAR VIEW MIRROR, L. H. (SINGLE) (OPT)
M1420-01A0 REAR VIEW MIRROR, R. H.
M1510-01A0 COUNTER WEIGHT
M1520-01A0 COUNTER WEIGHT MOUNTING
M1810-01A0 UNDER COVER (REVOLVING FRAME) (LEFT SIDE COVER AND TOOL BOX)
M1810-02A0 UNDER COVER (REVOLVING FRAME) (ENGINE ROOM AND TANK)
N1110-01A0 SWING CIRCLE (CONCENTRATED GREASING)
N1210-01A0 SWING MACHINERY
N1220-01A0 SWING MOTOR (CONNECTING PARTS)
N1310-01A0 SWIVEL JOINT (CONNECTING PARTS)
P1120-01A0 TRAVEL PIPING
P1120-01A1 TRAVEL PIPING
P1210-01A0 FINAL DRIVE
R0110-01A0 FRONT IDLER
R0110-02A0 IDLER CUSHION
R0110-02A1 IDLER CUSHION
R0200-01A0 TRACK ROLLER
R0200-01A1 TRACK ROLLER
R0300-01A0 CARRIER ROLLER
R0500-01A0 TRACK SHOE (SWAMP TYPE) (860 mm WIDE) (OPT)
R0500-01A1 TRACK SHOE (FLAT TYPE) (610 mm WIDE) (OPT)
R0500-01A2 TRACK SHOE (ROADLINER) (600 mm WIDE) (OPT)
R0500-01A4 TRACK SHOE (TRIPLE GROUSER WITH HOLE) (600 mm WIDE)
R0500-01A5 TRACK SHOE (TRIPLE GROUSER WITH HOLE) (700 mm WIDE) (OPT)
R0500-01A6 TRACK SHOE (TRIPLE GROUSER WITH HOLE) (800 mm WIDE) (OPT)
R0500-01A7 TRACK SHOE (TRIPLE GROUSER) (HOLES TO EQUIP WITH CITY PAD) (OPT)
R0500-01A8 TRACK SHOE (SWAMP TYPE) (860 mm WIDE) (OPT)
R0500-01B1 TRACK SHOE (TRIPLE GROUSER WITH HOLE) (600 MM WIDE)
R0500-01B2 TRACK SHOE (TRIPLE GROUSER WITH HOLE) (700 MM WIDE) (OPT)
R0500-01B3 TRACK SHOE (TRIPLE GROUSER WITH HOLE) (800 MM WIDE) (OPT)
R1100-01A0 TRACK FRAME
R1100-01A1 TRACK FRAME
R1100-01A2 TRACK FRAME (WITH UNDER COVER) (OPT)
R1100-01A3 TRACK FRAME (WITH UNDER COVER) (OPT)
R1140-01A0 UNDER COVER (FOR TRACK FRAME) (OPT)
R1200-01A1 TRACK ROLLER GUARD
R1200-01A2 TRACK FULL ROLLER GUARD (OPT)
R1200-01A3 TRACK FULL ROLLER GUARD (OPT)
T1110-01A1 BOOM
T1110-02A0 BOOM (TOP PIN AND BOOTOM PIN)
T1110-03A0 BOOM (ARM CYLINDER LINE AND BUCKET CYLINDER LINE)
T1110-03A1 BOOM (FOR ADDITIONAL PIPING) (ARM CYLINDER LINE AND BUCKET CYLINDER LINE) (OPT)
T1110-04A0A BOOM (LUBRICATING LINE AND WORKING LAMP HARNESS)
T1110-05A1 BOOM (ADDITIONAL LINE) (FOR ADDITIONAL PIPING) (OPT)
T1110-06A0 BOOM (WORKING LAMP AND BOOM FOOT LUBRICATING)
T1120-01A0 BOOM CYLINDER
T1125-01A0 BOOM PIN
T1140-01A0 ARM CYLINDER
T1140-01A2 ARM CYLINDER (BLIND PARTS) (FOR COMPONENT)
T1200-01A0 ARM (2.9m) (PC200, 200LC-7)
T1200-01AA ARM (2.9m) (PC210, 210LC-7)
T1200-01A1 ARM (2.9M) (FOR ADDITIONAL PIPING) (OPT)
T1200-01A3 ARM (2.4M) (FOR ADDITIONAL PIPING) (OPT)
T1200-02A0 ARM (2.9M) (BUCKET LINK) PC200, 200(LC)-7
T1200-02A0 ARM (2.9M) (BUCKET LINK) PC210, 210LC-7
T1200-02A2 ARM (2.4M) (BUCKET LINK) (OPT)
T1200-03A0 ARM (2.9M) (BUCKET CYLINDER HOSE AND SPACER)
T1200-03A2 ARM (2.4M) (BUCKET CYLINDER HOSE AND SPACER) (OPT)
T1200-04A1 ARM (2.9M) (SPECIAL PIPING FOR BREAKER) (OPT)
T1200-04A1 ARM (2.9M) (ADDITIONAL PIPING) (OPT)
T1200-04A3 ARM (2.4M) (SPECIAL PIPING FOR BREAKER) (L. H.) (OPT)
T1200-05A3 ARM (2.4M) (SPECIAL PIPING FOR BREAKER) (R. H.) (OPT)
T1290-01A0 BUCKET LESS
T1510-01A0 CLAMSHELL BUCKET (OPT)
T1510-01A2 BUCKET, 0.5M3, 750 MM (HORIZONTAL PIN TYPE)
T1510-01A3 RIPPER BUCKET, 0.61M3, 950 MM
T1510-01A4 SLOPE FINISHING BUCKET (OPT)
T1510-01A5 TRAPEZOIDAL BUCKET (OPT)
T1510-01A6 DITCH CLEANING BUCKET, 0.8M3, 1800 MM (OPT)
T1510-01A7 SINGLE SHANK RIPPER
T1510-01A8 THREE SHANK RIPPER
T1510-01B2 BUCKET, 1.0M3 (HORIZONTAL PIN TYPE) (OPT)
T1510-01B5 BUCKET, 0.8M3 (HORIZONTAL PIN TYPE)
T1510-01B6 BUCKET, 0.8M3 (ROCKTYPE) (OPT)
T1510-01B9 NARROW BUCKET (990 mm), 1.0M3 (HORIZONTAL PIN TYPE) (WITH ADJUSTER) (OPT)
T1510-01B9 BUCKET, 0.9M3 (HORIZONTAL PIN TYPE) (WITH ADJUSTER) (OPT)
T1510-02A1 SIDE CUTTER (FOR BUCKET)
T1920-01A0 BREAKER ADAPTER (FOR KRUPP) (OPT)
T1920-01A1 BREAKER ADAPTER (FOR NIPPON PNEUMATIC) (OPT)
T1920-01A2 BREAKER ADAPTER (FOR FUPUKAWA AND ATLAS) (OPT)
T1920-01A3 BREAKER ADAPTER (FOR MATUDA) (OPT)
T1110-03A1 BOOM (FOR ADDITIONAL PIPING) (ARM CYLINDER LINE AND BUCKET CYLINDER LINE) (OPT)
T1110-05A1 BOOM (ADDITIONAL LINE) (FOR ADDITIONAL PIPING) (OPT)
T1200-01A1 ARM (2.9M) (FOR ADDITIONAL PIPING) (OPT)
T1200-01A3 ARM (2.4M) (FOR ADDITIONAL PIPING) (OPT)
T1200-02A1 ARM (2.9M) (BUCKET LINK) (FOR ADDITIONAL PIPING) (OPT)
T1200-04A1 ARM (2.9M) (ADDITIONAL PIPING) (OPT)
T1200-04A3 ARM (2.4M) (ADDITIONAL PIPING) (L. H.) (OPT)
T1200-05A3 ARM (2.4M) (ADDITIONAL PIPING) (R. H.) (OPT)
T1200-01A0 ARM (RUSSIAN SPEC) (2.9m) (PC200, 200LC-7)
U0100-01A2 DECAL AND PLATE (CHINESE)
U0100-01A3 DECAL AND PLATE (CHINESE)
U0100-01A4 DECAL AND PLATE (CHINESE)
U0100-01A5 DECAL AND PLATE (CHINESE)
U0150-01A0 LOGO (KOMATSU) (SMALL) (GENERAL)
U0510-01A0 PLATE (BOOM SIDE, R.H.) (LOGO MARK)
U0200-01A1 PLATE (LIFTING CAPACITY) (ENGLISH) (OPT)
U0200-01A2 PLATE (LIFTING CAPACITY) (ENGLISH) (OPT)
U0510-01A0 PLATE (BOOM SIDE, R. H.) (LOGO MARK)
U0520-01A0 CAUTION PLATE (FOR LV1 GUARD) (FOR EXCEPT JAPAN) (OPT)
U0520-01A1 CAUTION PLATE (FOR LV2 GUARD) (FOR EXCEPT JAPAN) (OPT)
U0550-01A1 PLATE (AIR CLEANER, DOUBLE ELEMENT)
U0580-01A0 PLATE (WITH ACCUMLATOR) (OPT)
U0100-01A2 DECAL AND PLATE (CHINESE) (For Russia)
U0550-01A1 PLATE (AIR CLEANER, DOUBLE ELEMENT) (For Russia)
V0100-01A0 SPARE PARTS
V0200-01A0 CAP AND OVERALL
V0300-01A0 TOOL KIT
W0111-01A0 PREVENTIVE MAINTENANCE CLINIC PARTS (OPT)
W1200-01A0 BLIND PARTS (BODY) (OPT)
W1201-01A0 BLIND PARTS (BOOM) (OPT)
W1201-01A2 BLIND PARTS (BOOM) (FOR COMPONENT) (OPT)
W1202-01A0 BLIND PARTS (BOOM CYLINDER) (OPT)
W1203-01A0 BLIND PARTS (ARM) (OPT)
W1200-01A1 BLIND PARTS (BODY) (1 ACTUATOR) (OPT)
W1201-01A1 BLIND PARTS (BOOM) (1 ACTUATOR) (OPT)
W1201-01A3 BLIND PARTS (BOOM) (1 ACTUATOR) (FOR COMPONENT) (OPT)
W1203-01A1 BLIND PARTS (ARM) (1 ACTUATOR) (OPT)
Y0260-01A0 SWING MACHINERY (SUPPLY ONLY)
Y0270-01A0 FINAL DRIVE (SUPPLY ONLY)
Y0320-01A0 SHOE BOLT AND NUT SERVICE KIT
Y0321-01A0 TRACK LINK ASSY (90 SET) (SUPPLY PARTS)
Y0321-01A1 TRACK LINK ASSY (98 SET) (SUPPLY PARTS) (PC200LC, 210LC-7)
Y1011-01A0 AIR CLEANER (INNER PART)
Y1061-01A0 WIRING HARNESS (JUNCTION CONNECTOR) (FOR SUPPLY)
Y1600-01A0 MAIN PUMP (1/11)
Y1600-02A0 MAIN PUMP (2/11)
Y1600-03A0 MAIN PUMP (3/11)
Y1600-04A0 MAIN PUMP (4/11)
Y1600-05A0 MAIN PUMP (5/11)
Y1600-06A0 MAIN PUMP (6/11)
Y1600-07A0 MAIN PUMP (7/11)
Y1600-08A0 MAIN PUMP (8/11)
Y1600-09A0 MAIN PUMP (9/11)
Y1600-10A0 MAIN PUMP (10/11)
Y1600-11A0 MAIN PUMP (11/11)
Y1620-01A0 BOOM CYLINDER
Y1620-11A0 ARM CYLINDER
Y1620-41A0 BUCKET CYLINDER
Y1627-01A0 SWIVEL JOINT
Y1640-01A0 SWING MOTOR (1/3)
Y1640-02A0 SWING MOTOR (2/3)
Y1640-03A0 SWING MOTOR (3/3)
Y1641-01A0 TRAVEL MOTOR (1/3)
Y1641-02A0 TRAVEL MOTOR (2/3)
Y1641-03A0 TRAVEL MOTOR (3/3)
Y1660-01A0 MAIN VALVE (1/16)
Y1660-02A0 MAIN VALVE (2/16)
Y1660-03A0 MAIN VALVE (3/16)
Y1660-04A0 MAIN VALVE (4/16)
Y1660-05A0 MAIN VALVE (5/16)
Y1660-06A0 MAIN VALVE (6/16)
Y1660-07A0 MAIN VALVE (7/16)
Y1660-08A0 MAIN VALVE (8/16)
Y1660-09A0 MAIN VALVE (9/16)
Y1660-10A0 MAIN VALVE (10/16)
Y1660-11A0 MAIN VALVE (11/16)
Y1660-12A0 MAIN VALVE (12/16)
Y1660-13A0 MAIN VALVE (13/16)
Y1660-14A0 MAIN VALVE (14/16)
Y1660-15A0 MAIN VALVE (15/16)
Y1660-16A0 MAIN VALVE (16/16)
Y1669-01A0 SERVICE VALVE (1/3) (SPECIAL PIPING FOR BREAKER) (OPT)
Y1669-02A0 SERVICE VALVE (2/3) (SPECIAL PIPING FOR BREAKER) (OPT)
Y1669-03A0 SERVICE VALVE (3/3) (SPECIAL PIPING FOR BREAKER) (OPT)
Y1669-11A0 SERVICE VALVE (1/3)(OPT)
Y1669-12A0 SERVICE VALVE (2/3)(OPT)
Y1669-13A0 SERVICE VALVE (3/3)(OPT)
Y1670-01A0 PPC VALVE (FOR TRAVEL) (1/2)
Y1670-02A0 PPC VALVE (FOR TRAVEL) (2/2)
Y1670-11A0 PPC VALVE (FOR WORK EQUIPMENT)
Y1670-21A0 PPC VALVE (FOR ATTACHMENT)(OPT)
Y1671-01A0 EPC VALVE (OPT)
Y1675-01A0 LOCK VALVE (OPT)
Y1851-01A0 FILTER (INNER PARTS)(OPT)
Y1860-01A0 SOLENOID VALVE (INNER PARTS)
Y1861-01A0 SOLENOID VALVE (INNER PARTS)(OPT)
Y1979-01A0 COMPRESSOR ASSY (FOR AIR CONDITIONER)
Y1979-11A0 UNIT ASSY (FOR AIR CONDITIONER)
Y1979-21A0 UNIT ASSY (COOLING) (FOR AIR CONDITIONER)
Y1979-31A0 BLOWER ASSY (FOR AIR CONDITIONER)
Y1979-41A0 CONDENSER ASSY (FOR AIR CONDITIONER)
Y1662-01A0 MAIN VALVE (1-ACTUATOR) (1/19)(OPT)
Y1662-02A0 MAIN VALVE (1-ACTUATOR) (2/19)(OPT)
Y1662-03A0 MAIN VALVE (1-ACTUATOR) (3/19)(OPT)
Y1662-04A0 MAIN VALVE (1-ACTUATOR) (4/19)(OPT)
Y1662-05A0 MAIN VALVE (1-ACTUATOR) (5/19)(OPT)
Y1662-06A0 MAIN VALVE (1-ACTUATOR) (6/19)(OPT)
Y1662-07A0 MAIN VALVE (1-ACTUATOR) (7/19)(OPT)
Y1662-08A0 MAIN VALVE (1-ACTUATOR) (8/19)(OPT)
Y1662-09A0 MAIN VALVE (1-ACTUATOR) (9/19)(OPT)
Y1662-10A0 MAIN VALVE (1-ACTUATOR) (10/19)(OPT)
Y1662-11A0 MAIN VALVE (1-ACTUATOR) (11/19)(OPT)
Y1662-12A0 MAIN VALVE (1-ACTUATOR) (12/19)(OPT)
Y1662-13A0 MAIN VALVE (1-ACTUATOR) (13/19)(OPT)
Y1662-14A0 MAIN VALVE (1-ACTUATOR) (14/19)(OPT)
Y1662-15A0 MAIN VALVE (1-ACTUATOR) (15/19)(OPT)
Y1662-16A0 MAIN VALVE (1-ACTUATOR) (16/19)(OPT)
Y1662-17A0 MAIN VALVE (1-ACTUATOR) (17/19)(OPT)
Y1662-18A0 MAIN VALVE (1-ACTUATOR) (18/19)(OPT)
Y1662-19A0 MAIN VALVE (1-ACTUATOR) (19/19)(OPT)
Y1669-01A0 SERVICE VALVE (1/3)(OPT)
Y1669-02A0 SERVICE VALVE (2/3)(OPT)
Y1669-03A0 SERVICE VALVE (3/3)(OPT)
Y1679-01A0 SELECTOR VALVE(OPT)
Y1840-01A0 ACCUMULATOR (AL300-1) (INNER PARTS)(OPT)
1
1
2
2
3
3
4
4
5
5
6
6
7
7
8
8
8
8
9
9
10
11
12
13
14
15
16
17
18
19
20
21
22
Позиция на иллюстрации
Заводской номер детали
Название детали
1
20Y-62-43810
HOSE, 990MM
2
21T-09-11460
O-RING
3
20Y-62-43820
HOSE, 920MM
4
21T-09-11460
O-RING
5
07372-21035
BOLT
6
01643-51032
WASHER
7
07371-31049
FLANGE, SPRIT
8
20Y-62-43830
HOSE, 740MM
9
21T-09-11460
O-RING
10
20Y-62-43840
BLOCK
11
21T-09-11460
O-RING
12
417-875-1670
BOLT
13
01643-51032
WASHER
14
07371-31049
FLANGE, SPRIT
15
20Y-62-43850
BLOCK
16
21T-09-11460
O-RING
17
417-875-1670
BOLT
18
01643-51032
WASHER
19
07371-31049
FLANGE, SPRIT
20
07372-21035
BOLT
21
01643-51032
WASHER
22
07371-30640
FLANGE
Содержащиеся в справочниках-каталогах запасные части и детали не предлагаются к продаже, а носят исключительно информационный характер
Дополнительная информация
×
Название:
Номер:
Примечание: