Вернуться на главную
Поиск
Каталоги запчастей к технике
Спецтехника
Komatsu
D85C-21A
FENDER RELATED PARTS
Каталог запасных частей к технике: Komatsu D85C-21A. FENDER RELATED PARTS
zoom-in
zoom-out
enlarge
shrink
circle-right
circle-left
file-text2
info
cart
Тип техники
Не выбрано
Легковые автомобили
Грузовые автомобили и прицепы
Автобусы
Сельхозтехника
Спецтехника
Двигатели
Мототехника
Марка
Не выбрано
Ammann
BOMAG
CARMIX
CASE IH
Changlin
ChengGong
Dimex
Doosan
DYNAPAC
Foton
HAMM
Hidromek
Hitachi
Hyundai
JCB
JLG
John Deere
Komatsu
LIEBHERR
LiuGong
Lonking (LongGong)
Luneng
MANITOU
Mitsuber
New Holland
PENGPU
RM-Terex
SANY
SDLG
SEM
Shantui
Shehwa HBXG
Soosan
TIGARBO
VOGELE
Volvo
WAY
WIRTGEN
XCMG
XGMA
Xiamen
YTO
Yuchai
Zoomlion
Автокран
АЗСМ
Алтайлесмаш
Амкодор
АОМЗ
Атек
АТЗ
Балканкар Рекорд
БелАЗ
Беловеж
Борекс
Брянский Арсенал
Булат
ВЭКС
ГАЗ
Геомаш
Гидромаш
Донекс
Дормаш
Дормашина
Дорэлектромаш
ДЭЗ
ЕлАЗ
ЗЗГТ
Ижнефтемаш
Канаш-электрокар
КЗКТ
ККЗ
Клевер
Клинцовский автокрановый завод
КМЗ
КМЗ 1 Мая
Ковровец
Коммаш
Кранэкс
КЭЗ
КЭМЗ
ЛЗА
МАЗ
МЗИК
МЗКМ
МЗКТ
Михневский РМЗ
МоАЗ
Мозырский МЗ
МТЗ
ОЗП
Онежец
ПАО "ТЗА"
ППС Детва
Промтрактор
ПТЗ
Раскат
СпецАгрегат
ТВЭКС
ТТМ
УВЗ
Угличмаш
УЗТМ
ХТЗ
ЧЗКМ
ЧСДМ
ЧТЗ
ЭКСКО
ЭКСМАШ
ЮрМаш
Модель
Не выбрано
D155C-1 (2010)
D155C-1 (спец.) (2010)
D155C-1D (2010)
D155C-1P (2010)
D355C-3 (2010)
D355C-3 (2010)
D85A-21 (2010)
D85A-21 (2010)
D85A-21B (2010)
D85C-21A (2010)
PC200, 210(LC)-7 (2004)
PC200-6 (2010)
PC200-7 (2010)
PC200-7-AA (2010)
PC200-8MO (2010)
PC200LC-7 (2010)
PC200LC-8M0 (2010)
PC210-6 (2010)
PC210LC-6 (2010)
PC220-7 (2010)
PC220-8MO (2010)
PC220LC-8MO (2010)
PC300-7 (2010)
PC300-8MO (2010)
PC300LC-7 (2010)
PC300LC-8MO (2010)
PC35MR-3 (2010)
PC400-7 (2010)
PC400-7EO (2010)
PC400LC-7 (2010)
PC55MR-3 (2010)
WB93R-5E0 (2018)
WB93S-5E0 (2018)
WB97S-5E0 (2018)
Погрузчик SK820 (2015)
Схема
>
Не выбрано
ENGINE MOUNT
MUFFLER
RADIATOR PIPING
V-BELT (RADIATOR FAN PULLEY)
FUEL TANK
FUEL PIPING
FUEL PIPING (WITH WATER SEPARATOR)(37613-)
ENGINE ROOM CABLE
REAR CABLE
REAR CABLE (WITH WINCH SAFETY DEVICE)(37613-)
WIRE CONNECTION
SAFETY WIRING RELAY (WITH WINCH SAFETY DEVICE)(37613-)
POWER TAKE OFF (1/3)
POWER TAKE OFF (2/3)
POWER TAKE OFF (3/3)
UNIVERSAL JOINT
TORQUE CONVERTER UNIT
TORQUE CONVERTER (BARE AND OUTPUT AND DRIVE CASE) (1/4)
TORQUE CONVERTER (REAR HOUSE) (2/4)
TORQUE CONVERTER (SCAVENGING PUMP) (3/4)
TORQUE CONVERTER (VALVE) (4/4)
TRANSMISSION (BARE) (1/6)
TRANSMISSION (HOUSING) (2/6)
TRANSMISSION (CARRIER) (3/6)
TRANSMISSION (CASE) (4/6)
TRANSMISSION (TRANSFER) (5/6)
TRANSMISSION (INPUT AND OUTPUT) (6/6)
TRANSMISSION CONTROL VALVE (1/3)
TRANSMISSION CONTROL VALVE (2/3)
TRANSMISSION CONTROL VALVE (3/3)
TRANSMISSION LUBRICATION VALVE
BEVEL GEAR AND SHAFT
STEERING CLUTCH
STEERING CASE COVER
STEERING CASE COVER (WITH WINCH SAFETY DEVICE)(37613-)
BRAKE BAND AND LINKAGE
FINAL DRIVE (GEAR)
FINAL DRIVE (GEAR AND SHAFT)
FINAL DRIVE (SPROCKET AND CASE)
STEERING CONTROL VALVE
STEERING CONTROL VALVE PLATE
STEERING PUMP
TRANSMISSION PUMP
POWER LINE PIPING (SUCTION LINE)
POWER LINE PIPING (TRANSMISSION LINE)
POWER LINE PIPING (TRANSMISSION LINE) (WITH WINCH SAFETY DEVICE)(37613-)
TORQUE CONVERTER AND STEERING RELIEF VALVE
POWER LINE PIPING (STEERING LINE)
POWER LINE PIPING (LUBRICATE LINE)
TRANSMISSION RELIEF VALVE
TORQUE CONVERTER AND OIL COOLER PIPING
PRESSURE CHECK
SAFETY PIPING (WITH WINCH SAFETY DEVICE)(37613-)
SOLENOID VALVE RELATED (WITH WINCH SAFETY DEVICE)(37613-)
POWER LINE STRAINER AND FILTER
COUNTER WEIGHT TANK RELATED PARTS
COUNTER WEIGHT PUMP
STEERING CASE FRAME
STEERING CASE REAR COVER
LEVEL GAUGE
LEVEL GAUGE (WITH WINCH SAFETY DEVICE)(37613-)
SUSPENSION
OPERATOR'S SEAT
OPERATOR'S SEAT ASSEMBLY
SEAT BELT
CAB (BODY AND COVER)
CAB (COVER)
CAB (COVER) (WITH VENTILATOR)(37613-)
CAB (DOOR AND WINDOW)
CAB (DOOR AND WINDOW) (WITH WINCH SAFETY DEVICE)(37613-)
CAB (INTERIOR)(36551-37779)
CAB (INTERIOR)(37780-)
CAB (INTERIOR) (WITH VENTILATOR)(37613-37779)
CAB (INTERIOR) (WITH VENTILATOR)(37780-)
CAB (ELECTRICAL PARTS)
CAB (REAR WORK LAMP AND WIPER)(36551-37779)
CAB (REAR WORK LAMP AND WIPER)(37780-)
CAB (VENTILATOR¤REAR WORK LAMP AND WIPER)(37613-37779)
CAB (VENTILATOR¤REAR WORK LAMP AND WIPER)(37780-)
CAB (HEATER RELATED PARTS)
CAB (HOT AIR PIPING AND AIR CONDITIONER RELATED PARTS)(36551-37779)
CAB (HEATER RELATED PARTS) (FOR AIR CONDITIONER)(37780-)
CAB (DUCT RELATED PARTS)
CAB (HEATER PIPING)
CAB (COOLER PIPING) (FOR AIR CONDITIONER)
CAB (BLANK PARTS)(37780-)
CAB (WORK LAMP)(37780-)
CAB (WORK LAMP) (WITH VENTILATOR)(37780-)
CAB (FOG LAMP)(37780-)
CAB (REAR VIEW MIRROR)(37780-)
CAB (WINCH LAMP)(37780-)
CAB (SUNVISOR)
HEATER ASS'Y
AIR CONDITIONER UNIT
GRILL ASS'Y
GRILL ASS'Y (FOR AIR CONDITIONER)
CONDENSER ASS'Y (FOR AIR CONDITIONER)
CAB MOUNT
FLOOR MAT
SUNVISOR(36551-37779)
HEATER PIPING
COOLER PIPING
COOLER PIPING (FOR AIR CONDITIONER) (FOR SAND AND DUSTY)
COMPRESSOR RELATED PARTS
AIR COMPRESSOR(36551-37842)
AIR COMPRESSOR(37843-)
AIR COMPRESSOR (FOR SAND AND DUSTY)(36551-37842)
AIR COMPRESSOR (FOR SAND AND DUSTY)(37843-)
CIGA LIGHTER AND ASHTRAY
EXTINGUISHER
FIRST AID BOX
THERMOS BOTTLE
THERMOS BOTTLE (BELT)(37778-)
FLOOR FRAME
FLOOR FRAME (WITH WINCH SAFETY DEVICE)(37613-)
FLOOR FRAME (WITH COMBUSTIBLE HEATER) (WITH WINCH SAFETY DEVICE)(37613-)
FLOOR FRAME (WITH WINCH SAFETY DEVICE)(37806-)
FLOOR FRAME (WITH OVER WIND ALARM)(37757-)
DECELERATOR PEDAL
SHUTTER CONTROL LEVER(37613-)
ENGINE CONTROL LEVER (1/3)
ENGINE CONTROL LEVER (2/3)
ENGINE CONTROL LEVER (3/3)
PARKING LEVER
TRANSMISSION CONTROL LEVER (1/2)
TRANSMISSION CONTROL LEVER (2/2)
WINCH CONTROL LEVER
WINCH CONTROL LEVER (WITH WINCH SAFETY DEVICE)(37613-)
HOOK AND HI-LOW LEVER LINKAGE
WINCH CONTROL LEVER LINKAGE
BOOM CONTROL LEVER
BOOM CONTROL LEVER (WITH WINCH SAFETY DEVICE)(37613-)
BOOM CONTROL LEVER (WITH WINCH SAFETY DEVICE)(37806-)
HOOK AND HI-LOW LEVER
COUNTER WEIGHT CONTROL
COUNTER WEIGHT CONTROL (WITH WINCH SAFETY DEVICE)(37613-)
BOOM KICOUT CONTROL
REAR CABLE
REAR CABLE (WITH WINCH SAFETY DEVICE)(37613-)
CAB DOOR LOCK (WITH VENTILATOR)(37613-)
CIGA LIGHTER AND ASHTRAY
BLANK CAP(38013-)
CIGA LIGHTER AND ASHTRAY (WITH COMBUSTIBLE HEATER) (WITH WINCH SAFETY DEVICE)(37613-)
INSTRUMENT PANEL
INSTRUMENT PANEL (WITH WINCH SAFETY DEVICE)(37613-)
DASH BOARD
BRAKE PEDAL (1/3)
BRAKE PEDAL (2/3)
BRAKE PEDAL (3/3)
FUEL LEVER
PARKING LEVER LINKAGE
BRAKE CONTROL LINKAGE
INSPECTION LAMP CABLE
BLANK CAP(38013-)
OVERWIND ALARM WIRING
OVERWIND ALARM WIRING (WITH WINCH SAFETY DEVICE)(37613-)
WIRING (CAB SOURCE) (OVER WIND ALARM LESS)(38013-)
SAFETY DEVICE RELATED(37613-)
MIKUNI COMBUSTIBLE HEATER (WITH WINCH SAFETY DEVICE)(37613-)
MIKUNI COMBUSTIBLE HEATER RELATED PARTS (WITH WINCH SAFETY DEVICE)(37613-)
FLOOR FRAME COVER
ENGINE CONTROL LINKAGE
ENGINE CONTROL LEVER LINKAGE
TRANSMISSION CONTROL LINKAGE
KNOB
SHUTTER CONTROL LINKAGE (1/2)
SHUTTER CONTROL LINKAGE (2/2)
RADIATOR
RADIATOR MOUNTING
RADIATOR PIPING
RADIATOR FAN PULLEY
RADIATOR FAN PULLEY (REVERSIBLE FAN)
RADIATOR FAN GUARD AND WIND BRAKE
CORE GRID
ENGINE ROOM CABLE
SIDE LAMP(36551-37779)
SIDE LAMP(37780-)
RADIATOR GUARD
RADIATOR GUARD (WITH SHUTTER)
RADIATOR SHUTTER
RADIATOR FAN NET
RADIATOR MASK
RADIATOR GUARD RELATED PARTS
RADIATOR MASK (MARK)
ENGINE HOOD (OPEN) (WITH HAND RAIL) (FOR SAND DUSTY SPEC.)(37842-)
ENGINE HOOD (CLOSE) (FOR SAND DUSTY SPEC.)
ENGINE HOOD (OPEN) (FOR SAND DUSTY SPEC.)
ENGINE SIDE COVER (CLOSE)
ENGINE SIDE COVER (WITHOUT SIDE COVER)
ENGINE SIDE COVER AND HOOD COVER (CLOSE)
PRECLEANER UNIT (SAND DUSTY SPEC.)
FENDER
FENDER (WITH COMBUSTIBLE HEATER) (WITH WINCH SAFETY DEVICE)(37613-)
ENGINE CONTROL LEVER SUPPORT
REAR SUPPORT
REAR SUPPORT (WITH WINCH SAFETY DEVICE)(37613-)
FLOOR FRAME MOUNT
BATTERY COVER
BATTERY COVER (WITH WINCH SAFETY DEVICE)(37613-)
FENDER CABLE
FENDER CABLE (WITH WINCH SAFETY DEVICE)(37613-)
TRANSMISSION CONTROL LEVER
BATTERY (C200¤ WET)
BATTERY (NS200¤ WET)(36511-)
BATTERY CABLE
COUNTER WEIGHT TANK AND VALVE
COUNTER WEIGHT TANK AND VALVE (WITH WINCH SAFETY DEVICE)(37613-)
SHUTTER CONTROL LEVER LINKAGE(37613-)
REAR COVER
COUNTER WEIGHT PIPING (1/2)
COUNTER WEIGHT PIPING (2/2)
COUNTER WEIGHT CONTROL
WINCH CONTROL LEVER
MIKUNI COMBUSTIBLE HEATER RELATED PARTS (WITH WINCH SAFETY DEVICE)(37613-)
BACK UP ALARM
FENDER RELATED PARTS
FENDER RELATED PARTS (WITH WINCH SAFETY DEVICE)(37613-)
FENDER RELATED PARTS (WITH COMBUSTIBLE HEATER) (WITH WINCH SAFETY DEVICE)(37613-)
FENDER RELATED PARTS (STD)
FENDER RELATED PARTS (FOR TURKMENISTAN)(37842-)
REAR COVER
UNDER GUARD (WITH HINGE)
TRACK SHOE (610MM WIDE)
TRACK SHOE (660MM WIDE)
TRACK SHOE (710MM WIDE)
RECOIL SPRING (L.H.)
TRACK FRAME (L.H.)
RECOIL SPRING CYLINDER (L.H.)
FRONT IDLER
TRACK ROLLER (SINGLE FLANGE)
TRACK ROLLER (DOUBLE FLANGE)
CARRIER ROLLER
TRACK ROLLER GUARD (CENTER)
RECOIL SPRING (R.H.)
TRACK FRAME (R.H.)
RECOIL SPRING CYLINDER (R.H.)
TRACK FRAME COVER
COUNTER WEIGHT
COUNTER WEIGHT PIPING (1/2)
COUNTER WEIGHT PIPING (2/2)
COUNTER WEIGHT CONTROL LINKAGE
COUNTER WEIGHT CYLINDER
BOOM (5.5M)
BOOM (6.2M)
BOOM (7.3M)
HOOK BLOCK
SHEAVE BLOCK
SHEAVE BLOCK (WITH WINCH SAFETY DEVICE)(37613-)
MOMENT LIMITER (7.3M BOOM)(37613-37726)
MOMENT LIMITER (7.3M BOOM)(37727-)
MOMENT LIMITER (5.5M BOOM)(37613-37726)
MOMENT LIMITER (5.5M BOOM)(37727-)
ANGLE GAUGE (7.3M)
ANGLE GAUGE (5.5M)
ANGLE GAUGE (7.3M) (WITH WINCH SAFETY DEVICE)(37613-)
ANGLE GAUGE (5.5M) (WITH WINCH SAFETY DEVICE)(37613-)
ANGLE GAUGE (6.2M) (WITH WINCH SAFETY DEVICE)(37613-)
OVERWIND ALARM (5.5M)
OVERWIND ALARM (6.2M)
OVERWIND ALARM (7.3M)
OVERWIND RELAY SWITCH (WITH WINCH SAFETY DEVICE)(37613-)
HOOK WIRE LOCK
FRAME
CENTER FRAME
CENTER FRAME (STD)
FRAME COVER
FRAME COVER (STD)
WINCH (CASE)
WINCH (UNIVERSAL JOINT)
WINCH (2ND¤ 3RD AND 4TH SHAFT)
WINCH (5TH AND 6TH SHAFT)
WINCH (7TH SHAFT)
WINCH (VALVE SEAT) (1/3)
WINCH (VALVE SEAT) (2/3)
WINCH (VALVE SEAT) (3/3)
WINCH (COVER AND TUBE)
WINCH CLUTCH (BOOM AND HOOK)
WINCH CLUTCH (HIGHT)
WINCH CLUTCH (LOW)
WINCH BRAKE (BOOM AND HOOK)
FLOW DIVIDER
WINCH OIL STRAINER
WINCH OIL FILTER
WINCH PUMP
WINCH CONTROL BOX
WINCH CASE RELATED
WIRE ROPE (7.3M)
WIRE ROPE (5.5M)
DRUM ROLLER(37613-)
WINCH CONTROL LEVER
WINCH CONTROL LINKAGE
WINCH CONTROL KNOB
BOOM KICOUT CONTROL
OIL COOLER PIPING
DRAWBAR (FIX)
MARK (RUSSIAN)
MARK (RUSSIAN) (WITH WINCH SAFETY DEVICE)(37613-)
MARK (ENGLISH)
MARK AND PLATE (CENTER OFF GRAVITY)
MARK (AIR CLEANER)
MARK AND PLATE (ENGLISH) (SEAT BELT)
MARK AND PLATE (RUSSIAN) (SEAT BELT)(37842-)
SPARE PARTS
CAP AND OVERALL
TOOL
TOOL (RUSSIAN)(37778-)
INSPEC LAMP
VANDALISM PROTECTION
VANDALISM PROTECTION (STD)
ELECTRICAL ENGINE HEATER(37757-)
KIT
SHOE BOLT AND NUT SERVICE KIT
TRANSMISSION PUMP
STEERING PUMP
COUNTER WEIGHT PUMP
COUNTER WEIGHT CYLINDER
COUNTER WEIGHT CONTROL VALVE (1/2)
COUNTER WEIGHT CONTROL VALVE (2/2)
PPC VALVE (FOR WINCH)
HIGH-LOW SELECT VALVE (FOR WINCH)
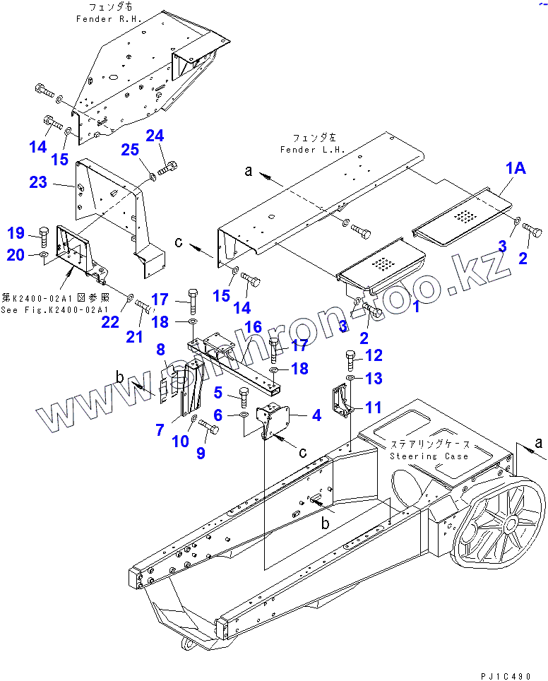
1
1A
2
2
3
3
4
5
6
7
8
9
10
10
11
12
13
14
14
15
15
16
17
17
18
18
19
20
21
22
23
24
25
Позиция на иллюстрации
Заводской номер детали
Название детали
1
176-54-47192
STEP
1A
156-54-23240
STEP
2
01010-81235
BOLT
3
01643-31232
WASHER
4
156-54-23140
BRACKET,L.H.
5
01010-81640
BOLT
6
01643-31645
WASHER
7
156-54-23150
BRACKET
8
156-54-23230
PLATE
9
01010-82075
BOLT
10
01643-31645
WASHER
10
01643-32060
WASHER
11
156-54-23160
BRACKET,R.H.
12
01010-81640
BOLT
13
01643-31645
WASHER
14
01010-81650
BOLT
15
01643-31645
WASHER
16
156-54-23130
SUPPORT
17
01010-81690
BOLT
18
01643-31645
WASHER
19
01010-81635
BOLT
20
01643-31645
WASHER
21
01010-81230
BOLT
22
01643-31232
WASHER
23
156-54-23270
BRACKET,(WITH QUILT)
24
01010-81230
BOLT
25
01643-31232
WASHER
Содержащиеся в справочниках-каталогах запасные части и детали не предлагаются к продаже, а носят исключительно информационный характер
Дополнительная информация
×
Название:
Номер:
Примечание: