Вернуться на главную
Поиск
Каталоги запчастей к технике
Спецтехника
Komatsu
D85A-21B
MARKS AND PLATES (CHINESE)(35001-)
Каталог запасных частей к технике: Komatsu D85A-21B. MARKS AND PLATES (CHINESE)(35001-)
zoom-in
zoom-out
enlarge
shrink
circle-right
circle-left
file-text2
info
cart
Тип техники
Не выбрано
Легковые автомобили
Грузовые автомобили и прицепы
Автобусы
Сельхозтехника
Спецтехника
Двигатели
Мототехника
Марка
Не выбрано
Ammann
BOMAG
CARMIX
CASE IH
Changlin
ChengGong
Dimex
Doosan
DYNAPAC
Foton
HAMM
Hidromek
Hitachi
Hyundai
JCB
JLG
John Deere
Komatsu
LIEBHERR
LiuGong
Lonking (LongGong)
Luneng
MANITOU
Mitsuber
New Holland
PENGPU
RM-Terex
SANY
SDLG
SEM
Shantui
Shehwa HBXG
Soosan
TIGARBO
VOGELE
Volvo
WAY
WIRTGEN
XCMG
XGMA
Xiamen
YTO
Yuchai
Zoomlion
Автокран
АЗСМ
Алтайлесмаш
Амкодор
АОМЗ
Атек
АТЗ
Балканкар Рекорд
БелАЗ
Беловеж
Борекс
Брянский Арсенал
Булат
ВЭКС
ГАЗ
Геомаш
Гидромаш
Донекс
Дормаш
Дормашина
Дорэлектромаш
ДЭЗ
ЕлАЗ
ЗЗГТ
Ижнефтемаш
Канаш-электрокар
КЗКТ
ККЗ
Клевер
Клинцовский автокрановый завод
КМЗ
КМЗ 1 Мая
Ковровец
Коммаш
Кранэкс
КЭЗ
КЭМЗ
ЛЗА
МАЗ
МЗИК
МЗКМ
МЗКТ
Михневский РМЗ
МоАЗ
Мозырский МЗ
МТЗ
ОЗП
Онежец
ПАО "ТЗА"
ППС Детва
Промтрактор
ПТЗ
Раскат
СпецАгрегат
ТВЭКС
ТТМ
УВЗ
Угличмаш
УЗТМ
ХТЗ
ЧЗКМ
ЧСДМ
ЧТЗ
ЭКСКО
ЭКСМАШ
ЮрМаш
Модель
Не выбрано
D155C-1 (2010)
D155C-1 (спец.) (2010)
D155C-1D (2010)
D155C-1P (2010)
D355C-3 (2010)
D355C-3 (2010)
D85A-21 (2010)
D85A-21 (2010)
D85A-21B (2010)
D85C-21A (2010)
PC200, 210(LC)-7 (2004)
PC200-6 (2010)
PC200-7 (2010)
PC200-7-AA (2010)
PC200-8MO (2010)
PC200LC-7 (2010)
PC200LC-8M0 (2010)
PC210-6 (2010)
PC210LC-6 (2010)
PC220-7 (2010)
PC220-8MO (2010)
PC220LC-8MO (2010)
PC300-7 (2010)
PC300-8MO (2010)
PC300LC-7 (2010)
PC300LC-8MO (2010)
PC35MR-3 (2010)
PC400-7 (2010)
PC400-7EO (2010)
PC400LC-7 (2010)
PC55MR-3 (2010)
WB93R-5E0 (2018)
WB93S-5E0 (2018)
WB97S-5E0 (2018)
Погрузчик SK820 (2015)
Схема
>
Не выбрано
ENGINE NOUNT(35001-)
POWER TAKE OFF(35001-)
RADIATOR(35001-)
RADIATOR PIPING AND WIND BREAKER(35001-)
RADIATOR PIPING AND WIND BREAKER (FOR SLAG HANDLING)(35001-)
RADIATOR FAN GUARD(35001-35476)
RADIATOR FAN GUARD(35477-)
RADIATOR FAN PULLEY(35001-)
RADIATOR MOUNTING(35001-)
FUEL TANK(35001-)
FUEL TANK (FOR QUICK CHARGE)(35001-)
FUEL PIPING(35001-)
BATTERY AND RELAY SWITCH(35001-)
INSTRUMENT PANEL(35001-)
ELECTRICAL SYSTEM (1/3)(35001-)
ELECTRICAL SYSTEM (2/3)(35001-)
ELECTRICAL SYSTEM (3/3)(35001-)
BACK-UP ALARM(35001-)
BACK-UP ALARM (TRIMMING)(36441-)
UNIVERSAL JOINT(35001-)
TORQUE CONVERTER (1/2)(35001-)
TORQUE CONVERTER (2/2)(35001-)
TRANSMISSION - CASE (1/5)(35001-)
TRANSMISSION - GEAR AND SHAFT (1/3) (2/5)(35001-)
TRANSMISSION - GEAR AND SHAFT (2/3) (3/5)(35001-)
TRANSMISSION - GEAR AND SHAFT (3/3) (4/5)(35001-)
TRANSMISSION¤TRANSFER (5/5)(35001-)
TRANSMISSION VALVE (1/2)(35001-)
TRANSMISSION VALVE (2/2)(35001-)
TRANSMISSION VALVE COVER AND LEVER(35001-)
STEERING CASE AND MAIN FRAME(35001-)
BEVEL GEAR AND SHAFT(35001-)
STEERING CLUTCH(35001-)
BRAKE BAND AND LINKAGE(35001-)
STEERING CASE COVER(35001-)
BRAKE BOOSTER(35001-)
FINAL DRIVE CASE AND GEAR (1/2)(35001-)
FINAL DRIVE CASE AND GEAR (2/2)(35001-)
SPROCKET AND SHAFT(35001-)
TRACK FRAME(35001-)
TRACK FRAME (TRIMMING)(36441-)
RECOIL SPRING(35001-)
TRACK FRAME COVER(35001-)
IDLER(35001-)
TRACK ROLLER(35001-)
TRACK ROLLER GUARD(35001-)
TRACK ROLLER GUARD (MINI SKIRT)(35001-)
CARRIER ROLLER(35001-)
TRACK SHOE (MASTER PIN TYPE) (SINGLE GROUSER)(35001-)
TRACK SHOE (MASTER PIN TYPE) (SINGLE GROUSER) (HEAVY DUTY)(35001-)
TRACK SHOE (MASTER PIN TYPE) (TRIPLE GROUSER)(35001-)
TRACK SHOE (MASTER PIN TYPE) (ON-ROCKBED)(35001-36326)
TRACK SHOE (LUBRICATE TYPE) (SINGLE GROUSER)(35001-36326)
TRACK SHOE (LUBRICATE TYPE) (SINGLE GROUSER)(36327-)
TRACK SHOE (LUBRICATE TYPE) (SINGLE GROUSER) (HEAVY DUTY)(35001-36326)
TRACK SHOE (LUBRICATE TYPE) (SINGLE GROUSER) (HEAVY DUTY)(36327-)
TRACK SHOE (LUBRICATE TYPE) (SINGLE GROUSER) (C.T.S.)(35001-)
TRACK SHOE (LUBRICATE TYPE) (SINGLE GROUSER) (C.T.S.) (HV)(35001-)
TRACK SHOE (LUBRICATE TYPE) (ON-ROCKBED)(35001-36326)
TRACK SHOE (LUBRICATE TYPE) (ON-ROCKBED) (COLD TERRAIN SPEC)(35001-)
FUEL CONTROL LEVER(35001-)
FUEL CONTROL LINKAGE(35001-)
DECELERATOR PEDAL(35001-)
TRANSMISSION CONTROL LEVER(35001-)
TRANSMISSION CONTROL LINKAGE (1/2)(35001-)
TRANSMISSION CONTROL LINKAGE (2/2)(35001-)
STEERING CONTROL LEVER(35001-)
STEERING AND BRAKE LINKAGE (1/2)(35001-)
STEERING AND BRAKE LINKAGE (2/2)(35001-)
BRAKE PEDAL(35001-)
BRAKE PEDAL LINKAGE(35001-)
PARKING BRAKE LEVER(35001-)
STEERING CONTROL VALVE(35001-)
MAIN RELIEF VALVE(35001-)
TRANSMISSION OIL FILTER(35001-)
OIL STRAINER(35001-)
STEERING PIPING (1/3)(35001-)
STEERING PIPING (2/3)(35001-)
STEERING PIPING (3/3)(35001-)
TRANSMISSION PUMP(35001-35320)
TRANSMISSION PUMP(35321-)
STEERING PUMP(35001-)
TORQUE CONVERTER AND OIL COOLER PIPING(35001-)
TORQFLOW TRANSMISSION PIPING(35001-35320)
TORQFLOW TRANSMISSION PIPING(35321-)
BRAKE PIPING(35001-)
CONCENTRATED PIPING(35001-)
RADIATOR GUARD(35001-)
ENGINE HOOD AND DASHBOAD(35001-)
ENGINE HOOD AND DASHBOAD (COLD TERRAIN SPEC.)(35001-)
FENDER(35001-)
SUPPORT AND REAR COVER(35001-)
FLOOR PLATE(35001-)
BOTTOM GUARD(35001-)
RADIATOR GUARD (TRIMMING)(36441-)
SUPPORT AND REAR COVER (TRIMMING)(36441-)
ROLL OVER PROTECTIVE STRUCTURE(35001-)
ROLL OVER PROTECTIVE STRUCTURE BRACKET(35001-)
CAB GUARD (WOODY TERRAIN SPEC.)(35001-)
CAB GUARD SWEEPER (WOODY TERRAIN SPEC.)(35001-)
BOTTOM GUARD AND SHORT EXHAUST PIPE (WOODY TERRAIN SPEC.)(35001-)
OPERATOR'S SEAT(35001-36320)
OPERATOR'S SEAT(36321-36480)
OPERATOR'S SEAT (KAB)(36481-)
EQUALIZER BAR(35001-)
DRAWBAR(35001-)
ROPS CAB TYPE 1(BODY) (1/7)(35001-)
ROPS CAB TYPE 1 (FRONT AND REAR WINDOW) (2/7)(35001-)
ROPS CAB TYPE 1 (SIDE WINDOW) (3/7)(35001-)
ROPS CAB¤ TYPE 1¤ (ELECTRICAL PARTS) (1/2) (4/7)(35001-)
ROPS CAB¤ TYPE 1¤ (ELECTRICAL PARTS) (2/2) (5/7)(35001-)
ROPS CAB¤ TYPE 1¤ (INNER TOP COVER) (1/2) (6/7)(35001-)
ROPS CAB¤ TYPE 1¤ (INNER TOP COVER) (2/2) (7/7)(35001-)
RELATED PARTS (FOR ROPS CAB¤ TYPE 1)(35001-)
ACCESSORIES (FOR ROPS CAB¤TYPE 1)(35001-)
ROPS CAB¤ TYPE 2¤ (BODY¤ FRONT AND REAR WINDOW) (1/5)(35001-)
ROPS CAB¤ TYPE 2¤ (SIDE WINDOW) (2/5)(35001-)
ROPS CAB¤ TYPE 2¤ (ELECTRICAL PARTS) (2/1) (3/5)(35001-)
ROPS CAB¤ TYPE 2¤ (ELECTRICAL PARTS) (2/2) (4/5)(35001-)
ROPS CAB¤ TYPE 2¤ (INNER TOP COVER) (5/5)(35001-)
RELATED PARTS (FOR ROPS CAB¤ TYPE 2)(35001-)
MUFFLER AND PRECLEANER EXTENTION (SANDY AND DUSTY TERRAIN SPEC.)(35001-)
COMPRESSOR RELATED PARTS(36441-)
COOLING PIPING (1/2)(36441-)
COOLING PIPING (2/2)(36441-)
HEATING PIPING(36441-)
HOT AIR PIPING AND AIR CONDITIONER RELATED PARTS(36441-)
HOT AIR PIPING AND HEATER RELATED PARTS(36441-)
CONDENSER ASS'Y (FOR AIRCONDENSER)(36441-)
GRILLE ASS'Y(FOR AIRCONDITIONER)(36441-)
WORK EQUIPMENT VALVE MOUNT (WITH RIPPER)(35001-)
HYDRAULIC TANK(35001-)
CYLINDER STAY(35001-)
WORK EQUIPMENT PUMP (1/2)(35001-)
WORK EQUIPMENT PUMP (2/2)(35001-)
BLADE CONTROL VALVE (1/5)(35001-)
BLADE CONTROL VALVE (2/5)(35001-)
BLADE CONTROL VALVE (3/5)(35001-)
BLADE CONTROL VALVE (4/5)(35001-)
BLADE CONTROL VALVE (5/5)(35001-)
RIPPER CONTROL VALVE (1/2)(35001-)
RIPPER CONTROL VALVE (2/2)(35001-)
BLADE LIFT CYLINDER (1/2)(35001-)
BLADE LIFT CYLINDER (2/2)(35001-)
BLADE LIFT CYLINDER (2/2) (TRIMMING)(36441-)
BLADE TRIMMING CYLINDER(36441-)
HYDRAULIC PIPING (TANK TO PUMP)(35001-)
HYDRAULIC PIPING (TANK TO PUMP) (TRIMMING)(36441-)
HYDRAULIC PIPING (TANK TO LIFT CYLINDER) (1/2)(35001-)
HYDRAULIC PIPING (TANK TO LIFT CYLINDER) (2/2)(35001-)
HYDRAULIC PIPING (TANK TO TILT CYLINDER)(35001-)
HYDRAULIC PIPING (TANK TO TRIMMING CYLINDER)(36441-)
HYDRAULIC PIPING (TANK TO RIPPER CYLINDER)(35001-)
BLADE CONTROL LEVER (FOR STRAIGHT TILT DOZER)(35001-)
BLADE CONTROL LEVER BRACKET (FOR STRAIGHT TILT DOZER)(35001-)
BLADE CONTROL LINKAGE (FOR STRAIGHT TILT DOZER)(35001-)
TILT CONTROL LINKAGE (FOR STRAIGHT TILT DOZER)(35001-)
TILT CONTROL LINKAGE (FOR TRIMMING DOZER)(36441-)
RIPPER CONTROL LEVER(35001-)
RIPPER CONTROL LINKAGE(35001-)
TOWING WINCH CONTROL LEVER AND LINKAGE(35001-)
STRAIGHT TILT BLADE(35001-)
STRAIGHT TILT FRAME(35001-)
BLADE TILT CYLINDER(35001-)
BLADE TILT CYLINDER PIPING(35001-)
BLADE TRIMMING CYLINDER PIPING (1/2)(36441-)
BLADE TRIMMING CYLINDER PIPING (2/2)(36441-)
STRAIGHT RAKE BLADE(35001-)
ANGLE BLADE(35001-)
C-FRAME(35001-)
STRAIGHT TILT U-BLADE(35001-)
MECHANICAL ANGLE POWER TILT BLADE(35001-)
MECHANICAL ANGLE POWER TILT FRAME(35001-)
MECHANICAL ANGLE POWER TILT CYLINDER(35001-)
MECHANICAL ANGLE POWER TILT CYLINDER PIPING (1/2)(35001-)
MECHANICAL ANGLE POWER TILT CYLINDER PIPING (2/2)(35001-)
TRIMMING BLADE(36441-)
TRIMMING FRAME(36441-)
RIPPER SHANK¤ BEAM AND LINK(35001-)
RIPPER CYLINDER(35001-)
RIPPER CYLINDER PIPING(35001-)
TOWING WINCH CASE (1/2)(35001-)
TOWING WINCH CASE (2/2)(35001-)
INPUT SHAFT AND BEVEL GEAR (FOR TOWING WINCH)(35001-)
BRAKE DRUM (FOR TOWING WINCH)(35001-)
CABLE DRUM (FOR TOWING WINCH)(35001-)
CLUTCH DRUM (FOR TOWING WINCH)(35001-)
BRAKE DRUM (FOR TOWING WINCH)(35001-)
CABLE (FOR TOWING WINCH)(35001-)
DRAWBAR (FOR TOWING WINCH)(35001-)
BRAKE CYLINDER (FOR TOWING WINCH)(35001-)
HYDRAULIC PUMP MOUNT (FOR TOWING WINCH)(35001-)
HYDRAULIC PIPING (FOR TOWING WINCH)(35001-)
WINCH PIPING (FOR TOWING WINCH)(35001-)
CONTROL VALVE (FOR TOWING WINCH)(35001-)
HYDRAULIC PUMP (FOR TOWING WINCH)(35001-)
FAIR LEAD (FOR TOWING WINCH)(35001-)
LOGGING ARM (FOR TOWING WINCH)(35001-)
REAR COVER (FOR TOWING WINCH)(35001-)
VANDALISM PROTECTION(35001-)
MARKS AND PLATES (ENGLISH)(35001-)
MARKS AND PLATES (ARABIC)(35001-)
MARKS AND PLATES (INDONESIAN)(35063-)
MARKS AND PLATES (SPANISH)(35001-)
MARKS AND PLATES (CHINESE)(35001-)
MARKS AND PLATES (FRENCH)(35063-)
MARKS AND PLATES (PERSIAN)(35001-)
MARKS AND PLATES (ENGLISH¤TRIMMING)(36441-)
TOOL(35001-)
KIT(35001-)
1
2
3
4
5
6
7
8
9
10
11
12
13
14
15
16
17
18
19
19
19
20
20
21
21
21
22
22
23
24
25
26
27
28
29
29
30
30
31
31
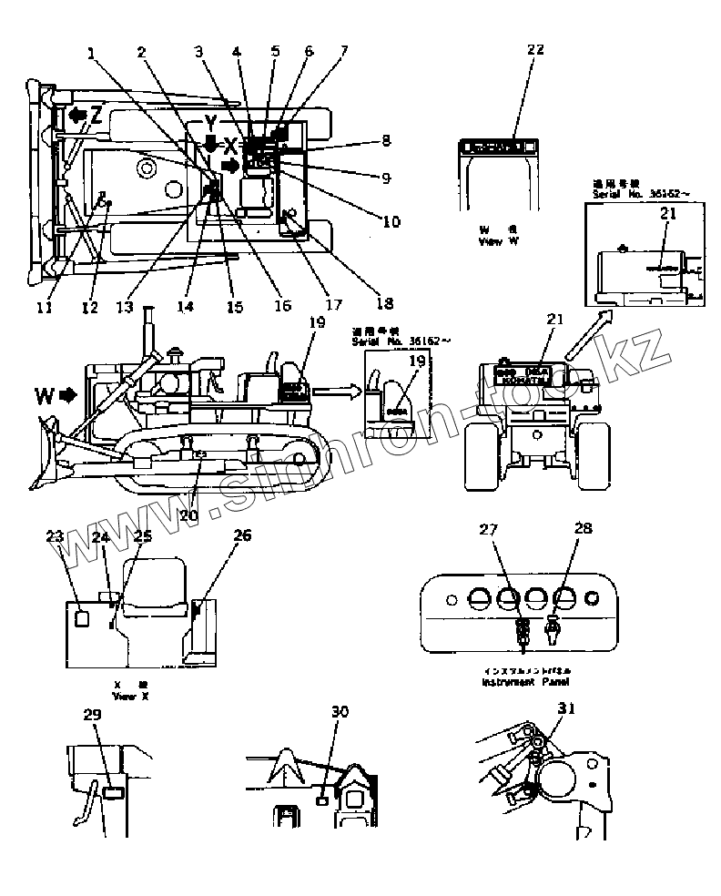
Позиция на иллюстрации
Заводской номер детали
Название детали
1
175-900-2540
PLATE, TRAVELING ON SLOPE
2
09649-09010
PLATE, INSTRUCTION
3
09670-00003
PLATE, OPERATING
4
09173-09000
PLATE, SAFETY
5
09671-00001
PLATE, OPERATING, LOCK LEVER
6
09653-09000
PLATE, SAFETY, HYDRAULIC OIL TANK
7
09655-90120
PLATE, INSTRUCTIONAL FILTER
8
195-98-13250
PLATE, CAUTION, SEAT BELT
9
09685-00001
PLATE, OPERATING, RIPPER LOCK LEVER
10
09685-00003
PLATE, OPERATING
11
09650-90101
PLATE, INSTRUCTION, RADIATOR WATER LEVEL
12
09668-09000
PLATE, SAFETY, RADIATOR CAP
13
09666-09000
PLATE, SAFETY
14
09667-09000
PLATE, SAFETY, ENGINE SIDE COVER
15
09654-09000
PLATE, SAFETY
16
09651-09000
PLATE, SAFETY, BEFORE OPERATING
17
09656-90080
PLATE, INSTRUCTION, FUEL TANK STRAINER
18
09652-90100
PLATE, CAUTION, FUEL TANK
19
09691-05852
PLATE, MARK
19
154-98-35970
PLATE, MARK
20
09657-09000
PLATE, SAFETY, TRACK ADJUSTING
20
09657-09000
PLATE, SAFETY, TRACK ADJUSTING
21
09690-B0500
PLATE, MARK
21
09692-06852
PLATE, MARK
22
09690-B0450
PLATE, MARK
22
09690-40560
PLATE, MARK
23
154-98-41120
CHART, OIL
24
09679-02002
PLATE, OPERATING
25
09685-00001
PLATE, OPERATING, RIPPER LOCK LEVER
26
09685-00002
PLATE, OPERATING, LOCK LEVER
27
09683-90060
PLATE, OPERATING
28
09609-94008
PLATE, NAME
29
09602-91643
PLATE, NAME, MACHINE
29
01220-60408
SCREW
30
09601-90835
PLATE, NAME, BLADE
30
04418-13060
SCREW
31
04418-13060
SCREW
31
09601-90835
PLATE, NAME, BLADE
Содержащиеся в справочниках-каталогах запасные части и детали не предлагаются к продаже, а носят исключительно информационный характер
Дополнительная информация
×
Название:
Номер:
Примечание: