Вернуться на главную
Поиск
Каталоги запчастей к технике
Спецтехника
Komatsu
D85A-21
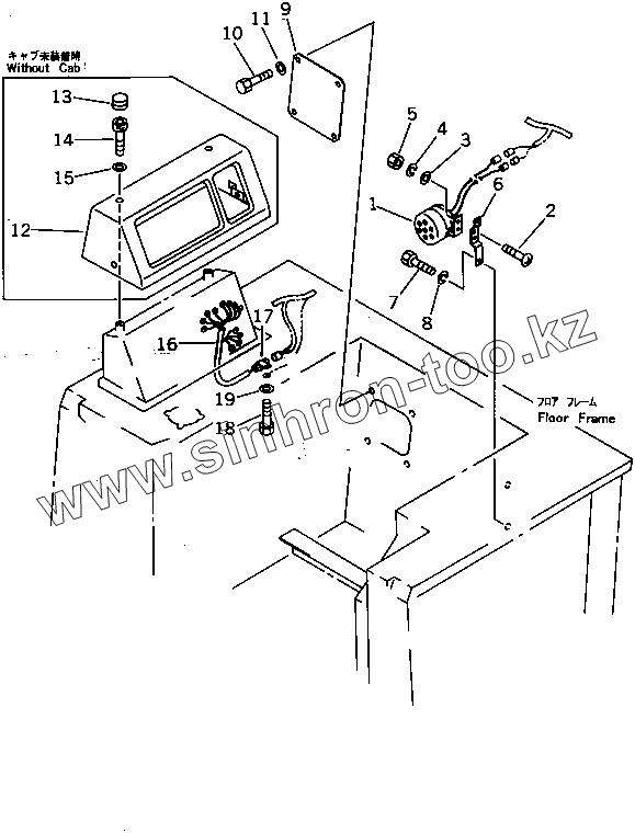
INSTRUMENT PANEL (2/2)(36534-37327)
Каталог запасных частей к технике: Komatsu D85A-21. INSTRUMENT PANEL (2/2)(36534-37327)
zoom-in
zoom-out
enlarge
shrink
circle-right
circle-left
file-text2
info
cart
Тип техники
Не выбрано
Легковые автомобили
Грузовые автомобили и прицепы
Автобусы
Сельхозтехника
Спецтехника
Двигатели
Мототехника
Марка
Не выбрано
Ammann
BOMAG
CARMIX
CASE IH
Changlin
ChengGong
Dimex
Doosan
DYNAPAC
Foton
HAMM
Hidromek
Hitachi
Hyundai
JCB
JLG
John Deere
Komatsu
LIEBHERR
LiuGong
Lonking (LongGong)
Luneng
MANITOU
Mitsuber
New Holland
PENGPU
RM-Terex
SANY
SDLG
SEM
Shantui
Shehwa HBXG
Soosan
TIGARBO
VOGELE
Volvo
WAY
WIRTGEN
XCMG
XGMA
Xiamen
YTO
Yuchai
Zoomlion
Автокран
АЗСМ
Алтайлесмаш
Амкодор
АОМЗ
Атек
АТЗ
Балканкар Рекорд
БелАЗ
Беловеж
Борекс
Брянский Арсенал
Булат
ВЭКС
ГАЗ
Геомаш
Гидромаш
Донекс
Дормаш
Дормашина
Дорэлектромаш
ДЭЗ
ЕлАЗ
ЗЗГТ
Ижнефтемаш
Канаш-электрокар
КЗКТ
ККЗ
Клевер
Клинцовский автокрановый завод
КМЗ
КМЗ 1 Мая
Ковровец
Коммаш
Кранэкс
КЭЗ
КЭМЗ
ЛЗА
МАЗ
МЗИК
МЗКМ
МЗКТ
Михневский РМЗ
МоАЗ
Мозырский МЗ
МТЗ
ОЗП
Онежец
ПАО "ТЗА"
ППС Детва
Промтрактор
ПТЗ
Раскат
СпецАгрегат
ТВЭКС
ТТМ
УВЗ
Угличмаш
УЗТМ
ХТЗ
ЧЗКМ
ЧСДМ
ЧТЗ
ЭКСКО
ЭКСМАШ
ЮрМаш
Модель
Не выбрано
D155C-1 (2010)
D155C-1 (спец.) (2010)
D155C-1D (2010)
D155C-1P (2010)
D355C-3 (2010)
D355C-3 (2010)
D85A-21 (2010)
D85A-21 (2010)
D85A-21B (2010)
D85C-21A (2010)
PC200, 210(LC)-7 (2004)
PC200-6 (2010)
PC200-7 (2010)
PC200-7-AA (2010)
PC200-8MO (2010)
PC200LC-7 (2010)
PC200LC-8M0 (2010)
PC210-6 (2010)
PC210LC-6 (2010)
PC220-7 (2010)
PC220-8MO (2010)
PC220LC-8MO (2010)
PC300-7 (2010)
PC300-8MO (2010)
PC300LC-7 (2010)
PC300LC-8MO (2010)
PC35MR-3 (2010)
PC400-7 (2010)
PC400-7EO (2010)
PC400LC-7 (2010)
PC55MR-3 (2010)
WB93R-5E0 (2018)
WB93S-5E0 (2018)
WB97S-5E0 (2018)
Погрузчик SK820 (2015)
Схема
>
Не выбрано
ENGINE MOUNT (36534-37646)
ENGINE MOUNT (37647-)
MUFFLER
MUFFLER (WITH EXTENTION PIPE)
MUFFLER (SHORT PIPE)
MUFFLER (FOR EU) (WITH EXTENTION)
MUFFLER (FOR EU) (SHORT)
PRECLEANER EXTENTION (SANDY AND DUSTY TERRAIN SPEC.)
RADIATOR
RADIATOR MOUNTING
RADIATOR PIPING AND WIND BREAKER (36534-37821)
RADIATOR PIPING (37822-)
RADIATOR FAN PULLEY (36534-37821)
RADIATOR FAN PULLEY (HIGH SPEED FAN)(37822-)
FAN (SPEED)(37822-)
RADIATOR FAN PULLEY
RADIATOR FAN GUARD
FUEL TANK
FUEL TANK (TRIMMING FOR CHINA) (37673-)
FUEL PIPING
FUEL TANK RELATED
FUEL PIPING (FOR WATER SEPARATOR)
FUEL PIPING
WATER SEPARATOR LINE
BATTERY AND RELAY SWITCH
ELECTRICAL SYSTEM (1/3)
ELECTRICAL SYSTEM (2/3)
ADDITIONAL HEAD LAMP (TRIMMING) (37673-)
ELECTRICAL SYSTEM (3/3)
BATTERY CABLE AND MOUNT (37334-)
VEHICLE WIRING (REAR) (37334-)
REAR LAMP (TRIMMING FOR CHINA) (37673-)
VEHCLE WIRING (REAR) (FOR DUST INDICATOR) (37719-)
TRANSMISSION SWITCH (37334-)
REAR LAMP (WITH ROPS)
REAR LAMP
REAR LAMP
BACK-UP ALARM
POWER TAKE OFF
POWER TAKE OFF PIPING
UNIVERSAL JOINT (36534-37422)
UNIVERSAL JOINT (37423-)
TORQUE CONVERTER (1/2)
TORQUE CONVERTER (2/2)
TRANSMISSION CASE (1/5)
TRANSMISSION GEAR AND SHAFT (1/3) (2/5)
TRANSMISSION GEAR AND SHAFT (2/3) (3/5)
TRANSMISSION GEAR AND SHAFT (3/3) (4/5)
TRANSMISSIONTRANSFER (5/5)
TRANSMISSION VALVE (1/2)
TRANSMISSION VALVE (2/2)
TRANSMISSION VALVE COVER AND LEVER
BEVEL GEAR AND SHAFT
STEERING CLUTCH
BRAKE BAND AND LINKAGE (36534-37821)
BRAKE BAND AND LINKAGE (WITH SCRAPER FOR 10M3)
STEERING CASE COVER AND BRAKE BOOSTER (L.H.) (37822-)
STEERING CASE COVER (36534-37821)
BRAKE BAND AND STEERING CLUCH (L.H.)(37822-)
BRAKE BOOSTER (36534-37821)
BRAKE LINKAGE (R.H.) (37822-)
STEERING CASE COVER AND BRAKE BOOSTER (R.H.)(37822-)
BRAKE BAND AND STEERING CLUCH (R.H.)(37822-)
BRAKE LINKAGE (L.H.)(37822-)
FINAL DRIVE CASE AND GEAR (1/2)(36534-37821)
FINAL DRIVE CASE AND GEAR (37822-)
FINAL DRIVE CASE AND GEAR (2/2)(36534-37821)
SPROCKET AND SHAFT (37822-)
SPROCKET AND SHAFT (36534-37821)
SPROCKET HUB AND SUPPORT (37822-)
FINAL DRIVE CASE (L.H.)(37822-)
FINAL DRIVE CASE (L.H.) (SALTY RESISTANT SPEC.)
FINAL DRIVE CASE (R.H.)(37822-)
FINAL DRIVE CASE (R.H.) (SALTY RESISTANT SPEC.)
STEERING CONTROL VALVE
STEERING CONTROL VALVE PLATE (37822-)
STEERING PUMP (37822-)
TRANSMISSION PUMP (37822-)
MAIN RELIEF VALVE (36534-37821)
POWER LINE PIPING (SUCTION LINE)(37822-)
STEERING PIPING (1/3)(36534-37821)
TORQFLOW TRANSMISSION PIPING(37822-)
STEERING PIPING (2/3)(36534-37821)
MAIN RELIEF VALVE (37822-)
STEERING PIPING (3/3)(36534-37821)
STEERING PIPING (1/3)(37822-)
TORQUE CONVERTER AND OIL COOLER PIPING (36534-37821)
STEERING PIPING (2/3)(37822-)
TORQFLOW TRANSMISSION PIPING (36534-37821)
TORQUE CONVERTER AND OIL COOLER PIPING (37822-)
BRAKE PIPING (36534-37821)
STEERING PIPING (3/3)(37822-)
BRAKE PIPING (37822-)
TRANSMISSION OIL FILTER
OIL STRAINER
HYDRAULIC TANK
WORK EQUIPMENT VALVE MOUNT
WORK EQUIPMENT VALVE MOUNT (WITH RIPPER)
WORK EQUIPMENT VALVE MOUNT (WITH SCRAPER)
W0RK EQUIPMENT PUMP
HYDRAULIC PIPING (TANK TO PUMP) (36534-37532)
HYDRAULIC PIPING (TANK TO PUMP) (37533-)
HYDRAULIC PIPING (TANK TO LIFT CYLINDER) (1/2)
HYDRAULIC PIPING (TANK TO LIFE CYLINDER) (1/2)(37822-)
HYDRAULIC PIPING (TANK TO LIFT CYLINDER) (2/2)
HYDRAULIC PIPING (TANK TO LIFT CYLINDER) (2/2)(37822-)
HYDRAULIC PIPING (TANK TO TILT CYLINDER) (D85A)(36534-37821)
HYDRAULIC PIPING (TANK TO TILT CYLINDER) (D85A)(37822-)
HYDRAULIC PIPING (TANK TO TILT CYLINDER) (FOR TRIMMING)
STEERING CASE AND MAIN FRAME (36534-37821)
STEERING CASE AND MAIN FRAME (37822-)
STEERING CASE REAR COVER
LEVEL GAUGE (37822-)
EQUALIZER BAR
OPERATOR'S SEAT
OPERATOR'S SEAT (FOR EUROPIAN SPEC.)
OPERATOR'S SEAT (TURN AND RECLINING TYPE) (FABRIC SEAT) (KAB831K) (37673-)
OPERATOR'S SEAT (TURN AND RECLINING TYPE) (LEATHER SEAT) (36637-)
SEAT BEL T (37822-)
STEEL CAB (BODY) (FOR USA) (WITH RADIO)
STEEL CAB (BODY) (TRIMMING FOR CHINA)(37722-)
STEEL CAB (DOOR)
STEEL CAB (DOOR) (TRIMMING FOR CHINA)
STEEL CAB (FRONT AND SIDE WINDOW)
STEEL CAB (REAR WINDOW)
STEEL CAB (FURNITURE IN CAB REAR)(37657-)
STEEL CAB (FUNITURE IN CAB) (TRIMMING FOR CHINA)(37657-)
STEEL CAB (INNER TOP)
STEEL CAB (INNER TOP) (TRIMMING FOR CHINA)
STEEL CAB (ELECTRICAL PARTS FRONT)
STEEL CAB (ELECTRICAL PARTS REAR)
STEEL CAB (WINDOW WASHER)
STEEL CAB (SAN VISOR)
AIR CONDITIONER DUCT AND NOZZLE
CONTROL PANEL (FOR AIR CONDITIONER)
PLUG COVER (WITHOUT RADIO)
CONTROL PANEL (FOR HEATER)
RADIO (FOR USA)
RADIO (FOR EUROPEASIA AND OCEANIA)(37722-)
CAB (WINDOW WASHER NOZZLE PROTECTOR) (TRIMMING FOR CHINA)(37856-)
FIRST AID BOX COVER(37787-)
THERMOS BOTTLE (37787-)
STEEL CAB (MOUNT)
STEEL CAB (BODY AND FRONT WINDOW) (1/9) (COLD TERRAIN SPEC.)
MODIFIED CHASSIS PARTS (FOR REAR P.C.U.)
STEEL CAB (DOOR AND SIDE WINDOW)(36534-37721)
STEEL CAB (DOOR AND SIDE WINDOW) (2/9) (COLD TERRAIN SPEC.)
STEEL CAB (REAR WINDOW)(36534-37721)
STEEL CAB (REAR WINDOW ) (3/9) (COLD TERRAIN SPEC.)
STEEL CAB (FURNITURE IN CAB FRONT)(36534-37721)
STEEL CAB (FURNITURE IN CAB FRONT) (4/9) (COLD TERRAIN SPEC.)
STEEL CAB (FURNITURE IN CAB REAR)
STEEL CAB (FURNUITURE IN CAB REAR) (5/9) (COLD TERRAIN SPEC.)
STEEL CAB (INNER TOP AND CAB MOUNT)(36534-37721)
STEEL CAB (INNER TOP AND CAB MOUNT) (6/9) (COLD TERRAIN SPEC.)
STEEL CAB (ELECTRICAL PARTS FRONT)(36534-37721)
STEEL CAB (ELECTRICAL PARTS FRONT) (7/9) (COLD TERRAIN SPEC.)
STEEL CAB (ELECTRICAL PARTS REAR)(36534-37721)
STEEL CAB (ELECTRICAL PARTS REAR) (8/9) (COLD TERRAIN SPEC.)
STEEL CAB (WINDOW WASHER)(36534-37721)
STEEL CAB (WINDOW WASHER) (9/9) (COLD TERRAIN SPEC.)
FLOOR MAT
ROLL OVER PROTECTIVE STRUCTURE(36534-37821)
ROLL OVER PROTECTIVE STRUCTURE(37822-)
CANOPY
HEAD GUARD
HEAD GUARD
AIR CONDITIONER DUCT AND CABLE
HEATER DUCT
AIR CON OR HEATER LESS
COOLING PIPING
HEATER PIPING
COOLING PIPING (FOR SANDY AND DUSTY TERRAIN SPEC.)(37673-)
AIR CONDITIONER DUCT AND NOZZLE
CONTROL PANEL (FOR AIR CONDITIONER)
CONTROL PANEL (FOR HEATER)
HEATING PIPING (FOR AIR CONDITIONER)
DISTRIBUTOR (1/2) (36534-37532)
AIR COMPRESSOR RELATED PARTS
DISTRIBUTOR (2/2) (36534-37532)
AIR COMPRESSOR (36534-37842)
AIR COMPRESSOR(37843-)
AIR COMPRESSOR (FOR SANDY AND DUSTY TERRAIN SPEC.)(37673-37842)
AIR COMPRESSOR (FOR SANDY AND DUSTY TERRAIN SPEC.)(37843-)
HEATER UNIT (1/2)
HEATER UNIT (2/2)
ACCESSORIES (FOR STEEL CAB)
EXTINGUISHER (TRIMMING FOR CHINA)(37722-)
EXTINGUISHER (FOR RUUSIAN)
FIRST AID BOX (EUROPEAN SPEC.)(36534-37646)
FIRST AID BOX
THERMOS BOTTLE (36534-37763)
THERMOS BOTTLE (37764-)
FLOOR FRAME
FLOOR FRAME (WITH CAB) (WITH AIR CONDITIONER)
FLOOR FRAME (TRIMMING FOR CHINA)(37673-)
FLOOR FRAME (WITHOUT CAB FOR TOWING WINCH)
FLOOR FRAME (SALTY RESISTANT SPEC)
FLOOR FRAMA (FOR TOWING WINCH)
FLOOR FRAME (FOR R.P.C.U.)
FLOOR FRAME (WITHOUT CAB FOR R.P.C.U.)
BRAKE AND DECELERATER PEDAL
PARKING BRAKE AND STEERING CONTROL LEVER
TRANSMISSION CONTROL LEVER
FUEL CONTROL LEVER
FUEL CONTROL LEVER (FOR EUROPEAN SPEC.)
PARKING BRAKE AND DECELERATOR LINKAGE
FUEL CONTROL LINKAGE
FLOOR FRAME WIRING
FLOOR FRAME WIRING (FOR DUST INDICATOR)(37719-)
FLOOR FRAME (FLOOR FRAME WIRING) (HEATER AND DEFROSTER)
FLOOR FRAME NOISE REDUCTION
AIR CONDITIONER DUCT
DISTRIBUTOR (L.H.)
DISTRIBUTOR (R.H.)
AIR CONDITIONER UNIT (1/2)
AIR CONDITIONER UNIT
AIR CONDITIONER UNIT (2/2)
AIR CONDITIONER BRACKET
AIR CONDITIONER BRACKET
AIR COMPRESSOR PIPING
AIR CON HEATER PIPING
AIR CONDITIONER HEATER PIPING
INSTRUMENT PANEL (WITHOUT CAB)
INSTRUMENT PANEL (WITH CAB)
FLOOR FRAME (WITHOUT CAB) (INSTRUMENNT PANEL LOCK COVER)
BLADE CONTROL LEVER (ANGLE CONTROL)
BLADE CONTROL LEVER
BLADE CONTROL LEVER (FOR TRIMMING)
BLADE CONTROL LINKAGE
BLADE CONTROL LINKAGE (TRIMMING FOR CHINA)(37673-)
RIPPER CONTROL LEVER
RIPPER CONTROL LINKAGE
AIR CONDITIONER WIRING
TOWING WINCH CONTROL LINKAGE
TOWING WINCH CONTROL LEVER
SCRAPER CONTROL LEVER
SCRAPER CONTROL LINKAGE
MONITOR PANEL
SUPPORT(36534-37821)
SUPPORT(37822-)
FLOOR FRAME COVER (FOR STEEL CAB)
FLOOR FRAME COVER (FOR STEEL CAB) (WITH AIR CONDITIONER)
FLOOR FRAME COVER (EUROPEAN SPEC.)
FLOOR INSTALLATION (KAB831K) (TRIMMING FOR CHINA)(37673-)
FLOOR INSTALLATION (37822-)
INSTRUMENT PANEL (1/2)(36534-37327)
INSTRUMENT PANEL (2/2)(36534-37327)
MONITOR PANEL (36534-37327)
FUEL CONTROL LEVER
STEERING AND BRAKE LINKAGE (37423-)
FUEL CONTROL LINKAGE
TRANSMISSION CONTROL LINKAGE (37423-)
DECELERATOR PEDAL
FUEL CONTROL LINKAG E(37423-)
FUEL CONTROL LINKAGE (TRIMMING FOR CHINA)(37856-)
TRANSMISSION CONTROL LEVER
VEHICLE CONTROL KNOB (37423-)
TRANSMISSION CONTROL LINKAGE (1/3)
TRANSMISSION CONTROL LINKAGE (2/3)
TRANSMISSION CONTROL LINKAGE (3/3)
STEERING CONTROL LEVER
STEERING AND BRAKE LINKAGE (1/2)
STEERING AND BRAKE LINKAGE (2/2)
BRAKE PEDAL
PARKING BRAKE LEVER
CONCENTRATED PIPING
BLADE CONTROL LEVER (36534-37532)
ANGLE BLADE CONTROL LEVER (36534-37532)
BLADE CONTROL LINKAGE (36534-37532)
BLADE CONTROL LINKAGE (37533-)
ANGEL BLADE CONTROL LINKAGE (36534-37532)
ANGLE CONTROL LINKAGE (37533-)
RIPPER CONTROL LEVER (36534-37532)
RIPPER CONTROL LESS
RIPPER CONTROL LINKAGE (36534-37532)
RIPPER CONTROL AND PIPING (TANK TO RIPPER CYLINDER)(37533-)
HYDRAULIC PIPING (TANK TO RIPPER CYLINDER)(36534-37532)
RIPPER CONTROL LEVER (37533-)
WINDOW WASHER TANK
RADIATOR GUARD (WIRING)
RADIATOR GUARD (DYNAMIC NOISE SUPPRESSION SPEC. FOR EC) (1/2)(37143-37333)
ENGINE ROOM CABLE (FRONT) (TRIMMING FOR CHINA)(37673-)
RADIATOR GUARD (RADIATOR)
RADIATOR GUARD (DYNAMIC NOISE SUPPRESSION SPEC. FOR EC) (2/2)(37143-)
RADIATOR MOUNTING
RADIATOR FAN PULLEY
RADIATOR FAN PULLEY (HIGH SPEED FAN)
RADIATOR GUARD
RADIATOR GUARD (TRIMMING)(37673-37830)
RADIATOR GUARD (TRIMMING) (FOR REINFORCED TYPE)(37831-)
CYLINDER STAY
RADIATOR FAN GUARD AND WIND BREAKER
RADIATOR FAN GUARD AND WIND BREAK (WITH CORE GRID) (TRIMMING FOR CHINA)(37673-)
FAN NET AND CONDENSER(36354-)
RADIATOR MASK AND CYLINDER STAY YOKE (DOUBLE PERFORATED)(37647-)
RADIATOR MASK (TRIMMING)(37673-)
RADIATOR MASK AND CYLINDER STAY YOKE (FOR SHUTTER)(37647-)
CYLINDER STAY
CYLINDER YOKE RELATED PARTS(37822-)
CYLINDER STAY COVER (BUSHY TERRAIN SPEC.)
RADIATOR GUARD RELATED
RADIATOR GUARD RELATED (RADIATOR CAP PROTECTOR)(37647-)
RADIATOR GUARD RELATED (TRIMMING FOR CHINA)(37673-)
RADIATOR SHUTTER SLIT COVER AND REAR COVER (WOODY TERRAIN SPEC.)(36534-37646)
RADIATOR MASK
ENGINE HOOD AND DASHBOAD
ENGINE HOOD (CLOSE TYPE)
ENGINE HOOD (PRFOLATED AND SALTY SPEC.)(37376-)
ENGINE HOOD (WITH EXTENTION PIPE)
ENGINE HOOD (SOLID TYPE) (TRIMMING)(37673-)
ENGINE HOOD (ENGINAIRE 660)(37677-)
ENGINE HOOD (PERFORATED TYPE) (FOR TURBO 2)(37719-)
ENGINE HOOD (CLOSE TYPE) (FOR TURBO 2 )(37719-)
ENGINE HOOD (PERFORATED AND SOLID TYPE) (FOR TURBO 2 )(37719-)
ENGINE HOOD (PERFOLATED)(37376-)
ENGINE SIDE COVER (CLOSE TYPE)(37647-)
ENGINE SIDE COVER (SALTY RESISTANT SPEC.)
ENGINE SIDE COVER (PERFOLATED TYPE)(37647-)
ENGINE SIDE COVER (TRIMMING FOR CHINA)(37673-)
ENGINE SIDE COVER (WITHOUT SIDE COVER)(37822-)
PRE CLEANER COVER (TRIMMING)(37673-)
PRECLEANER COVER (FOR TURBO 2 )(37719-)
PRECLEANER BONNET MOUNT (FOR TURBO 2 )(37719-)
PRECLEANER COVER (WOODY TERRAIN SPEC.)(37647-)
PRECLEANER CLEARANCE COVER
BATTERY CABLE AND RELAY SWITCH
BATTERY CABLE AND RELAY SWITCH (TRIMMING FOR CHINA)(37673-)
BATTERY CABLE AND RELAY SWITCH (FOR DUST INDICATOR)(37719-)
BATTERY CABLE AND RELAY SWITCH (FOR SWEEPER)(37647-)
STEERING AND BRAKE LINKAGE
TRANSMISSION CONTROL LINKAGE AND CONCENTRTED PIPING
FENDER
FENDER (WITH ROPS)
FENDER (TRIMMING FOR CHINA)(37673-)
FENDER (FOR SWEEPER)(37647-)
FENDER (DAINAMIC NOISE SUPPRESSION SPEC. FOR EU)
BATTERY HOLDER
BATTERY HOLDER (FOR C200 WET)(37719-)
BATTERY HOLDER (FOR SWEEPER)(37647-)
HYDRAULIC TANK (WITH RELIEF VALVE)
WORK EQUIPMENT VALVE MOUNT AND PIPING
WORK EQUIPMENT VALVE MOUNT AND PIPING (WITH RIPPER)
WORK EQUIPMENT VALVE MOUNT (TRIMMING FOR CHINA)(37673-)
HYDRAULIC PIPING (FROM TANK TO PUMP) (TRIMMING FOR CHINA)(37673-)
HYDRAULIC PIPING (FROM VALVE TO CYLINDER)
HYDRAULIC PIPING (FROM VALVE TO CYLINDER) (TRIMMING FOR CHINA)(37673-)
HANDLE
BLADE CONTROL LINKAGE
HYDRAULIC TANK COVER
HYDRAULIC TANK COVER (WITH RIPPER)
HYDRAULIC TANK COVER (FOR SWEEPER)(37647-)
FLOOR PLATE (EUROPEAN SPEC.)
FENDER COVER (37822-)
FENDER COVER (WITH HANDLE)
FENDER RELATED PARTS(37822-)
REAR COVER (TRIMMING)(36534-37821)
REAR COVER (FOR SWEEPER)(37647-)
REAR COVER LESS (TRIMMING)(37673-)
REAR COVER (WITH ROPS)(37822-)
REAR COVER (37822-)
REAR COVER (ROPS LESS) (WITH SCRAPER)(37822-)
REAR COVER (WITH ROPS) (WITH SCRAPER)(37822-)
REAR COVER (FOR TRIMMING)(37856-)
AIR CONDITIONER AND BATTERY COVER
AIR CONDITIONER AND BATTERY COVER (SALTY RESISTANT SPEC.)(37376-)
AIR CONDITIONER AND BATTERY COVER (FOR SAND DUSTY SPEC.)(37719-)
AIR CONDITIONER AND BATTERY COVER (FOR TRIMMING CHINA)(37852-)
HYDRAULIC TANK COVER
HYDRAULIC TANK COVER (FOR EXTINGUISHER)
HYDRAULIC TANK COVER (FOR HEATER AND EXTINGUISHER)
ROLL OVER PROTECTIVE STRUCTURE BRACKET (36534-37821)
ROLL OVER PROTECTIVE STRUCTURE BRACKET (37822-)
ROPS BRACKET (WOODY TERRAIN SPEC.)(36534-37821)
ROPS BRACKET (WOODY TERRAIN SPEC.)(37822-)
BOTTOM GUARD
BOTTOM GUARD AND SHORT EXHAUST PIPE (WOODY TERRAIN SPEC.)
BOTTOM GUARD (DYNAMIC NOISE SUPPRESSION SPEC. FOR EC)(37143-)
UNDER GUARD (WITH HINGE) (LIGHT TYPE) (TRIMMING FOR CHINA)(37852-)
BOTTOM GUARD (HINGED WITH FRONT HOOK)(36537-)
BOTTOM GUARD (WITH HINGE) (DRAWBAR SWING TYPE)(36537-)
BOTTOM GUARD (WITH HINGE)(37822-)
TRACK SHOE (MASTER PIN TYPE) (TRIPLE GROUSER) (D85A)
TRACK SHOE (LUBRICATE TYPE) (560MM WIDE) (MASTER LINK 2 PLACE TYPE) (D85E)(37361-)
TRACK SHOE (LUBRICATE TYPE) (610MM WIDE) (MASTER LINK 2 PLACE TYPE) (D85E)(37361-)
TRACK SHOE (LUBRICATE TYPE) (660MM WIDE) (MASTER LINK 2 PLACE TYPE) (D85E)(37361-)
TRACK SHOE (LUBRICATE TYPE) (TRIPLE GROUSER WITH ROUND HOLE) (560MM WIDE) (TRIMMING FOR CHINA)(37673-)
TRACK SHOE (MASTER PIN TYPE) (610MM WIDE)
TRACK SHOE (MASTER PIN TYPE) (660MM WIDE)
TRACK SHOE (MASTER PIN TYPE) (560MM WIDE) (HEAVY-DUTY)
TRACK SHOE (MASTER PIN TYPE) (560MM WIDE) (ROCK)
TRACK SHOE (MASTER PIN TYPE) (610MM WIDE) (HEAVY-DUTY)
TRACK SHOE (MASTER PIN TYPE) (660MM WIDE) (HEAVY-DUTY)
TRACK SHOE (MASTER PIN TYPE) (SNOW TYPE) (D85A)
TRACK SHOE (LUBRICATE TYPE) (560MM WIDE) (MASTER LINK 2 PLACE TYPE) (HEAVY-DUTY) (D85E)(37361-)
TRACK SHOE (LUBRICATE TYPE) (610MM WIDE) (MASTER LINK 2 PLACE TYPE) (HEAVY-DUTY) (D85E)(37361-)
TRACK SHOE (LUBRICATE TYPE) (660MM WIDE) (MASTER LINK 2 PLACE TYPE) (HEAVY-DUTY) (D85E)(37361-)
TRACK SHOE (LUBRICATE TYPE) (MASTER LINK 4 PLACE TYPE) (D85A)(36534-37360)
TRACK SHOE (LUBRICATE TYPE) (560MM WIDE) (MASTER LINK 2 PLACE TYPE) (D85A)(37361-)
TRACK SHOE (LUBRICATE TYPE) (610MM WIDE) (MASTER LINK 2 PLACE TYPE) (D85A)(37361-)
TRACK SHOE (LUBRICATE TYPE) (660MM WIDE) (MASTER LINK 2 PLACE TYPE) (D85A)(37361-)
TRACK SHOE (MASTER PIN TYPE) (560MM WIDE) (D85A)
TRACK SHOE (LUBRICATE TYPE) (MASTER LINK 4 PLACE TYPE) (HEAVY DUTY) (D85A)(36534-37360)
TRACK SHOE (LUBRICATE TYPE) (560MM WIDE) (MASTER LINK 2 PLACE TYPE) (HEAVY-DUTY) (D85A)(37361-)
TRACK SHOE (LUBRICATE TYPE) (610MM WIDE) (MASTER LINK 2 PLACE TYPE) (HEAVY-DUTY) (D85A)(37361-)
TRACK SHOE (LUBRICATE TYPE) (660MM WIDE) (MASTER LINK 2 PLACE TYPE) (HEAVY-DUTY) (D85A)(37361-)
TRACK SHOE (LUBRICATE TYPE) (MASTER LINK 4 PLACE TYPE) (COLD WEATHER A SPEC.) (D85A)(36534-37360)
TRACK SHOE (LUBRICATE TYPE) (660MM WIDE) (MASTER LINK 2 PLACE TYPE) (COLD WEATHER A SPEC.) (D85A)(37361-)
TRACK SHOE (LUBRICATE TYPE) (TRIPLE GROUSER) (MASTER LINK 4 PLACE TYPE) (D85A)(36534-37360)
TRACK SHOE (LUBRICATE TYPE) (TRIPLE GROUSER) (560MM WIDE) (MASTER LINK 2 PLACE TYPE) (D85A)(37361-)
RECOIL SPRING (D85A)(36534-37821)
RECOIL SPRING (D85A) (TRIMMING FOR CHINA)(37673-37821)
RECOIL SPRING (D85A) (L.H.)(37822-)
TRACK FRAME (D85A)(36534-37821)
TRACK FRAME (D85A) (TRIMMING FOR CHINA)(37673-37821)
TRACK FRAME (D85A) (FULL ROLLER GUARD) (TRIMMING) (-50)(36534-37821)
TRACK FRAME (D85A) (L.H.)(37822-)
TRACK FRAME (D85A) (COLD WEATHER (A) SPEC.) (TRIMMING) (L.H.)
TRACK FRAME COVER (D85A)(36534-37821)
TRACK FRAME COVER (D85A) (TRIMMING FOR CHINA)(37673-37821)
TRACK FRAME COVER (D85A) (L.H.)(37822-)
FRONT IDLER(36534-37821)
FRONT IDLER (FULL ROLLER GUARD) (-50)(36534-37821)
FRONT IDLER (L.H.)(37822-)
FRONT IDLER (COLD WEATHER (A) SPEC.) (L.H.)
TRACK ROLLER(36534-37821)
TRACK ROLLER (FULL ROLLER GUARD) (-50)(36534-37821)
TRACK ROLLER (FULL ROLLER GUARD) (TRIMMING) (-50)(36534-37821)
TRACK ROLLER (SINGLE) (L.H.)(37822-)
TRACK ROLLER (SINGLE) (COLD WEATHER (A) SPEC)(L.H.)
TRACK ROLLER (SINGLE) (COLD WEATHER (A) SPEC) (TRIMMING) (L.H.)
CARRIER ROLLER(36534-37821)
CARRIER ROLLER (FULL ROLLER GUARD) (-50)(36534-37821)
TRACK ROLLER (DOUBLE) (L.H.)(37822-)
TRACK ROLLER (DOUBLE) (COLD WEATHER (A) SPEC.) (L.H.)
TRACK ROLLER (DOUBLE) (COLD WEATHER (A) SPEC.) (TRIMMING) (L.H.)
TRACK ROLLER GUARD (D85A)(36534-37821)
TRACK ROLLER GUARD (D85A) (LIGHT TYPE) (TRIMMING FOR CHINA)(37673-37821)
TRACK ROLLER GUARD (CENTER & END ROLLER GUARD) (-50)(36534-37821)
CARRIER ROLLER (L.H.)(37822-)
CARRIER ROLLER (COLD WEATHER (A) SPEC) (L.H.)
TRACK FRAME COVER (REAR)(36534-37821)
TRACK ROLLER GUARD (D85A) (L.H.)(37822-)
TRACK ROLLER GUARD (MINI SKIRT) (COLD WEATHER (A) SPEC) (L.H.)
SUSPENSION (L.H.) (EQUALIZER BAR)(37822-)
RECOIL SPRING (D85A) (R.H.)(37822-)
TRACK FRAME (D85A) (R.H.)(37822-)
TRACK FRAME (D85A) (COLD WEATHER (A) SPEC.) (TRIMMING) (R.H.)
TRACK FRAME COVER (D85A) (R.H.)(37822-)
FRONT IDLER (R.H.)(37822-)
FRONT IDLER (COLD WEATHER (A) SPEC) (R.H.)
TRACK ROLLER (SINGLE) (R.H.)(37822-)
TRACK ROLLER (SINGRE) (COLD WEATHER (A) SPEC) (R.H.)
TRACK ROLLER (SINGLE) (COLD WEATHER (A) SPEC) (TRIMMING) (R.H.)
TRACK ROLLER (DOUBLE) (R.H.)(37822-)
TRACK ROLLER (DOUBLE) (COLD WEATHER (A) SPEC) (R.H.)
TRACK ROLLER (DOUBLE) (COLD WEATHER (A) SPEC) (TRIMMING) (R.H.)
CARRIER ROLLER (R.H.)(37822-)
CARRIER ROLLER (COLD WEATHER (A) SPEC) (R.H.)
TRACK ROLLER GUARD (D85A) (R.H.)(37822-)
TRACK ROLLER GUARD (MINI SKIRT) (COLD WEATHER (A) SPEC) (R.H.)
SUSPENSION (R.H.) (EQUALIZER BAR)(37822-)
TRACK FRAME COVER (REAR)(37822-)
TRACK ROLLER GUARD (MINI SKIRT)
TRIMMING FRAME (35 DEGREE PITCH)
STRAIGHT TILT FRAME (36534-37821)
STRAIGHT TILT FRAME (REINFORCED TYPE)
STRAIGHT FRAME (FOR COAL DOZER) (D85A)(37288-)
MECHANICAL ANGLE POWER TILT FRAME
STRAIGHT TILT FRAME (EUROPEAN SPEC.)
TRIMMING FRAME (35 DEGREE PITCH)(37673-)
TRIMMING FRAME(36738-)
STRAIGHT TILT FRAME (37822-)
STRAIGHT TILT FRAME (37822-)
STRAIGHT BLADE (36534-37821)
STRAIGHT BLADE (37822-)
STRAIGHT TILT BLADE (36534-37821)
STRAIGHT TILT BLADE (37822-)
STRAIGHT TILT U-BLADE (36534-37821)
STRAIGHT TILT U-BLADE (37822-)
STRAIGHT TILT SEMI U-BLADE
STRAIGHT TILT BLADE (REINFORCED TYPE)(36534-37821)
STRAIGHT TILT BLADE (REINFORCED TYPE)(37822-)
ANGLE BLADE (36534-37821)
ANGLE BLADE (37822-)
STRAIGHT RAKE BLADE (36534-37821)
STRAIGHT RAKE BLADE (37822-)
U-BLADE (FOR COAL DOZER) (D85A)(36534-37821)
U-BLADE (FOR COAL DOZER) (D85A)(37822-)
U-BLADE (FOR COAL DOZER) (WITH TILT) (D85A)(36534-37821)
U-BLADE (FOR COAL DOZER) (WITH TILT) (D85A)(37822-)
MECHANICAL ANGLE POWER TILT BLADE (36534-37821)
MECHANICAL ANGLE POWER TILT BLADE (37822-)
TRIMMING BLADE (LIGHT TYPE) (FOR CHINA)(37842-)
TRIMMING BLADE (36738-)
BLADE LIFT CYLINDER (D85A)(37822-)
BLADE LIFT CYLINDER (FOR SALTY RESISTANT SPEC.)(36738-)
BLADE TILT CYLINDER(37822-)
MECANICAL ANGLE POWER TILT CYLINDER (37667-)
MECHANICAL ANGLE POWER TILT CYLINDER PIPING (1/2)
TRIMMING CYLINDER PIPING (1/2)(36738-)
BLADE TRIMMING CYLINDER PIPING (35 DEGREE PITCH)(37667-)
MECHANICAL ANGLE POWER TILT CYLINDER PIPING (2/2)
TRIMMING CYLINDER PIPING (2/2)(36738-)
BLADE TRIMMING CYLINDER PIPING COVER (35 DEGREE PITCH)(37667-)
CYLINDER COVER
RIPPER BEAM AND LINK (37822-)
SHANK (37822-)
POINT (37822-)
RIPPER LIFT CYLINDER(37822-)
RIPPER SHANK BEAM AND LINK
RIPPER CYLINDER PIPING (36534-37821)
TOWING WINCH CASE (1/2)
TOWING WINCH CASE (2/2)
INPUT SHAFT AND BEVEL GEAR (FOR TOWING WINCH)
BRAKE DRUM (FOR TOWING WINCH)
CABLE DRUM (FOR TOWING WINCH)
CLUTCH DRUM (FOR TOWING WINCH)
BRAKE DRUM (FOR TOWING WINCH)
CABLE (FOR TOWING WINCH)
DRAWBAR (FOR TOWING WINCH)
HYDRAULIC PUMP MOUNT (FOR TOWING WINCH)
HYDRAULIC PIPING (FOR TOWING WINCH)
WINCH PIPING (FOR TOWING WINCH)
CONTROL VALVE (FOR TOWING WINCH)
TOWING WINCH CONTROL LEVER
TOWING WINCH CONTROL LINKAGE
FAIR LEAD (FOR TOWING WINCH)
LOGGING ARM (FOR TOWING WINCH)
MODIFIED PARTS (FOR TOWING WINCH)
POWER TAKE OFF SHAFT (FOR REAR P.C.U.)
INPUT SHAFT AND HYDRAULIC PUMP (FOR REAR P.C.U.)
MAIN SHAFT (FOR REAR P.C.U.)
CLUTCH AND DRUM (FOR REAR P.C.U.)
BRAKE BAND (FOR REAR P.C.U.)
CASE AND CVER (FOR REAR P.C.U.)
SHEAVE (FOR REAR P.C.U.)
CONTROL VALVE (FOR REAR P.C.U.)
REAR P.C.U. CONTROL LEVER
REAR P.C.U. CONTROL LINKAGE (1/2)
REAR P.C.U. CONTROL LINKAGE (2/2)
HYDRAULIC PUMP (FOR REAR P.C.U.)
HYDRAULIC PUMP (FOR REAR P.C.U.)
MODIFIED CHASSIS PARTS (FOR REAR P.C.U.) (1/2)
DRAWBAR
SWING DRAWBAR
DRAWBAR (LIGHT TYPE) (TRIMMING FOR CHINA)(37673-)
MARKS AND PLATES (ENGLISH) (D85A)(36534-37306)
MARKS AND STRIPES (D85A)(37307-)
MARKS AND PLATES (ARABIC) (D85A)(36534-37306)
MARKS AND PLATES (ITALIAN) (D85A)(36534-37306)
MARKS AND PLATES (INDONESIAN) (D85A)(36534-37306)
MARKS AND PLATES (SPANISH) (D85A)(36534-37306)
MARKS AND PLATES (CHINESE) (D85A)(36534-37306)
MARKS AND PLATES (GERMAN) (D85A)(36534-37306)
MARKS AND PLATES (FRENCH) (D85A)(36534-37306)
MARKS AND PLATES (PERSIAN) (D85A)(36534-37306)
MARKS AND PLATES (RUSSIAN) (D85A)(36534-37306)
MARKS AND PLATES (ENGLISH) (FOR EU) (D85A)(36534-37306)
MARKS AND PLATES (ITALIAN) (FOR EU) (D85A)(36534-37306)
MARKS AND PLATES (SPANISH) (FOR EU) (D85A)(36534-37306)
MARKS AND PLATES (GERMAN) (FOR EU) (D85A)(36534-37306)
MARKS AND PLATES (FRENCH) (FOR EU) (D85A)(36534-37306)
MARKS AND PLATES (ENGLISH)(37307-)
MARKS AND PLATES (ARABIC)(37307-)
MARKS AND PLATES (ITALIAN)(37307-)
MARKS AND PLATES (INDONESIAN)(37307-)
MARKS AND PLATES (SPANISH)(37307-)
MARKS AND PLATES (CHINESE)(37307-)
MARKS AND PLATES (GERMAN)(37307-)
MARKS AND PLATES (FRENCH)(37307-)
MARKS AND PLATES (PERSIAN)(37307-)
MARKS AND PLATES (RUSSIAN)(37307-)
MARKS AND PLATES (ENGLISH) (FOR EU)(37307-)
MARKS AND PLATES (ITALIAN) (FOR EU)(37307-)
MARKS AND PLATES (SPANISH) (FOR EU)(37307-)
MARKS AND PLATES (GERMAN) (FOR EU)(37307-)
MARKS AND PLATES (FRENCH) (FOR EU)(37307-)
MARKS AND PLATES (ENGLISH) (EXCEPT U.S.A.)(37321-)
MARKS AND PLATES (RUSSIAN AND ENGLISH)(37677-)
MARKS AND PLATES (SPAINSH) (PICTORIAL) (2/2)
MARK PLATE (DYNAMIC NOISE SUPPRESSION FOR EU)(37193-)
EXAMINATION NO.PLATES (FOR EU)
CENTER GRAVITY MARK (EXCEPT JAPAN AND EU)
NAME PLATE (EXCEPT JAPAN) (LIMITED SUPPLY) (R.O.P.S)
PLATE (AIR CLEANER)
CAUTION PLATE (EXCEPT JAPAN) (SEAT BELT)
PLATE (BLADE)(37852-)
PLATE (RIPPER)(37852-)
PLATE (TOWING WINCH)(37852-)
SPARE PARTS (COLD TERRAIN SPEC.) (1/2)(36537-)
SPARE PARTS (36537-)
SPARE PARTS (COLD TERRAIN SPEC.) (2/2)(36537-)
CAP AND OVERALL
TOOL (36537-)
VANDALISM PROTECTION
VANDALISM PROTECTION (TRIMMING FOR CHINA)(37722-)
CAB GUARD (WOODY TERRAIN SPEC.)
CAB GUARD SWEEPER (WOODY TERRAIN SPEC.)
SCRAPER CONTROL LEVER (1/2)
SCRAPER CONTROL LEVER (2/2)
SCRAPER CONTROL LINKAGE (1/2)
SCRAPER CONTROL LINKAGE (2/2)
HYDRAULIC PIPING (WITH BLADE-SCRAPER SELECT VALVE)
HYDRAULIC PIPING (TANK TO SCRAPER LINE)
PRE-HEATER
PRE-HEATER PIPING
KIT
SHOE BOLT AND NUT SERVICE KIT
TRACK LINK (LUBRICATE TYPE) (MASTER LINK 2 PLACE TYPE) (SUPPLY PARTS) (D85A)
TRACK LINK (LUBRICATE TYPE) (MASTER LINK 2 PLACE TYPE) (COLD WEATHER (A) SPEC.) (SUPPLY PARTS)(37361-)
TRACK LINK (LUBRICATE TYPE) (TRIMMING FOR CHINA) (SUPPLY PARTS)(37673-)
TRANSMISSION PUMP
STEERING PUMP
WORK EQUIPMENT PUMP (1/2)
WORK EQUIPMENT PUMP (2/2)
HYDRAULIC PUMP (FOR TOWING WINCH)
BLADE LIFT CYLINDER (1/2) (D85A)
BLADE LIFT CYLINDER (2/2) (D85A)
BLADE TRIMMING LIFT CYLINDER (1/2)(36738-)
BLADE TRIMMING LIFT CYLINDER (2/2)(36738-)
MECANICAL ANGLE POWER TILT CYLINDER
BLADE TILT CYLINDER
BLADE TRIMMING CYLINDER (35 DEGREE PITCH)(37673-)
BLADE TRIMMING CYLINDER(36738-)
RIPPER CYLINDER
BRAKE CYLINDER (FOR TOWING WINCH)
BLADE CONTROL VALVE (1/5)
BLADE CONTROL VALVE (2/5)
BLADE CONTROL VALVE (3/5)
BLADE CONTROL VALVE (4/5)
BLADE CONTROL VALVE (5/5)
BLADE CONTROL VALVE (1/5) (WITH SCRAPER)
BLADE CONTROL VALVE (2/5) (WITH SCRAPER)
BLADE CONTROL VALVE (3/5) (WITH SCRAPER)
BLADE CONTROL VALVE (4/5) (WITH SCRAPER)
BLADE CONTROL VALVE (5/5) (WITH SCRAPER)
SCRAPER CONTROL VALVE (1/2)
SCRAPER CONTROL VALVE (2/2)
RIPPER CONTROL VALVE (1/2)
RIPPER CONTROL VALVE (2/2)
1
2
3
4
5
6
7
8
10
11
12
13
14
15
16
17
18
19
Позиция на иллюстрации
Заводской номер детали
Название детали
1
175-06-61430
BUZZER,CAUTION
2
01220-40616
SCREW
3
01640-20610
WASHER
4
01602-20619
WASHER, SPRING
5
01580-10605
NUT
6
195-06-41410
PLATE
7
01010-80616
BOLT
8
01602-20619
WASHER, SPRING
9
195-06-41610
COVER
10
01010-81025
BOLT
11
01643-31032
WASHER
12
195-06-41580
COVER
13
175-06-38570
CAP
14
01252-40616
BOLT
15
01602-20619
WASHER, SPRING
16
154-06-41381
WIRING HARNESS
17
195-06-41830
CLIP
18
01010-81220
BOLT
19
01643-31232
WASHER
Содержащиеся в справочниках-каталогах запасные части и детали не предлагаются к продаже, а носят исключительно информационный характер
Дополнительная информация
×
Название:
Номер:
Примечание: