Вернуться на главную
Поиск
Каталоги запчастей к технике
Спецтехника
Komatsu
D85A-21
COMPRESSOR RELATED PARTS (35623-36391)
Каталог запасных частей к технике: Komatsu D85A-21. COMPRESSOR RELATED PARTS (35623-36391)
zoom-in
zoom-out
enlarge
shrink
circle-right
circle-left
file-text2
info
cart
Тип техники
Не выбрано
Легковые автомобили
Грузовые автомобили и прицепы
Автобусы
Сельхозтехника
Спецтехника
Двигатели
Мототехника
Марка
Не выбрано
Ammann
BOMAG
CARMIX
CASE IH
Changlin
ChengGong
Dimex
Doosan
DYNAPAC
Foton
HAMM
Hidromek
Hitachi
Hyundai
JCB
JLG
John Deere
Komatsu
LIEBHERR
LiuGong
Lonking (LongGong)
Luneng
MANITOU
Mitsuber
New Holland
PENGPU
RM-Terex
SANY
SDLG
SEM
Shantui
Shehwa HBXG
Soosan
TIGARBO
VOGELE
Volvo
WAY
WIRTGEN
XCMG
XGMA
Xiamen
YTO
Yuchai
Zoomlion
Автокран
АЗСМ
Алтайлесмаш
Амкодор
АОМЗ
Атек
АТЗ
Балканкар Рекорд
БелАЗ
Беловеж
Борекс
Брянский Арсенал
Булат
ВЭКС
ГАЗ
Геомаш
Гидромаш
Донекс
Дормаш
Дормашина
Дорэлектромаш
ДЭЗ
ЕлАЗ
ЗЗГТ
Ижнефтемаш
Канаш-электрокар
КЗКТ
ККЗ
Клевер
Клинцовский автокрановый завод
КМЗ
КМЗ 1 Мая
Ковровец
Коммаш
Кранэкс
КЭЗ
КЭМЗ
ЛЗА
МАЗ
МЗИК
МЗКМ
МЗКТ
Михневский РМЗ
МоАЗ
Мозырский МЗ
МТЗ
ОЗП
Онежец
ПАО "ТЗА"
ППС Детва
Промтрактор
ПТЗ
Раскат
СпецАгрегат
ТВЭКС
ТТМ
УВЗ
Угличмаш
УЗТМ
ХТЗ
ЧЗКМ
ЧСДМ
ЧТЗ
ЭКСКО
ЭКСМАШ
ЮрМаш
Модель
Не выбрано
D155C-1 (2010)
D155C-1 (спец.) (2010)
D155C-1D (2010)
D155C-1P (2010)
D355C-3 (2010)
D355C-3 (2010)
D85A-21 (2010)
D85A-21 (2010)
D85A-21B (2010)
D85C-21A (2010)
PC200, 210(LC)-7 (2004)
PC200-6 (2010)
PC200-7 (2010)
PC200-7-AA (2010)
PC200-8MO (2010)
PC200LC-7 (2010)
PC200LC-8M0 (2010)
PC210-6 (2010)
PC210LC-6 (2010)
PC220-7 (2010)
PC220-8MO (2010)
PC220LC-8MO (2010)
PC300-7 (2010)
PC300-8MO (2010)
PC300LC-7 (2010)
PC300LC-8MO (2010)
PC35MR-3 (2010)
PC400-7 (2010)
PC400-7EO (2010)
PC400LC-7 (2010)
PC55MR-3 (2010)
WB93R-5E0 (2018)
WB93S-5E0 (2018)
WB97S-5E0 (2018)
Погрузчик SK820 (2015)
Схема
>
Не выбрано
ENGINE MOUNT (35001-)
POWER TAKE OFF (35001-)
RADIATOR (35001-)
RADIATOR PIPING AND WIND BREAKER (35001-)
RADIATOR FAN GUARD (35001-35587)
RADIATOR FAN GUARD (35588-)
RADIATOR FAN PULLEY (35001-)
RADIATOR MOUNTING (35001-)
FUEL TANK (35001-)
FUEL PIPING (35001-)
BATTERY AND RELAY SWITCH (35001-)
INSTRUMENT PANEL (1/2) (35001-)
INSTRUMENT PANEL (2/2) (35001-)
ELECTRICAL SYSTEM (1/3) (35001-)
ELECTRICAL SYSTEM (2/3) (35001-)
ELECTRICAL SYSTEM (3/3) (35001-)
REAR LAMP (35001-)
MONITOR PANEL (35001-)
PRE-HEATER PIPING (35001-)
PRE-HEATER (35001-)
UNIVERSAL JOINT (35001-)
TORQUE CONVERTER (1/2) (35001-)
TORQUE CONVERTER (2/2) (35001-)
TRANSMISSION CASE (1/5) (35001-)
TRANSMISSION GEAR AND SHAFT (1/3) (2/5) (35001-)
TRANSMISSION GEAR AND SHAFT (2/3) (3/5) (35001-)
TRANSMISSION GEAR AND SHAFT (3/3) (4/5) (35001-)
TRANSMISSION TRANSFER (5/5) (35001-)
TRANSMISSION VALVE (1/2) (35001-)
TRANSMISSION VALVE (2/2) (35001-)
TRANSMISSION VALVE COVER AND LEVER (35001-)
STEERING CASE AND MAIN FRAME (35001-)
BEVEL GEAR AND SHAFT (35001-)
STEERING CLUTCH (35001-)
BRAKE BAND AND LINKAGE (35001-)
BRAKE BAND AND LINKAGE (WITH 10M3 SCRAPER) (36192-)
STEERING CASE COVER (35001-)
BRAKE BOOSTER (35001-)
FINAL DRIVE CASE AND GEAR (1/2) (35001-)
FINAL DRIVE CASE AND GEAR (2/2) (35001-)
SPROCKET AND SHAFT (35001-)
TRACK FRAME (35001-)
RECOIL SPRING (35001-)
TRACK FRAME COVER (35001-)
IDLER (35001-)
TRACK ROLLER (35001-)
TRACK ROLLER GUARD (35001-)
CARRIER ROLLER (35001-)
TRACK SHOE (MASTER PIN TYPE) (SINGLE GROUSER) (35001-36326)
TRACK SHOE (MASTER PIN TYPE) (SINGLE GROUSER) (HEAVY DUTY) (35001-36326)
TRACK SHOE (MASTER PIN TYPE) (TRIPLE GROUSER) (35001-)
TRACK SHOE (MASTER PIN TYPE) (ON-ROCKBED) (35001-36326)
TRACK SHOE (MASTER PIN TYPE) (SNOW TYPE) (35001-)
TRACK SHOE (LUBRICATE TYPE) (SINGLE GROUSER) (35001-)
TRACK SHOE (LUBRICATE TYPE) (SINGLE GROUSER) (HEAVY DUTY) (35001-)
TRACK SHOE (LUBRICATE TYPE) (SINGLE GROUSER) (COLD TERRAIN SPEC.) (35001-36326)
TRACK SHOE (LUBRICATE TYPE) (SINGLE GROUSER) (COLD TERRAIN SPEC.) (36327-)
TRACK SHOE (LUBRICATE TYPE) (SINGLE GROUSER) (COLD TERRAIN SPEC.)(HEAVY DUTY) (35001-36326)
TRACK SHOE (LUBRICATE TYPE) (TRIPLE GROUSER) (35001-)
TRACK SHOE (LUBRICATE TYPE) (ON-ROCKBED) (35001-36326)
TRACK SHOE (LUBRICATE TYPE) (ON-ROCKBED) (COLD TERRAIN SPEC.) (35001-36326)
FUEL CONTROL LEVER (35001-)
FUEL CONTROL LINKAGE (35001-)
DECELERATOR PEDAL (35001-)
TRANSMISSION CONTROL LEVER (35001-)
TRANSMISSION CONTROL LINKAGE (1/3) (35001-)
TRANSMISSION CONTROL LINKAGE (2/3) (35001-35476)
TRANSMISSION CONTROL LINKAGE (2/3) (35477-)
TRANSMISSION CONTROL LINKAGE (3/3) (35001-)
STEERING CONTROL LEVER (35001-)
STEERING AND BRAKE LINKAGE (1/2) (35001-)
STEERING AND BRAKE LINKAGE (2/2) (35001-)
BRAKE PEDAL (35001-)
PARKING BRAKE LEVER (35001-)
STEERING CONTROL VALVE (35001-)
MAIN RELIEF VALVE (35001-)
TRANSMISSION OIL FILTER (35001-)
OIL STRAINER (35001-)
STEERING PIPING (1/3) (35001-)
STEERING PIPING (2/3) (35001-)
STEERING PIPING (3/3) (35001-)
TRANSMISSION PUMP (35001-35320)
TRANSMISSION PUMP (35321-)
STEERING PUMP (35001-)
TORQUE CONVERTER AND OIL COOLER PIPING (35001-)
TORQFLOW TRANSMISSION PIPING (35001-35320)
TORQFLOW TRANSMISSION PIPING (35321-)
BRAKE PIPING (35001-)
CONCENTRATED PIPING (35001-)
RADIATOR GUARD (35001-)
ENGINE HOOD AND DASHBOAD (35001-)
ENGINE HOOD AND DASHBOAD (NOISE SUPPRESSION SPEC. FOR EC) (35001-)
ENGINE HOOD AND DASHBOAD (COLD TERRAIN SPEC.) (35001-)
FENDER (35001-35476)
FENDER (35477-)
SUPPORT (35001-)
REAR COVER (35001-)
FLOOR PLATE (35001-)
AIR CON AND BATTERY COVER (35001-)
BOTTOM GUARD (35001-)
CYLINDER COVER (35001-)
ROLL OVER PROTECTIVE STRUCTURE (35001-)
ROLL OVER PROTECTIVE STRUCTURE BRACKET (35001-35706)
ROLL OVER PROTECTIVE STRUCTURE BRACKET (35707-)
OPERATOR'S SEAT (35001-36480)
OPERATOR'S SEAT (36481-)
EQUALIZER BAR (35001-)
DRAWBAR (35001-)
SWING DRAWBAR (35001-)
CANOPY (35001-)
HEAD GUARD (35001-)
STEEL CAB (BODY AND FRONT WINDOW) (1/9) (35001-)
STEEL CAB (DOOR AND SIDE WINDOW) (2/9) (35001-35951)
STEEL CAB (DOOR AND SIDE WINDOW) (2/9) (35952-)
STEEL CAB (REAR WINDOW) (3/9) (35001-)
STEEL CAB (FURNITURE IN CAB¤ FRONT) (4/9) (35001-)
STEEL CAB (FURNITURE IN CAB¤ REAR) (5/9) (35001-)
STEEL CAB (INNER TOP AND CAB MOUNT) (6/9) (35001-)
STEEL CAB (ELECTRICAL PARTS¤ FRONT) (7/9) (35001-)
STEEL CAB (ELECTRICAL PARTS¤ REAR) (8/9) (35001-)
STEEL CAB (WINDOW WASHER) (9/9) (35001-)
STEEL CAB (BODY AND FRONT WINDOW) (1/9) (COLD TERRAIN SPEC.) (35001-)
STEEL CAB (DOOR AND SIDE WINDOW) (2/9) (COLD TERRAIN SPEC.) (35001-35951)
STEEL CAB (DOOR AND SIDE WINDOW) (2/9) (COLD TERRAIN SPEC.) (35952-)
STEEL CAB (REAR WINDOW ) (3/9) (COLD TERRAIN SPEC.) (35001-)
STEEL CAB (FURNITURE IN CAB FRONT) (4/9) (COLD TERRAIN SPEC.) (35001-)
STEEL CAB (FURNITURE IN CAB REAR) (5/9) (COLD TERRAIN SPEC.) (35001-)
STEEL CAB (INNER TOP AND CAB MOUNT) (6/9) (COLD TERRAIN SPEC.) (35001-)
STEEL CAB (ELECTRICAL PARTS¤ FRONT) (7/9) (COLD TERRAIN SPEC.) (35001-)
STEEL CAB (ELECTRICAL PARTS¤ REAR) (8/9) (COLD TERRAIN SPEC.) (35001-)
STEEL CAB (WINDOW WASHER) (9/9) (COLD TERRAIN SPEC.) (35001-)
FLOOR FRAME (FOR STEEL CAB) (35001-)
ACCESSORIES (FOR STEEL CAB) (35001-)
CAB GUARD (WOODY TERRAIN SPEC.) (35001-)
CAB GUARD SWEEPER (WOODY TERRAIN SPEC.) (35001-)
RADIATOR SHUTTER SLIT COVER AND REAR COVER (WOODY TERRAIN SPEC.) (35001-)
ROPS BRACKET (WOODY TERRAIN SPEC.) (35001-)
BOTTOM GUARD AND SHORT EXHAUST PIPE (WOODY TERRAIN SPEC.) (35001-)
MUFFLER AND PRECLEANER EXTENTION (SANDY AND DUSTY TERRAIN SPEC.) (35001-)
COMPRESSOR RELATED PARTS (35001-35622)
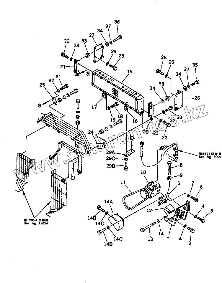
COMPRESSOR RELATED PARTS (35623-36391)
COMPRESSOR RELATED PARTS (36392-)
HEATING PIPING (FOR AIR CONDITIONER) (35001-)
COOLING PIPING (FOR AIR CONDITIONER) (35001-36391)
COOLING PIPING (FOR AIR CONDITIONER) (36392-)
AIR CONPRESSOR (35001-36391)
AIR CONPRESSOR (36392-)
AIR CONDITIONER (1/2) (35001-)
AIR CONDITIONER (2/2) (35001-)
AIR CONDITIONER UNIT (1/2) (35001-)
AIR CONDITIONER UNIT (2/2) (35001-)
HEATING PIPING (FOR HEATER) (35001-)
HEATER (35001-)
HEATER DUCT (35001-)
HEATER UNIT (1/2) (35001-)
HEATER UNIT (2/2) (35001-)
DISTRIBUTOR (1/2) (35001-)
DISTRIBUTOR (2/2) (35001-)
CONTROL PANEL (FOR HEATER) (35001-)
CONTROL PANEL (FOR AIR CONDITIONER) (35001-)
WORK EQUIPMENT VALVE MOUNT (35001-)
WORK EQUIPMENT VALVE MOUNT (WITH RIPPER) (35001-)
WORK EQUIPMENT VALVE MOUNT (WITH SCRAPER) (35001-)
HYDRAULIC TANK (35001-)
CYLINDER STAY (35001-)
WORK EQUIPMENT PUMP (1/2) (35001-)
WORK EQUIPMENT PUMP (2/2) (35001-)
BLADE CONTROL VALVE (1/5) (35001-)
BLADE CONTROL VALVE (2/5) (35001-)
BLADE CONTROL VALVE (3/5) (35001-)
BLADE CONTROL VALVE (4/5) (35001-)
BLADE CONTROL VALVE (5/5) (35001-)
BLADE CONTROL VALVE (1/5) (WITH SCRAPER) (35001-)
BLADE CONTROL VALVE (2/5) (WITH SCRAPER) (35001-)
BLADE CONTROL VALVE (3/5) (WITH SCRAPER) (35001-)
BLADE CONTROL VALVE (4/5) (WITH SCRAPER) (35001-)
BLADE CONTROL VALVE (5/5) (WITH SCRAPER) (35001-)
SCRAPER CONTROL VALVE (1/2) (35001-)
SCRAPER CONTROL VALVE (2/2) (35001-)
RIPPER CONTROL VALVE (1/2) (35001-)
RIPPER CONTROL VALVE (2/2) (35001-)
BLADE LIFT CYLINDER (1/2) (35001-)
BLADE LIFT CYLINDER (2/2) (35001-)
HYDRAULIC PIPING (TANK TO PUMP) (35001-)
HYDRAULIC PIPING (TANK TO LIFT CYLINDER) (1/2) (35001-)
HYDRAULIC PIPING (TANK TO LIFT CYLINDER) (2/2) (35001-)
HYDRAULIC PIPING (TANK TO TILT CYLINDER) (35001-)
HYDRAULIC PIPING (TANK TO RIPPER CYLINDER) (35001-)
HYDRAULIC PIPING (TANK TO SCRAPER LINE) (35001-)
HYDRAULIC PIPING (WITH BLADE-SCRAPER SELECT VALVE) (36193-)
TILT BLADE CONTROL LEVER (35001-)
TILT BLADE CONTROL LINKAGE (35001-)
ANGLE BLADE CONTROL LEVER (35001-)
ANGEL BLADE CONTROL LINKAGE (35001-)
RIPPER CONTROL LEVER (35001-)
RIPPER CONTROL LINKAGE (35001-)
SCRAPER CONTROL LEVER (1/2) (35001-)
SCRAPER CONTROL LEVER (2/2) (35001-)
SCRAPER CONTROL LINKAGE (1/2) (35001-)
SCRAPER CONTROL LINKAGE (2/2) (35001-)
TOWING WINCH CONTROL LEVER (35001-)
TOWING WINCH CONTROL LINKAGE (35001-)
REAR P.C.U. CONTROL LEVER (35001-)
REAR P.C.U. CONTROL LINKAGE (1/2) (35001-)
REAR P.C.U. CONTROL LINKAGE (1/2) (35001-)
STRAIGHT TILT BLADE (35001-)
STRAIGHT TILT SEMI U-BLADE (35001-)
STRAIGHT TILT FRAME (35001-)
BLADE TILT CYLINDER (35001-)
BLADE TILT CYLINDER PIPING (35001-)
STRAIGHT BLADE (35001-)
STRAIGHT RAKE BLADE (35001-)
STRAIGHT FRAME (35001-)
U-BLADE (FOR COAL DOZER) (35001-)
U-BLADE (FOR COAL DOZER) (WITH TILT) (35001-)
STRAIGHT FRAME (FOR COAL DOZER) (35001-)
ANGLE BLADE (35001-)
C-FRAME (35001-)
STRAIGHT TILT U-BLADE (35001-)
MECHANICAL ANGLE POWER TILT BLADE (35001-)
MECHANICAL ANGLE POWER TILT FRAME (35001-)
MECANICAL ANGLE POWER TILT CYLINDER (35001-)
MECHANICAL ANGLE POWER TILT CYLINDER PIPING (1/2) (35001-)
MECHANICAL ANGLE POWER TILT CYLINDER PIPING (2/2) (35001-)
RIPPER SHANK¤ BEAM AND LINK (35001-)
RIPPER CYLINDER (35001-)
RIPPER CYLINDER PIPING (35001-)
TOWING WINCH CASE (1/2) (35001-)
TOWING WINCH CASE (2/2) (35001-)
INPUT SHAFT AND BEVEL GEAR (FOR TOWING WINCH) (35001-)
BRAKE DRUM (FOR TOWING WINCH) (35001-)
CABLE DRUM (FOR TOWING WINCH) (35001-)
CLUTCH DRUM (FOR TOWING WINCH) (35001-)
BRAKE DRUM (FOR TOWING WINCH) (35001-)
CABLE (FOR TOWING WINCH) (35001-)
DRAWBAR (FOR TOWING WINCH) (35001-)
BRAKE CYLINDER (FOR TOWING WINCH) (35001-)
HYDRAULIC PUMP MOUNT (FOR TOWING WINCH) (35001-)
HYDRAULIC PIPING (FOR TOWING WINCH) (35001-)
WINCH PIPING (FOR TOWING WINCH) (35001-)
CONTROL VALVE (FOR TOWING WINCH) (35001-)
HYDRAULIC PUMP (FOR TOWING WINCH) (35001-)
FAIR LEAD (FOR TOWING WINCH) (35001-)
LOGGING ARM (FOR TOWING WINCH) (35001-)
MODIFIED PARTS (FOR TOWING WINCH) (35001-)
POWER TAKE OFF SHAFT (FOR REAR P.C.U.) (35001-)
INPUT SHAFT AND HYDRAULIC PUMP (FOR REAR P.C.U.) (35001-)
MAIN SHAFT (FOR REAR P.C.U.) (35001-)
CLUTCH AND DRUM (FOR REAR P.C.U.) (35001-)
BRAKE BAND (FOR REAR P.C.U.) (35001-)
CASE AND CVER (FOR REAR P.C.U.) (35001-)
SHEAVE (FOR REAR P.C.U.) (35001-)
CONTROL VALVE (FOR REAR P.C.U.) (35001-)
HYDRAULIC PUMP (FOR REAR P.C.U.) (35001-)
HYDRAULIC PUMP (FOR REAR P.C.U.) (35001-)
MODIFIED CHASSIS PARTS (FOR REAR P.C.U.) (1/2) (35001-)
MODIFIED CHASSIS PARTS (FOR REAR P.C.U.) (2/2) (35001-)
VANDALISM PROTECTION (35001-)
FLOOR PLATE (TBG SPEC.) (35001-)
STRAIGHT TILT FRAME (TBG SPEC.) (35001-)
OPERATOR'S SEAT (TBG SPEC.) (35001-)
FIRST AID BOX (TBG SPEC.) (35001-)
MARKS AND PLATES (ENGLISH) (35001-36191)
MARKS AND PLATES (ENGLISH) (36192-)
MARKS AND PLATES (ARABIC) (35001-36191)
MARKS AND PLATES (ARABIC) (36192-)
MARKS AND PLATES (ITALIAN) (35001-36191)
MARKS AND PLATES (ITALIAN) (36192-)
MARKS AND PLATES (INDONESIAN) (35001-36191)
MARKS AND PLATES (INDONESIAN) (36192-)
MARKS AND PLATES (SPANISH) (35001-36191)
MARKS AND PLATES (SPANISH) (36192-)
MARKS AND PLATES (CHINESE) (35001-36191)
MARKS AND PLATES (CHINESE) (36192-)
MARKS AND PLATES (GERMAN) (35001-36191)
MARKS AND PLATES (GERMAN) (36192-)
MARKS AND PLATES (FRENCH) (35001-36191)
MARKS AND PLATES (FRENCH) (36192-)
MARKS AND PLATES (PERSIAN) (35001-36191)
MARKS AND PLATES (PERSIAN) (36192-)
MARKS AND PLATES (RUSSIAN) (35001-36191)
MARKS AND PLATES (RUSSIAN) (36192-)
TOOL (35001-35073)
TOOL (35074-)
TOOL (COLD TERRAIN SPEC.) (35001-)
KIT (35001-)
1
2
3
4
4
5
6
7
8
9
10
11
12
13
14
14A
14B
14B
14C
14C
15
16
17
18
19
20
21
22
22
23
23
24
25
26
27
28
28
29
29
29A
29B
29C
30
31
32
32
33
33
34
34
34
35
36
37
37
Позиция на иллюстрации
Заводской номер детали
Название детали
G-1
154-Z11-X420
COMPRESSOR GROUP
1
154-Z11-5292
BRACKET
2
01010-51030
BOLT
3
01010-51030
BOLT
4
01643-31032
WASHER
4A
203-54-56970
WASHER
5
154-Z11-5321
BRACKET
6
01252-40820
BOLT
7
01602-20825
WASHER, SPRING
8
130-Z79-1740
BOLT
9
01580-11008
NUT
10
195-Z11-5301
COMPRESSOR ASS'Y
11
04120-21756
V-BELT
12
154-Z11-5330
SPACER
13
01011-51070
BOLT
14
01643-31032
WASHER
14A
15A-Z11-1220
COVER
14B
01010-50816
BOLT
14C
01643-30823
WASHER
G-2
154-Z11-X410
CONDENSER GROUP
15
154-Z11-5101
CONDENSER ASS'Y
16
154-Z11-5740
BRACKET
17
154-Z11-5730
BRACKET
18
01010-51220
BOLT
19
01643-31232
WASHER
20
154-Z11-5510
BRACKET,L.H.
21
154-Z11-5520
BRACKET,R.H.
22
01010-51020
BOLT
23
01643-31032
WASHER
24
154-Z11-5550
BRACKET
25
154-Z11-5560
BRACKET
26
154-Z11-5530
BRACKET,L.H.
27
154-Z11-5540
BRACKET,R.H.
28
01010-51225
BOLT
29
01643-31232
WASHER
29A
15A-Z11-1230
BRACKET
29B
01010-51220
BOLT
29C
01643-31232
WASHER
G-3
154-Z11-X530
PIPING GROUP
30
01010-51225
BOLT
31
01010-51225
BOLT
32
01643-31232
WASHER
33
195-03-41380
CUSHION
34
178-60-12250
COLLAR
35
01010-51060
BOLT
36
01010-51045
BOLT
37
01643-31032
WASHER
Содержащиеся в справочниках-каталогах запасные части и детали не предлагаются к продаже, а носят исключительно информационный характер
Дополнительная информация
×
Название:
Номер:
Примечание: