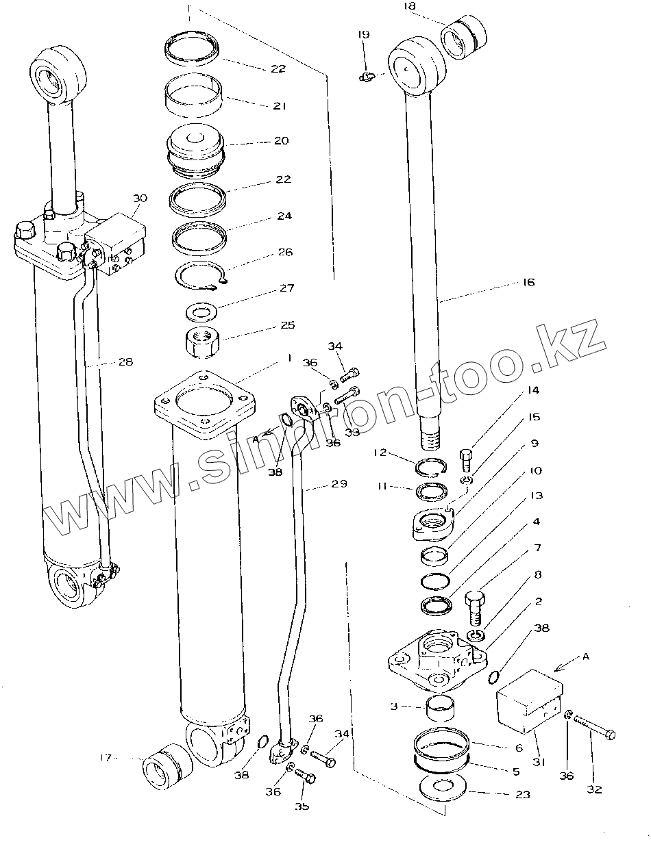
Каталог запасных частей к технике: Komatsu D155C-1D. COUNTER WEIGHT CYLINDER
1
2
3
4
5
6
7
8
9
10
11
12
13
14
15
16
17
18
19
20
21
22
22
23
24
25
26
27
28
29
30
31
32
33
34
34
35
36
36
36
36
36
38
38
38
| Позиция на иллюстрации | Заводской номер детали | Название детали | |
|---|---|---|---|
| 176-63-92200 | 176-63-92200 | CYLINDER ASS'Y,FRONT | |
| 176-63-92100 | 176-63-92100 | CYLINDER ASS'Y,REAR | |
| 1 | 176-63-48140 | CYLINDER | |
| 2 | 131-63-32131 | HEAD,CYLINDER | |
| 3 | 07177-05030 | BUSHING | |
| 4 | 176-63-92230 | PACKING | |
| 5 | 07000-52115 | O-RING | |
| 6 | 07146-02116 | RING,BACK-UP (KIT) | |
| 7 | 01010-82260 | BOLT | |
| 8 | 01602-02268 | WASHER,SPRING | |
| 9 | 12F-63-13330 | GLAND | |
| 10 | 07177-05012 | BUSHING | |
| 11 | 176-63-92240 | SEAL,DUST (KIT) | |
| 12 | 07179-00069 | RING,SNAP | |
| 13 | 176-63-92270 | O-RING | |
| 14 | 01010-81240 | BOLT | |
| 15 | 01643-51232 | WASHER | |
| 16 | 176-63-48120 | ROD,PISTON | |
| 17 | 176-63-29381 | BUSHING | |
| 18 | 176-63-29481 | BUSHING | |
| 19 | 07020-00000 | FITTING, GREASE | |
| 20 | 176-63-92260 | PISTON | |
| 21 | 07155-01230 | RING,WEAR (KIT) | |
| 22 | 176-63-92160 | RING,PISTON | |
| 23 | 176-63-92360 | WASHER | |
| 24 | 131-63-32270 | RETAINER | |
| 25 | 07165-13941 | NUT | |
| 26 | 04069-00952 | RING,SNAP | |
| 27 | 131-63-32360 | WASHER | |
| 28 | 176-63-48190 | TUBE,L.H. | |
| 29 | 176-63-48290 | TUBE,R.H. | |
| 30 | 176-62-13240 | ELBOW,L.H. | |
| 31 | 176-62-13250 | ELBOW,R.H. | |
| 32 | 01010-80895 | BOLT | |
| 33 | 01010-81245 | BOLT | |
| 34 | 01010-80845 | BOLT | |
| 35 | 01010-80835 | BOLT | |
| 36 | 01643-50823 | WASHER | |
| 37 | 01643-51232 | WASHER | |
| 38 | 07000-53025 | O-RING |
Содержащиеся в справочниках-каталогах запасные части и детали не предлагаются к продаже, а носят исключительно информационный характер