Вернуться на главную
Поиск
Каталоги запчастей к технике
Спецтехника
Komatsu
D155C-1 (спец.)
BOOM KICK-OUT CONTROL LEVER(№31574-)
Каталог запасных частей к технике: Komatsu D155C-1 (спец.). BOOM KICK-OUT CONTROL LEVER(№31574-)
zoom-in
zoom-out
enlarge
shrink
circle-right
circle-left
file-text2
info
cart
Тип техники
Не выбрано
Легковые автомобили
Грузовые автомобили и прицепы
Автобусы
Сельхозтехника
Спецтехника
Двигатели
Мототехника
Марка
Не выбрано
Ammann
BOMAG
CARMIX
CASE IH
Changlin
ChengGong
Dimex
Doosan
DYNAPAC
Foton
HAMM
Hidromek
Hitachi
Hyundai
JCB
JLG
John Deere
Komatsu
LIEBHERR
LiuGong
Lonking (LongGong)
Luneng
MANITOU
Mitsuber
New Holland
PENGPU
RM-Terex
SANY
SDLG
SEM
Shantui
Shehwa HBXG
Soosan
TIGARBO
VOGELE
Volvo
WAY
WIRTGEN
XCMG
XGMA
Xiamen
YTO
Yuchai
Zoomlion
Автокран
АЗСМ
Алтайлесмаш
Амкодор
АОМЗ
Атек
АТЗ
Балканкар Рекорд
БелАЗ
Беловеж
Борекс
Брянский Арсенал
Булат
ВЭКС
ГАЗ
Геомаш
Гидромаш
Донекс
Дормаш
Дормашина
Дорэлектромаш
ДЭЗ
ЕлАЗ
ЗЗГТ
Ижнефтемаш
Канаш-электрокар
КЗКТ
ККЗ
Клевер
Клинцовский автокрановый завод
КМЗ
КМЗ 1 Мая
Ковровец
Коммаш
Кранэкс
КЭЗ
КЭМЗ
ЛЗА
МАЗ
МЗИК
МЗКМ
МЗКТ
Михневский РМЗ
МоАЗ
Мозырский МЗ
МТЗ
ОЗП
Онежец
ПАО "ТЗА"
ППС Детва
Промтрактор
ПТЗ
Раскат
СпецАгрегат
ТВЭКС
ТТМ
УВЗ
Угличмаш
УЗТМ
ХТЗ
ЧЗКМ
ЧСДМ
ЧТЗ
ЭКСКО
ЭКСМАШ
ЮрМаш
Модель
Не выбрано
D155C-1 (2010)
D155C-1 (спец.) (2010)
D155C-1D (2010)
D155C-1P (2010)
D355C-3 (2010)
D355C-3 (2010)
D85A-21 (2010)
D85A-21 (2010)
D85A-21B (2010)
D85C-21A (2010)
PC200, 210(LC)-7 (2004)
PC200-6 (2010)
PC200-7 (2010)
PC200-7-AA (2010)
PC200-8MO (2010)
PC200LC-7 (2010)
PC200LC-8M0 (2010)
PC210-6 (2010)
PC210LC-6 (2010)
PC220-7 (2010)
PC220-8MO (2010)
PC220LC-8MO (2010)
PC300-7 (2010)
PC300-8MO (2010)
PC300LC-7 (2010)
PC300LC-8MO (2010)
PC35MR-3 (2010)
PC400-7 (2010)
PC400-7EO (2010)
PC400LC-7 (2010)
PC55MR-3 (2010)
WB93R-5E0 (2018)
WB93S-5E0 (2018)
WB97S-5E0 (2018)
Погрузчик SK820 (2015)
Схема
>
Не выбрано
ENGINR MOUNTING (FOR 140 ENGINE)(№31586-)
EXHAUST PIPE (FOR 140 ENGINE)(№31586-)
RADIATOR PIPING (FOR 140 ENGINE) (COLD WEATHER (B) SPEC.)(№31595-)
RADIATOR FAN BELT (FOR 140 ENGINE) (COLD WEATHER (B) SPEC.)(№31595-)
OIL COOLER (FOR 140 ENGINE) (COLD WEATHER (B) SPEC.)(№31595-)
FUEL TANK (FOR 140 ENGINE) (COLD WEATHER (B) SPEC.)(№31595-)
FUEL PIPING (FOR 140 ENGINE) (COLD WEATHER (B) SPEC.)(№31595-)
STARTING CABLE (FOR 140 ENGINE) (COLD WEATHER (B) SPEC.)(№31595-)
ELECTRICAL SYSTEM (ENGINE ROOM) (FOR 140 ENGINE) (COLD WEATHER (A) SPEC.)(№31586-)
SAFETY WIRING RELAY (FOR 140 ENGINE) (COLD WEATHER (A) SPEC.)(№31586-)
ROCKET HEATER WIRING (FOR 140 ENGONE) (COLD WEATHER (B) SPEC.)(№31595-)
POWER TAKE OFF (1/2) (FOR 140 ENGINE) (COLD WEATHER (B) SPEC.)(№31595-)
POWER TAKE OFF (2/2) (FOR 140 ENGINE) (COLD WEATHER (B) SPEC.)(№31595-)
UNIVERSAL JOINT (FOR 140 ENGINE) (COLD WEATHER (B) SPEC.)(№31595-)
BEVEL GEAR AND SHAFT
STEERING CLUTCH(№31586-)
BRAKE BAND AND LINKAGE (FOR 140 ENGINE) (COLD WEATHER (B) SPEC.)(№31595-)
BRAKE BOOSTER (FOR 140 ENGINE) (COLD WEATHER (B) SPEC.)(№31595-)
FINAL DRIVE CASE (FOR 140 ENGINE) (COLD WEATHER (B) SPEC.)(№31595-)
FINAL DRIVE GEAR AND SHAFT (FOR 140 ENGINE) (COLD WEATHER (B) SPEC.)(№31595-)
STEERING CONTROL VALVE (FOR 140 ENGINE) (COLD WEATHER (B) SPEC.)(№31595-)
MAIN RELIEF VALVE AND SAFETY VALVE (FOR 140 ENGINE) (COLD WEATHER (B) SPEC.)(№31595-)
STEERING CONTROL VALVE RELATED PARTS (FOR 140 ENGINE) (COLD WEATHER (B) SPEC.)(№31595-)
POWER LINE PUMP (FOR 140 ENGINE) (COLD WEATHER (B) SPEC.)(№31595-)
TRANSMISSION CONTROL VALVE (FOR 140 ENGINE) (COLD WEATHER (B) SPEC.)(№31595-)
TORQFLOW TRANSMISSION PIPING (FOR 140 ENGINE) (COLD WEATHER (B) SPEC.)(№31595-)
STEERING PIPING (SUCTION LINE) (FOR 140 ENGINE) (COLD WEATHER (B) SPEC.)(№31595-)
STEERING PIPING (FOR 140 ENGINE) (COLD WEATHER (B) SPEC.)(№31595-)
STEERING PIPING (RETURN LINE) (FOR 140 ENGINE) (COLD WEATHER (B) SPEC.)(№31595-)
SAFETY PIPING (FOR 140 ENGINE) (COLD WEATHER (B) SPEC.)(№31595-)
SAFETY PIPING (FOR 140 ENGINE)(№31586-)
TRANSMISSION OIL FILTER (FOR 140 ENGINE) (COLD WEATHER (B) SPEC.)(№31595-)
STEERING STRAINER (FOR 140 ENGINE) (COLD WEATHER (B) SPEC.)(№31595-)
STEERING FILTER (FOR 140 ENGINE) (COLD WEATHER (B) SPEC.)(№31595-)
COUNTER WEIGHT PUMP (FOR 140 ENGINE) (COLD WEATHER (B) SPEC.)(№31595-)
STEERING CASE FRAME (FOR 140 ENGINE) (COLD WEATHER (B) SPEC.)(№31595-)
STEERING CASE REAR COVER (FOR 140 ENGINE) (COLD WEATHER (B) SPEC.)(№31595-)
OIL FILLER AND LEVEL GAUGE (WITH SAFETY DEVICE)
SUSPENSION(№15686-31642)
SUSPENSION(№31643-)
OPERATOR'S SEAT(№31574-)
OPERATOR'S SEAT ASSEMBLY(№31416-)
SEAT BELT(№31586-)
CAB (BODY) (FOR 140 ENGINE)(№31586-)
CAB (BODY) (FOR 140 ENGINE) (COLD WEATHER (B) SPEC.)(№31587-)
CAB (COVER) (FOR 140 ENGINE)(№31586-)
CAB (COVER) (FOR 140 ENGINE) (WITHOUT VENTILATOR)(№31654-)
CAB (COVER) (FOR 140 ENGINE) (COLD WEATHER (B) SPEC.)(№31587-)
CAB (DOOR AND WINDOW)
CAB (DOOR AND WINDOW) (FOR 140 ENGINE) (WITHOUT VENTILATOR)(№31654-)
CAB (SIDE WINDOW) (FOR 140 ENGINE) (COLD WEATHER (B) SPEC.)(№31587-)
CAB (INTERIA)
CAB (INTERIA) (FOR 140 ENGINE) (WITHOUT VENTILATOR)(№31654-)
CAB (DOOR AND REAR WINDOW) (FOR 140 ENGINE) (COLD WEATHER (B)SPEC.)(№31587-)
CAB (ELECTRICAL PARTS)(№31586-)
CAB (INTERIOR) (FOR 140 ENGINE) (COLD WEATHER (B) SPEC.)(№31587-)
CAB (VENTILATOR)(№31586-)
CAB (ELECTRICAL PARTS) (FOR 140 ENGINE) (COLD WEATHER (B) SPEC.)(№31587-)
CAB REAR LAMP AND WIPER (FOR 140 ENGINE RUSSIAN)(№31586-)
CAB (VENTILATOR¤ REAR LAMP AND WIPER) (FOR 140 ENGINE) (COLD WEATHER (B) SPEC.)(№31587-)
HEATER RELATED PARTS (FOR 140 ENGINE)(№31586-)
CAB (HEATER RELATED PARTS) (FOR 140 ENGINE) (COLD WEATHER (B)SPEC.)(№31587-)
HEATER DUCT RELATED PARTS (FOR 140 ENGINE)(№31586-)
CAB (DUCT RELATED PARTS) (FOR 140 ENGINE) (COLD WEATHER (B) SPEC.)(№31587-)
CAB HEATER PIPING
CAB (HEATER PIPING) (FOR 140 ENGINE) (COLD WEATHER (B) SPEC.)(№31587-)
CAB (BLANK PARTS) (FOR 140 ENGINE) (COLD WEATHER (B)SPEC.)(№31587-)
BOOM WORK LAMP (FOR 140 ENGINE RUSSIAN)(№31586-)
FOG LAMP (FOR 140 ENGINE RUSSIAN)(№31586-)
REAR VIEW MIRROR(№31574-)
WINCH LAMP (FOR 140 ENGINE RUSSIAN)(№31586-)
SUNVISOR(№31416-)
CAB MOUNT(№31586-)
FLOOR MAT(№31574-)
HEATER PIPING (FOR 140 ENGINE)(№31586-)
ASHTRAY
EXTINGUISHER(№31416-)
FIRST AID BOX(№31416-)
THERMOS BOTTLE(№31595-)
THERMOS BOTTLE (BELT LESS TYPE)(№31595-)
FLOOR FRAME (FOR 140 ENGINE) (FOR C.I.S.)(№31586-)
FLOOR FRAME (FOR 140 ENGINE) (WITH SEAT BELT)(№31586-)
DECELERATOR PEDAL (FOR 140 ENGINE)(№31586-)
DECELERATOR PEDAL (FOR 140 ENGINE) (FOR TOWING WINCH)(№31586-)
RADIATOR SHUTTER CONTROL LEVER (FOR 140 ENGINE)(№31586-)
FUEL CONTROL LEVER(№31586-)
FUEL CONTROL LINKAGE (FOR 140 ENGINE) (COLD WEATHER (B) SPEC.)(№31595-)
PARKING BRAKE LEVER(№31574-)
GEAR SHIFT LEVER (1/2) (FOR 140 ENGINE) (COLD WEATHER (B)SPEC.)(№31595-)
GEAR SHIFT LEVER (2/2) (FOR 140 ENGINE) (COLD WEATHER (B)SPEC.)(№31595-)
WINCH CONTROL LEVER LINKAGE(№31574-)
HOOK AND HIGH-LOW CONTROL LEVER(№31574-)
BOOM CONTROL LEVER (FOR 140 ENGINE) (FOR C.I.S)(№31586-)
HOOK AND HIGH-LOW CONTROL LOCK LEVER(№31574-)
COUNTER WEIGHT CONTROL LEVER (FOR 140 ENGINE) (COLD WEATHER (B) SPEC.)(№31595-)
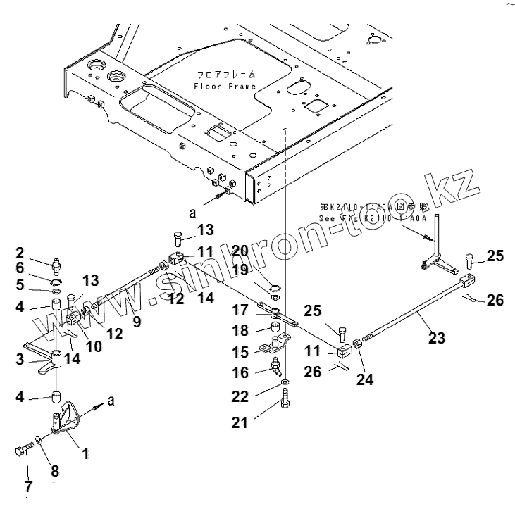
BOOM KICK-OUT CONTROL LEVER(№31574-)
HORN SWITCH
HORN SWITCH (FOR 140 ENGINE) (COLD WEATHER (B) SPEC.)(№31595-)
CAB DOOR LOCK(№31562-)
CIGA LIGHTER AND ASHTRAY CASE(№31586-)
INSTRUMENT PANEL (FOR 140 ENGINE) (FOR C.I.S.)(№31586-)
INSTRUMENT PANEL DUSHBOARD (FOR 140 ENGINE)(№31586-)
FUEL LEVER(№31574-)
STEERING AND BRAKE CONTROL LINKAGE (FOR 140 ENGINE)(№31586-)
BRAKE PEDAL LINKAGE (FOR 140 ENGINE) (COLD WEATHER (B) SPEC.)(№31595-)
STEERING CONTROL LEVER LINKAGE (FOR 140 ENGINE)(№31586-)
STEERING CONTROL LEVER (FOR 140 ENGINE) (COLD WEATHER (B)SPEC.)(№31595-)
FUEL CONTROL LEVER KNOB (FOR 140 ENGINE)(№31586-)
OVER WIND ALARM (FOR 140 ENGINE) (FOR C.I.S.)(№31586-)
SAFETY DEVICE RELATED(№31586-)
INSPECTION LAMP CABLE (FOR 140 ENGINE) (COLD WEATHER (B) SPEC.)(№31595-)
FLOOR FRAME COVER(№31578-)
FUEL CONTROL LINKAGE (FOR 140 ENGINE)(№31586-)
GEARSHIFT LEVER KNOB
GEAR SHIFT LINKAGE (FOR 140 ENGINE)(№31586-)
STEERING LEVER AND BRAKE PEDAL LINKAGE (1/2) (FOR 140 ENGINE) (COLD WEATHER (B) SPEC.)(№31595-)
STEERING LEVER AND BRAKE PEDAL LINKAGE (2/2) (FOR 140 ENGINE) (COLD WEATHER (B) SPEC.)(№31595-)
KNOB
SHUTTER CONTROL LINKAGE(№31586-)
RADIATOR (FOR 140 ENGINE) (COLD WEATHER (B) SPEC.)(№31595-)
RADIATOR PIPING (FOR 140 ENGINE) (COLD WEATHER (B) SPEC.)(№31595-)
RADIATOR FAN DRIVE (FOR 140 ENGINE) (COLD WEATHER (B) SPEC.)(№31595-)
FAN GUARD (FOR 140 ENGINE)(№31595-)
HEAD AND SIDE LAMP (FOR 140 ENGINE) (COLD WEATHER (B) SPEC.)(№31595-)
RADIATOR GUARD (FOR 140 ENGINE) (COLD WEATHER (B) SPEC.)(№31595-)
RADIATER SHUTTER(№31586-)
RADIATOR MASK (FOR 140 ENGINE) (COLD WEATHER (B) SPEC.)(№31595-)
RADIATOR FAN NET (FOR 140 ENGINE)(№31586-31591)
RADIATOR GUARD RELATED (FOR 140 ENGINE) (COLD WEATHER (B) SPEC.)(№31595-)
RADIATOR MARK
ENGINE HOOD (FOR 140 ENGINE) (COLD WEATHER (B) SPEC.)(№31595-)
ENGINE SIDE COVER (CLOSE) (FOR 140 ENGINE)(№31586-)
ENGINE SIDE COVER (CLOSE) (FOR 140 ENGINE) (COLD WEATHER (B) SPEC.)(№31595-)
ENGINE HOOD COVER (FOR 140 ENGINE) (COLD WEATHER (B) SPEC.)(№31595-)
FENDER (FOR 140 ENGINE)(№31586-)
CAB MOUNTING
BATTERY COVER (FOR 140 ENGINE) (COLD WEATHER (B) SPEC.)(№31595-)
FENDER CABLE (FOR 140 ENGINE) (COLD WEATHER (B) SPEC.)(№31595-)
TRANSMISSION SPEED CONTROL LEVER
TRANSMISSION SPEED CONTROL LEVER (COLD WEATHER (B) SPEC.)(№31643-)
BATTERY (C200¤WET) (FOR 140 ENGINE) (COLD WEATHER (B) SPEC.)(№31595-)
BATTERY RELATED PARTS (FOR 140 ENGINE) (COLD WEATHER (B) SPEC.)(№31595-)
HYDRAULIC TANK AND CONTROL(№31586-)
HYDRAULIC TANK (COLD WEATHER (B) SPEC.)(№31586-)
COUNTER WEIGHT FILTER (COLD WEATHER (B) SPEC.)(№31586-)
RADIATOR SHUTTER CONTROL LEVER(№31586-)
COUNTER WEIGHT PIPING (1/2) (COLD WEATHER (B) SPEC.)(№31595-)
COUNTER WEIGHT PIPING (2/2) (COLD WEATHER (B) SPEC.)(№31595-)
COUNTER WEIGHT CONTROL LEVER(№31574-)
JUMP START (FOR 140 ENGINE) (COLD WEATHER (B) SPEC.)(№31595-)
FENDER PLATE (FOR 140 ENGINE)(№31595-)
FENDER PLATE (WITH AIR CONDITIONER) (FOR 140 ENGINE)(№31643-)
ROCKET HEATER AND MOUNT (FOR 140 ENGINE) (COLD WEATHER (B) SPEC.)(№31595-)
ROCKET HEATER FUEL PIPING (FOR 140 ENGINE) (COLD WEATHER (B) SPEC.)(№31593-)
REAR COVER(№31574-)
UNDER GUARD (WITH HINGE) (FOR 140 ENGINE) (COLD WEATHER (B) SPEC.)(№31595-)
FRONT IDLER (FOR 140 ENGINE) (COLD WEATHER (B) SPEC.)(№31595-)
TRACK ROLLER (FOR 140 ENGINE) (COLD WEATHER (B) SPEC.)(№31595-)
CARRIER ROLLER (FOR 140 ENGINE) (COLD WEATHER (B) SPEC.)(№31595-)
TRACK SHOE (760MM WIDE)(№31593-)
TRACK FRAME (L.H.)(№31574-)
TRACK FRAME (R.H.)(№31574-)
IDLER CUSHION (FOR 140 ENGINE) (COLD WEATHER (B) SPEC.)(№31595-)
TRACK FRAME COVER
TRACK ROLLER CENTER GUARD
COUNTER WEIGHT (FOR 140 ENGINE)(№31586-)
COUNTER WEIGHT PIPING (1/2) (FOR 140 ENGINE) (COLD WEATHER (B) SPEC.)(№31595-)
COUNTER WEIGHT PIPING (2/2) (FOR 140 ENGINE) (COLD WEATHER (B) SPEC.)(№31595-)
COUNTER WEIGHT CONTROL LEVER KNOB(№31586-)
COUNTER WEIGHT CYLINDER (FOR 140 ENGINE) (COLD WEATHER (B) SPEC.)(№31593-)
BOOM (FOR 140 ENGINE) (COLD WEATHER (B) SPEC.) (9M)(№31595-)
BOOM (7.3M) (COLD WEATHER (B) SPEC.)(№31586-)
BLOCK AND HOOK(№31562-)
SHEAVE BLOCK (FOR 140 ENGINE) (COLD WEATHER (B) SPEC.)(№31595-)
SHEAVE BLOCK (FOR C.I.S.)(№31595-)
MOMENT LIMITTER (9.0M) (FOR 140 ENGINE) (COLD WEATHER (B) SPEC.)(№31595-)
MOMENT LIMITER ROLLER(№31578-)
LOAD INDICATOR (9.0M) (FOR 140 ENGINE) (COLD WEATHER (B) SPEC.)(№31595-)
OVER WIND ALARM (9.0 M) (FOR 140 ENGINE) (COLD WEATHER (B) SPEC.)(№31595-)
OVER WIND ALARM (7.3 M) (FOR 140 ENGINE) (COLD WEATHER (B) SPEC.)(№31586-)
OVER WIND RELAY SWITCH(№31578-)
HOOK WIRE LOCK(№31586-)
FRAME (2/2) (FOR 140 ENGINE) (COLD WEATHER (B) SPEC.)(№31595-)
WINCH (1/9)
WINCH (2/9)
WINCH (3/9)
WINCH (4/9)
WINCH (5/9)
WINCH (6/9)
WINCH (7/9)
WINCH (8/9)
WINCH (9/9)
WINCH CLUTCH (1/3)
WINCH CLUTCH (2/3)
WINCH CLUTCH (3/3)
WINCH BRAKE
WINCH FLOW DIVIDER
WINCH STRAINER
WINCH FILTER
WINCH CONTROL BOX
WIRE ROPE (9.0M) (FOR 140 ENGINE) (COLD WEATHER (B) SPEC.)(№31595-)
WIRE ROPE (7.3M) (FOR 140 ENGINE) (COLD WEATHER (B) SPEC.)(№31586-)
DRUM ROLLER(№31416-)
WINCH CONTROL LEVER LINKAGE (1/3)
WINCH CONTROL LEVER LINKAGE (2/3)
WINCH CONTROL LEVER LINKAGE (3/3)
WINCH CONTROL LEVER KNOB
BOOM KICKOUT CONTROL LEVER
WINCH COOLER PIPING (FOR 140 ENGINE) (COLD WEATHER (B) SPEC.)(№31595-)
DRAWBAR (SWING)
MARK AND PLATES (FOR 140 ENGINE) (COLD WEATHER (B) SPEC.)(№31595-)
MARK PLATE (CENTER OF GRAVITY)
PLATE (AIR CLEANER) (FOR 140 ENGINE)(№31586-)
MARK AND PLATE (SEAT BELT)(№31654-)
SPAER PARTS (FOR 140 ENGINE) (COLD WEATHER (B) SPEC.)(№31595-)
CAP AND OVERALL(№23286-31653)
CAP AND OVERALL(№31654-)
TOOL (FOR 140 ENGINE) (COLD WEATHER (B) SPEC.)(№31595-)
INSPECTION LAMP(№31595-)
VANDALISM PROTECTION (FOR 140 ENGINE) (COLD WEATHER (B) SPEC.)(№31595-)
ELECTRICAL ENGINE HEATER (FOR 140 ENGINE) (COLD WEATHER (B) SPEC.)(№31586-)
QUILTING (FOR 140 ENGINE) (COLD WEATHER (B) SPEC.)(№31595-)
SERVICE KIT(№15686-31302)
SERVICE KIT(№31303-)
SHOE BOLT AND NUT SERVICE KIT
TRACK LINK ASS'Y (SUPPLY PARTS)
TRANSMISSION PUMP (COLD WEATHER (B) SPEC.)(№31595-)
STEERING PUMP (COLD WEATHER (B) SPEC.)(№31595-)
COUNTER WEIGHT PUMP (COLD WEATHER (B) SPEC.)(№31595-)
COUNTER WEIGHT CYLINDER (FOR 140 ENGINE) (COLD WEATHER (B) SPEC.)(№31593-)
PPC VALVE
SLOW RETURN VALVE
HIGH-LOW SELECT VALVE
COUNTER WEIGHT SLOW RETURN VALVE (1/2)
COUNTER WEIGHT SLOW RETURN VALVE (2/2)
1
2
3
4
4
5
6
7
8
9
10
11
11
12
12
13
13
14
14
15
16
17
18
19
20
21
22
23
24
25
25
26
26
Позиция на иллюстрации
Заводской номер детали
Название детали
1
176-76-29191
BRACKET
2
07020-00000
FITTING, GREASE
3
176-76-29211
LEVER
4
06124-02520
BEARING
5
01640-22440
WASHER
6
04064-02512
RING
7
01010-81235
BOLT
8
01643-31232
WASHER
9
04245-41448
ROD
10
04210-21456
YOKE
11
04211-21478
YOKE
12
01582-11411
NUT
13
04205-11438
PIN
14
04050-14022
PIN, COTTER
15
176-76-29220
BRACKET
16
07020-00675
FITTING, GREASE
17
176-76-29230
LEVER
18
06124-02520
BEARING
19
01640-22440
WASHER
20
04064-02512
RING
21
01010-81225
BOLT
22
01643-31232
WASHER
23
04244-51471
ROD
24
01582-11411
NUT
25
04205-11438
PIN
26
04050-14022
PIN, COTTER
Содержащиеся в справочниках-каталогах запасные части и детали не предлагаются к продаже, а носят исключительно информационный характер
Дополнительная информация
×
Название:
Номер:
Примечание: