Вернуться на главную
Поиск
Каталоги запчастей к технике
Спецтехника
КМЗ 1 Мая
КДЭ-163
Выключатель рессор. (23-01030В)
Каталог запасных частей к технике: КМЗ 1 Мая КДЭ-163. Выключатель рессор. (23-01030В)
zoom-in
zoom-out
enlarge
shrink
circle-right
circle-left
file-text2
info
cart
Тип техники
Не выбрано
Легковые автомобили
Грузовые автомобили и прицепы
Автобусы
Сельхозтехника
Спецтехника
Двигатели
Мототехника
Марка
Не выбрано
Ammann
BOMAG
CARMIX
CASE IH
Changlin
ChengGong
Dimex
Doosan
DYNAPAC
Foton
HAMM
Hidromek
Hitachi
Hyundai
JCB
JLG
John Deere
Komatsu
LIEBHERR
LiuGong
Lonking (LongGong)
Luneng
MANITOU
Mitsuber
New Holland
PENGPU
RM-Terex
SANY
SDLG
SEM
Shantui
Shehwa HBXG
Soosan
TIGARBO
VOGELE
Volvo
WAY
WIRTGEN
XCMG
XGMA
Xiamen
YTO
Yuchai
Zoomlion
Автокран
АЗСМ
Алтайлесмаш
Амкодор
АОМЗ
Атек
АТЗ
Балканкар Рекорд
БелАЗ
Беловеж
Борекс
Брянский Арсенал
Булат
ВЭКС
ГАЗ
Геомаш
Гидромаш
Донекс
Дормаш
Дормашина
Дорэлектромаш
ДЭЗ
ЕлАЗ
ЗЗГТ
Ижнефтемаш
Канаш-электрокар
КЗКТ
ККЗ
Клевер
Клинцовский автокрановый завод
КМЗ
КМЗ 1 Мая
Ковровец
Коммаш
Кранэкс
КЭЗ
КЭМЗ
ЛЗА
МАЗ
МЗИК
МЗКМ
МЗКТ
Михневский РМЗ
МоАЗ
Мозырский МЗ
МТЗ
ОЗП
Онежец
ПАО "ТЗА"
ППС Детва
Промтрактор
ПТЗ
Раскат
СпецАгрегат
ТВЭКС
ТТМ
УВЗ
Угличмаш
УЗТМ
ХТЗ
ЧЗКМ
ЧСДМ
ЧТЗ
ЭКСКО
ЭКСМАШ
ЮрМаш
Модель
Не выбрано
КДЭ-163 (2002)
Схема
>
Не выбрано
Кабина машиниста. (23-17000А)
Оборудование кабины машиниста. (23-00070Б)
Дверь внутренняя. (23-17210)
Дверь кабины боковая. (23-22030)
Кузов. (23-22000Б, 24-22000Б)
Силовая установка с ДГУ 100. (23-05000Б)
Система питания. (23-05040)
Платформа ходовая. (23-01000, 24-01000)
Рельсовый захват. (Н-01-00)
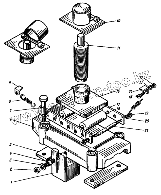
Выключатель рессор. (23-01030В)
Выключатель рессор. (23-01030В)
Передача тормозная рычажная. (23-01050, 24-01050)
Оборудование тормозное пневматическое. (23-01060, 24-01060)
Оборудование поворотной рамы. (23-02000А, 24-02000А)
Опорно-поворотное устройство. (17-03000Б)
Аутригер. (4-04020, 5-04020)
Грузовая лебедка. (23-06000)
Редуктор. (23-06020)
Барабан правый/левый. (23-06030-01/23-06030-02)
Муфта тормозная. (17-06040)
Левый и правый ограничители сматывания канатов. (17-06072, 17-06073)
Ролик прижимной. (23-06071)
Сигнализатор угла наклона. (23-06080)
Механизм поворота. (23-08000)
Редуктор. (23-08020)
Муфта. (4-08030Б)
Механизм передвижения. (23-09000)
Редуктор осевой. (4-09020Б)
Подшипник осевой. (23-09030)
Подвеска шарнирная. (23-09070)
Портал и ограничитель грузоподъемности. (17-10000Б, 18-10000Б)
Траверса неподвижная. (23-10030)
Траверса подвижная. (23-10040)
Траверса неподвижная. (24-10030)
Траверса подвижная. (24-10040)
Стреловая лебедка. (23-12000)
Редуктор. (23-12020)
Муфта. (4-12030А)
Барабан. (23-12050)
Обойма крюковая. (23-13000)
Обойма крюковая. (24-13000)
Стела. (23-15000)
Головка стрелы. (23-15040)
Стрела. (24-15000)
Головка стрелы. (24-15040)
Указатель грузоподъемности. (23-15050)
Успокоитель грейфера. (23-15070)
Оборудование для удлинения стрелы. (23-16000, 24-16000)
Ролик поддерживающий. (23-16040)
Установка электрооборудования в панели №1. (23-20020)
Кабельная катушка. (4-20030)
Установка магнитного контроллера. (23-20040)
Установка выключателя. (23-20050)
Электрооборудование ходовой рамы. (23-21001А)
Установка токоприемника. (17-21020)
Установка электрооборудования снизу на поворотную раму. (23-21002)
Установка электрооборудования на поворотную раму сверху. (23-21003)
Шкаф панели №1. (23-21081)
Панель №1. (23-21080А)
Установка электрооборудования на кузове крана. (23-21060Б)
Панель №2. (23-21090А)
Пульт управления. (23-21120)
Оборудование стрелы под электропроводку. (23-21140А, 24-21140А)
Установка электрооборудования кабины. (23-21171, 24-21171)
Грузоподъемный электромагнит. (23-00000)
Грейфер Н-18-3. (29-00000)
Подвеска. (29-00040)
Траверса. (29-00050СБ)
Кран стреловой железнодорожный. Общий вид. (23-00000, 24-00000)
Инструмент и принадлежности. (23-26000)
1
2
3
4
5
6
7
8
9
10
11
12
13
14
15
16
17
18
19
20
21
Позиция на иллюстрации
Заводской номер детали
Название детали
1
23-01030-14
Клин
2
5915
Гайка М8
3
11371
Шайба 12
4
4-01030-13
Шпилька
5
23-01030-09
Планка
6
23-01030-05А
Скоба
7
7798
Болт М12х25
8
4-01030-09
Пружина
9
4-01030-08
Петля
10
23-01030-03
Крышка
11
23-01030-02
Винт
12
5915
Гайка М8
13
6402
Шайба 12.65Г
14
23-01030-17
Угольник
15
23-01030-16
Болт
16
4-01030-01
Опора
17
4-01030-04
Щековина
18
4-01030-05
Ролик
19
5915
Гайка М8
20
6402
Шайба 12.65Г
21
4-01030-06
Стяжка
Содержащиеся в справочниках-каталогах запасные части и детали не предлагаются к продаже, а носят исключительно информационный характер
Дополнительная информация
×
Название:
Номер:
Примечание: